7431909230
M4214
VAG60..
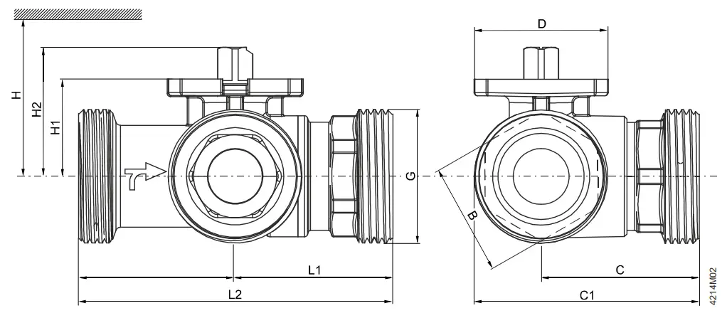
VBG60..T
VBG60..L
Ball valve
Mounting instructions
VAG60 Changeover Ball Valve




| VAG60.. | H | |||||||||||||
| DN | B [mm] | C [mm] | D [mm] | G [Inch] | L1 [mm] | L2 [mm] | H1 [mm] | H2 [mm] | GSD..9A [mm] | GQD..9A [mm] | GMA..9E..[mm] | GLB..9E..[mm] | ||
| VAG60.15-9 | 15 | 27 | 33 | 42 | G 1B | 43.5 | 87 | 27.6 | 37.6 | > 300 | > 300 | > 300 | > 300 | 0.36 |
| VAG60.20-17 | 20 | 35 | 42 | 42 | G 1 ¼B | 44.7 | 89.4 | 30.5 | 40.5 | 0.55 | ||||
| VAG60.25-22 | 25 | 35 | 48 | 42 | G 1 ½B | 44.7 | 89.4 | 30.5 | 40.5 | > 320 | > 320 | > 320 | > 320 | 0.57 |
| VAG60.32-35 | 32 | 38 | 59.7 | 42 | G 2B | 50.1 | 100.2 | 34.3 | 44.3 | 0.84 | ||||
| VAG60.40-68 | 40 | 49 | 65.7 | 42 | G 2 ¼B | 58.3 | 116.6 | 39.8 | 49.8 | 1.29 | ||||
| VAG60.50-96 | 50 | 61 | 81.6 | 42 | G 2 ¾B | 62 | 124 | 52.8 | 62.8 | > 335 | > 335 | 1.98 | ||

| VBG60..T | H | ||||||||||||||
| DN | B [mm] | C [mm] | C1 [mm] | D [mm] | G [Inch] | L1 [mm] | L2 [mm] | H1 [mm] | H2 [mm] | GSD..9A [mm] | GQD..9A [mm] | GMA..9E..[mm] | GLB..9E..[mm] | [kg] | |
| VBG60.15-8T | 15 | 27 | 44.4 | 61 | 42 | G 1B | 44.3 | 88.6 | 27.6 | 37.6 | > 300 | > 300 | > 300 | > 300 | 0.45 |
| VBG60.20-13T | 20 | 35 | 49.5 | 70 | 42 | G 1 ¼B | 49 | 98 | 30.5 | 40.5 | 0.68 | ||||
| VBG60.25-13T | 25 | 35 | 49.5 | 73 | 42 | G 1 ½B | 49.2 | 98.4 | 30.5 | 40.5 | > 320 | > 320 | > 320 | > 320 | 0.75 |
| VBG60.32-25T | 32 | 38 | 63.7 | 94 | 42 | G 2B | 57 | 114 | 34.3 | 44.3 | 1.2 | ||||
| VBG60.40-49T | 40 | 49 | 74.3 | 107 | 42 | G 2 ¼B | 63.8 | 127.6 | 39.8 | 49.8 | 1.84 | ||||
| VBG60.50-73T | 50 | 61 | 82.3 | 123 | 42 | G 2 ¾B | 69 | 138 | 52.8 | 62.8 | > 335 | > 335 | 2.83 | ||
| H | ||||||||||||||||
| VBG60..L | DN | B [mm] | C [mm] | C1 [mm] | D [mm] | G [Inch] | L1 [mm] | L2 [mm] | H1 [mm] | H2 [mm] | GSD..9A [mm] | GQD..9A [mm] | GMA..9E..[mm] | GLB..9E..[mm] | ||
| VBG60.15-5L | 15 | 27 | 44,4 | 61 |
42 | G 1 B | 44,3 | 88,6 | 27,6 | 37,6 | > 300 | > 300 | > 300 | > 300 | 0,45 | |
| VBG60.20-8L | 20 | 35 | 49,5 | 70 | G 1 ¼ B | 49 | 98 | 30,5 | 40,5 | 0,68 | ||||||
| VBG60.25-9L | 25 | 73 | G 1 ½ B | 49,2 | 98,4 | > 320 | > 320 | > 320 | > 320 | 0,75 | ||||||
| VBG60.32-13L | 32 | 38 | 63,7 | 94 | G 2 B | 57 | 114 | 34,3 | 44,3 | 1,2 | ||||||
| VBG60.40-25L | 40 | 49 | 74,3 | 107 | G 2 ¼ B | 63,8 | 127,6 | 39,8 | 49,8 | 1,84 | ||||||
| VBG60.50-37L | 50 | 61 | 82,3 | 123 | G 2 ¾ B | 69 | 138 | 52,8 | 62,8 | > 335 | > 335 | 2,83 | ||||
Issued by
Siemens Switzerland Ltd
Smart Infrastructure
Global Headquarters
Theilerstrasse 1a
6300 Zug
Switzerland
Tel. +41 58-724 24 24
www.siemens.com/buildingtechnologies
© Siemens Switzerland Ltd, 2021
Technical specifications and availability subject to change without notice.
7431909230-AD


















