merten 565426 ARGUS 220 Motion Detector for 12V

Accessories
- Mounting bracket (Art. no. 56529.)
- Radio module for ARGUS 220 movement detector (Art. no. 565495)
For your safety
DANGER
Risk of serious damage to property and personal injury, e.g. from fire or electric shock, due to incorrect electrical installation. Safe electrical installation can only be ensured if the person in question can prove basic knowledge in the following areas:
- Connecting to installation networks
- Connecting several electrical devices
- Laying electric cables
- Outdoor electrical installation
These skills and experience are normally only possessed by skilled professionals who are trained in the field of electrical installation technology. If these minimum requirements are not met or are disregarded in any way, you will be solely liable for any damage to property or personal injury.
ARGUS introduction
The ARGUS 220 for 12 V Connect (hereafter called ARGUS) is an electronic movement detector for inside and outside use. It registers moving sources of heat within its range, e.g. people, and switches the loads connected whenever it detects a movement. It requires a supply voltage of DC 12 V and is therefore particularly suited for use in mobile homes or caravans, for example. You can connect loads with a supply voltage of up to 230 V to its floating, switched output. This could include:
- ohmic loads (e.g. 230 V incandescent and halogen lamps)
- inductive loads (e.g. low-voltage halogen lamps with inductive transformer)
- capacitive loads (e.g. electronic transformers)
- inductive loads (e.g. low-voltage halogen lamps with inductive transformer)
Surface monitoring of 220° for larger house fronts and areas of the house (max. range of 16 m) is combined with a 360° short-range zone with a radius of approx. 4 m. The operating elements for setting the brightness threshold, switching duration and sensitivity are located under the cover plate for protection. The ARGUS can be mounted on the wall or ceiling and also on to corners or fixed pipes with the mounting bracket (art. no. 5652 ..) which is available as an accessory. The integrated functional display lights up when movement is detected and thus simplifies the alignment of the device at the installation site. The area of detection can be adapted to the local conditions due to the horizontally, vertically and axially adjustable sensor head. You can also block unwanted zones or sources of interference (e.g. trees) from the area of detection using the masking segments provided. The device is fitted with a light sensor whose brightness threshold can be set between approx. 3 and 1000 lux. If you additionally equip the ARGUS with an ARGUS220 movement detector radio module (565495), you can connect several ARGUS 220 Connect or ARGUS 220 Timer devices wirelessly. When one of the movement detectors registers a movement, it transmits to all taught in movement detectors or receivers via the radio module; they then also switch on their connected loads.
Using ARGUS with alarm systems
- Movement/presence detectors are not suitable for use as components of an alarm system.
- Movement/presence detectors can trigger false alarms if the installation site has been chosen unfavourably.
Movement/presence detectors switch on as soon as they detect a moving heat source. This can be a person, but also animals, trees, cars or differences in temperature in windows. In order to avoid false alarms, the chosen installation site should be such that undesired heat sources cannot be detected (see section „Selecting the installation site“).
Connections, displays and operating elements

- A. Wall connection box
- B. Top section
- C. Cover plate
- D. Sensor head
- E. Contact pins
- F. Cable routing for connecting cable from underneath
- G. Cable routing for connecting cable from behind
- H. Terminal block for the connecting cable and for locating the contact pins
The ARGUS operating elements are protected under the cover plate. The arrow’s position on the controllers shows you the set values.

- A. ARGUS settings controller; Radio operation
- B. Switching duration controller
- C. Brightness threshold controller
- D. Functional display (lights up each time movement is detected)
- E. Brightness sensor (must not be covered)
- F. Sensitivity controller
Selecting the installation site
Explanation of the symbols used
![]()
- Correct
- Not optimal
- Incorrect
When selecting a suitable installation site, you should take a number of factors into account so that the movement detector operates optimally.
The following figure shows the ranges of the ARGUS at average temperature conditions and a mounting height of 2.5 m. The range of a movement detector can vary greatly depending on the temperature.

- Inner security zone A: Angle of detection 360° over a radius of approx. 4 m.
- Middle-security zone B: Angle of detection 220° with an area of detection of approx. 9 m x 18 m.
- Outer security zone C: Angle of detection 220° with an area of detection of approx. 16 m x 28 m.

- Mounting height D: 2-3 m. For optimum monitoring, we recommend a height of 2.5 m on a solid and even base.
- Minimum distance E: to sources of optical interference: 5 m If necessary, use the segments supplied to shade the device.

- Minimum distance F: between luminaire and movement detector: 5 m. If this distance cannot be achieved, you can use the segments provided to “mask” the light source from the area of detection.
If possible, install the movement detector sideways to the direction of movement.
If you wish to attach several movement detectors, install them so that the detection areas of the individual movement detectors intersect each other.
To avoid the connected load being switched on due to environmental influences, the ARGUS should be installed so that it is protected against rain and direct sunlight. A raindrop running over the lens, for example, can activate the movement detector.
ARGUS installation
Dismantlement of the top section of the ARGUS

Installing the ARGUS to the wall

Feeding in the connecting cable

Installing the ARGUS on the ceiling
In order to install the ARGUS on the ceiling, you must rotate the sensor head. Change the direction of rotation once you have reached the end stops.
- Turn the sensor head upwards as far as it will go.
- Turn the sensor head clockwise as far as it will go.
- Align the sensor head.

CAUTION
If not installed correctly, the device can be damaged by condensation. In the case of sloping ceilings, install the device so that spherical head is pointing down and always at an angle of 15° – 90°. When the spherical head points downwards, any water from condensation could run down the device.
Type of protection IP 55 cannot be guaranteed if the mounting bracket is not 15° – 90°.
Installing the ARGUS on corners and fixedpipes
You can attach the ARGUS to inner/outer corners or fixed pipes using the mounting bracket (art. no. 5652..). You can feed the connecting cable to the device from behind through the mounting bracket.
Connecting the ARGUS
CAUTION The device can become damaged. Operation only possible with sinusoidal mains voltages. Phase control dimmers or inverters with square-wave or trapezoidal voltage curves will damage the device.
When switching inductive loads such as transformers, relays, contactors or fluorescent lamps, spikes occur which could lead to the load being switched on again (“maintained light effect”). Connect a capacitor in parallel to the inductive load to reduce these spikes.
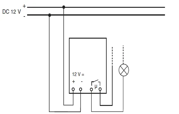
Through-wiring” to other loads is permitted. Using the floating switching contact “μ”, you can switch loads corresponding to the technical specifications with any supply voltages.
- Feed both connecting cables (12 V supply voltage and load to be switched) into the connection box separately from one another.
- Strip the connecting cable insulation by a length of 14 mm.
- Plug the positive pole of the 12 V supply voltage into the “+” terminal.
- Plug the negative pole of the 12 V supply voltage into the “-” terminal.
- Plug the load to be switched into the terminals of the floating switching contact “μ”.
Installation options
- ARGUS is permanently connected to the operating voltage
ARGUS constantly monitors its area
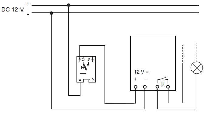
- ARGUS combined with break contact
The ARGUS is always ready for operation. By pressing the push-button (the power is briefly disconnected for 2–3 seconds), the ARGUS is switched on for the set period. Every further movement increases the switching duration.
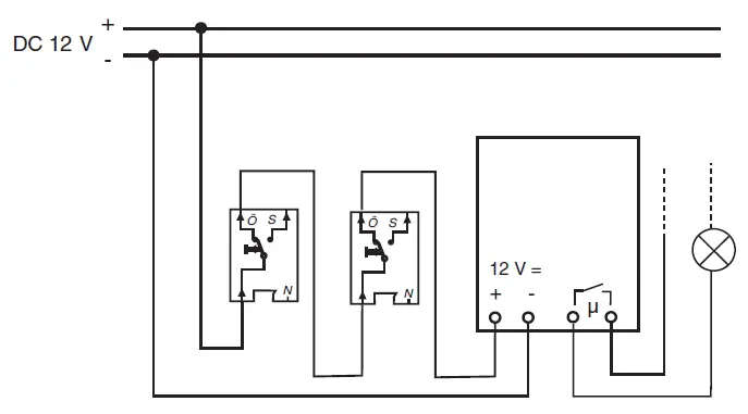
- ARGUS combined with two break contacts
Function as for installation with a break contact
Installation of the top section of the ARGUS

The ARGUS can now be put into operation.
Putting ARGUS into operation
- Connect the supply voltage.
The load is switched on for approx. 10 s or for the set period. The functional display lights up for approx. 10 s.
Conducting a functional test
The brightness sensor must not be covered up.
- Set the switching duration to 1 second (left stop).
- Set the brightness threshold to daytime operation (right stop).
- Set the sensitivity controller to maximum (right stop).
- Test the functionality of ARGUS and the loads connected to it by walking to and fro in the detection area.
Setting ARGUS
CAUTION The device could become damaged. The sensor head should only be rotated until it reaches the stop and no further. To achieve an angle “above” the stop, change the direction of rotation.
- Align the sensor head in the direction of the area that is to be monitored.

- From its edge step into the area of detection to see whether the ARGUS switches the load and the functional display as required.
Setting the sensitivity
Here you can infinitely set the distance up to which ARGUS detects movements (any distance up to max. 16 m).
Setting the brightness threshold
Here you can infinitely set the ambient brightness level at which the ARGUS detects movements and triggers a switching procedure.
- Moon symbol (night operation): The ARGUS will only detect movements during the hours of darkness (approx. 3 lux).
- Sun symbol (day and night operation): The ARGUS detects movements up to approx. 1000 lux

Setting the switching duration
Here you can set how long the loads connected to ARGUS are switched on for. When a movement is detected, the load is switched on and stays switched on until the set period has elapsed. Every further movement restarts the switching duration.
The ARGUS ignores the light-sensitive switch once the load has been switched on. If the movement detector does not switch the load off again, the reason probably is that the ARGUS constantly detects further movements and thus keeps restarting the switching duration.
Blocking out individual areas
Using the four segments supplied, you can block out unwanted zones and sources of interference from the area of detection.
Technical data
- Nominal voltage: DC 12 V (min. 11 V, max. 15 V)
- Fuse: Protect the ARGUS using a 16 A circuit breaker.
- Max. switching current: 5 A, DC 12 V /5 A, AC 230 V, cosϕ = 1 Fuse the switched conductor using a 5 A automatic circuit breaker or a 5 A miniature fuse.
- Power consumption: < 0.5 W
- Connecting terminals: for 2×1.5 mm2 or 2×2.5 mm2 rigid conductor, stripped length 14 mm
- External diameter of one cable: max. 14.5 mm
- Angle of detection: 220°
- Range: max. 16 m
- Number of levels: 7
- Number of zones: 112 with 448 switching segments
- Minimum mounting height: 1.7 m
- Recommended mounting height: 2.5 m
- Sensitivity: infinitely adjustable
- Light sensor: infinitely adjustable externally, from approx. 3 lux to approx. 1000 lux
- Switching duration: externally adjustable in 6 levels of approx. 1 sec. to approx. 8 min.
Possible settings for sensor head: - Wall mounting: 9° up, 24° down, 12° left/right, ± 12° axial
- Ceiling mounting: 4° up, 29° down, 25° left/right, ± 8.5° axial
- Type of protection: IP 55 at an angle of inclination from 15° to 90°
- EC directives: Low-voltage guideline 2006/95/ EC EMC directive 2004/108/EC
Schneider Electric GmbH c/o Merten
Gothaer Straße 29, 40880 Ratingen
www.merten.com
www.merten-austria.at
Customer care centre:
Phone: +49 2102 – 404 6000


























