PENTAIR IVTP-1M-DB Invertemp DB Heat Pump
- IVTP-1M-DB
- IVTP-2M-DB
- IVTP-3M-DB
- IVTP-4M-DB
- IVTP-5M-DB
- IVTP-6M-DB
Pentair thanks you for your trust and for purchasing the Pentair InverTemp®-DB, the full inverter swimming pool heat pump. In this manual, the heat pump is referred to as HP. To fully enjoy all the features of your InverTemp HP, please read this operating manual carefully. Store it carefully so that it can be consulted at any time.
Declaration of conformity
Guidelines Harmonized standards
We hereby declare under our sole responsibility that this product complies with the relevant guidelines.
Processing by individuals of electronic appliances reaching the end of their lifespan:
The symbol depicting a barred waste bin that features on the main parts constituting the product indicates that it must not be discarded alongside
household waste. It must be returned to an appropriate collection point for electronic device recycling (information available from the local
household waste collection service). This product contains potentially dangerous substances which may have adverse effects on the environment
and human health.
Hotline After sales service / SAV: +33(0)1 84 28 09 40
Internet site: www.pentairpooleurope.com
Guarantee excluding consumables: 3 years
© 2021 Pentair International SARL, All rights reserved
The document is subject to change without notice
Trade names and waivers: Pentair InverTemp® and Pentair® are trade names and/or registered trade names of Pentair and/or companies affiliated to Pentair. Unless otherwise stated, the names and brands of third parties used in the present document are not used to indicate any affiliation or endorsement between the owners of these trade names and Pentair. Those names and brands may be the trademarks or the registered trademarks of these parties, or others.
WARNING AND IMPORTANT SAFETY INSTRUCTIONS
This symbol indicates that the device uses R32, a coolant featuring a low combustion speed.
This symbol indicates that a maintenance technician must handle this equipment according to the operating manual.
This symbol indicates that the operating manual should be read attentively prior to use.
WARNING
In normal conditions, a suitable HP can heat the water of the pool by 1°C to 2°C per day. It is therefore quite normal not to feel a temperature difference at the outlet of the circuit when the HP is operating. A heated pool should be covered to prevent heat losses.
- The appliance is designed to be used in a swimming pool as described in standard NF-EN-16713.
- Failure to comply with the warnings could cause damage to the swimming pool equipment as well as severe injuries or death.
- Only a qualified person possessing the adequate technical skills (electricity, hydraulic, refrigeration) is authorized to undertake maintenance operations or repairs on the device. A qualified technician working on the device must use/wear personal protective equipment (safety goggles, protection gloves, etc…) to avoid all risk of injury arising during work on the device.
- Prior to any intervention on the device, ensure that it is powered down and has undergone the lockout-tagout procedure.
- The device is designed specifically for use in swimming pools and spas; it must not be used for purposes other than the ones it was designed for.
- This device is not intended for children.
- This device is not intended to be used by persons (including children, of 8 or more) who lack experience or who suffer from physical, sensory, or mental impairment, except;
- if it is operated under supervision or with operating instructions issued by a person responsible for their safety; and
- if they understand the risks taken.
- Children must be supervised to ensure that they do not play with the device.
- The installation of the device should be carried out according to the manufacturer’s instructions and in compliance with local and national applicable standards. The installer is responsible for the installation of the device and for compliance with national regulations relating to installation procedures. The manufacturer will not be liable in case of non-compliance with the installation standards that apply locally.
- For any action other than simple maintenance operations by the user as described in this manual, the product should be maintained by a certified professional.
- Any improper installation and/or use can cause damages and severe injuries (and even death).
- Do not touch the fan or the moving parts, and do not insert objects or your fingers close to the moving parts when the device is operating. • Moving parts can cause severe injuries and even death.
- Do not pull on the hoses and the connections to move the machine.
WARNINGS CONCERNING ELECTRICAL APPLIANCES: - The power supply of the device must be protected by a 30-mA security residual current protection system, as per the standards that apply in the country of installation.
- Do not use an extension to connect the device; only connect the device directly to a suitable power outlet.
- If a fixed device does not feature a power cord and a plug, or any other means to disconnect from the power supply with a separation of the contacts in all the poles, enabling total disconnection in case of a category III electrical surge, the manual will mention that the disconnection means must be integrated in the fixed wiring, as per relevant wiring rules.
- An adapted disconnection method, complying with all local and national requirements relating to category III electrical surges, and that disconnects all the poles of the supply circuit, must be installed in the supply circuit of the device. This disconnection method is not provided with the device and should be provided by the installation technician.
- Prior to installation, check that:
- The voltage featuring on the information plate of the device matches the voltage of the power supply,
- The power supply is suitable for operating the device and has an earthing connection.
- The plug (as necessary) adapts to the plughole.
- If the power cord is damaged, it should imperatively be replaced by the manufacturer, a technician or a person qualified to ensure safety.
WARNINGS RELATING TO DEVICES CONTAINING A COOLANT:
- The coolant R32 is a coolant of category A2L, which is considered as potentially flammable.
- Do not release R32 or R410A fluid into the atmosphere. This fluid is a greenhouse effect fluorinated gas, covered by the Kyoto Protocol, with a global warming potential (GWP) = 675 for R32 and 2088 for R410A (European regulation EU 517/2014).
- The device must be stored in a well-ventilated place and kept away from flames.
- Install the unit outdoors. Do not install the unit indoors or in an outdoor area that is closed and poorly ventilated.
- To comply with the relevant standards and regulations in terms of the environment and installation procedures, and in particular with decree Nº 2015-1790 and/or European regulation EU 517/2014, a search for leaks of the cooling circuit must be conducted at least once a year. This operation should be carried out by a certified specialist of cooling devices.
- Please keep and transmit these documents for reference throughout the lifespan of the device.
TABLEAU DES Characters
| Model | IVTP-1M-DB | IVTP-2M-DB | IVTP-3M-DB | IVTP-4M-DB | IVTP-5M-DB | IVTP-6M-DB |
| Conditions | Dry air temperature: 28°C – Relative humidity: 80% – Input water temperature: 28°C | |||||
| Heating capacity (boost Mode) | 6,8 kW | 8,8 kW | 10,6 kW | 12,8 kW | 16,5 kW | 20,1 kW |
| Continuous power (COP) (boost Mode) | 5,9 – 6,5 | 5,5 – 6,5 | 5,4 – 6,8 | 5,6 – 6,8 | 5,1 – 6 | 5,2 – 5,9 |
| Heating capacity (Smart mode) | 3,2 – 6,8 kW | 3,5 – 8,8 kW | 3,9 – 10,6 kW | 4,2 – 12,8 kW | 5,5 – 16,5 kW | 6,5 – 20,1 kW |
| Continuous power (COP) (Smart mode) | 5,9 – 10,8 | 5,5 – 10,8 | 5,4 – 10,8 | 5,6 – 11,2 | 5,1 – 10,8 | 5,2 – 10,1 |
| Heating capacity (Eco mode) | 3,2 – 5,8 kW | 3,5 – 5,8 kW | 3,9 – 7,1 kW | 4,2 – 8,4 kW | 5,5 – 9,9 kW | 6,5 – 12,2 kW |
| Continuous power (COP) (Eco mode) | 8,3 – 10,8 | 8,3 – 10,8 | 8,3 – 10,8 | 8,5 – 11,2 | 8,3 – 10,8 | 8,1 – 10,1 |
Dry air temperature
15°C – Relative humidity
70% – Input water temperature: 28°C
| Conditions | Dry air temperature: 15°C – Relative humidity: 70% – Input water temperature: 28°C | |||||
| Heating capacity (boost Mode) | 5,4 kW | 6,6 kW | 7,8 kW | 9,8 kW | 11,5 kW | 14,6 kW |
| Continuous power (COP) (boost Mode) | 4,5 – 4,8 | 4,4 – 4,9 | 4,9 – 5,2 | 4,5 – 5 | 4,2 – 4,6 | 4,3 – 4,6 |
| Heating capacity (Smart mode) | 2,6 – 5,4 kW | 3,2 – 6,6 kW | 3,5 – 7,5 kW | 3,7 – 9,8 kW | 4,2 – 11,5 kW | 4,9 – 14,6 kW |
| Continuous power (COP) (Smart mode) | 4,5 – 6,7 | 4,4 – 6,7 | 4,9 – 6,7 | 4,5 – 7,0 | 4,2 – 6,7 | 4,3 – 6,6 |
| Heating capacity (Eco mode) | 2,6 – 2,9 kW | 3,2 – 3,8 kW | 3,5 – 4,9 kW | 3,7 – 7,8 kW | 4,2 – 6,7 kW | 4,9 – 8,5 kW |
| Continuous power (COP) (Eco mode) | 5,6 – 6,7 | 5,6 – 6,7 | 6,1 – 7,1 | 5,5 – 7,0 | 5,7 – 6,7 | 5,6 – 6,6 |
| Conditions | Dry air temperature: 7°C – Relative humidity: 0% – Input water temperature: 26°C | |||||
| Heating capacity | 2,75 kW | 3,35 kW | 4,65 kW | 5,45 kW | 5,8 kW | 8,3 kW |
| Continuous power (COP) | 2,86 | 2,82 | 3,96 | 3,64 | 2,83 | 3 |
| Sound pressure at 10m (Eco mode) | 24,8 dB(a) | 25,5 dB(a) | 24,7 dB(a) | 29,5 dB(a) | 27,9 dB(a) | 33,8 dB(a) |
| Compressor | Mitsubishi / Toshiba 2D Full DC Inverter | |||||
| Expansion valve | Electronic | |||||
| Cabinet | Reinforced ABS, UV protection and equipped with soundproof panels | |||||
| Refrigerant | Recyclable refrigerant with no impact on the ozone layer (R32) | |||||
| Hydraulic connection | 1,5″ / 50 mm | |||||
| Supply voltage | 230V / 1 +N / 50 Hz | |||||
| Fuse rating | C 10 A | C 10 A | C 10 A | C 16 A | C 20 A | C 20 A |
| Power supply cross section | 3G 2,5 mm² | 3G 2,5 mm² | 3G 2,5 mm² | 3G 2,5 mm² | 3G 4 mm² | 3G 4 mm² |
| Minimum water flow | 4 m³/h | 5 m³/h | 6 m³/h | |||
| Weight | 38 kg | 38 kg | 44 kg | 44 kg | 54.5 kg | 62.5 kg |
DELIVERY TRANSPORT
When you have unpacked the HP, please check the content to report any damage. Please also check that the pressure reading on the pressure gauge is equal to the pressure mentioned on the box, depending on the measured outdoor temperature, as different values might indicate a leak.
The HP should always be stored and transported in a vertical position, on a pallet and inside its original packaging. Transporting and/or storing the HP horizontally will void the guarantee.
GENERAL DESCRIPTION


INSTALLATION (SITE, TYPE OF SUPPORT, NECESSARY SPACE)
- Install the HP outdoors at more than 2 meters from the pool, as per applicable laws (NF C 15 100).
- Place the HP on the provided vibration absorbers on a surface that is stable, solid (able to bear the weight of the device) and level (prepare a concrete base if necessary).
- Maintain 1 m (30 cm minimum) of open space in front of the vertical air intake grids (behind and on the side of the HP) and 3 m at the outlet of the fan (in front) of open space without any obstacles.
- Prepare sufficient space around the HP for maintenance operations.
- Prepare a water evacuation system close to the HP to protect the installation zone.
- Keep the HP out of the reach of children, insofar as possible.
The HP should never be installed: - In an area covered by sprinkling systems, or subject to spray or running water or mud (close to a road, take into account the effects of wind),
- under a tree,
- Close to a source of heat or of flammable gas,
- In an area where it would be exposed to oil, flammable gases, corrosive products, and compounds containing sulphur,
- Close to equipment operating at high frequencies,
- In a place where snow is likely to accumulate,
- In a place where it could be flooded by the condensates produced by the device as it operates,
- On a surface that could transfer the vibrations to the house.
Advice: dampen the possible noise nuisance caused by your HP.
- Do not install it close to or underneath a window.
- Do not direct the outlet of the fan towards your neighbors’ property.
- Do not direct the fan outlet (cold air) towards the swimming pool.
- Install it in an open area (sound waves bounce off surfaces).
- Install a sound barrier around the HP, making sure to maintain the required distances.
- Install 50 cm of PVC piping at the water inlet and outlet of the HP.
To improve its performance, it is recommended to insulate the piping between the HP and the swimming pool, especially if the distance is significant.
Space to maintain around the HP

The HP must be installed and maintained on a fixed and solid basis, with the skids placed under the feet.
- For concrete, use adapted ø8 mm lag screws fitted with washers to prevent any loosening.
- For wood, use adapted ø8 mm hexagon head screws fitted with locking washers to prevent any loosening.
- Cover the front of the feet with the provided hoods, push down to the clipping system.
Minimum dimensions of the concrete slab

DIMENSIONS

| Models | A | B | C | D | E | F | G |
| IVTP-1M-DB IVTP-3M-DB IVTP-2M-DB IVTP-4M-DB | 665mm | 977 mm | 431 mm | 510 mm | 410 mm | 103 mm | 290 mm |
| IVTP-5M-DB IVTP-6M-DB | 759 mm | 1076 mm | 494 mm | 669 mm | 465 mm | 92 mm | 320 mm |
HYDRAULIC CONNECTIONS
- Water quality necessary for this device: NF-EN-16713-3
- The HP is compatible with all types of water treatment. The HP must imperatively be connected by a PVC pipe of Ø 50mm to the swimming pool’s hydraulic circuit, after the filter and before the treatment system, regardless of its type (Cl, pH, Br metering pumps and/or electrolyze).
- Follow the hydraulic connection order (blue = water in, red = water out)
- A bypass must be installed to facilitate work on the HP.
- Before connecting the PVC pipes to the HP, make sure the circuit is clean of any work residue (stone, soil, etc.).
Connection of the condensate evacuation pack:
During operations, the HP is subject to a condensation phenomenon. This translates into a water flow, which can be more or less important depending on the degree of humidity. To channel this flow, which can represent several liters of water per day, we recommend you install the provided condensate evacuation pack and connect it to a suitable water evacuation circuit.

ELECTRICAL CONNECTIONS:
Connection of the power supply
- Prior to undertaking any intervention inside the HP, it is imperative to disconnect the power supply from the HP: there is a risk of electrocution that can cause damages, severe injuries, and even death.
- Only a certified and experienced technician is authorized to conduct cabling work in an HP or to replace the power cable.
- The power supply should match the voltage featuring on the information plate of the HP.
- The HP must be connected to an earthing connection.
Electric installation
To ensure safe operations and to protect the integrity of your electric installation, the HP should be connected to the electrical mains according to the following rules: Upstream, the electrical mains should be protected by a 30-mA differential switch. The HP should be connected to a suitable class C circuit-breaker (see the table below) according to the standards and regulations in force in the country where the system is installed. The power cord should be adapted to the power of the HP and the length of cable required for the installation (see the table below). The cable must be suitable for outdoor use.
- In the case of a three-phase system, it is imperative to follow the connection order of the phases.
- If phases are inverted, the compressor of the HP will not work.
- In public spaces, the installation of an emergency stop button close to the HP is mandatory.
- The voltage must match the voltage mentioned on the HP.
- The connections must be sized based on the power of the HP and on the installation state.
| Models | Power supply | Max current | Diameter of the RO2V cable and maximum cable length | Magnetic-thermal protection (C) |
| IVTP-1M-DB |
Single-phase 230 V ~, 50 Hz | 4.9 A | 3×2.5 mm² / 34m 3×4 mm² / 54m 3×6 mm² / 80m 3×10 mm² / 135m | 10 A |
| IVTP-2M-DB | 6.3 A | |||
| IVTP-3M-DB | 8.9 A | 3×2.5 mm² / 25m 3×4 mm² / 35m 3×6 mm² / 45m 3×10 mm² / 80m | ||
| IVTP-4M-DB | 11.5 A | 16 A | ||
| IVTP-5M-DB | 13.5 A | 3×4 mm² / 30m 3×6 mm² / 40m 3×10 mm² / 70m | 20 A | |
| IVTP-6M-DB | 16.0 A |
- Use the cable-gland and the pass-through provided inside the HP for the passage of the cables.
- As the HP is installed outdoors, the cable must pass through a protection sheath provided for that purpose. The power supply of the HP must be provided with a protection system according to applicable law.
- The electric cables must be buried at a depth of 50 cm (85 cm under a road or a path) in an electric sheath (ringed and red). When a buried sheathed cable intersects with another cable or a duct (water, gas…), the distance between the two must be greater than 20 cm.
ELECTRICAL CONNECTIONS
Terminal connections
Single-phase version:


ELECTRICAL CONNECTIONS
Heating priority
The filtration pump can be connected to the HP to force the filtration to operate if the water is not at the desired temperature. Prior to this connection, a “dry contact” (normally open relay or connector) with a 230V AC coil should be provided.
Electrical connections
- Connect the coil of this relay (A1 and A2) on the P1 and P2 terminals of the HP.
- Connect the input and the output of the dry contact (normally open) in parallel with the dry contact of the filtration clock of the swimming pool.

IMMERSION AND STARTING THE HP AT THE BEGINNING OF THE SEASON
Once the HP is connected to the water circuit with the bypass, and is connected to the power supply by a professional, ensure that:
- The HP is horizontal (level).
- The HP is secured and stable.
- The water circuit has been purged of air that has been trapped in the piping of the HP.
- The pressure gauge, at the back of the HP, shows a temperature that is equal to the ambient outdoor temperature.
- The water circuit is properly connected (no leaks or damage to the hydraulic connections, the connections are properly tightened).
- The electric circuit is properly connected (the cables are tightly secured to the terminals and intermediate circuit-breaker), properly insulated, and connected to the earthing connection.
- The conditions of installation and use described above have all been met.
- The outdoor temperature is between 0 and +35°C.
- The water temperature is of 15°C minimum.
- The evaporator at the rear/on the sides of the HP is clean (leaves, dust, pollen, cobwebs…)
You can now start your device by following, in the given order, the following steps:
- Open the 3 valves of the bypass (refer to the hydraulic diagram).
- Half-close the bypass valve.
- Remove all unused items or tools from the area surrounding the HP.
- Start the pump of the filtration system.
- Power up the HP by engaging the circuit-breaker and using the ON/OFF button of the display.
- Check that the HP starts and stops in sync with the filtration circuit: if no water is detected in the HP, the display shows “FLO”
- The HP starts after a delay of a few minutes.
- Adjust the temperature (“Regulation” chapter).
- Adjust the water flow (“Water flow setting” chapter).
- After a few minutes, you can adjust the bypass valve as indicated in the “Water flow setting” chapter. Having completed the above steps, cover the pool and let the HP operate for a few days with the filtration pump in “forced mode” until the water of the pool reaches the desired bathing temperature.
USE
- Cover the pool with a cover (bubble cover, shutter…) to reduce heat losses.
WiFi CONNECTION
- Application download
In the Apple or Android store, download the app Smart Life – Smart Living - Create an account and log in
Follow the account creation instructions - Add the heat pump

- Click “Add”
- Input the Wi-Fi
- 4.1: Press “Enter”
- 4.2: Press “Next”
- Select the desired network, enter the password then confirm.

- Use the app.
- Pairing
- Your HP is connected

SETTINGS
Water flow setting
- To optimize the heating performance and achieve power savings, the flow of water travelling through the HP should be adjusted.
- The adjustment is done based on the reading of the adjustment pressure gauge. The adjustment is done by opening or closing the adjustment valve of the bypass.
- To increase the pressure on the front pressure gauge: reduce the amount of water passing through the HP: open the bypass adjustment valve.
- To reduce the pressure on the front pressure gauge: increase the amount of water passing through the HP: close the bypass adjustment valve.
- During normal operations, the inlet and outlet valves must remain fully open.
Normal pressure
- The flow of water through the HP and the fluid pressure in the device are intimately linked.
- The flow value given for information purposes is of 5 to 7m³/h, i.e. approximately 100l/min to reach the maximum heating power of the HP.
- The ideal setting is achieved when the hand of the pressure gauge (for heating operations in boost or Hi mode) indicates a temperature in °C greater by 10 to 15°C than the current temperature of the swimming pool.
- Remember, the HP must operate for a few minutes before the pressure stabilizes on the pressure gauge.
- Example: the swimming pool water is 20°C, the HP has been operating for 5 minutes, and the hand of the pressure gauge indicates 20 bars / 280 PSI / 32°C / 90°F. -> 32°C – 20°C = 12°C -> the setting is right (between 10 and 15°C).
Abnormal pressure
- If the pressure at the pressure gauge is too high or too low, that means that the flow of water through the HP is inadequate.
- Action must therefore be taken by opening or closing progressively the bypass adjustment valve, to get the pressure in the recommended range.
- When stopped, the temperature reading should be close to the temperature of the swimming pool water.
- If the hand shows 0, the device should not be used (contact your distributor).
Setting frequency
- The flow through the HP depends much on water temperature, and to a lesser extent, on air temperature. It should therefore be adjusted:
- When the pump is started, and the water is cold
- During the rise of temperature
- When the desired temperature has been reached.
There should not be any reason to subsequently adjust the flow. An occasional reading of the pressure gauge to ensure everything is operating normally and the flow remains unchanged is generally sufficient.
GENERAL USE
Water quality (standard)
- The recommended water quality must comply with the following standards.
- Chlorine concentration less than 2.5 ppm
- pH between 6.9 and 8
In case of sudden chlorination, isolate the heat pump by shutting the inlet and outlet valves of the device, and reset them to their initial positions after treatment.
Maintaining the temperature
- Once the desired temperature has been reached, you can set the daily filtration time according to your habits (8 to 10 hours per day minimum during the sea-son). The heat pump will start automatically whenever necessary. The minimum operating time varies based on the time of use, please contact your distributor for further information.
- If you notice the water temperature of the pool is falling, despite the device operating continuously, increase the daily filtration time.
Do not forget to cover the pool with an insulated cover when you are not using it, to limit heat losses.
IMPORTANT: a swimming pool without a cover will lose 4 times more energy than the same pool with a cover.
The choice of the heat pump should always take into account the presence of a tarpaulin, a rolling shutter, or any other type of protection of the pool when it is not being used.
REGULATION (ELECTRONIC CONTROL UNIT)


TABLE OF THE DIFFERENT STATES OF THE DISPLAY
| Display | Meaning | Verification | Action required |
| St-by | Standby | ||
| FLO | No/insufficient water flow | – Check the water flow in the device. – Check the clogging of the filter. – Check the bypass setting. – Check the direction of the passage of water in the device (inlet bottom, outlet top). |
Contact your distributor. |
| AL10 / AL11 | HP error | ||
| AL15 / AL16 | Excessive temperature difference between water outlet/inlet | ||
| AL18 | Excessive temperature at the compressor outlet | ||
| AL17 | Protection temperature too low in cooling | ||
| SAL7 / AL8 | Communication error. | Check the connections between the display and the electronic card in the device. | |
| AL3 | Sensor error (water inlet) |
Check that the sensor in question is correctly connected. | |
| AL4 | Sensor error (water outlet) | ||
| AL5 | Sensor error (evaporator) | ||
| AL1 | Sensor error (compressor outlet) | ||
| AL2 | Sensor error (compressor inlet) | ||
| AL6 | Sensor error (ambient) | ||
| AL9 | Fan error | Check the fan connections. | |
| AL14 | Temperature too low | The outdoor temperature is < 0°C. | Wait for the temperature to rise. |
| AL19 / AL20 | Power supply issue | Have the installation checked by a qualified technician. |
Contact your distributor. |
| AL21 / AL22 AL23 / AL24 AL25 | Electronic/overheating problem. | Power down the device for 5 to 10 minutes, check that it is properly ventilated, and that the air flow is not blocked or slowed down. Power the device back up. |
MAINTENANCE
- Prior to undertaking any maintenance operation on the HP, it is imperative to disconnect the power supply from the HP: there is a risk of electrocution that cause damages, severe injuries, and even death. Maintenance operations are to be conducted by a qualified technician.
Cleaning (must be conducted by a qualified technician at least once yearly)
- The cleaning of the inlet of the evaporators and of the outlet of the fan are necessary to maintain a sufficient yield.
- The HP outer casing must be cleaned with a damp soft cloth (microfiber for example). The use of detergent and other household products might damage the surface of the casing and change its properties.
- The evaporator, at the rear of the HP, can be cleaned carefully using a soft brush vacuum cleaner, just a soft brush, or a stream of soft water; never use a high-pressure hose.
Yearly maintenance, safety checks (must be conducted by a qualified technician at least once yearly):
Prior to any maintenance operation, it is imperative to power down the device and to wait a few minutes before installing pressure control devices, as the high pressure and temperature in some parts of the cooling circuit could cause severe burns.
- Check that the electric cables are properly connected.
- Check that the earth terminals are properly connected to the earth.
- Check the state of the pressure gauge, and that the pressure is aligned with the temperature (table below), and for the presence of coolant.
| +60°C = 38.3 bar | +32°C = 19.3 bar | +20°C = 13.7 bar | +8°C = 9.4 bar | -4°C = 6.1 bar | -16°C = 3.7 bar |
| +55°C = 34.2 bar | +30°C = 18.3 bar | +18°C = 12.9 bar | +6°C = 8.8 bar | -6°C = 5.7 bar | -18°C = 3.3 bar |
| +50°C = 30.4 bar | +28°C = 17.3 bar | +16°C = 12.2 bar | +4°C = 8.2 bar | -8°C = 5.2 bar | -20°C = 3.0 bar |
| +45°C = 26.9 bar | +26°C = 16.3 bar | +14°C = 11.4 bar | +2°C = 7.6 bar | -10°C = 4.8 bar | |
| +40°C = 23.8 bar | +24°C = 15.4 bar | +12°C = 10.7 bar | 0°C = 7.1 bar | -12°C = 4.4 bar | |
| +35°C = 20.9 bar | +22°C = 14.5 bar | +10°C = 10.0 bar | -2°C = 6.6 bar | -14°C = 4.0 bar |
WINTERING
- Turn off the power supply to the HP
- Fully open the bypass valve and close the HP inlet and outlet valves.

- Unscrew the junctions to evacuate all the water contained in the HP.
- Reconnect and slightly tighten the junctions by hand to prevent the introduction of foreign objects into the HP.
- Place the provided wintering blanket over the HP.

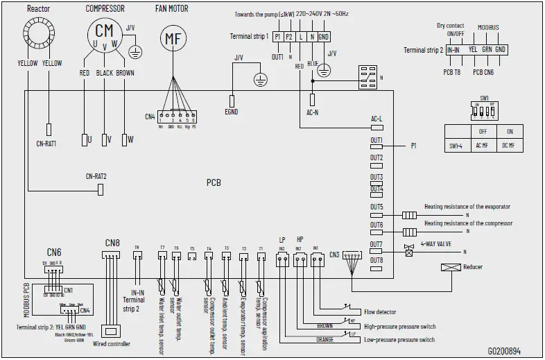
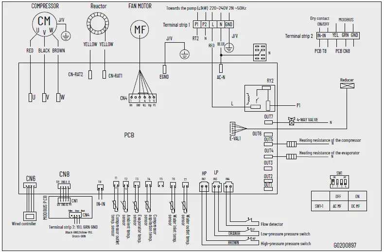
CIRCUIT DIAGRAMS
IVTP-1M-DB IVTP-2M-DB IVTP-3M-DB IVTP-4M-DB

IVTP-5M-DB IVTP-6M-DB

RECYCLING THE HP
When your HP reaches the end of its lifespan and you do not wish to keep it, do not throw it out with household waste. The HP must be brought to a selective recycling point for its reuse or recycling. It contains potentially hazardous substances that may harm the environment and that must, during recycling, be eliminated or neutralized. One of the following solutions should therefore be selected:

DETAILED INFORMATION CONCERNING INTERNAL COMPONENTS

Description
- Remote blower
- Front panel
- Protective grid of the fan
- Fan propeller
- Fan motor
- Motor support
- Frame
- Left panel
- Circuit board
- Modbus board
- Electric casing
- Cable channel
- Cover for electric casing
- Upper panel
- Board 1 connector
- Board 2 connector
- Cable fastener
- Current limiter
- Pressure gauge
- Cable gland Ø19
- Rear panel
- Evaporator
- Body of the electronic reducer
- Screen protection
- Screen
- Right panel
- Access hatch
- Water flow detector
- Titanium condenser
- Compressor
- 4-way valve
- Low-pressure pressure switch
- Schrader valve
- High-pressure pressure switch
- Separation panel
- Chassis bottom sheet metal
- Temperature sensor (evaporator)
- Temperature sensor (aspiration)
- Temperature sensor (water outlet)
- Temperature sensor (water inlet)
- Temperature sensor (compressor outlet)
- Ambient temperature sensor
- Rear panel resistance
- Coil of the 4-way valve
- Coil of the electronic reducer
- Compressor resistance
Pentair International SARL,
Ave. de Sévelin 20, CH-1004 – LAUSANNE, Switzerland
Copyright – Limited license: unless expressly authorized herein, no part of the content of the present document can be reproduced in any form or by any means without the prior written authorization by Pentair International SRL.






















