
EVO FORCE-i
INVERTER POOL & SPA HEAT PUMP
INSTALLATION& OPERATION MANUAL

Introduction
This manual contains information relating to the installation, troubleshooting, operation, and maintenance of this EvoHeat unit. Instructions in this manual must always be followed. Failure to comply with these recommendations will invalidate the warranty. Should you have any questions or require technical support, call the EvoHeat office on 1300 859 933 to speak to our team.
| TECHNICAL DATA | Force-i 9 | Force-i 12 | Force-i 17 | Force-i 19 | Force-i 24 | Force-i 28-3 | |
| Heating Capacity | kW | 9 | 12 | 17 | 19.5 | 24.2 | 28.3 |
| Consumed Power | kW | 0.33~1.33 | 0.18~1.77 | 0.24~2.52 | 0.28~3.15 | 0.35~4.00 | 0.42~4.64 |
| C.O.P. at 27°C air | 16.13~6.76 | 16.28~6.79 | 15.71~6.76 | 16.16~6.19 | 16.11~6.05 | 16.13~6.10 | |
| Power Supply | 220-240/1/50 | 380-415/3/50 | |||||
| Max current per phase | A | 9.3 | 12.1 | 14.7 | 18.7 | 24.1 | 11.7 per phase |
| Connection type | 10amp | 15amp | hard wired | hard wired | hard wired | hard wired | |
| Fan quantity | 1 | 1 | 1 | 1 | 2 | 2 | |
| Fan speed | RPM | 400-800 | 400-800 | 500-750 | 500-900 | 400-800 | 400-900 |
| Noise at 1M | dB(A) | 40-50 | 42-52 | 44-53 | 46-56 | 46-57 | 48-58 |
| Noise at 1M in silence mode | dB(A) | 40 | 42 | 44 | 45 | 46 | 48 |
| Refrigerant gas | R32 | ||||||
| PVC Water connection | mm | 40 | |||||
| Water flow volume | L/min | 60 | 80 | 90 | 110 | 150 | 160 |
| Water pressure drop (max) | kPa | 4 | 4.5 | 5 | 6 | 11 | 15 |
| Net dimensions L/W/H | mm | 1046/453/768 | 1046/453/768 | 1161/490/862 | 1161/490/862 | 1161/490/1274 | 1161/490/1274 |
| Net weight | kg | 52 | 58 | 69 | 90 | 111 | 120 |
*Heating: 27°C Air / Water 26°C / Humid 80%*
The data above is based on the Evo heat pump only, it does not include auxiliary devices. Product specification information provided above is correct at the date of printing, this data may change without notice. Please speak with an EvoHeat Specialist for the most current product specifications.
Dimensions

| Force-i | A (L) | B (W) | C (H) | D | E | F |
| 9 & 12 | 1046 | 453 | 768 | 615 | 350 | 100 |

| Force-i | A (L) | B (W) | C (H) | D | E | F |
| 17 | 1161 | 490 | 862 | 790 | 465 | 97 |

| Force-i | A (L) | B (W) | C (H) | D | E | F |
| 19 | 1161 | 490 | 1274 | 790 | 465 | 97 |

| Force-i | A (L) | B (W) | C (H) | D | E | F |
| 24 & 28-3 | 1161 | 490 | 1274 | 775 | 465 | 97 |
IMPORTANT THINGS TO NOTE
- Ensure you meet the minimum clearances and recommended installation locations as outlined in the manual.
- All heat pump accessories are contained in a plastic bag inside the packaging of your heat pump unit.
PRE-INSTALLATION
- Position the heater on a level pad in the desired location on the pool water return line (as shown in the example image below).
- Install the supplied antivibration rubber pads under the feet of the unit.
- Install the supplied condensation barb to the underside of the unit and direct the condensation to an appropriate drainage point.

PLUMBING INSTALLATION
NOTE: Evo heat pumps standard plumbing fitting size can accept 40mm NB PVC pipe for connection to the pool or spa filtration plumbing.
- Attach the supplied barrel unions to the cold inlet and hot outlet (hand tighten).
- Use plumbing tape and ensure the ‘O’ ring is in position when sealing.
- Install a 3-way valve at the cold-water inlet and create a bypass by connecting a “T” piece to the heated line.
- Make the plumbing connections and brace pipework where necessary.
ELECTRICAL CONNECTION
NOTE: Electrical connection should only be completed by licenced personnel and in accordance with all relevant Australian
Standards, applicable laws and local legislations.
- Remove the external cover to the electrical terminal by removing the screws and the terminal cover panel.
- Feed the electrical cable in through the conduit nipple and attach the electric supply wires to the applicable Active Neutral and Earth connections located in the electrical terminal.
- To complete the electrical connection, install electrical conduit, UF cable or other suitable means as specified (as permitted by local electrical authorities) and connect the cable to a dedicated power supply branch circuit equipped with the appropriate size circuit breaker, or time delay fuse protection.
INITIAL STARTUP & COMMISSIONING
NOTE: The water pump must be running and water circulating through the heat pump for the system to operate.
- Turn on your water filter pump and check for water leaks and verify flow to and from the pool.
- Turn on the electrical power supply to the EvoHeat unit.
- Press the ON/OFF
button of the controller for half a second, the heat pump will start within 60 seconds - To select the operating mode, press the “M” button to cycle to the sun icon (heating)
- To set the temperature, press
in the main interface, the current target-temperature will flash - Press
to increase the temperature, or press
to decrease the temperature - Once the desired temperature is displayed, allow the screen to time out to set
- After the system has been running for approximately 5 minutes; check the 2 temperatures displayed on the screen and review the Temperature Differential (TD). The small temperature displayed is the cold water inlet temperature, the main temperature display is the heated water outlet.
- Adjust the water flow by opening or closing the 3-way valve installed at the cold-water inlet to achieve a target TD of approximately 2°C (e.g. 22°C inlet water and 24°C outlet water)
- If there is any interruption to water flow (i.e. when the water pump is turned off), the unit will automatically turn off and display an E03 error code – no water flow. This is normal and the system will restart once water flow is reinstated.
INITIAL HEAT UP TIME
Initial heat up times will vary depending on the size of your pool, environmental conditions and the capacity of the system installed. After installation, please allow the unit and pool pump to run continuously until the desired pool water temperature is reached (it may take several days for the pool to initially reach the set temperature).
Once the pool water reaches the desired set temperature, the unit will shut off. The unit will automatically restart (provided your pool pump is running) when the pool temperature falls more than 1°C below the desired set temperature.
Safety Instructions
Installation, repair, or relocations must only be done by a fully qualified technician. If done incorrectly there is a number of hazards that can occur including fire, electric shock, water leakage and injury.
- A circuit breaker must be installed for the unit.
- Ensure the unit has a good power connection and earthing to avoid the risk of electrical shocks.
- Do not use any means to accelerate the defrosting processor or to clean other than those recommended by EvoHeat.
- The unit must be stored in a room without any continuously operating ignition sources (for example: open flames, an operating gas appliance)
- Do not pierce or burn the unit.
- If the supply cord is damaged, it must be replaced by a qualified service agent.
- This appliance must be installed in accordance with national wiring regulations.
- Before obtaining access to terminals all supply circuits must be disconnected.
The unit is equipped with an over-load protection system. After a previous stoppage, the unit will not start for at least 3 minutes.
Be aware that refrigerants may not contain an odour.
An all-pole disconnection device must be incorporated which as at least 3mm clearances in all poles, a leakage current that may exceed 10mA, residual current device (RCD) having a rated residual operating current not exceeding 30mA and disconnection must be incorporated in the fixed wiring in accordance with the wiring rules.
WARNING
THIS PRODUCT CONTAINS A BUTTON BATTERY
If swallowed, a lithium button battery can cause severe or fatal injuries within 2 hours. Keep batteries out of reach of children. If you think batteries may have been swallowed or placed inside any part of the body, seek immediate medical attention.
Installation
- The unit should be installed, operated and stored in a room with a floor area larger than 30m2.
- The installation of pipe-work should be kept to a minimum 30m2
- Spaces where refrigerant pipes are present must comply with national gas regulations.
- Use supply wires suitable for 75°C
Transport
When transporting equipment containing flammable refrigerants:
- Comply with transport & local regulations
- Equipment must be stored safely in accordance with the instructions within this manual.
- Abide by any signage on the packaging
- The unit must be protected from damage and potential leak of the refrigerant charge.
*Caution: Single wall heat exchanger, not suitable for potable water connection.
Installation
5.1 System Installation
Upon receiving the unit, check the packaging for any obvious signs of damage. Inform EvoHeat immediately if there is any evidence of rough handling. When the heater has been removed from the packaging check the refrigerant gauge on the front panel of the unit. The gauge should be showing a pressure of approx. 10 – 20 on the outside red band – any less than this figure means there may be a leak in the refrigerant system, and you should immediately contact your EvoHeat Dealer.
Only the main unit and the water unit in the illustration are provided; the other items are necessary spare parts for the water system that are to be provided by customer or the installer.
When starting for the first time:
- Open valve and charge water.
- Make sure that the pump and the water-in pipe have been filled with water.
- Close the valve and start the unit
The schematic diagram is for reference only. Please check the water inlet/outlet label on the heat pump while plumbing the unit.

IMPORTANT: EvoHeat heat pumps MUST be connected by a licensed electrician. Under no circumstances should an unlicensed person attempt to install or repair an EvoHeat heat pump themselves. Heater electrical installation undertaken by an unlicensed installer will void the warranty. Correct installation is required to ensure safe and efficient operation of your pool heater.
Before installation it is very important to ensure 5 variables are carefully checked to allow the unit to operate correctly.
- Heater Condition
- Location
- Clearances & Air Flow
- Adequate water flow & plumbing
- Correct electrical connection & supply
5.2 Location of Installation
Evo recommend the heat pump should ONLY be installed in an outdoor location with appropriate ventilation. Installing the heater indoors without adequate ventilation, or in a poorly ventilated enclosed space, will result in very poor performance and can, in extreme cases, damage the heater.
The Evo unit should be installed:
- At least 3.5m away from the water’s edge.
- No greater than 7.5m from the water’s edge (to avoid heat loss from the piping).
- No greater than 5m below the water level of the pool/spa.
Make sure the heat pump is not located where large amounts of water may run-off from a roof into the unit. Sharp sloping roofs without gutters will allow excessive amounts of rain water mixed with debris from the roof to be forced through the unit. A water deflector may be needed to protect the heat pump.
Ensure the heat pump is not installed close to harsh or corrosive chemicals.
The heat pump should be installed on a flat level surface. If a suitable outdoor location is unavailable please contact EvoHeat for specialist technical advice.
5.3 Airflow Clearances

Ensure the heater is installed in a well-ventilated area with plenty of fresh air, a minimum gap between walls/fences etc of 600mm on the sides and 500mm overhead clearance.
Leave sufficient space for unobstructed airflow into and out of the heater. Do not locate the heater in an enclosed area, or the discharged cold air will recirculate into the unit and consequently lower the heating efficiency as well as possibly icing up.
If the installation location does not comply with these suggested clearances, contact EvoHeat’s Tech Support to discuss possible solutions.
5.4 Adequate Water Flow
All EvoHeat heat pumps have a factory pre-set internal water flow switch. If there is insufficient water flow the unit will not operate.
It is VITAL that that there is sufficient water flow to the unit. Incorrect water flow can cause a loss of efficiency and possible damage to the unit. Optimal water flow rates are listed within this manual. It is imperative that water flow is kept as close as possible to these flow rates.
Before connecting the heater to the plumbing all piping must be thoroughly flushed to ensure no debris can enter the heater. Failure to remove pipe debris can jam or damage the flow switch and may cause damage to the heater. When cleaning the pool, it is advisable to turn off your heater as restricted water flow may cause the heater to shut down and indicate low water flow fault (E03 error) or high pressure fault (E01 Error).
Variable speed pump or bypass valve and plumbing MUST be fitted to allow water flow to be adjusted through the heater. Do not direct connect a water pump with higher flow than required to the heat pump.
5.5 Rubber Feet
All EvoHeat units are provided with rubber feet which we highly recommend being installed. The rubber feet help reduce vibration of the unit and provide a space below the heat pump to install the drainage barbs.
5.6 Condensate Drain Barb
Fit the condensate drain barb into the 2 holes under the unit if you need to direct water away from the heater.
If the barb is too stiff, place it in hot water to soften.
5.7 Drainage & Condensation
During operation, water in the air condenses on the fins of the evaporator. In high humidity, the condensate may be several litres per hour, giving the impression that the unit is leaking. This process is a normal function of heat pumps.
The heater will automatically activate reverse cycle or de-icing mode when required which also increases condensate discharge. This normally occurs at temperatures below 8˚C. The condensate water will discharge through the base of the heater. As an option, a pipe can be connected to the drain on the base of the unit to direct condensate water to an appropriate location.
NOTE
A quick way to verify that the water is condensation is to shut off the unit and keep the pool pump running. If the water stops running out of the base pan, it is condensation. Another method is to test the drain water for chlorine – if the is no chlorine present, then it’s condensation
5.8 Plumbing
The unit’s exclusive rated flow titanium heat exchanger requires no special plumbing arrangements except bypass (set the flow rate according to the nameplate). The water pressure drop is less than 10kPa at max.
Flow Rate
Since there is no residual heat or flame temperatures the unit does not need copper heat sink piping. PVC pipe can be run straight into the unit.
Location
Connect the unit in the pool pump discharge (return) line downstream of all filter and pool pumps, and upstream of any chlorinators, ozonators or chemical pumps.
Standard models have slip glue fittings which accept 40mm PVC pipe for connection to the pool or spa filtration piping.
By using a 50NB to 40NB you can plumb 40NB.
Consider adding a quick coupler fitting at the unit’s inlet & outlet to allow easy draining of the unit and to provide easier access should servicing be required.
Ensure pipework connecting to the inlet/outlet unions is appropriately supported, any movement in this pipework can caused the rubber O-ring to pinch and leak.
5.9 Electrical Connection
Always use a qualified Electrician to perform any electrical work. A licensed electrician must read the information before connecting.
Ensure the power cable and circuit breaker are of a suitable size for the heater being installed. Also check that there is adequate voltage and current available at the heater connection to run the unit.
Voltage range should be 220-230 volts for single phase, and 380-400 volts for 3 phase units. Voltage ranges outside these parameters will cause heater damage and void your warranty.
- Ensure power is disconnected during installation or service.
- Always comply with the national and local electrical codes and standards.
- Ensure the electrical cable size is adequate for heater requirements at the installation location.
- The heater must be equipped with a circuit breaker and isolation device.
- The circuit breaker must be installed between the heater and the water circulation pump if the water pump is hard-wired into the heater. Please note recommended circuit breaker sizes make no allowance for a water pump hard wired into the heater.
- The unit must be well earthed. Remove the front panel to access the electrical connection terminals of the heater. The electrical wiring diagram is affixed to the inside of the front panel or at the back of this manual.
Correct phase connection is important with 3 phase heaters.
NOTE: if 2 lights are showing on the 3 PHASE relay monitor this means the EvoHeat heat pump has been wired correctly (one orange light and one green light). If only one light is showing, the phases are out of rotation and need to be rotated to get the correct phase rotation.

5.10 Initial Start-Up
Refer to the Quick Start Guide in this manual for instructions on the initial start-up and commissioning of the unit.
Operation
6.1 The Controller

To lock or unlock the screen, use the code 022.
| 1 ON/OFF | Start up or shut down the unit |
| 2 PARAMETER | View the unit state and the parameter |
| 3 CLOCK | Set the clock or turn the timer on/off. When the timer is on, this button is green |
| 4 FAULT DISPLAY | View fault history |
| 5 SILENT SETTING | Turn on/off silent function and set timing of the Low speed function |
| 6 MODE | Enter mode settings and the target temp. settings interface |
| 7 TEMP. CURVE | View temp. and power curve |
| 8 WATER INLET TEMP. | Enter mode settings and the target temp. settings interface |
| 9 LOCK | Lock or unlock the screen. |
6.2 Operating Functions
EvoHeat have developed a YouTube Channel with video walkthroughs of the different controller functions. Scan the QR code or head to our channel to view the videos we have available

6.2.1 Startup & Shutdown
To turn the unit on or off, press the ON/OFF
button.
6.2.2 Setting the Mode & Target Temperature
In the main interface, click the MODE button or WATER INLET TEMP. (8) button to get the following menu:
Choose from the modes: Refrigeration mode (1), Automatic mode (2) or Heating mode (3).
Note: When the unit is designed for single automatic mode or single thermal mode, the mode cannot be switched.
From this screen, pressing the temperature (4) will allow you to adjust it as desired.


6.2.3 Clock Settings
Press the CLOCK
button to bring up the clock menu. This menu allows you to either change the system date & time (left) or set timers (right).
6.2.3.1 Setting the Date & Time

Click the value you wish to change to set the time directly. Press confirm to save the settings.
EXAMPLE
If the setup time were 23/11/2016 at 1:00pm; you would input: 23-11-16 13:00:00.
Be aware that if the input format is incorrect, pressing the confirm button will save the wrong time.
6.2.4.2 Setting Timers

| No. | Name | Button Colour | Function |
| 1 | Start Timing | Start: Green End: Grey | Click this button to start or end the timing start setting function |
| 2 | Timing On | Click to set the start time of the timer. | |
| 3 | End Timing | Open: Red End: Grey | Click this button to start or end the timing end setting function. |
| 4 | Timing Off | Click to set the end time of the timer. |

6.2.4 Silent & Silent Timers
Note: When silent mode is active it locks the compressor into a lower speed, reducing the available full heating capacity.
6.2.4.1 Silent Setting
Press the SILENT TIMING button
from the main menu to bring up the silent settings. Press the left-hand fan symbol to enable silent mode. To exit silent mode, follow the steps and press the button again.
When silent mode is enabled, the icon will display with only 3 fans compared to 5 when the mode is off.
6.2.4.2 Silent Timer
Press the alarm clock (right) button to bring up the Silent Timer menu.
| No. | Name | Button Colour | Function |
| 1 | Stop Timing | On: Red Off: Grey | Turn off the silent timer |
| 2 | Timing On | Start the silent timer | |
| 3 | End Timing | Open: Red End: Grey | Set silent timer start time |
| 4 | Timing Off | Set silent timer end time |


The start and end time values must be within the range of 0:00 – 23:00; the value can be precise to the hour digit.
Example: Click ‘ON’ to use timing silent. The unit will begin silent mode from 0:00 and end at 4:00. Click ‘OFF’ to turn off the timing silent manually, however the unit will turn off this setting once it reaches the end time.
6.2.5 Fault History
If there have been no faults, the Fault button
on the main menu will appear dimmed.
When a fault does occur, the fault icon will flash. The fault interface menu will record the time, code, and name of the fault for you to view.
After troubleshooting, if you do not check the failure’s record the fault button on the main menu will appear red but will not flash. If it is checked, it will appear dim again.
Faults appear in reverse order according to the time of occurrence. Press the clean key to delete all fault records.
6.2.7 Colour Display Calibration
Quickly tap repeatedly on the blank area of any menu until you hear a long beep. This will allow you to enter the calibration interface.
Press ‘+’ to start the calibration. When you hear the beep again you will finish the calibration and exit.
6.2.8 Temperature Curve
Press the TEMP CURVE button to view the temperature curve & average power curve.

The temperature curve automatically updates every hour and will be stored for 60 days.
If the unit is powered off after less than 1 hour of operation, the data in this period will not be saved.
Troubleshooting
7.1 Electronic Control Fault Table
| Protect/Fault | Fault Display | Reason | Elimination Methods |
| Standby | Non | ||
| Normal boot | Non | ||
| Inlet Temp. Sensor Fault | P01 | The temp. Sensor is broken or short circuit | Check or change the temp. sensor |
| Outlet Temp. Sensor Fault | P02 | The temp. Sensor is broken or short circuit | Check or change the temp. sensor |
| Ambient Temp. Sensor Fault | P04 | The temp. Sensor is broken or short circuit | Check or change the temp. sensor |
| Coil1 Temp. Sensor Fault | P05 | The temp. Sensor is broken or short circuit | Check or change the temp. sensor |
| Suction Temp. Sensor Fault | P07 | The temp. Sensor is broken or short circuit | Check or change the temp. sensor |
| Discharge Temp. Sensor Fault | P081 | The temp. Sensor is broken or short circuit | Check or change the temp. sensor |
| High Pressure Prot. | E01 | The high-pressure switch is broken | Check the pressure switch and cold circuit |
| Low Pressure Prot. | E02 | Low pressure1 protection | Check the pressure switch and cold circuit |
| Flow Switch Prot. | E03 | No water/little water in water system | Check the pipe water flow and water pump |
| Anti-freezing Prot. | E07 | Water flow is not enough | Check the pipe water flow and whether water system is jammed or not |
| Primary Anti-freezing Prot. | E19 | The ambient temp. Is low | |
| Secondary Anti-freezing Prot. | E29 | The ambient temp. Is low | |
| Inlet and outlet temp. too big | E06 | Water flow is not enough and low differential pressure | Check the pipe water flow and whether water system is jammed or not |
| Low temperature protection | Non | The environment temp. is low | |
| Comp. Overcurrent Prot. | E051 | The compressor is overload | Check whether the system of the compressor running normally |
| Exhaust Air over Temp Prot. | P082 | The compressor is overload | Check whether the system of the compressor running normally |
| Communication Fault | E08 | Communication failure between wire controller and mainboard | Check the wire connection between remote wire controller and main board |
| Antifreeze Temp. Sensor Fault | P09 | Antifreeze temp sensor is broken or short circuited | check and replace this temp sensor |
| Waterway Anti-freezing Prot. | E05 | Water temp. or ambient temp. is too low | |
| EC fan feedback Fault | F051 | There is something wrong with fan motor and fan motor stops running | Check whether fan motor is broken or locked or not |
| Pressure sensor Fault | PP | The pressure Sensor is broken | Check or change the pressure sensor or pressure |
| Fan Motor1 Fault | F031 | 1. Motor is in locked-rotor state 2. The wire connection between DC-fan motor module and fan motor is in bad contact | 1. Change a new fan motor 2. Check the wire connection and make sure they are in good contact |
| Low AT Protection | TP | Ambient temp is too low | |
| Fan Motor2 Fault | F032 | 1. Motor is in locked-rotor state 2. The wire connection between DC-fan motor module and fan motor is in bad contact | 1. Change a new fan motor 2. Check the wire connection and make sure they are in good contact. |
| Communication Fault (speed control module) | E081 | Speed control module and main board communication fail | Check the communication connection |
| Coil2 Temp. Sensor Fault | P15 | The temp. sensor is broken or short circuit | Check or change the temp. sensor |
7.2 Frequency Conversion Board Fault Table
| Protect/Fault | Fault Display | Reason | Elimination Methods |
| Drv1 MOP alarm | F01 | MOP drive alarm | Recovery after the 150s |
| Inverter offline | F02 | Frequency conversion board and main board communication failure | Check the communication connection |
| IPM protection | F03 | IPM modular protection | Recovery after the 150s |
| Comp. Driver Failure |
F04 | Lack of phase, step or drive hardware damage | Check the measuring voltage check frequency conversion board hardware |
| DC Fan Fault | F05 | Motor current feedback open circuit or short circuit | Check whether current return wires connected motor |
| IPM Overcurrent | F06 | IPM Input current is large | Check and adjust the current measurement |
| Inv. DC Overvoltage | F07 | DC bus voltage>Dc bus over-voltage protection value | Check the input voltage measurement |
| Inv. DC Lessvoltage | F08 | DC bus voltage<Dc bus over-voltage protection value | Check the input voltage measurement |
| Inv. Input Lessvolt. | F09 | The input voltage is low, causing the input current to be high | Check the input voltage measurement |
| Inv. Input Overvolt | F10 | The input voltage is too high, more than outage protection current RMS | Check the input voltage measurement |
| Inv. Sampling Volt | F11 | The input voltage sampling fault | Check and adjust the current measurement |
| Comm. Err DSP-PFC | F12 | DSP and PFC connect fault | Check the communication connection |
| Input Over Cur. | F26 | The equipment load is too large | |
| PFC Fault | F27 | The PFC circuit protection | Check the PFC switch tube short circuit or not |
| IPM Over heating | F15 | The IPM module is overheat | Check and adjust the current measurement |
| Weak Magnetic Warn | F16 | Compressor magnetic force is not enough | |
| Inv. Input Out Phase | F17 | The input voltage lost phase | Check and measure the voltage adjustment |
| IPM Sampling Cur. | F18 | IPM sampling electricity is fault | Check and adjust the current measurement |
| Inv. Temp Probe Fail | F19 | Sensor is short circuit or open circuit | Inspect and replace the sensor |
| Inverter Overheating | F20 | The transducer is overheat | Check and adjust the current measurement |
| Inv. Overheating Warn | F22 | Transducer temperature is too high | Check and adjust the current measurement |
| Comp. Overcut. Warn | F23 | Compressor electricity is large | The compressor over-current protection |
| Input Over Cur. Warn | F24 | Input current is too large | Check and adjust the current measurement |
| EEPROM Error Warn | F25 | MCU error | Check whether the chip is damaged Replace the chip |
| V15V over/undervoltage fault | F28 | The V15C is overload or undervoltage | Check the V15V input voltage in range 13.5v~16.5v or not |
Appendix
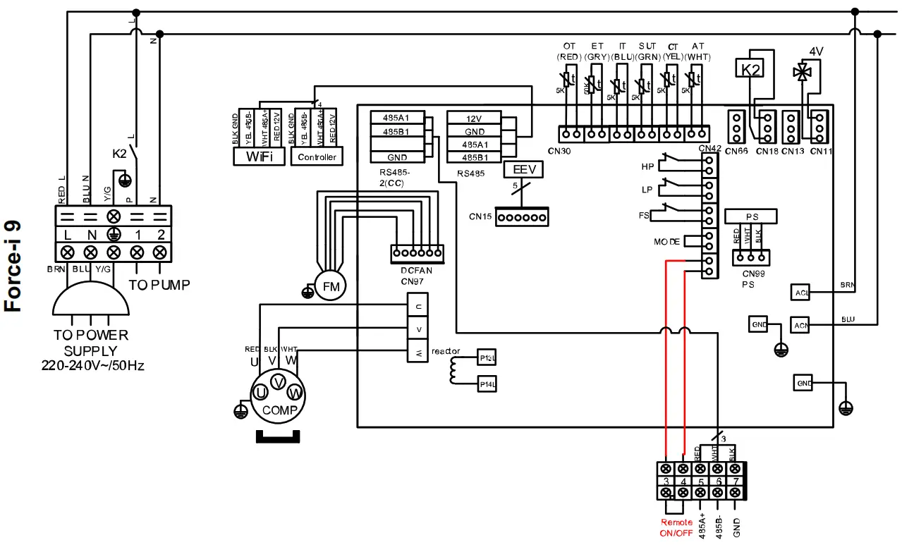
8.1 Wiring Diagrams

AT : Ambient temperature
COMP : Compressor
CT : Coil temperature
EEV : Electronic expansion valve
ET : Exhaust to
FM : Fan motor
FS : Flow switch
HP : High pressure protection
IT : Inlet water temperature
K2 : Realy of pump
LP : Low pressure protection
OT : Outlet water temperature
SUT : Suction temperature
4V : 4 way valve

AT : Ambient temperature
COMP : Compressor
CT : Coil temperature
EEV : Electronic expansion valve
EP : Exhaust protection
ET : Exhaust temperature
FM : Fan motor FS : Flow switch
HP : High pressure protection
IT : Inlet water temperature
K2 : Rea ly of pump
LP : Low pressure protection
OT : Outlet water temperature
PS : Pressure sensor
SUT : Suction temperature
4V : 4 way valve

AT : Ambient temperature
COMP : Compressor
CT : Coil temperature
EEV : Electronic expansion valve
EP : Exhaust protection
ET : Exhaust temperature
FM : Fan motor
FS : Flow switch
HP : High pressure protection
IT : Inlet water temperature
K2 : Rea ly of pump
LP : Low pressure protection
OT : Outlet water temperature
PS : Pressure sensor
SUT : Suction temperature
4V : 4 way valve

AT : A-nbientternperatice
COMP : Compressor
CT : Coil temperature
EEV : Electronic expansion valve
ET : Exhaust temperature
FM : Fan motor
FS : Flaw switch
HP : High pressure protection
IT : Inlawater temperature
K1 : Relay of compressor
K2 : Relay of pump
LP : Low pressure protection
OT : Outlet water temperature
PM : Phase monitor
SUT : Suction temperature
4V : 4 way valve

AT : A-nbient temperature
COMP : Compressor
CT : Coil temperature
EEV : Electronic expansion valve
ET : Exhaust temperature
FM : Fan motor
FS : Flaw switch
HP : Highpressure protection
IT . Inlaw8ter brnperature
KM1 : Contactor ct compressor
K2 : Relay of pump
LP : Low pressure protection
OT : Outlet water temperature
PM : Phase monitor
SUT : Suction temperature
4V : 4 way valve

AT : Ambient ten perature
COMP : Compresspr
CT : Coil tern perature
EEV : Electronic expansion valve
ET : Exhaust tern perature
FM : Fan motor
FS : Flow switch
HP : High pressure protection
PM : Phase monitor
IT : Inlet voter temperature
K2 : Relay of pump
LP : Low pressure protection
OT : Outlet water tem perature
SUT : Suction temperature
SPD : Surge protection device
4V : 4 way valve
8.2 Parameter ListMeaning Default Remarks Refrigeration target temperature set point 27°C Adjustable Heating the target temperature set point 27°C Adjustable Automatic target temperature set point 27°C Adjustable
8.3 Refrigerant Saturation Temperature
| Pressure (MPa) | 0 | 0.3 | 0.5 | 0.8 | 1 | 1.3 | 1.5 | 1.8 | 2 | 2.3 |
| Temperature (R410A)(°C) | -51.3 | -20 | 4 | 11 | 19 | 124 | 31 | 35 | 39 | |
| Temperature (R32)(°C) | -52.5 | -20 | 3.5 | 10 | 18 | 23 | 29.5 | 33.3 | 38.7 | |
| Pressure (MPa) | 2.5 | 2.8 | 3 | 3.3 | 3.5 | 3.8 | 4 | 4.5 | 5 | 5.5 |
| Temperature (R410A)(°C) | 43 | 47 | 51 | 55 | 57 | 61 | 64 | 70 | 74 | 80 |
| Temperature (R32)(°C) | 42 | 46.5 | 49.5 | 53.5 | 56 | 60 | 62 | 67.5 | 72.5 | 77.4 |
8.4 Cable Specifications
Single Phase UnitNameplate maximum current Phase line Earth line MCB Creepage Protector Signal Line No more than 10A 2 x 1.5mm² 1.5mm² 20A 30mA less than 0.1 sec n x 0.5mm2 10-16A 2 x 2.5mm² 2.5mm² 32A 16-25A 2 x 4mm² 4mm² 40A 25-32A 2 x 6mm² 6mm² 40A 32-40A 2 x 10mm² 10mm² 63A 40-63A 2 x 16mm² 16mm² 80A 63-75A 2 x 25mm² 25mm² 100A 75-101A 2 x 25mm² 25mm² 125A 101-123A 2 x 35mm² 35mm² 160A 123-148A 2 x 50mm² 50mm² 225A 148-186A 2 x 70mm² 70mm² 250A 186-224A 2 x 95mm² 95mm² 280A
Three Phase Unit
| Nameplate maximum current | Phase line | Earth line | MCB | Creepage Protector | Signal Line |
| No more than 10A | 3 x 1.5mm² | 1.5mm² | 20A | 30mA less than 0.1 sec | n x 0.5mm2 |
| 10-16A | 3 x 2.5mm² | 2.5mm² | 32A | ||
| 16-25A | 3 x 4mm² | 4mm² | 40A | ||
| 25-32A | 3 x 6mm² | 6mm² | 40A | ||
| 32-40A | 3 x 10mm² | 10mm² | 63A | ||
| 40-63A | 3 x 16mm² | 16mm² | 80A | ||
| 63-75A | 3 x 25mm² | 25mm² | 100A | ||
| 75-101A | 3 x 25mm² | 25mm² | 125A | ||
| 101-123A | 3 x 35mm² | 35mm² | 160A | ||
| 123-148A | 3 x 50mm² | 50mm² | 225A | ||
| 148-186A | 3 x 70mm² | 70mm² | 250A | ||
| 186-224A | 3 x 95mm² | 95mm² | 280A |
Maintenance
9.1 F.A.Q
– It is recommended that you get your EvoHeat unit serviced once a year by your local certified air conditioning or refrigeration technician. If your unit is located in a coastal area, more frequent maintenance may be necessary.
– During the service, they will check the operational pressures of the refrigeration system and give the unit and fins a good clean to ensure maximum performance.
EvoHeat have a large database of recommended service agents. Please contact EvoHeat tech support on 1300 859 933 for your local service agent details.
– We recommend you check your unit regularly to avoid potential issues and damage to your heat pump.
– Check the water inlet/outlets often for leaks. You should avoid the condition of no water or air entering into the system, as this will influence unit’s performance and reliability.
You should clear the pool/spa filter regularly to avoid damage to the unit as a result of the dirty of clogged filter.
– The area around the unit should be dry, clean and well ventilated. Make sure there is nothing blocking the airflow of the heater e.g. Leaf litter.
– Discharge all water in the water pump and water system, so that freezing of the water in the pump or water system does not occur. You should discharge the water at the bottom of water pump if the unit will not be used for an extended period. You should check the unit thoroughly and fill the system with water fully before using it for the first time after a period of time.
– Check the power supply and cable connection often, should the unit begin to operate abnormally, switch it off and contact the qualified technician
9.2 AdvancedCHECK THE AREA
Prior to beginning work on systems containing flammable refrigerants, safety checks are necessary to ensure that the risk of ignition is minimised. For repair to the refrigerating system, the following precautions shall be complied with prior to conducting work on the system. prolonged period of no usage.GENERAL WORK AREA
All maintenance staff and others working in the local area shall be instructed on the nature of work being carried out.
Work in confined spaces shall be avoided. The area around the workspace shall be sectioned off. Ensure that the conditions within the area have been made safe by control of flammable material.PRESENCE OF FIRE EXTINGUISHER
If any hot work is to be conducted on the refrigeration equipment or any associated parts, appropriate fire extinguishing equipment shall be available to hand. Have a dry powder or CO2 fire extinguisher adjacent to the chargingWORK PROCEDURES
Work shall be undertaken under a controlled procedure to minimise the risk of a flammable gas or vapour being present while the work is being performed.CHECKING FOR PRESENCE OF REFRIGERANT
The area shall be checked with an appropriate refrigerant detector prior to and during work, to ensure the technician is aware of potentially flammable atmospheres. Ensure that the leak detection equipment being used is suitable for use with flammable refrigerants, i.e. non-sparking, adequately sealed or intrinsically safe.VENTILATED AREA
Ensure that the area is in the open or that it is adequately ventilated before breaking into the system or conducting any hot work. A degree of ventilation shall continue during the period that the work is carried out. The ventilation should
safely disperse any released refrigerant and preferably expel it externally into the atmosphere. prolonged period of no usage.CABLING
Check that cabling will not be subject to wear, corrosion, excessive pressure, vibration, sharp edges or any other adverse environmental effects. The check shall also consider the effects of aging or continual vibration from sources such as compressorsor fans.DETECTION OF FLAMMABLE REFRIGERANTS
Under no circumstances shall potential sources of ignition be used in the searching for or detection of refrigerant leaks.
A halide torch (or any other detector using a naked flame) shall not be used.REPAIR TO INTRINSICALLY SAFE COMPONENTS
Do not apply any permanent inductive or capacitance loads to the circuit without ensuring that this will not exceed the permissible voltage and current permitted for the equipment in use.
Intrinsically safe components are the only types that can be worked on while live in the presence of a flammable atmosphere.
The test apparatus shall be at the correct rating. Replace components only with parts specified by the manufacturer. Other parts may result in the ignition of refrigerant in the atmosphere from a leak.LABELLING
Equipment shall be labelled stating that it has been de-
commissioned and emptied of refrigerant. The label shall be
dated and signed. Ensure that there are labels on the
equipment stating the equipment contains flammable
refrigerant.
NO IGNITION SOURCES
No person carrying out work in relation to a refrigeration system which involves exposing any pipe work that contains or has contained flammable refrigerant shall use any sources of ignition in such a manner that it may lead to the risk of fire or explosion. All possible ignition sources, including cigarette smoking, should be kept sufficiently far away from the site of installation, repairing, removing and disposal, during which flammable refrigerant can possibly be released to the surrounding space. Prior to work taking place, the area around the equipment is to be surveyed to make sure that there are no flammable hazards or ignition risks. No Smoking signs shall be displayed.
CHARGING PROCEDURES
In addition to conventional charging procedures, the following requirements shall be followed.
- Ensure that contamination of different refrigerants does not occur when using charging equipment. Hoses or lines shall be as short as possible to minimise the amount of refrigerant contained in them.
- Cylinders shall be kept upright.
- Ensure that the refrigeration system is earthed prior to charging the system with refrigerant.
- Label the system when charging is complete (if not already).
- Extreme care shall be taken not to overfill the refrigeration system.
Prior to recharging the system, it shall be pressure tested with OFN. The system shall be leak tested on completion of charging but prior to commissioning. A follow up leak test shall be carried out prior to leaving the site. The safety wire model is 5*20_5A/250VAC, and must meet the explosion-proof requirements.
CHECKS TO THE REFRIGERATION EQUIPMENT
Where electrical components are being changed, they shall be fit for the purpose and to the correct specification. At all times the manufacturer’s maintenance and service guidelines shall be followed. If in doubt consult the manufacturer’s technical department for assistance.
The following checks shall be applied to installations using flammable refrigerants:
- The charge size is in accordance with the room size within which the refrigerant containing parts are installed;
- The ventilation machinery and outlets are operating adequately and are not obstructed; If an indirect refrigerating circuit is being used, the secondary circuit shall be checked for the presence of refrigerant;
- Marking to the equipment continues to be visible and legible. Markings and signs that are illegible shall be corrected;
- Refrigeration pipe or components are installed in a position where they are unlikely to be exposed to any substance which may corrode refrigerant containing components, unless the components are constructed of materials which are inherently resistant to being corroded or are suitably protected against being so corroded.
CHECKS TO ELECTRICAL DEVICES
Repair and maintenance to electrical components shall include initial safety checks and component inspection procedures. If a fault exists that could compromise safety, then no electrical supply shall be connected to the circuit until it is satisfactorily dealt with. If the fault cannot be corrected immediately but it is necessary to continue operation, an adequate temporary solution shall be used. This shall be reported to the owner of the equipment, so all parties are advised.
Initial safety checks shall include:
- That capacitors are discharged: this shall be done in a safe manner to avoid possibility of sparking;
- That there no live electrical components and wiring are exposed while charging, recovering or purging the system;
- That there is continuity of earth bonding.
REPAIRS TO SEALED COMPONENTS
- During repairs to sealed components, all electrical supplies shall be disconnected from the equipment being worked upon prior to any removal of sealed covers, etc. If it is necessary to have an electrical supply to equipment during servicing, then a permanently operating form of leak detection shall be located at the most critical point to warn of a potentially hazardous situation.
- Particular attention shall be paid to the following to ensure that by working on electrical components, the casing is not altered in such a way that the level of protection is affected. This shall include damage to cables, excessive number of connections, terminals not made to original specification, damage to seals, incorrect fitting of glands, etc.
Ensure that apparatus is mounted securely.
Ensure that seals or sealing materials have not degraded such that they no longer serve the purpose of preventing the ingress of flammable atmospheres. Replacement parts shall be in accordance with the manufacturer’s specifications.
NOTE: The use of silicon sealant may inhibit the effectiveness of some types of leak detection equipment.
Intrinsically safe components do not have to be isolated prior to.
LEAK DETECTION METHODS
The following leak detection methods are deemed acceptable for systems containing flammable refrigerants. Electronic leak detectors shall be used to detect flammable refrigerants, but the sensitivity may not be adequate, or may need re-calibration. (Detection equipment shall be calibrated in a refrigerant-free area.) Ensure that the detector is not a potential source of ignition and is suitable for the refrigerant used.
Leak detection equipment shall be set at a percentage of the LFL of the refrigerant and shall be calibrated to the refrigerant employed and the appropriate percentage of gas (25 % maximum) is confirmed.
Leak detection fluids are suitable for use with most refrigerants but the use of detergents containing chlorine shall be avoided as the chlorine may react with the refrigerant and corrode the copper pipework. If a leak is suspected, all naked flames shall be removed/extinguished.
If a leakage of refrigerant is found which requires brazing, all of the refrigerant shall be recovered from the system, or isolated (by means of shut off valves) in a part of the system remote from the leak. Oxygen free nitrogen (OFN) shall then be purged through the system both before and during the brazing process.
REMOVAL AND EVACUATION
| When breaking into the refrigerant circuit to make repairs or for any other purpose conventional procedures shall be used. However, it is important that best practice is followed since flammability is a consideration. The following procedure shall be adhered to: Remove refrigerant; Purge the circuit with inert gas; Evacuate; Purge again with inert gas; Open the circuit by cutting or brazing. | The refrigerant charge shall be recovered into the correct recovery cylinders. The system shall be “flushed” with OFN to render the unit safe. This process may need to be repeated several times. Compressed air or oxygen shall not be used for this task. Flushing shall be achieved by breaking the vacuum in the system with OFN and continuing to fill until the working pressure is achieved, then venting to atmosphere, and finally pulling down to a vacuum. This process shall be repeated until no refrigerant is within the system. When the final OFN charge is used, the system shall be vented down to atmospheric pressure to enable work to take place. This operation is absolutely vital if brazing operations on the pipe-work are to take place. Ensure that the outlet for the vacuum pump is not close to any ignition sources and there is ventilation available. working on them. |
RECOVERY
| When removing refrigerant from a system, either for servicing or decommissioning, it is recommended good practice that all refrigerants are removed safely. When transferring refrigerant into cylinders, ensure that only appropriate refrigerant recovery cylinders are employed. Ensure that the correct number of cylinders for holding the total system charge is available. All cylinders to be used are designated for the recovered refrigerant and labelled for that refrigerant (i.e. special cylinders for the recovery of refrigerant). Cylinders shall be complete with pressure relief valve and associated shut- off valves in good working order. Empty recovery cylinders are evacuated and, if possible, cooled before recovery occurs. The recovery equipment shall be in good working order with a set of instructions concerning the equipment that is at hand and shall be suitable for the recovery of flammable refrigerants. In addition, a set of calibrated weighing scales shall be available and in good working order. Hoses shall be complete with leakfree disconnect couplings and in good condition. Before using the recovery machine, check that it is in satisfactory working order, has been properly maintained and that any associated electrical components are sealed to prevent ignition in the event of a refrigerant release. Consult manufacturer if in doubt. | The recovered refrigerant shall be returned to the refrigerant supplier in the correct recovery cylinder, and the relevant Waste Transfer Note arranged. Do not mix refrigerants in recovery units and especially not in cylinders. If compressors or compressor oils are to be removed, ensure that they have been evacuated to an acceptable level to make certain that flammable refrigerant does not remain within the lubricant. The evacuation process shall be carried out prior to returning the compressor to the suppliers. Only electric heating to the compressor body shall be employed to accelerate this process. When oil is drained from a system, it shall be carried out safely. |
DECOMMISSIONING
Before carrying out this procedure, it is essential that the technician is completely familiar with the equipment and all its detail. It is recommended good practice that all refrigerants are recovered safely.
Prior to the task being carried out, an oil and refrigerant sample shall be taken in case analysis is required prior to re-use of reclaimed refrigerant. It is essential that electrical power is available before the task is commenced.
a) Become familiar with the equipment and its operation.
b) Isolate system electrically.
c) Before attempting the procedure ensure that:
– Mechanical handling equipment is available, if required, for handling refrigerant cylinders;
– All personal protective equipment is available and being used correctly;
– The recovery process is always supervised by a competent person;
– Recovery equipment and cylinders conform to the appropriate standards.
d) Pump down refrigerant system, if possible.
e) If a vacuum is not possible, make a manifold so that refrigerant can be removed from various parts of the system.
f) Make sure that cylinder is situated on the scales before recovery takes place.
g) Start the recovery machine and operate in accordance with manufacturer’s instructions.
h) Do not overfill cylinders. (No more than 80 % volume liquid charge).
i) Do not exceed the maximum working pressure of the cylinder, even temporarily.
j) When the cylinders have been filled correctly and the process completed, make sure that the cylinders and the equipment are removed from site promptly and all isolation valves on the equipment are closed off.
k) Recovered refrigerant shall not be charged into another refrigeration system unless it has been cleaned and checked.
Warranty
Refer to the EvoHeat website for warranty details
- Australia: https://evoheat.com.au/warranty-terms/
- South East Asia: http://evoheat.com.sg/warranty/
- Warranty terms are from date of purchase.
- This warranty excludes any defect or injury caused by or resulting from misuse, abuse, neglect, accidental damage, improper voltage, vermin infestation, incompetent installation, any fault not attributable to faulty manufacture or parts, any modifications which affect the reliability or performance of the unit.
- This warranty does not cover the following:
a. Natural Disasters (hail, lightening, flood, fire etc.)
b. Rust or damage to paintwork caused by a corrosive atmosphere
c. When serviced by an unauthorized person without the permission of Evo Industries
d. When a unit is installed by an unqualified person
e. Where a unit is incorrectly installed
f. When failure occurs due to improper or faulty installation
g. Failure due to improper maintenance (refer Operating Instructions)
h. ‘No Fault Found’ service calls where the perceived problem is explained within the operation instructions.
i. Costs associated with delivery, handling, freighting, or damage to the product in transit. - If warranty service is required, you should:
a. contact Evo Industries Australia on 1300 859 933 or via our Contact page on our web site
b. provide a copy of your receipt as proof of purchase
c. have completed the online Warranty Registration Form - Onsite technical service is available within the normal operating area of your Evo Authorised Service Agents.
Service outside this area will incur a traveling fee. - Unless otherwise specified to the purchaser, the benefits conferred by this express warranty and additional to all other conditions, warranties, rights and remedies expressed or implied by the Trade Practices Act 1974 and similar consumer protection provisions contained in legislation of the States and Territories and all other obligations and liabilities on the part of the manufacturer or supplier and nothing contained herein shall restrict or modify such rights, remedies, obligations or liabilities.
REGISTER YOUR WARRANTY
EvoHeat highly recommend customers complete their warranty details online to ensure efficient warranty claim processing.
To register your warranty, scan our QR Code or head to our website and fill in the Warranty Registration Form: https://evoheat.com.au/warranty-registration/


https://evoheat.com.au/warranty-registration/
[email protected]
1300 859 933
www.evoheat.com.au
















