Evo CS-i Commercial Inverter Heat Pump
User Manual
Introduction
This manual contains information relating to the installation, troubleshooting, operation, and maintenance of this EvoHeat unit. Instructions in this manual must always be followed. Failure to comply with these recommendations will invalidate the warranty. Should you have any questions or require technical support, call the EvoHeat office on 1300 859 933 to speak to our team.
The data and information contained in this manual is correct at the time of publishing and is subject to change without notice. For the most up to date manual, contact EvoHeat directly.
Engineered to meet the demands of any commercial application, the Evo CS-i is the most reliable and efficient way to heat a commercial pool. Designed with the latest full inverter technology and exclusive smart features, the Evo CS-i delivers reliable yearround performance with the lowest running costs
| TECHNICAL DATA CS-i 65 CS-i 130 CS-i 250 | ||||
| Heat output at 27°C air/26°C water | kW | 65 | 130 | 246 |
| Heat output at 15°C air/26°C water | kW | 50.1 | 100 | 186 |
| Cooling output at 35°C air/30°C water | 30.2 | 73.4 | 128.4 | |
| Cooling output at 43°C air/26°C water | kW | 18.4 | 54.8 | 109.2 |
| C.O.P. at 27°C air 16.10 – 6.10 16.00 – 6.20 14.80-5.60 | ||||
| Power boost mode at 27˚ air | kW | 80kW | 175kW | 292kW |
| Consumed power at 27˚ air | kW | 0.76-10.65 | 1.76-20.97 | 4.10-43.95 |
| Power Supply | 380-415/3/50 | 380-415/3/50 | 380-415/3/50 | |
| Max current per phase | A | 21 | 37.7 | 90 |
| Compressor Type | Mitsubishi DC | Hitachi DC | Hitachi DC | |
| Refrigerant | R410A | R410A | R410A | |
| PVC Water connection | mm | 50 | 110 | 110 |
| Water flow Rate | L/min | 417 | 883 | 1000 |
| Noise at 1M | dB(A) | 41-60 | 42-63 | 59-70 |
| Gross dimensions L/W/H | mm | 1750/830/1750 | 2259/1158/2124 | 2540/1330/2430 |
| Net weight | kg | 358 | 659 | 1015 |
| Shipping Weight | kg | 401 | 712 | 1080 |
Dimensions
Evo CS-i 65

Safety Instructions
Installation, repair, or relocations must only be done by a fully qualified technician. If done incorrectly there is a number of hazards that can occur including fire, electric shock, water leakage and injury.
- A circuit breaker must be installed for the unit.
- Ensure the unit has a good power connection and earthing to avoid the risk of electrical shocks.
- Do not use any means to accelerate the defrosting processor or to clean other than those recommended by EvoHeat.
- The unit must be stored in a room without any continuously operating ignition sources (for example: open flames, an operating gas appliance)
- Do not pierce or burn the unit.
- If the supply cord is damaged, it must be replaced by a qualified service agent.
- This appliance must be installed in accordance with national wiring regulations.
- Before obtaining access to terminals all supply circuits must be disconnected.
The unit is equipped with an over-load protection system. After a previous stoppage, the unit will not start for at least 3 minutes.
Be aware that refrigerants may not contain an odour.
An all-pole disconnection device must be incorporated which as at least 3mm clearances in all poles, a leakage current that may exceed 10mA, residual current device (RCD) having a rated residual operating current not exceeding 30mA and disconnection must be incorporated in the fixed wiring in accordance with the wiring rules.
*Caution: Single wall heat exchanger, not suitable for potable water connection.
Installation

The schematic diagram is for reference only. Check the water inlet/outlet label on the heat pump while plumbing the unit.
Upon receiving the unit, check the packaging for any obvious signs of damage. Inform EvoHeat immediately if there is any evidence of rough handling. When the heater has been removed from the packaging check the refrigerant gauge on the front panel of the unit. The gauge should be showing a pressure of approx. 10 – 20 on the outside red band – any less than this figure means there may be a leak in the refrigerant system, and you should immediately contact your EvoHeat Dealer.
IMPORTANT: EvoHeat heat pumps MUST be connected by a licensed electrician. Under no circumstances should an unlicensed person attempt to install or repair an EvoHeat heat pump themselves. Heater electrical installation undertaken by an unlicensed installer will void the warranty. Correct installation is required to ensure safe and efficient operation of your pool heater.
Before installation it is very important to ensure 5 variables are carefully checked to allow the unit to operate correctly.
| • Heater Condition | • Clearances & Airflow |
| • Adequate water flow & plumbing | • Correct electrical connection & supply |
| • Location | |
4.1 Rubber Feet
All EvoHeat units are provided with rubber feet which EvoHeat highly recommend being installed. The rubber feet help reduce vibration of the unit and help provide a space below the heat pump to install the drainage barbs.
4.2 Location of Installation
Evo recommend the heat pump should be installed in an outdoor location with appropriate ventilation. Installing the heater indoors without adequate ventilation, or in a poorly ventilated enclosed space, will result in very poor performance and can, in extreme cases, damage the heater. If a suitable outdoor location is unavailable please contact EvoHeat for specialist technical advice.
The Evo unit should be installed:
- At east . m away from the water’s ed e.
- No reater than 7. m from the water’s ed e (to avoid heat oss from the pipin ).
- No greater than 5m below the water level of the pool/spa.
- On a flat level surface.
Make sure the heat pump is not located where large amounts of water may run-off from a roof into the unit. Sharp sloping roofs without gutters will allow excessive amounts of rain water mixed with debris from the roof to be forced through the unit. A water deflector may be needed to protect the heat pump.
A rough estimate of heat loss over a 30m pipe run can be as high as 600 Watts per hour per 5 degrees of temperature difference between the air/ground and the pool water. These losses need to be taken into account over long distances and piping may need to be insulated to reduce heat leakage.
If installing the heater on an existing pump/filtration system the heater must be installed AFTER the filter and BEFORE the chlorinator/sanitizer.
If these installation guidelines cannot be adhered to, contact EvoHeat for specialist technical advice.
4.3 Airflow Clearances
The heat pump unit needs continuous fresh air whilst running. The heater draws up to 47000 m3/h ambient air through the sides and discharges through the top fan cowl.
Ensure the heater is installed in a well-ventilated area with plenty of fresh air, a minimum gap between walls/fences etc of 1000mm on the sides and 3500mm overhead clearance. Leave sufficient space for unobstructed airflow into and out of the heater. Do not locate the heater in an enclosed area, or the discharged cold air will recirculate into the unit and consequently lower the heating efficiency as well as possible icing up.
When units of a similar height are placed side by side, EvoHeat recommend a 1500mm clearance between units.
*Fan discharge distance can be reduced by adding a Plenum to alter the air flow direction. Contact EvoHeat or a HVAC specialist for further advice. If you do not have a location with these suggested clearances, please contact our EvoHeat Tech Support Specialist to discuss appropriate installation locations. 
4.4 Adequate Water Flow
All EVOHEAT heat pumps have a factory preset internal water flow switch. If there is insufficient water flow the heater will not operate.
It is CRITICAL that there is sufficient water flow to the unit. Incorrect water flow can cause a loss of efficiency and possible damage to the unit. Optimal water flow rates are listed in the EvoHeat manual.
It is imperative that water flow is kept as close as possible to these flow rates. Correct water flow not only offers optimal heater performance but may also prevent possible damage to your heater.
IMPORTANT: A Variable speed pump or bypass valve and plumbing MUST be fitted to allow water flow to be adjusted through the heater. Do not direct connect a water pump with higher flow than required to the heat pump.
Before connecting the heater to the plumbing, all piping must be thoroughly flushed to ensure no debris can enter the heater. Failure to remove pipe debris can jam or damage the flow switch and may cause damage to the heater. When cleaning the pool it is advisable to turn off your heater as restricted water flow may cause the heater to shut down and indicate low water flow fault (E03 error) or high pressure fault (E01 Error).
4.5 Drainage & Condensation
During operation, water in the air condenses on the fins of the evaporator. In high humidity, the condensate may be several litres per hour, giving the impression that the unit is leaking. This process is a normal function of heat pumps.
The heater will automatically activate reverse cycle or de-icing mode when required which also increases condensate discharge. This normally occurs at temperatures below 8°C. The condensate water will discharge through the base of the heater. As an option a pipe can be connected to the drain on the base of the unit to direct condensate water to an appropriate location.
Ensure the CS-i series units are installed level to evenly distribute condensate into and through the condensate trays.
A quick way to verify that the water is condensation is to shut off the unit and keep the pool pump running. If the water stops running out of the basepan, it is condensation. AN EVEN QUICKER WAY IS to TEST THE DRAIN WATER FOR CHLORINE – if the is no chlorine present, then it’s condensation.
NOTE
Removal of condensation can be achieved via the installation of a condensate pan or by plumbing to a waste water drain. If plumbing, EvoHeat recommend raising the heat pump of the ground approximately 100mm to allow enough space to connect the condensate lines under the heat pump together, then drain to a wastewater drain.
The condensate water captured will discharge from the heat pump through one end, typically where the heat pumps Inlet/Outlet connections are located. The condensate discharges from the heat pump through a 32mm female threaded connections. Ensure condensate is plumbed away from the heat pump to an appropriate location, ideally a drain. Note: A 32mm Male threaded adapter is NOT supplied with the heat pump.
4.6 Plumbing
The unit’s exclusive rated flow titanium heat exchanger requires no special plumbing arrangements except bypass (set the flow rate according to the nameplate). The water pressure drop is less than 10kPa at max.
Flow Rate
Connect the unit in the pool pump discharge (return) line downstream of all filter and pool pumps, and upstream of any chlorinators, ozonators or chemical pumps.
Location
Since there is no residual heat or flame temperatures the unit does not need copper heat sink piping. PVC pipe can be run straight into the unit.
The CS-i 65 comes supplied with barrel unions for the Inlet/Outlet connections which accepts 50mm PVC pipe. The CS-i 130 has 100mm PVC flange connections for the Inlet/Outlet connections.
Give serious consideration to adding a quick coupler fitting at the unit inlet and outlet to allow easy draining of unit for winterizing and to provide easier access should servicing be required.
4.7 Electrical Connection
Always use a qualified Electrician to perform any electrical work, they must read the manual before connecting.
Ensure the power cable and circuit breaker are of a suitable size for the heater being installed. Also check that there is adequate voltage and current available at the heater connection to run the unit.
Voltage range should be 220-240 volts for single phase, and 380-415 volts for 3 phase units. Voltage ranges outside these parameters will cause heater damage and void your warranty.
- Ensure power is disconnected during installation or service.
- Always comply with the national and local electrical codes and standards.
- Ensure the electrical cable size is adequate for heater requirements at the installation location.
- The heater must be equipped with a circuit breaker and isolation device.
- The CS-i 65 has the ability to hard-wire a water pump directly to the heat pump. With this type of set up a circuit breaker must be installed between the heat pump and water circulation pump. Please note the heat pumps stated max. amp draw makes no allowance for the addition draw of the water pump that is hard wired to the heater. The CS-i 130 and CS-i 250 models connect to a water pump via an external relay, drawing its power from a separate power circuit.
- The unit must be well earthed. Remove the front panel to access the electrical connection terminals of the heater. The electrical wiring diagram is affixed to the inside of the front panel or at the back of this manual.
In order for the unit to heat the pool or spa, the filter pump must be running to circulate water through the heat exchanger.
After installation is completed, follow the steps below:
- Turn on your filter pump. Check for water leaks and verify flow to and from the pool.
- Turn on the electrical power supply to the unit, then press the key ON/OFF of wire controller, it should start after several seconds.
- After running a few minutes make sure the air leaving the top of the unit is cooler (between 5-10 ℃)
- With the unit operating turn the filter pump off. The unit should also turn off automatically.
- Allow the unit and pool pump to run 24 hours per day until desired pool water temperature is reached. (Note: this may take up to several days depending on the initial water temperature and the size and location of the pool). When the water-in temperature reaches the set temperature the unit will shut off. The unit will now automatically restart (as long as your pool pump is running) when the pool temperature drops more than 1℃ below the set temperature.
4.9 Time Delay
The unit is equipped with a 3-minute built-in solid-state restart delay included to protect control circuit components and to eliminate restart cycling and contactor chatter.
This time delay will automatically restart the unit approximately 3 minutes after each control circuit interruption. Even a brief power interruption will activate the solid state 3-minute restart delay and prevent the unit from starting until the 5minute countdown is completed.
Power interruptions during the delay period will have no effect on the 3-minute countdown.
Operation
5.1 The Controller

| 1 | ON/OFF | Start up or shut down the unit |
| 2 | PARAMETER | View the unit state and the parameter |
| 3 | CLOCK | Set the clock or turn the timer on/off. When the timer is on, this button is green |
| 4 | FAULT DISPLAY | View fault history |
| 5 | SILENT SETTING | Turn on/off silent function and set timing of the Low speed function |
| 6 | MODE | Enter mode settings and the target temp. settings interface |
| 7 | TEMP. CURVE | View temp. and power curve |
| 8 | WATER INLET TEMP. | Enter mode settings and the target temp. settings interface |
| 9 | LOCK | Lock or unlock the screen. |
5.2 Operating Functions
EvoHeat have developed a YouTube Channel with video walkthroughs of the different controller functions. Scan the QR code or head to our channel to view the videos we have available https://www.youtube.com/evoheat
5.2.1 Startup & Shutdown
To turn the unit on or off, press the ON/OFF
button.
5.2.2 Setting the Mode & Target Temperature In the main interface, click the MODE
button or
WATER INLET TEMP. (8) button to get the following menu
Choose from the modes: Refrigeration mode (1), Automatimode (2) or Heating mode (3).
Note: When the unit is designed for single automatic mode or single thermal mode, the mode cannot be switched.
From this screen, pressing the temperature (4) will allow you to adjust it as desired.
5.2.3 Clock Settings
Press the CLOCK
button to bring up the clock menu. This menu allows you to either change the system date & time (left) or set timers (right).
5.2.3.1 Setting the Date & Time
Click the value you wish to change to set the time directly. Press confirm to save the settings. 
EXAMPLE
If the setup time were 23/11/2016 at 1:00pm; you would input: 23-11-16 13:00:00.
Be aware that if the input format is incorrect, pressing the confirm button will save the wrong time.
5.2.3.2 Setting Timers 
| No. | Name | Button Colour | Function |
| 1 | Start Timing | Start: Green End: Grey | Click this button to start or end the timing start setting function |
| 2 | Timing On | Click to set the start time of the timer. | |
| 3 | End Timing | Open: Red End: Grey | Click this button to start or end the timing end setting function. |
| 4 | Timing Off | Click to set the end time of the timer. |
5.2.4 Silent & Silent Timers
5.2.4.1 Silent Setting
Press the SILENT TIMING button
from the main menu to bring up the silent settings. Press the left-hand fan symbol to enable silent mode. To exit silent mode, follow the steps and press the button again.

When silent mode is enabled, the icon will display with only 3 fans compared to 5 when the mode is off.
5.2.4.2 Silent Timer
Press the alarm clock (right) button to bring up the Silent Timer menu.
| No. | Name | Button Colour | Function |
| 1 | Stop Timing | On: Red Off: Grey | Turn off the silent timer |
| 2 | Timing On | Start the silent timer | |
| 3 | End Timing | Open: Red End: Grey Set | Set silent timer start time |
| 4 | Timing Off | Set silent timer end time |
The start and end time values must be withithe range of 0:00 – 23:00; the value can beprecise to the hour digit.
Example: C i k ‘ N’ to use timin si ent. The unit wi be in si ent mode from : and end at : . C i k ‘ FF’ to turn off the timin si ent manually, however the unit will turn off this setting once it reaches the end time.
5.2.5 Fault History
If there have been no faults, the Fault button on the main menu will appear dimmed.
When a fault does occur, the fault icon will flash. The fault interface menu will record the time, code, and name of the fault for you to view.
After troub eshootin , if you do not he k the fai ure’s re ord the fault button on the main menu will appear red but will not flash. If it is checked, it will appear dim again.
Faults appear in reverse order according to the time of occurrence. Press the clean key to delete all fault records. 
5.2.6 Colour Display Calibration
Quickly tap repeatedly on the blank area of any menu until you hear a long beep. This will allow you to enter the calibration interface.
Press ‘+’ to start the a ibration. hen you hear the beep a ain you wi finish the a ibration and e it.
5.2.7 Temperature Curve
Press the TEMP CURVE button to view the temperature curve & average power curve. 
The temperature curve automatically updates every hour and will be stored for 60 days.
If the unit is powered off after less than 1 hour of operation, the data in this period will not be saved.
*Note: On the CS-i 2 , ‘Comp. Frequen y’ rep a es the ‘Av Power nput’ button.
5.2.8 Boost Mode
The CS-i system is capable of operating in high output Boost mode to assist in reaching the desired target temperature faster.
You an a tivate boost mode by simp y pressin the “ oost” button in the display.
When the target water temperature is reached, the system will automatically deactivate Boost mode and retrain to normal operation.
Alternatively, Boost mode can be manually deactivated by simply pressin the “ oost” button a ain to turn it off. 
HEAT PUMP NOT WORKING? CHECK THE FOLLOWING:
IS THE SCREEN OF CONTROL PANEL LIT?
If not, make sure the electrical wires and cables are correctly connected and the power is on. Ensure any circuit breaker devices are set to the ON position and press the ON button onyour controller. Check your controller cable is plugged in and is not damaged. If the unit has been shut off or the power has been interrupted the heater will not restart for a 5-minute period to protect the compressor. Wait 5 minutes before attempting a restart.
IS THERE ENOUGH WATER FLOW?
If the screen displays a water flow related error check the water flow. Is the water pump in operation and the system free of debris that may cause a blockage? Disconnect pool cleaners to ensure proper water flow.
DOES YOUR HEAT PUMP HAVE AN ERROR MESSAGE ON THE SCREEN?
If yes, refer to the error code table 19.
IS THE HEAT PUMP SET TO RUN AT THE CORRECT TIME & DATE?
Please check your current timing or temperature modes on your controller – you may have programmed the unit to turn on at a different time.
IS THE CURRENT POOL/SPA WATER TEMP HIGHER THAN THE SET TEMP ON THE CONTROLLER?
If so the unit will not operate until the pool/spa water temperature falls below the set temperature on the controller.
HEAT PUMP IS RUNNING BUT NOT HEATING, CHECK THE FOLLOWING:
IS THE AIR DISCHARGED FROM THE TOP OF THE FAN NOTICEABLY COOLER THAN THE AMBIENT TEMPERATURE?
If not, check the refrigerant gauge on the bottom panel of the heater. Another way to determine if the heater is workin orre t y is to ook at the ontro er’s screen and check to see if the WATER OUT temp is higher than the WATER IN temp. Check also the INLET WATER TEMP is lower than the HEAT TEMP set point.
If the gauge shows less than 0.8MPA contact EvoHeat tech support to check the refrigerant system.

6.1 Error Codes (CS-i 65 & 130)
| Protect/fault | Fault display | Reason | Elimination methods |
| Inlet Temp. Sensor Fault | P01 | The temp. Sensor is broken or short circuit | Check or change the temp. Sensor |
| Outlet Temp. Sensor Fault | P02 | The temp. Sensor is broken or short circuit | Check or change the temp. Sensor |
| Ambient Temp. Sensor Fault | PO4 | The temp. Sensor is broken or short circuit | Check or change the temp. Sensor |
| Coil 1 Temp. Sensor Fault | P05 | The temp. Sensor is broken or short circuit | Check or change the temp. Sensor |
| Coil 2 Temp. Sensor Fault | P15 | The temp. Sensor is broken or short circuit | Check or change the temp. Sensor |
| Suction Temp. Sensor Fault | P07 | The temp. Sensor is broken or short circuit | Check or change the temp. Sensor |
| Discharge Temp. Sensor Fault | P081 | The temp. Sensor is broken or short circuit | Check or change the temp. Sensor |
| Exhaust Air over Temp Prot. | P082 | The compressor is overload | Check whether the system of the compressor running normally |
| Antifreeze Temp. Sensor Fault | P09 | Antifreeze temp sensor is broken or short circuited | check and replace this temp sensor |
| Pressure sensor Fault | PP | The pressure Sensor is broken | Check or change the pressure Sensor or pressure |
| High Pressure Prot. | 0.00E+00 | The high-pressure switch is broken | Check the pressure switch and cold circuit |
| Low Pressure Prot. | 0.00E+00 | Low pressurel protection | Check the pressure switch and cold circuit |
| Flow Switch Prot. | 0.00E+00 | No water/little water in water system | Check the pipe water flow and water pump |
| Waterway Anti-freezing Prot. | 0.00E+00 | Water temp. or ambient temp. is too low | |
| Inlet and outlet temp. too big | 0.00E+00 | Water flow is not enough and low differential pressure | Check the pipe water flow and whether water system is jammed or not |
| Anti-freezing Prot. | 0.00E+00 | Water flow is not enough | Check the pipe water flow and whether water system is jammed or not |
| Primary Anti-freezing Prot. | 0.00E+00 | The ambient temp. Is low | |
| Secondary Anti-freezing Prot. | 0.00E+00 | The ambient temp. Is low | |
| Comp. Overcurrent Prot. | E051 | The compressor is overload | Check whether the system of the compressor running normally |
| Communication Fault | 0.00E+00 | Communication failure between wire controller and mainboard | Check the wire connection between remote wire controller and main board |
| Communication Fault (speed control module) | E081 | Speed control module and main board communication fail | Check the communication connection |
| Low AT Protection | TP | Ambient temp is too low | |
| EC fan feedback Fault | F51 | There is something wrong with fan motor and fan motor stops running | Check whether fan motor is broken or locked or not |
| Fan Motorl Fault | F31 | 1.Motor is in locked-rotor state 2.The wire connection between DC-fan motor module and fan motor is in bad contact | 1.Change a new fan motor 2.Check the wire connection and make sure they are in good contact |
| Fan Motor2 Fault | F32 | 1.Motor is in locked-rotor state 2.The wire connection between DC-fan motor module and fan motor is in bad contact | 1.Change a new fan motor 2.Check the wire connection and make sure they are in good contact |
| Protect’fault | Fault display F01 | Reason | Elimination methods |
| Owl MOP alarm | MOP drive alarm | Recovery after the 150s | |
| Inverter offline | F2 | Frequency conversion board and main board communication failure | Check the communication connection |
| IPM protection | F3 | IPM modular protection | Recovery after the 150s |
| Comp. Driver Failure | F4 | Lack of phase, step or drive hardware damage | Check the measuring voltage check frequency conversion board hardware |
| DC Fan Fault | F5 | Motor current feedback open circuit or short circuit | Check whether current return wires connected motor |
| IPM Overcurrent | F6 | IPM Input current is large | Check and adjust the current measurement |
| Inv. DC Overvoltage | F7 | DC bus voltage>Dc bus over-voltage protection value | Check the input voltage measurement |
| Inv. DC Less voltage | F8 | DC bus voltage<Dc bus over-voltage protection value | Check the input voltage measurement |
| Inv. Input Less volt. | F9 | The input voltage is low, causing the input current is high | Check the input voltage measurement |
| Inv. Input Overvolt. | F10 | The input voltage is too high, more than outage protection current RMS | Check the input voltage measurement |
| Inv. Sampling Volt. | Fl 1 | The input voltage sampling fault | Check and adjust the current measurement |
| Comm. Err DSP-PFC | F12 | DSP and PFC connect fault | Check the communication connection |
| Input Over Cur. | F26 | The equipment load is too large | |
| PFC fault | F27 | The PFC circuit protection | Check the PFC switch tube short circuit or not |
| IPM Overheating | F15 | The IPM module is overheat | Check and adjust the current measurement |
| Weak Magnetic Warn | F16 | Compressor magnetic force is not enough | |
| Inv. Input Out Phase | F17 | The input voltage lost phase | Check and measure the voltage adjustment |
| IPM Sampling Cur. | F18 | IPM sampling electricity is fault | Check and adjust the current measurement |
| Inv. Temp. Probe Fail | F19 | Sensor is short circuit or open circuit | Inspect and replace the sensor |
| Inverter Overheating | F20 | The transducer is overheat | Check and adjust the current measurement |
| Inv. Overheating Warn | F22 | Transducer temperature is too high | Check and adjust the current measurement |
| Comp. Over Cur. Warn | F23 | Compressor electricity is large | The compressor over-current protection |
| Input Over Cur. Warn | F24 | Input current is too large | Check and adjust the current measurement |
| EEPROM Error Warn | F25 | MCU error | Check whether the chip is damaged Replace the chip |
| V15V over/undervoltage fault | F28 | The V15V is overload or undervoltage | Check the V15V input voltage in range 13.5v-16.5v or not |
| Protect/fault | Fault display | Reason | Elimination methods |
| Inlet temp. Sensor Fault | P01 | The temp. sensor is broken or short circuit | Check or change the temp. sensor |
| Outlet temp. Sensor Fault | P02 | The temp. sensor is broken or short circuit | Check or change the temp. sensor |
| Ambient temp. Sensor Fault | PO4 | The temp. sensor is broken or short circuit | Check or change the temp. sensor |
| Syst1: suction temp. Sensor fault | P17 | The temp. sensor is broken or short circuit | Check or change the temp. sensor |
| Syst2: suction temp. Sensor fault | P27 | The temp. sensor is broken or short circuit | Check or change the temp. sensor |
| Syst3: suction temp. Sensor fault | P37 | The temp. sensor is broken or short circuit | Check or change the temp. sensor |
| Syst4: suction temp. Sensor fault | P47 | The temp. sensor is broken or short circuit | Check or change the temp. sensor |
| Abnormal power fault | EE1 | Power fault occurs on the home interface | The fault is cleared by the main control after 3 minutes |
| Flow Switch Prot. | 0.00E+00 | No water/little water in water system | Check the pipe water flow and water pump |
| Anti-freezing Prot | 0.00E+00 | Not enough water flow | Check the pipe water flow and if the water system has a jam |
| Primary Anti-freezing prof | 0.00E+00 | The ambient temp. is low | Check the ambient temp. is low or not |
| Secondary Anti-freezing prot. | 0.00E+00 | The ambient temp. is low | Check the ambient temp. is low or not |
| Inlet and outlet temp. too big | 0.00E+00 | Water flow is not enough and low differential pressure | Check the pipe water flow and whether water system is jammed or not |
| Water(out) high temp. prot. | E065 | The outlet temp. is high | Check the outlet temp. is high or not |
| Water(out) low temp. prot | E071 | The outlet temp. Is low | Check the outlet temp. is low or not |
| Syst1: Exhaust Air over temp. Prot. | P182 | The compressor is overload | Check whether the system of the compressor running normally |
| Syst2: Exhaust Air over temp. Prot. | P282 | The compressor is overload | Check whether the system of the compressor running normally |
| Syst3: Exhaust Air over temp. Prot. | P382 | The compressor is overload | Check whether the system of the compressor running normally |
| Syst4: Exhaust Air over temp. Prot. | P482 | The compressor is overload | Check whether the system of the compressor running normally |
| Communication Fault | 0.00E+00 | Communication failure between wire controller & mainboard | Check the wire connection between wire controller and main board |
| Fan Motorl Fault | F31 | 1.Motor is in locked-rotor state. 2.The wire connection between DC-fan motor module & fan motor is in bad contact | 1.Change a new fan motor 2.Check wire connection and make sure they are in good contact |
| Fan Motorl Fault | F32 | 1.Motor is in locked-rotor state. 2.The wire connection between DC-fan motor module & fan motor is in bad contact | 1.Change a new fan motor 2.Check wire connection and make sure they are in good contact |
| Low ATProtection | TP | Ambient temp. is too low | Check if the ambient temp is low |
| Communication Fault (Fan Motor 1) | E081 | Fan motor 1 and main board communication fail | Check the communication connection |
| Communication Fault (Fan Motor 2) | E082 | Fan motor 2 and main board communication fail | Check the communication connection |
| Communication Fault (speed control module) | E081 | Speed control module and main board communication fail | Check the communication connection |
| Syst1:Coil temp. Sensor Fault | P15 | The temp. Sensor is broken or short circuited | Check and change the temp. Sensor |
| Syst2:Coil temp. Sensor Fault | P25 | The temp. Sensor is broken or short circuited | Check and change the temp. Sensor |
| Syst3:Coil temp. Sensor Fault | P35 | The temp. Sensor is broken or short circuited | Check and change the temp. Sensor |
| Syst4:Coil temp. Sensor Fault | P45 | The temp. Sensor is broken or short circuited | Check and change the temp. Sensor |
| Syst1:Exhaust temp. Sensor Fault | P181 | The temp. Sensor is broken or short circuited | Check and change the temp. Sensor |
| Syst2:Exhaust temp. Sensor Fault | P281 | The temp. Sensor is broken or short circuited | Check and change the temp. Sensor |
| Syst3:Exhaust temp. Sensor Fault | P381 | The temp. Sensor is broken or short circuited | Check and change the temp. Sensor |
| Syst4:Exhaust temp. Sensor Fault | P481 | The temp. Sensor is broken or short circuited | Check and change the temp. Sensor |
| Systl :Low pressure sensor Fault | PP11 | The sensor is broken or short circuited | Check and change the pressure sensor |
| Syst2:Low pressure sensor Fault | PP21 | The sensor is broken or short circuited | Check and change the pressure sensor |
| Syst3:Low pressure sensor Fault | PP31 | The sensor is broken or short circuited | Check and change the pressure sensor |
| Syst4:Low pressure sensor Fault | PP41 | The sensor is broken or short circuited | Check and change the pressure sensor |
| Systl:High pressure sensor Fault | PP12 | The sensor is broken or short circuited | Check and change the pressure sensor |
| Syst2:High pressure sensor Fault | PP22 | The sensor is broken or short circuited | Check and change the pressure sensor |
| Syst3:High pressure sensor Fault | PP32 | The sensor is broken or short circuited | Check and change the pressure sensor |
| Syst4:High pressure sensor Fault | PP42 | The sensor is broken or short circuited | Check and change the pressure sensor |
| Systl:High pressure prot. | El 1 | The high pressure switch of the system is disconnected | Check the pressure switch of the system |
| Syst2:High pressure prot. | 0.00E+00 | The high pressure switch of the system is disconnected | Check the pressure switch of the system |
| Syst3:High pressure prot. | 0.00E+00 | The high pressure switch of the system is disconnected | Check the pressure switch of the system |
| Syst4:High pressure prot. | 0.00E+00 | The high pressure switch of the system is disconnected | Check the pressure switch of the system |
| Systl:Low pressure prot. | Ell | The low pressure switch of the system is disconnected | Check the pressure switch of the system |
| Syst2:Low pressure prot. | 0.00E+00 | The low pressure switch of the system is disconnected | Check the pressure switch of the system |
| Syst3:Low pressure prot. | 0.00E+00 | The low pressure switch of the system is disconnected | Check the pressure switch of the system |
| Syst4:Low pressure prot. | 0.00E+00 | The low pressure switch of the system is disconnected | Check the pressure switch of the system |
| Syst1:4-way valve abnormal switch | E121 | The systl 4-way valve switchover failed | Check if the 4-way valve reversing state is required |
| Syst2:4-way valve abnormal switch | E221 | The syst2 4-way valve switchover failed | Check if the 4-way valve reversing state is required |
| Syst3:4-way valve abnormal switch | E321 | The syst3 4-way valve switchover failed | Check if the 4-way valve reversing state is required |
| Syst4:4-way valve abnormal switch | E421 | The syst4 4-way valve switchover failed | Check if the 4-way valve reversing state is required |
| Systl:Suction high temp. Prot. | E077 | The suction temp. is high | Check the suction temp. is high or not |
| Syst2:Suction high temp. Prot. | E078 | The suction temp. is high | Check the suction temp. is high or not |
| Syst3:Suction high temp. Prot. | E377 | The suction temp. is high | Check the suction temp. is high or not |
| Syst4:Suction high temp. Prot. | E478 | The suction temp. is high | Check the suction temp. is high or not |
| Systl Refrigerant leakage Prot. | El 31 | The refrigerant leakage | Check the system for refrigerant leakage |
| Syst2:Refrigerant leakage Prot. | E231 | The refrigerant leakage | Check the system for refrigerant leakage |
| Syst3:Refrigerant leakage Prot. | E331 | The refrigerant leakage | Check the system for refrigerant leakage |
| Syst4:Refrigerant leakage Prot. | E431 | The refrigerant leakage | Check the system for refrigerant leakage |
| Anti-condensation prot. | El 74 | The condition of current air temp and inlet water temp is cruel | Check the air temp and inlet water temp |
| Systlinventer Board Comm. Failure | F151 | Communication failure with systl compressor drive board | 1.Check if the communication line is normal 2.Check If the systl compressor drive board is normal |
| Systl:Compressor start Failure | F152 | Systl compressor failed to start | 1.Check if the compressor line is normal; 2.Check if the systl compressor is blocked |
| Systl:Start IPM Prot. | F153 | Systl compressor starting current is too large | 1.Check if the starting high pressure is excessive; 2.Check if the systl compressor is blocked |
| Systl:Running IPM Prot. | F154 | Systl compressor running current is too large | Check if the pressure ratio is too high |
| Systl:Comp. IPM Over-temp. Prot. | F155 | Systl compressor running current is too large | Check if there is a gap in the installation of the fluorine-cooled heat sink |
| Systl:Comp. Overcurrent Prot. | F156 | Systl compressor drive board has poor heat dissipation | Check if the pressure ratio is too high |
| Systl:Comp. Bus Over Voltage | F157 | Voltage is too high | Check if the input voltage is higher than 480V |
| Systl:Comp. Bus Under Voltage | F158 | Voltage is too low | Check if the input voltage is lower than 250V |
| Syst2:Inventer Board Comm. Failure | F251 | Communication failure with syst2 compressor drive board | 1.Check if the communication line is normal 2.Check If the syst2 compressor drive board is normal |
| Syst2:Compressor start Failure | F252 | Syst2 compressor failed to start | 1.Check if the compressor line is normal; 2.Check if the syst2 compressor is blocked |
| Syst2:Start IPM Prot. | F253 | Syst2 compressor starting current is too large | 1.Check if the starting high pressure is excessive; 2.Check if the syst2 compressor is blocked |
| Syst2:Running IPM Prot. | F254 | Syst2 compressor running current is too large | Check if the pressure ratio is too high |
| Syst2:Comp. IPM Over-temp. Prot. | F255 | Syst2 compressor running current is too large | Check if there is a gap in the installation of the fluorine-cooled heat sink |
| Syst2:Comp. Overcurrent Prot. | F256 | Syst2 compressor drive board has poor heat dissipation | Check if the pressure ratio is too high |
| Syst2:Comp. Bus Over Voltage | F257 | Voltage is too high | Check if the input voltage is higher than 480V |
| Syst2:Comp. Bus Under Voltage | F258 | Voltage is too low | Check if the input voltage is lower than 250V |
| Syst3:Inventer Board Comm. Failure | F351 | Communication failure with syst3 compressor drive board | 1.Check if the communication line is normal 2.Check If the syst3 compressor drive board is normal |
| Syst3:Compressor start Failure | F352 | Syst3 compressor failed to start | 1.Check if the compressor line is normal; 2.Check if the syst3 compressor is blocked |
| Syst3:Start IPM Prot. | F353 | Syst3 compressor starting current is too large | 1.Check if the starting high pressure is excessive; 2.Check if the syst3 compressor is blocked |
| Syst3:Running IPM Prot. | F354 | Syst3 compressor running current is too large | Check if the pressure ratio is too high |
| Syst3:Comp. IPM Over-temp. Prot. | F355 | Syst3 compressor running current is too large | Check if there is a gap in the installation of the fluorine-cooled heat sink |
| Syst3:Comp. Overcurrent Prot. | F356 | Syst3 compressor drive board has poor heat dissipation | Check if the pressure ratio is too high |
| Syst3:Comp. Bus Over Voltage | F357 | Voltage is too high | Check if the input voltage is higher than 480V |
| Syst3:Comp. Bus Under Voltage | F358 | Voltage is too low | Check if the input voltage is lower than 250V |
| Syst2:lnventer Board Comm. Failure | F451 | Communication failure with syst4 compressor drive board | 1.Check if the communication line is normal 2.Check If the syst4 compressor drive board is normal |
| Syst2:Compressor start Failure | F452 | Syst4 compressor failed to start | 1. Check if the compressor line is normal;2. Check if the syst4 compressor is blocked |
| Syst2:Start IPM Prot. | F453 | Syst4 compressor starting current is too large | 1.Check if the starting high pressure is excessive; 2.Check if the syst4 compressor is blocked |
| Syst2:Running IPM Prot. | F454 | Syst4 compressor running current is too large | Check if the pressure ratio is too high |
| Syst2:Comp. IPM Over-temp. Prot. | F455 | Syst4 compressor running current is too large | Check if there is a gap in the installation of the fluorine-cooled heat sink |
| Syst2:Comp. Overcurrent Prot. | F456 | Syst4 compressor drive board has poor heat dissipation | Check if the pressure ratio is too high |
| Syst2:Comp. Bus Over Voltage | F457 | Voltage is too high | Check if the input voltage is higher than 480V |
| Syst2:Comp. Bus Under Voltage | F458 | Voltage is too low | Check if the input voltage is lower than 250V |
| Fan Motor 1 Output Out Phase | F101 | System 1 fan failed to start | Check if the system 1 fan line is normal |
| Fan Motor 1 Output Zero Speed | F102 | System 1 fan failed to start | Check if the system 1 fan rotor is locked |
| Fan Motor 1 Start IPM Prot. | F103 | System 1 fan starting current is too large | Check if the system 1 fan rotor is locked |
| Fan Motor 1 Running IPM Prot. | F104 | System 1 fan running current is too large | Check if the system 1 fan rotor is locked |
| Fan Motor 1 Overcurrent Prot. | F105 | System 1 fan running current is too large | Check if the system 1 fan rotor is locked |
| Fan Motor 1 Over-temp. Prot. | F106 | System 1 fan drive board has poor heat dissipation | Check the heat dissipation condition |
| Fan Motor 1 Bus Over Voltage | F107 | Voltage is too high | Check if the input voltage is higher than 480V |
| Fan Motor 1 Bus Under Voltage | F108 | Voltage is too low | Check if the input voltage is lower than 250V |
| Fan Motor 2 Output Out Phase | F201 | System 2 fan failed to start | Check if the system 2 fan line is normal |
| Fan Motor 2 Output Zero Speed | F202 | System 2 fan failed to start | Check if the system 2 fan rotor is locked |
| Fan Motor 2 Start IPM Prot. | F203 | System 2 fan starting current is too large | Check if the system 2 fan rotor is locked |
| Fan Motor 2 Running IPM Prot. | F204 | System 2 fan running current is too large | Check if the system 2 fan rotor is locked |
| Fan Motor 2 Overcurrent Prot. | F205 | System 2 fan running current is too large | Check if the system 2 fan rotor is locked |
| Fan Motor 2 Over-temp. Prot. | F206 | System 2 fan drive board has poor heat dissipation | Check the heat dissipation condition |
| Fan Motor 2 Bus Over Voltage | F207 | Voltage is too high | Check if the input voltage is higher than 480V |
| Fan Motor 2 Bus Under Voltage | F208 | Voltage is too low | Check if the input voltage is lower than 250V |
| Meaning | Default | Remarks |
| Refrigeration target temperature set point | 27°C | Adjustable |
| Heating the target temperature set point | 27°C | Adjustable |
| Automatic target temperature set point | 27°C | Adjustable |
7.2 Cable Specifications
| Single Phase Unit | |||||
| Nameplate maximum current | Phase line | Earth line | MCB | Creepage Protector | Signal Line |
| No more than 10A | 2 x 1.5mm2 | 1.5mm2 | 20A | 30mA less than 0.1 sec | n x 0.5mm2 |
| 10-16A | 2 x 2.5mm2 | 2.5mm2 | 32A | ||
| 16-25A | 2 x 4mm2 | 4mm2 | 40A | ||
| 25-32A | 2 x 6mm2 | 6mm2 | 40A | ||
| 32-40A | 2 x 10mm2 | 10mm2 | 63A | ||
| 40-63A | 2 x 16mm2 | 16mm2 | 80A | ||
| 63-75A | 2 x 25mm2 | 25mm2 | 100A | ||
| 75-101A | 2 x 25mm2 | 25mm2 | 125A | ||
| 101-123A | 2 x 35mm2 | 35mm2 | 160A | ||
| 123-148A | 2 x 50mm2 | 50mm2 | 225A | ||
| 148-186A | 2 x 70mm2 | 70mm2 | 250A | ||
| 186-224A | 2 x 95mm2 | 95mm2 | 280A | ||
| Three Phase Unit | |||||
| Nameplate maximum current | Phase line | Earth line | MCB | Creepage Protector | Signal Line |
| No more than 10A | 3 x 1.5mm2 | 1.5mm2 | 20A | 30mA less than 0.1 sec | n x 0.5mm2 |
| 10-16A | 3 x 2.5mm2 | 2.5mm2 | 32A | ||
| 16-25A | 3 x 4mm2 | 4mm2 | 40A | ||
| 25-32A | 3 x 6mm2 | 6mm2 | 40A | ||
| 32-40A | 3 x 10mm2 | 10mm2 | 63A | ||
| 40-63A | 3 x 16mm2 | 16mm2 | 80A | ||
| 63-75A | 3 x 25mm2 | 25mm2 | 100A | ||
| 75-101A | 3 x 25mm2 | 25mm2 | 125A | ||
| 101-123A | 3 x 35mm2 | 35mm2 | 160A | ||
| 123-148A | 3 x 50mm2 | 50mm2 | 225A | ||
| 148-186A | 3 x 70mm2 | 70mm2 | 250A | ||
| 186-224A | 3 x 95mm2 | 95mm2 | 280A | ||
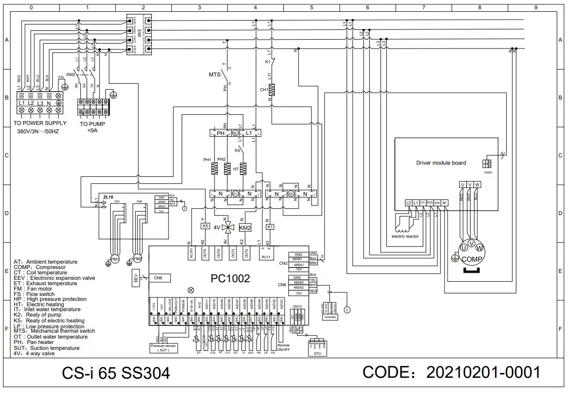
7.3 Wiring Diagrams



Number | Sign | Meaning |
| 01 | OUT1 | Compressor (output 220-230VAC) |
| 02 | OUT2 | Water pump (output 220-230VAC) |
| 03 | OUT3 | 4-way valve (output 220-230VAC) |
| 04 | OUT4 | High speed of fan (output 220-230VAC) |
| 05 | OUTS | Low speed of fan (output 220-230VAC) |
| 06 | AC-L | Live wire (input 220-230VAC) |
| 07 | AC-N | Neutral wire (input 220-230VAC) |
| 08 | AUD101 | Emergency switch (input) |
| 09 | Al/D102 | Water flow switch (input) |
| 10 | Al/D103 | System low pressure –•-,(input) |
| 11 | Al/D104 | System high pressure (input) |
| 12 | Al/D105 | System suction temperature (input) |
| 13 | Al/D106 | Water input temperature (input) |
| 14 | Al/D107 | Water output temperature (input) |
| 15 | Al/D108 | System fan coil temperature (input) |
| 16 | Al/D109 | Ambient temperature (input) |
| 17 | Al/D110 | Mode switch (input) |
| 18 | Al/D111 | Master-slave machine switch/antifreeze temperature (input) |
| 19 | A112 (50K) | System Exhaust temperature (input) |
| 20 | 0_5V_IN | Compressor current detection/pressure sensor (input) |
| 21 | PWM_IN | Master-slave machine switch/feedback signal of EC fan (input) |
| 22 | PWM_OUT | AC fan control (output) |
| 23 | 0_10V_OUT | EC fan control (output) |
| 24 | +5V | +5V (output) |
| 25 | +12V | +12V (output) |
| 26 | CN2 | Frequency conversion board communications |
| 27 | CN8 | Color line controller communication |
| 28 | CN9 | Electronic expansion valve |
| 29 | CN13 | The port for centralized control |
Maintenance
8.1 F.A.Q
DO I NEED TO GET MY UNIT SERVICED?
– It is recommended that you get your EvoHeat unit serviced once a year by your local certified air conditioning or refrigeration technician. If your unit is located in a coastal area, more frequent maintenance may be necessary. During the service, they will check the operational pressures of the refrigeration system and give the unit and fins a good clean to ensure maximum performance.
Our commercial service plan offers on-time servicing by qualified and accredited EvoHeat technicians – in combination with our genuine EvoHeat replacement parts.
DO WE HAVE RECOMMENDED SERVICE AGENTS?
– EvoHeat have a large database of recommended service agents. Please contact EvoHeat tech support on 1300 859 933 for your local service agent details.
SHOULD I CHECK MY UNIT REGULARLY?
– We recommend checking the unit regularly to avoid potential issues and damage to your heat pump.
WHAT SHOULD I BE CHECKING REGULARLY?
– Check the water inlet/outlets often for leaks. Avoid the condition of no water or air enterin into the system, as this wi inf uen e unit’s performan e and re iabi ity.
– You should clear the pool/spa filter regularly to avoid damage to the unit as a result of the dirty or clogged filter.
– The area around the unit should be dry, clean and well ventilated. Make sure there is nothing blocking the airflow of the heater e.g. Leaf litter.
– Discharge all water in the water pump and water system, so that freezing of the water in the pump or water system does not occur. You should discharge the water at the bottom of water pump if the unit will not be used for an extended period. You should check the unit thoroughly and fill the system with water fully before using it for the first time after a period of time.
– Check the power supply and cable connection often, should the unit begin to operate abnormally, switch it off and contact the qualified technician
8.2 Energy Saving Tips
If pool water is allowed to cool significantly, it may take several days to return to the desired swimming temperature.
For weekend use, it is more economical to maintain the pool water temperature at or near your desired swimming temperature.
If you do not plan to use your pool for a prolonged period, then you might choose to turn the heat pump completely off or decrease the temperature setting of the control several degrees to minimize energy consumption.
- Use an accurate pool thermometer. A difference of 2°C, between 26°C and 28°C, will significantly increase energy consumption.
- Monitor the water temp. of the pool in summer, you can reduce heat pump usage due to warmer temperatures.
- When the pool is not used for long periods, turn off the heat pump.
- Where possible, shelter the pool from prevailing winds with well-trimmed hedges or other landscaping or fencing.
- Always use a high-quality pool cover when practical. Besides providing a valuable water saving feature, a pool cover will dramatically reduce heat loss and reduce your pool heating running costs by up to 70%!
| CHECK THE AREA Prior to beginning work on systems containing flammable refrigerants, safety checks are necessary to ensure that the risk of ignition is minimised. For repair to the refrigerating system, the following precautions shall be complied with prior to conducting work on the system. prolonged period of no usage. | GENERAL WORK AREA All maintenance staff and others working in the local area shah be instructed on the nature of work being carried out. ll Work in confined spaces shall be avoided. The area around the workspace shall be sectioned off. Ensure that the conditions within the area have been made safe by control of flammable material. |
| PRESENCE OF FIRE EXTINGUISHER If any hot work is to be conducted on the refrigeration equipment or any associated parts, appropriate fire extinguishing equipment shall be available to hand. Have a dry powder or CO2 fire extinguisher adjacent to the charging | WORK PROCEDURES Work shall be undertaken under a controlled procedure to minimise the risk of a flammable gas or vapour being present while the work is being performed. |
| CHECKING FOR PRESENCE OF REFRIGERANT The area shall be checked with an appropriate refrigerant detector prior to and during work, to ensure the technician is aware of potentially flammable atmospheres. Ensure that the leak detection equipment being used is suitable for use with flammable refrigerants. i.e. non-sparking, adequately sealed or intrinsically safe. | VENTILATED AREA Ensure that the area is in the open or that it is adequately ventilated before breaking into the system or conducting any hot work. A degree of ventilation shall continue during the period that the work is carried out. The ventilation should safely disperse any released refrigerant and preferably expel it externally into the atmosphere. prolonged period of no usage. |
| CABLING Check that cabling will not be subject to wear, corrosion, excessive pressure. vibration. sharp edges or any other adverse environmental effects. The check shall also consider the effects of aging or continual vibration from sources such as compressors or fans. | DETECTION OF FLAMMABLE REFRIGERANTS Under no circumstances shall potential sources of ignition be used in the searching for or detection of refrigerant leaks. A halide torch (or any other detector using a naked flame) shall not be used. |
| REPAIR TO INTRINSICALLY SAFE COMPONENTS Do not apply any permanent inductive or capacitance loads to the circuit without ensuring that this will not exceed the permissible voltage and current permitted for the equipment in use | LABELLING Equipment shall be labelled stating that it has been de- commissioned and emptied of refrigerant. The label shall be dated and signed. Ensure that there are labels on the equipment stating the equipment contains flammable refrigerant. |
| Intrinsically safe components are the only types that can be worked on while live in the presence of a flammable atmosphere. The test apparatus shall be at the correct rating. Replace components only with parts specified by the manufacturer. Other parts may result in the ignition of refrigerant in the atmosphere from a leak. |
NO IGNITION SOURCES
No person carrying out work in relation to a refrigeration system which involves exposing any pipe work that contains or has contained flammable refrigerant shall use any sources of ignition in such a manner that it may lead to the risk of fire or explosion. All possible ignition sources, including cigarette smoking, should be kept sufficiently far away from the site of installation, repairing, removing and disposal, during which flammable refrigerant can possibly be released to the surrounding space. Prior to work taking place, the area around the equipment is to be surveyed to make sure that there are no flammable hazards or ignition risks. No Smoking signs shall be displayed.
CHARGING PROCEDURES
In addition to conventional charging procedures, the following requirements shall be followed.
- Ensure that contamination of different refrigerants does not occur when using charging equipment. Hoses or lines shall be as short as possible to minimise the amount of refrigerant contained in them.
- Cylinders shall be kept upright.
- Ensure that the refrigeration system is earthed prior to charging the system with refrigerant.
- Label the system when charging is complete (if not already).
- Extreme care shall be taken not to overfill the refrigeration system.
Prior to recharging the system, it shall be pressure tested with OFN. The system shall be leak tested on completion of charging but prior to commissioning. A follow up leak test shall be carried out prior to leaving the site. The safety wire model is 5*20_5A/250VAC, and must meet the explosion-proof requirements.
CHECKS TO THE REFRIGERATION EQUIPMENT
Where electrical components are being changed, they shall be fit for the purpose and to the correct specification. At all times the manufacturer’s maintenance and service guidelines shall be followed. If in doubt consult the manufacturer’s technical department for assistance.
The following checks shall be applied to installations using flammable refrigerants:
- The charge size is in accordance with the room size within which the refrigerant containing parts are installed;
- The ventilation machinery and outlets are operating adequately and are not obstructed; If an indirect refrigerating circuit is being used, the secondary circuit shall be checked for the presence of refrigerant;
- Marking to the equipment continues to be visible and legible. Markings and signs that are illegible shall be corrected;
- Refrigeration pipe or components are installed in a position where they are unlikely to be exposed to any substance which may corrode refrigerant containing components, unless the components are constructed of materials which are inherently resistant to being corroded or are suitably protected against being so corroded.
CHECKS TO ELECTRICAL DEVICES
Repair and maintenance to electrical components shall include initial safety checks and component inspection procedures. If a fault exists that could compromise safety, then no electrical supply shall be connected to the circuit until it is satisfactorily dealt with. If the fault cannot be corrected immediately but it is necessary to continue operation, an adequate temporary solution shall be used. This shall be reported to the owner of the equipment, so all parties are advised.
Initial safety checks shall include:
- That capacitors are discharged: this shall be done in a safe manner to avoid possibility of sparking;
- That there no live electrical components and wiring are exposed while charging, recovering or purging the system;
- That there is continuity of earth bonding.
REPAIRS TO SEALED COMPONENTS
- During repairs to sealed components, all electrical supplies shall be disconnected from the equipment being worked upon prior to any removal of sealed covers, etc. If it is necessary to have an electrical supply to equipment during servicing, then a permanently operating form of leak detection shall be located at the most critical point to warn of a potentially hazardous situation.
- Particular attention shall be paid to the following to ensure that by working on electrical components, the casing is not altered in such a way that the level of protection is affected. This shall include damage to cables, excessive number of connections, terminals not made to original specification, damage to seals, incorrect fitting of glands, etc.
Ensure that apparatus is mounted securely.
Ensure that seals or sealing materials have not degraded such that they no longer serve the purpose of preventing the ingress of flammable atmospheres. Replacement parts shall be in accordance with the manufacturer’s specifications.
NOTE: The use of silicon sealant may inhibit the effectiveness of some types of leak detection equipment. Intrinsically safe components do not have to be isolated prior to.
LEAK DETECTION METHODS
The following leak detection methods are deemed acceptable for systems containing flammable refrigerants.
Electronic leak detectors shall be used to detect flammable refrigerants, but the sensitivity may not be adequate, or may need re-calibration. (Detection equipment shall be calibrated in a refrigerant-free area.) Ensure that the detector is not a potential source of ignition and is suitable for the refrigerant used. Leak detection equipment shall be set at a percentage of the LFL of the refrigerant and shall be calibrated to the refrigerant employed and the appropriate percentage of gas (25 % maximum) is confirmed.
Leak detection fluids are suitable for use with most refrigerants but the use of detergents containing chlorine shall be avoided as the chlorine may react with the refrigerant and corrode the copper pipework. If a leak is suspected, all naked flames shall be removed/extinguished. If a leakage of refrigerant is found which requires brazing, all of the refrigerant shall be recovered from the system, or isolated (by means of shut off valves) in a part of the system remote from the leak. Oxygen free nitrogen (OFN) shall then be purged through the system both before and during the brazing process.
REMOVAL AND EVACUATION
When breaking into the refrigerancircuit to make repairs or for any other purpose conventional procedures shall be used.
However, it is important that best practice is followed since flammability is a consideration.
The following procedure shall be adhered to:
Remove refrigerant;
Purge the circuit with inert gas;
Evacuate;
Purge again with inert gas;
Open the circuit by cutting or brazing.
The refrigerant charge shall be recovered into the correct recovery cylinders. The system shall be “flushed” with OFN to render the unit safe. This process may need to be repeated several times. Compressed air or oxygen shall not be used for this task.
Flushing shall be achieved by breaking the vacuum in the system with OFN and continuing to fill until the working pressure is achieved, then venting to atmosphere, and finally pulling down to a vacuum. This process shall be repeated until no refrigerant is within the system. When the final OFN charge is used, the system shall be vented down to atmospheric pressure to enable work to take place. This operation is absolutely vital if brazing operations on the pipe-work are to take place.
Ensure that the outlet for the vacuum pump is not close to any ignition sources and there is ventilation available. working on them.
RECOVERY
When removing refrigerant from a system, either for servicing or decommissioning, it is recommended good practice that all refrigerants are removed safely.
When transferring refrigerant into cylinders, ensure that only appropriate refrigerant recovery cylinders are employed. Ensure that the correct number of cylinders for holding the total system charge is available. All cylinders to be used are designated for the recovered refrigerant and labelled for that refrigerant (i.e. special cylinders for the recovery of refrigerant). Cylinders shall be complete with pressure relief valve and associated shut- off valves in good working order. Empty recovery cylinders are evacuated and, if possible, cooled before recovery occurs.
The recovery equipment shall be in good working order with a set of instructions concerning the equipment that is at hand and shall be suitable for the recovery of flammable refrigerants. In addition, a set of calibrated weighing scales shall be available and in good working order. Hoses shall be complete with leakfree disconnect couplings and in good condition. Before usingthe recovery machine, check that it is in satisfactory working order, has been properly maintained and that any associated electrical components are sealed to prevent ignition in the event of a refrigerant release. Consult manufacturer if in doubt.
REGISTER YOUR WARRANTY
EvoHeat highly recommend customers complete their warranty details online to ensure efficient warranty claim processing.
To register your warranty, scan our QR Code or head to our website and fill in the Warranty Registration Form: https://evoheat.com.au/warranty-registration/
https://evoheat.com.au/warranty-registration/
[email protected]
1300 859 933
www.evoheat.com.au
















