CS-i 65 & 130
Installation & Operation Manual.
CS-i 65 Commercial Inverter Series Heat Pump

Introduction
This manual contains all the necessary information in regard to the installation, troubleshooting, operation, and maintenance of this unit. Ensure instructions in this manual are adhered to at all times. Failing to comply with these recommendations will invalidate the warranty. This manual and all others are available for download on our website.

Engineered to meet the demands of any commercial application, the Evo CS-i is the most reliable and efficient way to heat a commercial pool. Designed with the latest full inverter technology and exclusive smart features, the Evo CS-i delivers reliable year-round performance with the lowest running costs.
| MODEL | EVO CS-i 65 | EVO CS-i 130 |
| Heat output at 27°C air 26°C water (kW) | 65 | 130 |
| Heat output at 15°C air 26°C water (kW) | 50 | 100 |
| Cooling output at 55°C air 35°C water (kW) | 15 | 54 |
| Cooling output at 45°C air 26°C water (kW) | 30 | 73 |
| C.O.P. AT 27°C AIR | 16.10 – 6.10 | 16.00 – 6.20 |
| POWER BOOST MODE AT 27 DEG AIR | 80kW | 175kW |
| Consumed power at 27 deg air (kW) | 0.76-10.65 | 1.76-20.97 |
| Power supply | 400/3/50 | 400/3/50 |
| *Max running current AMPS per phase | 19.74 | 41 |
| Compressor type | Mitsubishi DC | Mitsubishi DC |
| Refrigerant | R410A | R410A |
| PVC water connection (mm) | 63 | 110 |
| Water flow rate (L/min) | 416 | 750 |
| Noise dB(A) at 1M | 47-62 | 59-64 |
| Net dimensions L/W/H (mm) | 1750/840/1750 | 2170/1150/2130 |
| Weight packed/unpacked (kg) | 358 | 853 |
*The data above is based on the EVO heat pump only, it does not include auxiliary devices. Product specification information provided above is correct at the date of printing, this data may change without notice. Please speak with an EvoHeat Specialist for the most current product specifications.
Unit Dimensions
Evo CS-i 65
Evo CS-i 130
Safety Instructions
- Installation, repair or relocations must be done by a fully qualified person and not by the customer. If done incorrectly it may cause fire, electric shock, water leakage, and other hazards.
- Maintenance and operation must be carried out according to the recommended time and frequencies, as stated in this manual.
- To avoid the risk of electrical shock, the unit must have a good power connection and earthing.
- If the supply cord is damaged, it must be replaced.
- Use genuine standard spare parts only.
- When an abnormality (smell of burning, etc.) occurs, stop the unit and disconnect the power or turn off the breaker. If the unit continues to be operated in an abnormal condition, it may cause a fire or hazards.
- Do not insert fingers or objects into the fans or evaporator of the unit.
- The unit is equipped with an overload protection system. After a previous stoppage, the unit will not start for at least 3 minutes.
- For unit cleaning or maintenance, switch off and disconnect the power of the unit.
- Do not install the unit near flammable gas or spray flammable substances near it.
- Ensure the heat pump is installed on a strong and stable platform.
- A circuit breaker must be installed for the unit.
- Use supply wires suitable for 75°C
- The appliance must be fitted with means for disconnection from the supply mains having a contact separation in all poles that provides full disconnection under overvoltage category III conditions, these means must be incorporated in the fixed wiring in accordance with the wiring rules.
- An all-pole disconnection switch having a contact separation of at least 3mm in all poles should be connected in fixed wiring.
- Directive 2002/95/EC (RoHs): This product is compliant with directive 2002/95/EC (RoHs) concerning restrictions for the use of harmful substances in electric and electronic devices
* Caution: Single wall heat exchanger, not suitable for potable water connection.
Installation
4.1 System Installation

The schematic diagram is for reference only. Please check the water inlet/outlet label on the heat pump while plumbing the unit.
INSTALLATION ITEMS
EvoHeat only provides the main EvoHeat unit and EvoHeat accessories; other items in the illustration above should be provided by the user or the installer.
EVOHEAT ACCESSORIES – DO NOT THROW AWAY
All EvoHeat units are provided with rubber feet, a controller, and leads for the controller– do not throw them away as they are required as part of the installation.
CHECK HEATER CONDITION ON ARRIVAL
Check the heater packaging upon delivery for any obvious signs of damage. Inform your supplier IMMEDIATELY if there is any evidence of rough handling. When the heater has been removed from the packaging check the refrigerant gauge on the front panel of the unit. The gauge should be showing a pressure of approx 10-20 on the outside red band – any less than this figure means there may be a leak in the refrigerant system, and you should immediately contact your EvoHeat Dealer.
General installation information disclaimer: Install your EVOHEAT heat pump in accordance with the procedures in the product manual. Always check that your installation will comply with local building and council regulations. IMPORTANT: EvoHeat heat pumps MUST be connected by a licensed electrician. Under no circumstances should an
unlicensed person attempt to install or repair an EvoHeat heat pump themselves. Heater electrical installation undertaken by an unlicensed installer will void the warranty. Correct installation is required to ensure the safe and efficient operation of your pool heater.
Before installation, it is very important to ensure 5 variables are carefully checked to allow the unit to operate correctly.
- Location
- Clearances & Air Flow
- Adequate water flow & plumbing
- Correct electrical connection & supply
4.2 Location Recommendations
Installation and service must be performed by a qualified installer.
Evo recommend the heat pump should be installed in an outdoor location with appropriate ventilation. Installing the heater indoors without adequate ventilation, or in a poorly ventilated enclosed space, will result in very poor performance and can, in extreme cases, damage the heater. Ensure the heater is installed in a well-ventilated area with plenty of fresh air.
Evo recommend the heat pump should ONLY be installed in a location with appropriate ventilation.
If installing the heater on an existing pump/filtration system, the heater must be installed AFTER the filter and BEFORE the chlorinator/sanitizer.
The heat pump should be installed on a flat level surface as close as possible to the pool.
The Evo pool heat pump should be installed with a minimum clearance of at least 3.5m to the water’s edge.
Furthermore, EvoHeat recommends installing a heat pump no greater than 7.5 meters away from the water’s edge due to heat loss from the piping.
A rough estimate of heat loss over a 30m pipe run can be as high as 600 Watts per hour per 5 degrees of the temperature difference between the air/ground and the pool water. These losses need to be taken into account over long distances and piping may need to be insulated to reduce heat leakage.
The heat pump should be installed a maximum of 5m below the water level of the pool/spa. If further than 5M please discuss with your EvoHeat specialist for the best advice.
Make sure the heat pump is not located where large amounts of water may run off from a roof into the unit. Sharp sloping roofs without gutters will allow excessive amounts of rainwater mixed with debris from the roof to be forced through the unit. A water deflector may be needed to protect the heat pump.
4.3 Airflow Clearances
The heat pump unit needs continuous fresh air whilst running. The heater draws up to 47000 m3/h ambient air through the sides and discharges through the top fan cowl. Installing the heater indoors or in an enclosed space will result in very poor performance and can in extreme cases damage the heater. Ensure the heater is installed in a well-ventilated area with plenty of fresh air, a minimum gap between walls/fences etc of 1000mm on the sides and 1500mm overhead clearance.

Leave sufficient space for unobstructed airflow into and out of the heater. Do not locate the heater in an enclosed area, or the discharged cold air will recirculate into the unit and consequently lower the heating efficiency as well as possible icing up.
If you do not have a location with these suggested clearances, please contact our EvoHeat Tech Support Specialist to discuss appropriate installation locations.
4.4 Adequate Water Flow
All EVOHEAT heat pumps have a factory-preset internal water flow switch. If there is insufficient water flow the heater will not operate.
It is CRITICAL that there is sufficient water flow to the unit. Incorrect water flow can cause a loss of efficiency and possible damage to the unit. Optimal water flow rates are listed in the EvoHeat manual. It is imperative that water flow is kept as close as possible to these flow rates. Correct water flow not only offers optimal heater performance,
but may also prevent possible damage to your heater.
EvoHeat CS-i Commercial Inverter Series Heat Pump
Before connecting the heater to the plumbing, all piping must be thoroughly flushed to ensure no debris can enter the heater. Failure to remove pipe debris can jam or damage the flow switch and may cause damage to the heater. When cleaning the pool it is advisable to turn off your heater as restricted water flow may cause the heater to shut
down and indicate a low water flow fault (E03 error) or high-pressure fault (E01 Error).
IMPORTANT: A Variable speed pump or bypass valve and plumbing MUST be fitted to allow water flow to be adjusted through the heater. Do not directly connect a water pump with a higher flow than required to the heat pump.
4.5 Rubber Feet
All EvoHeat units are provided with rubber feet which EvoHeat highly recommends being installed. The rubber feet help reduce the vibration of the unit and help provide space below the heat pump to install the drainage barbs.
4.6 Drainage & Condensation
Whilst the heater is operating, water in the air condenses on the fins of the evaporator. During times of high humidity, the condensate may be several liters per hour. This may give the impression that the heater is leaking, however, this is a normal function of heat pumps. The heat pump can also automatically activate the reverse cycle defrost feature when required which increases the condensation produced.
Ensure CS series heat pumps are installed level so condensate is not allowed to pool at one end of the condensate tray! Ensure CS-GEN2 series units are installed level to evenly distribute condensate through the two drainage holes on the condensate pan, located at either end of the heat pump! The condensate water captured will discharge from the heat pump through one end, typically where the heat pump’s Inlet/Outlet connections are located. The condensate discharges from the heat pump through a 32mm female threaded connection. Ensure condensate is plumbed away from the heat pump to an appropriate location, ideally a drain. Please Note: A 32mm Male threaded adapter is NOT supplied with the heat pump.

4.7 Plumbing
The Swimming Pool Heat Pumps exclusive rated flow titanium heat exchanger requires no special plumbing arrangements except bypass (please set the flow rate according to the nameplate). The water pressure drop is less than 10kPa at max. Flow rate: Since there is no residual heat or flame Temperatures, the unit does not need copper heat sink piping. PVC pipe can be run straight into the unit. Location: Connect the unit in the pool pump discharge (return) line downstream of all filter and pool pumps, and upstream of any chlorinators, ozonators or chemical pumps.
Standard models have slip glue fittings that accept 40 mm PVC pipe for connection to the pool or spa filtration piping. By using a 50 NB to 40NB you can plumb 40NB. Give serious consideration to adding a quick coupler fitting at the unit inlet and outlet to allow easy draining of the unit for winterizing and to provide easier access should servicing be required.

4.8 Electrical Connection
IMPORTANT: Always use a qualified Electrician to perform any electrical work. A licensed electrician must read the information before connecting.
Ensure the power cable and circuit breaker are of a suitable size for the heater being installed. Also, check that there is adequate voltage currently available at the heater connection to run the unit.
Voltage range should be 220-230 volts for single phase and 380-400 volts for 3 phase units. Voltage ranges outside these parameters will cause heater damage and void your warranty.
- Ensure power is disconnected during installation or service.
- Always comply with the national and local electrical codes and standards.
- Ensure electrical cable size is adequate for heater requirements at the installation location.
- The heater must be equipped with a circuit breaker and isolation device.
- Circuit breaker must be installed between the heater and the water circulation pump if the water pump is hard-wired into the heater. Please note that recommended circuit breaker sizes make no allowance for a water pump hard-wired into the heater.
- The unit must be well-earthed. Remove the front panel to access the electrical connection terminals of the heater. The electrical wiring diagram is affixed to the inside of the front panel.
Correct phase connection is important with 3 phase heaters. NOTE: if 2 lights are showing on the 3 PHASE relay monitor this means the EvoHeat heat pump has been wired correctly (one orange light and one green light). If only one light is showing, the phases are out of rotation and need to be rotated to get the correct phase rotation.

4.9 Initial Start-up
Note: in order for the unit to heat the pool or spa, the filter pump must be running to circulate water through the heat exchanger.
After installation is completed, follow the steps below:
- Turn on your filter pump. Check for water leaks and verify flow to and from the pool.
- Turn on the electrical power supply to the unit, then press the key ON/OFF of the wire controller, it should start after several seconds.
- After running a few minutes make sure the air leaving the top of the unit is cooler (between 5-10 ℃)
- With the unit operating turn the filter pump off. The unit should also turn off automatically.
- Allow the unit and pool pump to run 24 hours per day until the desired pool water temperature is reached. (Note: this may take up to several days depending on the initial water temperature and the size and location of the pool). When the water-in temperature reaches the set temperature the unit will shut off. The unit will now automatically restart (as long as your pool pump is running) when the pool temperature drops more than 1℃ below the set temperature.
TIME DELAY
The unit is equipped with a 3-minute built-in solid-state restart delay included to protect control circuit components and to eliminate restart cycling and contactor chatter. This time delay will automatically restart the unit approximately 3 minutes after each control circuit interruption. Even a brief power interruption will activate the solid state 3-minute restart delay and prevent the unit from starting until the 5-minute countdown is completed. Power interruptions during the delay period will have no effect on the 3-minute countdown.
Operation
Scan the QR Code or head to our YouTube channel for step-by-step videos.

https://www.youtube.com/channel/UCfYiOxHuybBuC1NZcqUnrcA
*NOTE: The CS-i Controller usage is the same as the Force-i & DHP-R Series.
5.1 Main Controller Interface

| Number | Name | Button Function |
| 1 | ON/OFF | Press to turn the unit on or off. |
| 2 | Parameter | Press to view the united state and the parameter. |
| 3 | CLOCK | Press to set the clock, the timer on or off. When the timer is in use, the button will be green. |
| 4 | Fault Display | Click to view fault history. |
| 5 | Silent Setting | Click to turn on/off the silent function and to set the timing Low-speed function. |
| 6 | MODE | Click to enter mode setting and the target temperature interface. |
| 7 | Temperature Curve | Click to view the temperature and power curve. |
| 8 | Water Inlet Temperature | Press to enter mode setting and the target temperature interface. |
| 9 | LOCK | Click to lock the screen. To unlock, press this button again and enter the code “22”. |
5.2 Functions of the Controller
5.2.1 Start-up & Shut-Down
To turn the unit on or off, press the power button symbol (1).
5.2.2 Switching Modes & Setting the Target Temperature
In the main interface, click the mode (6) button or inlet water temperature setting button (8) to get the following menu:
Choose from the modes: refrigeration mode (1), automatic mode(2), or heating mode (3).
Note: When the unit is designed for single automatic mode or single thermal mode, the mode cannot be switched.
From this screen, pressing the temperature (4) will allow you to adjust it as desired.

5.2.3 Clock Settings

After clicking the Clock button, a menu will appear where you can choose to adjust either Time or Timer settings.
Setting the Date & Time
Click the value you wish to change to set the time directly. Press confirm to save the settings.
For example, if the setup time were 23/11/2016 at 1:00pm; you would input: 23-11-16 13:00:00. Be aware that if the input format is incorrect, pressing the confirm button will save the wrong time.
Timer Settings
| No. | Name | Button Colour | Function |
| 1 | Timing Start Button | Start: Green End: Grey | Click this button to start or end the timing start setting function |
| 2 | Timing On Setting | Click to set the start time of the timer. | |
| 3 | Timing End Button | Open: Red End: Grey | Click this button to start or end the timing end setting function. |
| 4 | Timing Off Setting | Click to set the end timer of the timer. |
When the timer is on, the clock button will be green on the main interface.
5.2.4 Silent Setting & Silent Timing
Pressing the silent button (5) from the main menu will bring up the silent settings. Press the left-hand fan symbol to enable silent mode. To exit silent mode, follow the steps and press the button again.

Pressing the alarm clock symbol will display the screen shown above on the right.
| No. | Name | Colour | Function |
| 1 | Timing silent off | Used: Red Unused: Grey | Click to use or unused timing off function |
| 2 | Timing silent on | Used: Green Unused: Grey | Click to use or unused timing silent function |
| 3 | Timing silent start time | Click this button to set the timing silent start time | |
| 4 | Timing silent end time | Click this button to set the timing silent end time |
The start and end time values me be within the range of 0:00 – 23:00; the value can be precise to the hour digit.
Example: Click ‘ON’ to use timing silent. The unit will begin silent mode from 0:00 and end at 4:00. Click ‘OFF’ to turn off the timing silently manually, however, the unit will turn off this setting once it reaches the end time.
5.2.5 Fault History
To view the fault records, press (4).
If there is no failure, the main interface will display a static “
”
When a fault occurs, the fault icon will flash. When this occurs, the failure interface will record the time, code, and name of the fault. After troubleshooting, if you do not check the failure record, the main interface will display a static symbol: “
“ If you check the failure record, the main interface will display a static: “
”

The failure record is in reverse order according to the time of occurrence. Press the clean key to delete all fault records.
5.2.6 Colour Display Calibration
Keep clicking quickly on the blank area at any interface until you hear a long beep. You will then enter the calibration interface. Click “+” to start calibration. When you hear the beep again, you will finish calibration and exit.
Note: The wire controller can display the temperature unit as ‘°F’ or ‘°C’ according to the model you bought.
5.2.7 Temperature Curve
Press the TEMP CURVE (7) button to view the temperature curve & average power curve.

The temperature curve automatically updates every hour and will be stored for 60 days.
If the unit is powered off after less than 1 hour of operation, the data in this period will not be saved.
Troubleshooting
EvoHeat have developed a YouTube Channel where you will find useful videos – from setting up your timers to setting up the EvoHeat app. View it to see resolutions to some of our most asked, yet easily solved questions: https://www.youtube.com/channel/UCfYiOxHuybBuC1NZcqUnrcA

IF YOUR HEAT PUMP ISN’T WORKING, CHECK THE FOLLOWING…
- Is the screen of control panel lit?
If not, make sure the electrical wires and cables are correctly connected and the power is on. Ensure any circuit breaker devices are set to the ON position and press the ON button on your controller. Check your controller cable is plugged in and is not damaged. If the unit has been shut off or the power has been interrupted the heater will not restart for a 5-minute period to protect the compressor. Wait 5 minutes before attempting a restart. - Is there enough water flow?
If the screen displays a water flow-related error check the water flow. Is the water pump in operation and the system free of debris that may cause a blockage? Disconnect pool cleaners to ensure proper water flow. - Is the current pool/spa water temperature higher than the set temperature on the controller?
If so the unit will not operate until the pool/spa water temperature falls below the set temperature on the controller. - Is your heat pump set to run at the correct time and date?
Please check your current timing or temperature modes on your controller – you may have programmed the unit to turn on at a different time.
• Does your heat pump have an error message on the screen?
If yes, refer to the error code table 19.
IF YOUR HEAT PUMP IS RUNNING BUT NO HEATING, CHECK THE FOLLOWING… - Is the fan functioning?
If not contact EvoHeat tech support on 1300 859 933 - Is the air discharged from the top of the fan noticeably cooler than the ambient temperature?
If not, check the refrigerant gauge on the bottom panel of the heater. Another way to determine if the heater is working correctly is to look at the controller’s screen and check to see if the WATER OUT temp is higher than the WATER IN temp. Check also the INLET WATER TEMP is lower than the HEAT TEMP set point. If the gauge shows less than 0.8MPA contact EvoHeat tech support to check the refrigerant system.

EvoHeat CS-i Commercial Inverter Series Heat Pump
Ensure sufficient fresh airflow around the unit as per installation instructions.
Make sure cold air discharged does not recycle back through the heater. Check the condenser fins. If they are dirty or blocked use a low-flow garden hose only (Pressurised water may cause damage to the heater).
- The unit will periodically defrost when the ambient air temperature is lower than 8 degrees C.
IF YOUR HEAT PUMP IS RUNNING CONTINUOUSLY, CHECK THE FOLLOWING…
- Check the set temperature is at your desired level and that the pool water temperature is at or below this set point.
- Alternatively, this could be a possible electrical component failure – contact EvoHeat tech support on 1300 859 933
IF YOUR HEAT PUMP HAS WATER APPEARING AROUND THE BASE OF THE UNIT, CHECK THE FOLLOWING…
The water appearing around the base of your heat pump could be condensation or a possible water leak. To determine, check the following:
- Check the discharge for the presence of chlorine.
If the water has no chlorine then it is condensation and is it normal – see drainage and condensation for more information. If the water has chlorine, it is a water leak and you need to contact EvoHeat tech support on 1300 859 933. Or… - Turn the heater off and run the water pump continuously for a period of 2-4 hours.
If the water dries out, then it was condensation – see drainage and condensation for more information. If there is a continuous leak contact EvoHeat tech support on 1300 859 933.
DRAINAGE & CONDENSATION
Whilst the heater is operating, water in the air condenses on the fins of the evaporator. In the instance of high humidity, the condensate may be several liters per hour. This may give the impression that the heater is leaking, however, this is a normal function of heat pumps.
The heater will automatically activate the reverse cycle or de-icing mode when required which also increases condensate discharge. This normally occurs at temperatures below 8°C. The condensate water will discharge through the base of the heater. As an option, a pipe can be connected to the drain on the base of the unit to direct condensate water to
an appropriate location.
NOTE: A quick way to verify that the water is condensation is to shut off the unit and keep the pool pump running. If the water stops running out of the base pan, it is condensation. AN EVEN QUICKER WAY IS to TEST THE DRAIN WATER FOR CHLORINE – if the is no chlorine present, then it’s condensation.
6.1 Error Codes
Electronic Control Fault Table
| Protect/fault | Fault display | Reason | Elimination methods |
| Inlet Temp. Sensor Fault | P01 | The temp. Sensor is broken or short circuit | Check or change the temp. Sensor |
| Outlet Temp. Sensor Fault | P02 | The temp. Sensor is broken or short circuit | Check or change the temp. Sensor |
| Ambient Temp. Sensor Fault | PO4 | The temp. Sensor is broken or short circuit | Check or change the temp. Sensor |
| Coil 1 Temp. Sensor Fault | P05 | The temp. Sensor is broken or short circuit | Check or change the temp. Sensor |
| Coil 2 Temp. Sensor Fault | P15 | The temp. Sensor is broken or short circuit | Check or change the temp. Sensor |
| Suction Temp. Sensor Fault | P07 | The temp. The sensor is broken or short circuit | Check or change the temp. Sensor |
| Discharge Temp. Sensor Fault | P081 | The temp. The sensor is broken or short circuit | Check or change the temp. Sensor |
| Exhaust Air over Temp Prot. | P082 | The compressor is overload | Check whether the system of the compressor running normally |
| Antifreeze Temp. Sensor Fault | P09 | Antifreeze temp sensor is broken or short-circuited | check and replace this temp sensor |
| Pressure sensor Fault | PP | The pressure Sensor is broken | Check or change the pressure Sensor or pressure |
| High Pressure Prot. | E01 | The high-pressure switch is broken | Check the pressure switch and cold circuit |
| Low Pressure Prot. | E02 | Low-pressure protection | Check the pressure switch and cold circuit |
| Flow Switch Prot. | E03 | No water/little water in the water system | Check the pipe water flow and water pump |
| Waterway Anti-freezing Prot. | E05 | Water temp. or ambient temp. is too low | |
| Inlet and outlet temp. too big | E06 | Water flow is not enough and low differential pressure | Check the pipe water flow and whether the water system is jammed or not |
| Anti-freezing Prot. | E07 | Water flow is not enough | Check the pipe water flow and whether the water system is jammed or not |
| Primary Anti-freezing Prot. | E19 | The ambient temp. Is low | |
| Secondary Anti-freezing Prot. | E29 | The ambient temp. Is low | |
| Comp. Overcurrent Prot. | E051 | The compressor is overload | Check whether the system of the compressor running normally |
| Communication Fault | E08 | Communication failure between wire controller and mainboard | Check the wire connection between the remote wire controller and the main board |
| Communication Fault (speed control module) | E081 | Speed control module and main board communication fail | Check the communication connection |
| Low AT Protection | TP | The ambient temp is too low | |
| EC fan feedback Fault | F051 | There is something wrong with fan motor and fan motor stops running | Check whether the fan motor is broken or locked or not |
| Fan Motor Fault | F031 | 1. Motor is in locked rotor state 2. The wire connection between the DC-fan motor module and the fan motor is in bad contact | 1. Change a new fan motor 2. Check the wire connection and make sure they are in good contact |
| Fan Motor2 Fault | F032 | 1. Motor is in a locked rotor state 2. The wire connection between the DC-fan motor module and the fan motor is in bad contact | 1. Change a new fan motor 2. Check the wire connection and make sure they are in good contact |
| Protect/fault | Fault display | Reason | Elimination methods |
| Drv1 MOP alarm | F01 | MOP drive alarm | Recovery after the 150s |
| Inverter offline | F02 | Frequency conversion board and main board communication failure | Check the communication connection |
| IPM protection | F03 | IPM modular protection | Recovery after the 150s |
| Comp. Driver Failure | F04 | Lack of phase, step or drive hardware damage | Check the measuring voltage check frequency conversion board hardware |
| DC Fan Fault | F05 | Motor current feedback open circuit or short circuit | Check whether current return wires connected motor |
| IPM Overcurrent | F06 | IPM Input current is large | Check and adjust the current measurement |
| Inv. DC Overvoltage | F07 | DC bus voltage>Dc bus over-voltage protection value | Check the input voltage measurement |
| Inv. DC Less voltage | F08 | DC bus voltage<Dc bus over-voltage protection value | Check the input voltage measurement |
| Inv. Input Less volt. | F09 | The input voltage is low, causing the input current is high | Check the input voltage measurement |
| Inv. Input Overvolt. | F10 | The input voltage is too high, more than outage protection current RMS | Check the input voltage measurement |
| Inv. Sampling Volt. | F11 | The input voltage sampling fault | Check and adjust the current measurement |
| Comm. Err DSP-PFC | F12 | DSP and PFC connect fault | Check the communication connection |
| Input Over Cur. | F26 | The equipment load is too large | |
| PFC fault | F27 | The PFC circuit protection | Check the PFC switch tube short circuit or not |
| IPM Overheating | F15 | The IPM module is overheat | Check and adjust the current measurement |
| Weak Magnetic Warn | F16 | Compressor magnetic force is not enough | |
| Inv. Input Out Phase | F17 | The input voltage lost phase | Check and measure the voltage adjustment |
| IPM Sampling Cur. | F18 | IPM sampling electricity is the fault | Check and adjust the current measurement |
| Inv. Temp. Probe Fail | F19 | Sensor is short circuit or open circuit | Inspect and replace the sensor |
| Inverter Overheating | F20 | The transducer is overheat | Check and adjust the current measurement |
| Inv. Overheating Warn | F22 | Transducer temperature is too high | Check and adjust the current measurement |
| Comp. Over Cur. Warn | F23 | Compressor electricity is large | The compressor over-current protection |
| Input Over Cur. Warn | F24 | Input current is too large | Check and adjust the current measurement |
| EEPROM Error Warn | F25 | MCU error | Check whether the chip is damaged Replace the chip |
| V15V over/undervoltage fault | F28 | The V15V is overload or undervoltage | Check the V15V input voltage in the range of 13.5v~16.5v or not |
Appendix
7.1 Parameter List
| Meaning | Default | Remarks |
| Refrigeration target temperature set point | 27°C | Adjustable |
| Heating the target temperature set point | 27°C | Adjustable |
| Automatic target temperature set point | 27°C | Adjustable |
7.2 Cable Specifications
Single Phase Unit
| Nameplate maximum current | Phase line | Earth line | MCB | Creepage Protector | Signal Line |
| No more than 10A | 2 x 1.5mm2 | 1.5mm2 | 20A | 30mA less than 0.1 sec |
n x 0.5mm2 |
| 10~16A | 2 x 2.5mm2 | 2.5mm2 | 32A | 30mA less than 0.1 sec | |
| 16~25A | 2 x 4mm2 | 4mm2 | 40A | 30mA less than 0.1 sec | |
| 25~32A | 2 x 6mm2 | 6mm2 | 40A | 30mA less than 0.1 sec | |
| 32~40A | 2 x 10mm2 | 10mm2 | 63A | 30mA less than 0.1 sec | |
| 40~63A | 2 x 16mm2 | 16mm2 | 80A | 30mA less than 0.1 sec | |
| 63~75A | 2 x 25mm2 | 25mm2 | 100A | 30mA less than 0.1 sec | |
| 75~101A | 2 x 25mm2 | 25mm2 | 125A | 30mA less than 0.1 sec | |
| 101~123A | 2 x 35mm2 | 35mm2 | 160A | 30mA less than 0.1 sec | |
| 123~148A | 2 x 50mm2 | 50mm2 | 225A | 30mA less than 0.1 sec | |
| 148~186A | 2 x 70mm2 | 70mm2 | 250A | 30mA less than 0.1 sec | |
| 186~224A | 2 x 95mm2 | 95mm2 | 280A | 30mA less than 0.1 sec |
Three Phase Unit
| Nameplate maximum current | Phase line | Earth line | MCB | Creepage Protector | Signal Line |
| No more than 10A | 3 x 1.5mm2 | 1.5mm2 | 20A | 30mA less than 0.1 sec |
n x 0.5mm2 |
| 10~16A | 3 x 2.5mm2 | 2.5mm2 | 32A | 30mA less than 0.1 sec | |
| 16~25A | 3 x 4mm2 | 4mm2 | 40A | 30mA less than 0.1 sec | |
| 25~32A | 3 x 6mm2 | 6mm2 | 40A | 30mA less than 0.1 sec | |
| 32~40A | 3 x 10mm2 | 10mm2 | 63A | 30mA less than 0.1 sec | |
| 40~63A | 3 x 16mm2 | 16mm2 | 80A | 30mA less than 0.1 sec | |
| 63~75A | 3 x 25mm2 | 25mm2 | 100A | 30mA less than 0.1 sec | |
| 75~101A | 3 x 25mm2 | 25mm2 | 125A | 30mA less than 0.1 sec | |
| 101~123A | 3 x 35mm2 | 35mm2 | 160A | 30mA less than 0.1 sec | |
| 123~148A | 3 x 50mm2 | 50mm2 | 225A | 30mA less than 0.1 sec | |
| 148~186A | 3 x 70mm2 | 70mm2 | 250A | 30mA less than 0.1 sec | |
| 186~224A | 3 x 95mm2 | 95mm2 | 280A | 30mA less than 0.1 sec |
If the unit is to be installed outdoors, ensure that a UV resistant cable is used.
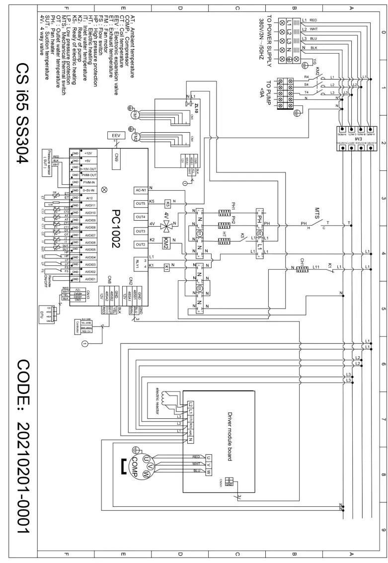
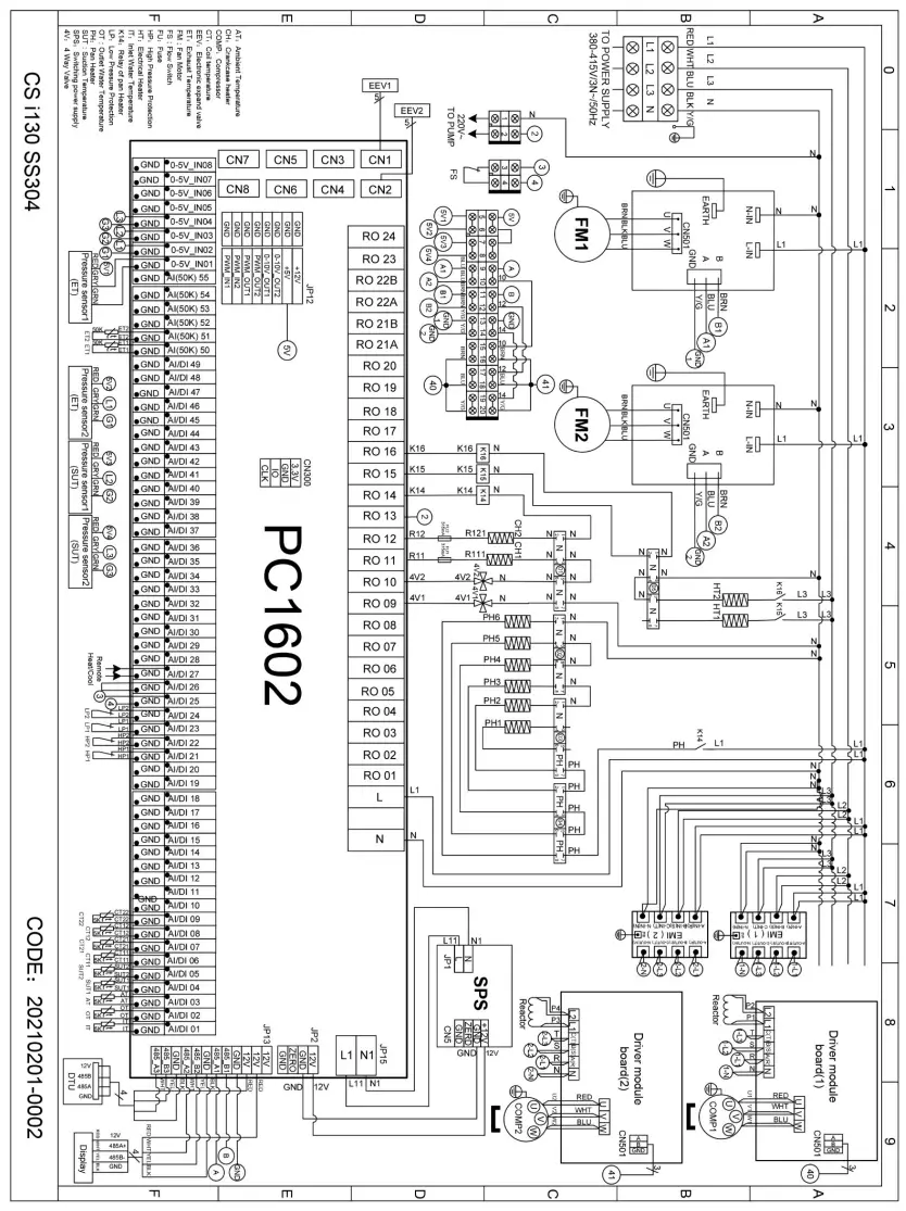
7.3 Wiring Diagrams
7.3.1 CS-i 65

7.3.2 CS-i 130

EvoHeat CS-i Commercial Inverter Series Heat Pump
| Number | Sign | Meaning |
| 01 | OUT1 | Compressor (output 220-230VAC) |
| 02 | OUT2 | Water pump (output 220-230VAC) |
| 03 | OUT3 | 4-way valve (output 220-230VAC) |
| 04 | OUT4 | High speed of fan (output 220-230VAC) |
| 05 | OUT5 | Low speed of fan (output 220-230VAC) |
| 06 | AC-L | Live wire (input 220-230VAC) |
| 07 | AC-N | Neutral wire (input 220-230VAC) |
| 08 | AI/DI01 | Emergency switch (input) |
| 09 | AI/DI02 | Water flow switch (input) |
| 10 | AI/DI03 | System low pressure ¬¬(input) |
| 11 | AI/DI04 | System high pressure (input) |
| 12 | AI/DI05 | System suction temperature (input) |
| 13 | AI/DI06 | Water input temperature (input) |
| 14 | AI/DI07 | Water output temperature (input) |
| 15 | AI/DI08 | System fan coil temperature (input) |
| 16 | AI/DI09 | Ambient temperature (input) |
| 17 | AI/DI10 | Mode switch (input) |
| 18 | AI/DI11 | Master-slave machine switch/antifreeze temperature (input) |
| 19 | AI12 (50K) | System Exhaust temperature (input) |
| 20 | 0_5V_IN | Compressor current detection/pressure sensor (input) |
| 21 | PWM_IN | Master-slave machine switch/feedback signal of EC fan (input) |
| 22 | PWM_OUT | AC fan control (output) |
| 23 | 0_10V_OUT | EC fan control (output) |
| 24 | +5V | +5V (output) |
| 25 | +12V | +12V (output) |
| 26 | CN2 | Frequency conversion board communications |
| 27 | CN8 | Color line controller communication |
| 28 | CN9 | Electronic expansion valve |
| 29 | CN13 | The port for centralized control |
Maintenance
DO I NEED TO GET MY UNIT SERVICED?
It is highly recommended that you get your EvoHeat unit serviced at least once a year by your local certified air conditioning or refrigeration technician. If your unit is located in a coastal area, more frequent maintenance may be necessary.
During the service, they will check the operational pressures of the refrigeration system and give the unit and fins a good clean to ensure maximum performance.
DO WE HAVE RECOMMENDED SERVICE AGENTS?
EvoHeat have a large database of recommended service agents. Please contact EvoHeat tech support on 1300 859 933 for your local service agent details.
SHOULD I CHECK MY UNIT REGULARLY?
We recommend you check your unit regularly to avoid potential issues and damage to your heat pump.
WHAT SHOULD I BE CHECKING REGULARLY?
Ensure that there is water flowing through the heat pump. If there is air or small amounts of water entering into the heat pump it will negatively will influence the unit’s performance and reliability.
The area around the unit should be dry, clean and well-ventilated. Make sure there is nothing blocking the airflow of the heater. Check the condensate pans regularly and clear any leaf litter or debris that may gather there. Check the power supply and cable connection often, should the unit begin to operate abnormally, switch it off and
contact the qualified technician
I AM LOCATED IN A SUB-ZERO CLIMATE, WHAT SHOULD I DO WITH MY UNIT?
Discharge all water in the water pump and water system, so that freezing of the water in the pump or water system does not occur. You should discharge the water at the bottom of water pump if the unit will not be used for an extended period. You should check the unit thoroughly and fill the system with water fully before using it for the first
time after a period of time.
8.1 Energy Saving Tips
If your pool water is allowed to cool significantly, it may take several days to return to the desired swimming temperature. For weekend use, it is more economical to maintain the pool water temperature at or near your desired swimming temperature.
If you do not plan to use your pool for a prolonged period, then you might choose to turn the heat pump completely off or decrease the temperature setting of the control by several degrees to minimize energy consumption.
TIPS
- Use an accurate pool thermometer. A difference of 2ºC, between 26ºC and 28ºC, will significantly increase energy consumption.
- Carefully monitor the water temperature of your pool in the summertime. You can reduce heat pump usage due to warmer air temperatures.
- When the pool is not used for long periods, turn off the heat pump.
- Where possible, shelter the pool from prevailing winds with well-trimmed hedges or other landscaping, cabanas, or fencing.
- Always use a high-quality pool cover when practical. Besides providing a valuable water-saving feature, a pool cover will dramatically reduce heat loss and reduce your pool heating running costs by up to 70%!
Warranty
Please refer to the EvoHeat website for warranty details
- Australia: www.evoheat.com.au
- South East Asia: www.evoheat.com.sg
- Warranty terms are from date of purchase.
- This warranty excludes any defect or injury caused by or resulting from misuse, abuse, neglect, accidental damage, improper voltage, vermin infestation, incompetent installation, any fault not attributable to faulty manufacture or parts, or any modifications which affect the reliability or performance of the unit.
- This warranty does not cover the following:
a. Natural Disasters (hail, lightning, flood, fire etc.)
b. Rust or damage to paintwork caused by a corrosive atmosphere
c. When serviced by an unauthorized person without the permission of Evo Industries
d. When a unit is installed by an unqualified person
e. Where a unit is incorrectly installed
f. When failure occurs due to improper or faulty installation
g. Failure due to improper maintenance (refer Operating Instructions)
h. ‘No Fault Found’ service calls where the perceived problem is explained within the
i. Costs associated with delivery, handling, freighting, or damage to the product in transit. - If warranty service is required you should:
a. contact Evo Industries Australia on 1300 859 933 or via our Contact page on our website
b. provide a copy of your receipt as proof of purchase
c. have completed the online warranty registration or provide a completed warranty card. - Onsite technical service is available within the normal operating area of your Evo Industries Authorized Service Centre. Service outside this area will incur a traveling fee.
- Unless otherwise specified to the purchaser, the benefits conferred by this express warranty and addition to all other conditions, warranties, rights, and remedies expressed or implied by the Trade Practices Act 1974 and similar consumer protection provisions contained in the legislation of the States and Territories and all other obligations and liabilities on the part of the manufacturer or supplier and nothing contained herein shall restrict or modify such rights, remedies, obligations or liabilities.
Warranty Registration
EvoHeat highly recommend customers to complete their warranty details online to ensure efficient warranty claim processing.
To register your warranty, scan our QR Code or head to our website and fill in the
Warranty Registration Form: https://evoheat.com.au/warranty-registration/


| 1300 859 933 | |
| evoheat.com.au | |
| [email protected] |
Evo CS-i 130
Safety Instructions















