TGSDS3 LED Dimmer
Instruction Manual
* Single-Pole or 3-way
* Neutral NOT REQUIRED
SPECIFICATIONS
| Voltage | 120VAC, 60Hz |
| LED/CFL | 200 Watts |
| Incandescent/ Halogen | 300 Watts |
| Wire Gauge | #18 ~ #12 AWG |
WARNING
Turn the power off at the circuit breaker before installing this device.
Read and understand these instructions before installing. This device is intended for installation in accordance with the National Electric Code and local regulations. It is recommended that a qualified electrician performs this installation. Make sure to turn off the circuit breaker or fuse(s) and make sure power is off before wiring the device.
Use copper wire only. No Aluminum.
INPUT: Use wires with minimum rating of 75° C (167° F)
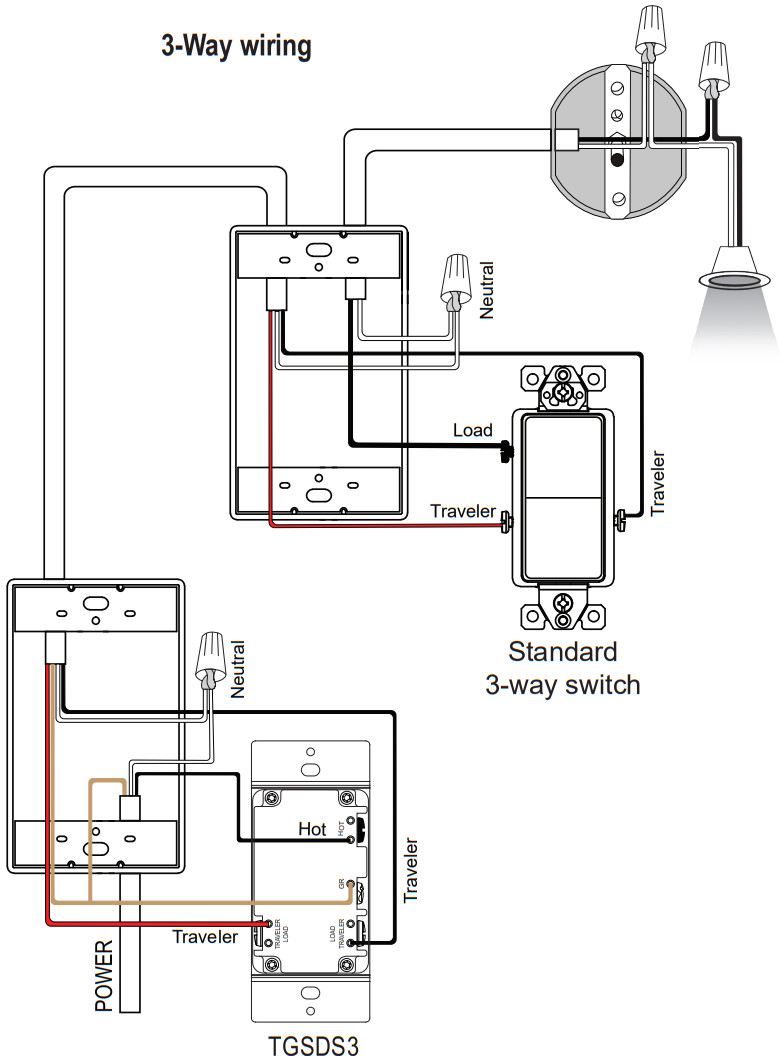
WIRING DIRECTIONS
- Remove the wall plate.
- Remove existing switch from wall box and prior to disconnecting wires, identify the wires and label as needed.
- Remove wires from existing switch.
- Follow the diagram below to connect the TGSDS3
![]() | ![]() |
OPERATING INSTRUCTIONS
Note: Brightness level can be adjusted prior to turning the lights on.
WARRANTY
This device is warranted to be free of material and workmanship defects for 1 year from the date of purchase. Original receipt or proof of purchase from an authorized retailer must be presented upon warranty claim. ALL claims must be verified and approved by Top Greener, Inc. Warranties from other TOPGREENER products may vary. This warranty is nontransferable and does not cover normal wear and tear or any malfunction, failure, or defect resulting from misuse, abuse, neglect, alteration, modification, or improper installation. To the fullest extent permitted by the applicable state law, Top Greener, Inc. shall not be liable to the purchaser or end user customer of TOPGREENER products for direct, indirect, incidental, or consequential damages even if Top Greener, Inc. has been advised of the possibility of such damages. Top Greener, Inc’s total liability under this or any other warranty, express or implied, is limited to repair, replacement or refund. Repair, replacement or refund are the sole and exclusive remedies for breach of warranty or any other legal theory.
![]()
© 2021 Top Greener, Inc.
CA, U.S.A.
WWW.TOPGREENER.COM
0208210163-01![]()




















