merten MEG5300-0001 Universal LED Dimmer Module

Accessories
Complete the universal LED dimmer module with: Mechanical retractive push-buttons in design series of free choice
For your safety
DANGER
Risk of serious damage to property and per-sonal injury, e.g. from fire or electric shock, due to incorrect electrical installation. Safe electrical installation can only be ensured if the person in question can prove basic knowl-edge in the following areas:
- Connecting to installation networks
- Connecting several electrical devices
- Laying electric cables
These skills and experience are normally only possessed by skilled professionals who are trained in the field of electrical installation technol-ogy. If these minimum requirements are not met or are disregarded in any way, you will be solely li-able for any damage to property or personal inju-ry.
DANGER
Risk of death from electric shock. The outputs may carry an electrical current even when the device is switched off. Always discon-nect the fuse in the incoming circuit from the sup-ply before working on connected loads.
Getting to know the dimmer module
The universal LED dimmer module (referred to below as dimmer module) is suitable for installation in a deep in-stallation box. The dimmer module is controlled with me-chanical push-buttons in parallel operation. Ohmic, inductive or capacitive loads can be switched or dimmed with it:

- Dimmable LED lamps Incandescent lamps (ohmic load)
- 230 V halogen lamps (ohmic load)
- Low-voltage halogen lamps with dimmable wound transformer (inductive load)
- Low-voltage halogen lamps with electronic transformer (capacitive load)
The dimmer module automatically recognises the connected load. It is overload-proof, short-circuit-proof, protected from overheating and it has a soft-start function.
The memory function allows the dimmer module to memorise the most recently set brightness value and retrieve it again. You can set the dimming range and adjust the operating mode (from trailing edge phase to leading edge phase).
CAUTION
The dimmer may be damaged!
- Always operate the dimmer according to the technical data provided.
- Connected dimmers may be damaged if you connect a combination of loads (inductive and capacitive) at the same time.
- The dimmer is designed for sinusoidal mains voltages.
- If transformers are used, only connect dimmable transformers to the dimmer.
- Dimming socket outlets is prohibited. The risk of overload and connecting unsuitable dimmers is too high.
- If a terminal is used for looping, the insert must be protected with a 10 A circuit breaker.
Connections, displays and operating elements

- A Programming push-button
- B Status LED
- C Function potentiometer
Mounting the dimmer module
Do not connect more than three dimmer modules to one cable with 16 A fuse protection. If you do not install the dimmer module in a single, standard flush mounting box, the maximum per-missible load is reduced due to the restricted heat dissipation:
| Load reduced by | When installed |
| 25% | In cavity walls* |
| Several installed together in combi- nation* | |
| 30% | In 1-gang or 2-gang surface-mount- ed housing |
| 50% | In 3-gang surface-mounted housing |
If more than one factor applies, add the load reductions together.
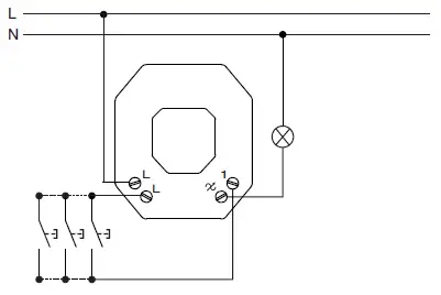
Wiring the dimmer module

Installing the dimmer module

Setting the dimmer module
DANGER
Risk of fatal injury from electric shock. When setting the operating mode or operating the dimmer module by means of the installed programming push-button, pay attention to particular rules for live working. Only press the programming push-button with an insulated pin, for example an insulated screwdriver that meets the requirements of EN 60900.
Setting the dimming range
The dimming range of the dimmer module can be adjusted. Depending on the dimming range of the lamp, malfunctions may occur for values near the maximum and minimum brightness. (Refer to the chapter “What should I do if there is a problem
Setting the minimum and maximum brightness

The circuit breaker is switched on. (Live working.)
- Make sure that the connected load is turned off with the programming push-button.
- Set the function potentiometer to MIN or MAX.
- Press the programming push-button shortly 3 times. The dimmer module is in programming mode. The status LED flashes according to the operating mode (see “Displaying the operating mode”).
- According to selection in step 2: Set the minimum or maximum lamp brightness by holding down the programming push-button.
- The new value will be automatically saved after 8 seconds if the programming push-button is not pressed again during this time. The connected load is automatically switched off. The status LED lights up for 2 seconds.
Operating mode
The default setting of the dimmer module is the RC mode. The dimmer module automatically recognises inductive load (RL mode). However, not all lamps will work proper with the automatically recognised load. In this case you can switch the operating mode to RL LED.
Displaying the operating mode

The circuit breaker is switched on. (Live working!)
- Make sure that the connected load is turned off with the programming push-button.
- Press the programming push-button shortly 3 times. The status LED displays the current operating mode. It flashes briefly 1-3 times depending on the operating mode.
Switching the operating mode to RL LED mode

The circuit breaker is switched on. (Live working!)
- Make sure that the connected load is turned off with the programming push-button.
- Set the function potentiometer to RL(LED).
- Press the programming push-button shortly 3 times. The dimmer module is in programming mode. The status LED flashes according to the operating mode (see “Displaying the operating mode”).
- Press the programming push-button for 3 seconds. The status LED lights up for 2 seconds.
The operating mode is switched to “leading edge phase for LED lamps” (RL LED mode). In the operating mode “leading edge phase for LED lamps” (RL LED mode), LED lamps can only be connected at up to 10% of the maximum permissible dimmer load.
Resetting to default mode

The circuit breaker is switched on. (Live working!)
- Make sure that the connected load is turned off with the programming push-button.
- Set the function potentiometer to RESET.
- Press the programming push-button shortly 3 times. The dimmer module is in programming mode. The status LED flashes according to the operating mode (see “Displaying the operating mode”).
- Press the programming push-button for 3 seconds. The status LED lights up for 2 seconds.
The operating mode is switched to “trailing edge phase” (RC mode) and the minimum/maximum brightness value is reset.
DANGER
Risk of death from electric shock. However the device is turned off there might be full voltage at the output. Always turn the device in the status of voltage free before starting with work.

Operating the dimmer module

- A Short press: switching on or off
- B Long press: dimming up or down
What should I do if there is a problem
The dimmer dims down regularly during operation and cannot be dimmed up again.
Allow the dimmer to cool down and reduce the connected load.
The load cannot be switched back on.
- Allow the dimmer to cool down and reduce the connected load.
- Rectify any possible short circuits.
- Renew defective loads.
The load is dimmed to the minimum brightness.
- The circuit is overloaded. -> Reduce load.
- The circuit falls short of the minimum load. -> Increase load.
- Dimming range is incorrect. -> Reduce maximum brightness value.
The load flickers at minimum brightness.
The circuit falls short of the minimum possible brightness value. Increase minimum brightness value (set dimming range).
The load flickers continuously. Incorrect operating mode set.
- Switch operating mode to “leading edge phase for LED lamps” (RL LED mode).
- Alternatively, reset operating mode to default.
The load can only be dimmed slightly.
- Set dimming range.
- Switch operating mode to “leading edge phase for LED lamps” (RL LED mode).
- Alternatively, reset operating mode to default and set dimming range again
Technical data
- Nominal voltage: AC 230 V ~, 50 Hz
- Switching capacity:
- LED lamps (RC mode): 4-100 VA
- LED lamps (RL LED mode): 4-20 VA
- Incandescent lamps: 5-200 W
- 230 V halogen lamps: 5-150 W
- LV halogen lamps with dimmable wound transformer: 5-200 VA
- LV halogen lamps with electronic transformer: 5-200 VA
- Neutral conductor: not required
- Connecting terminals: screw terminals for max. 2.5 mm2
- Extension connection: mechanical push-buttons
- Total cable sections: max. 20 m for 3-wire NYM cable
- Fuse protection: 16 A circuit breaker
- Dimensions (HxWxD): 44.5 x 39.5 x 20 mm
- Properties:
- Short-circuit-proof
- Overload-proof
- Soft start
- Resistant to overheating
- Automatic load detection
Dimmer tool
Merten has tested numerous dimmable LED and energy saving lamps. The dimmer tool provides information on dimmable lamps and the minimum and maximum number of individual lamp models.

http://merten.de/Dimmer-Test.dimmertest.0.html
DISPOSAL
Dispose of the device separately from household waste at an official collection point. Professional recycling protects people and the environment against potential negative effects.
Schneider Electric GmbH c/o Merten
Gothaer Straße 29, 40880 Ratingen
Customer care centre:
Phone: +49 2102 – 404 6000




















