CLAUDGEN RAC0603 Recessed Warm Air Curtains
General Information
Introduction
The heaters are designed for discreet positioning in a suspended ceiling or bulkhead in the doorways of retail or commercial premises. Overall energy saving is likely when the heater is sited above a frequently opened external door as the airstream can prevent heat loss. It will fit a recess as shallow as 195mm.
Health and Safety
Sole liability rests with the installer to en- sure that all site safety procedures are ad- hered to during installation. Sole liability rests with the installer to ensure that protective safety wear such as hand, eye, ear, and head protection is used during the installation of the product. Do not rest anything, especially ladders against the product.
General
All installations must be in accordance with the regulations in force in the country of use. These instructions must be handed to the user on completion of the installation. Installers and service engineers must be able to demonstrate competence and be suitably qualified in accordance with the regulations in force in the country of use. To ensure continued and safe operation it is recommended that the appliance is serviced annually. ( See 7.1 ) The heater outlet/inlet must not be obstructed during use.
Electrical Supply
The electrical supply is 230/240V single phase, Neutral and Earth. The maximum cable inlet size is 4mm². It is recommended that the electrical supply to the base unit in the heater is via an appropriately switched isolator in accordance with the regulations in force in the country of use and must be via a fused isolator having a contact separation of greater than 3mm on all poles. There are no exceptions. BMS control, time switches, room thermostats, and door interlocks can be installed at the discretion and responsibility of the installer. All units must be wired in accordance with I.E.E regulations for the Electrical Equipment of Buildings and the installer should ensure that a suitable isolating switch is connected in the mains supply.
Controller `RX` models
The RAC0603RX, RAC0604RX, and RAC1006RX heaters
are supplied without a controller. The `RX` models will not work without the controller. See section 6.1 for more details. CONSORT CRXSL Wireless controller 
RX Controller Location
It is essential the Controller is positioned in the same room as the air curtain. It should be where its temperature will not be changed with local effects. Avoid:
- Draughty places near windows or doors
- Places near the air curtain itself or any other heat sources in the room
- Places where the sun will shine on it
- Places where it may get wet

Controller standard models
The RAC0603, RAC0604, and RAC1006 heaters are supplied with a remote controller. The remote control unit houses 3 double pole 20A rocker switches. The heater can also be controlled remotely via BMS or any controls with contacts rated at 20A for RAC0603, RAC0604 and 30A for RAC1006. The controller is wired to the base unit via an appropriately sized cable specified by the current IEE stand-ard.
Clearance Distances
It is recommended that a minimum clearance of 100mm is allowed around the case and 55mm above. The clearance allows for cable entry and prevents combustible surfaces from overheating. The minimum mounting height (floor to the grille) is 2m. The maximum mounting height is 3m.
Dimensions
Air Curtain Dimensions 

Installation Details
Mounting
All units should be installed horizontally directly over the door opening. It is recommended that the air curtain is installed on the inside of the building, within the open room space against a wall or ceiling. Care must be taken to allow complete free air movement into the inlet grilles of the unit to ensure correct working operation of the air curtain. The discharge opening should be as close to the top of the door as possible and cover the entire door width. Units can be mounted adjacent to each other to cover the full door opening across wider entrances. The weight of the RAC0603 and RAC0604 is 8kg The weight of the RAC1006 is 11.5kg
Electrical Installation
These units are suitable for connection to 230/240 Volt 50 Hz single phase supply. The appliance shall be connected to the supply via an appropriate switched fused double pole isolator having a contact separation of greater than 3mm. Test for correct operation and refit the grille. For connection to the mains supply it will be necessary to remove the grille from the unit. It will be necessary to connect the mains supply and the lead from the controls prior to refitting the cover. Wire in accordance to wiring diagrams. For safety reasons, a sound earth connection must always be made to the unit before it is put to use. The unit should be wired in accordance with IEE Regulations for the Electrical Equipment of Buildings.




Installation
It is the sole responsibility of the installer to ensure that the points of attachment to the building are sound. Consultation with the consultant/architect or owner of the building is recommended to ensure that a sound, mechanically stable installation is achieved.
Before fitting or wiring the air curtain, ensure the outlet is facing the doorway as on fig 1
and see the general installation guidance notes. Using a positive screwdriver slacken the two M5 screws in the corners near air inlet side and remove the two M5 screws in the opposite corners near the outlet. Slide the lid sideways until the keyhole slots pass over the screw heads. The grille assembly can now be removed from the case. (fig 3)
Each unit has 2 fixing brackets from which it is suspended. The brackets may be removed to assist in passing the air curtain through the recess then reattached when in-situ. Either drop rods or catenary wire can be used to fasten the air curtain to the ceiling support structure. The height between the ceiling face and the top of the air curtain case needs to be adjusted to circa 140mm to enable the grille assembly to fit flush with the ceiling. Adjust accordingly. After fitting the product in the ceiling recess and ad-justing the height to ensure that the grille sits flush to the ceiling (when re-fitted) take the grille assembly and refit using the screws removed.
Electrical Connections
Electrical connections
With the grille removed, connect the electrical supply and controls wiring to the appropriate terminals (see relevant wiring diagram section). The unit has four holes for the cable entry, two on the top and two on the side. Cable entry may be moved to the alternative position if desired (see Fig.8 drawing).
An EARTH lead is connected to the lid from the unit body via a push-on the connection at the grille. When re-placing the grille onto the unit ensure the EARTH lead is re-connected. (see Fig.7 )
Electrical supply is 230/240V single phase, Neutral and Earth. The maximum cable inlet size is 4mm².
Electrical Connections
Electrical connections for standard models
Electrical connections without using the remote switch standard models
If the heaters are to be controlled by means other than the remote switch supplied, eg BMS, then the heat output can be selected by connecting the appropriate terminals.
Fig.12 Wiring of the heaters without using remote switch
| WIRED TERMINALS | RAC0603 | RAC0604 | RAC1006 |
| H1 + H2 + F | 3000W | 4500W | 6000W |
| H1 + F | 1000W | 1500W | 2000W |
| H2 + F | 2000W | 3000W | 4000W |
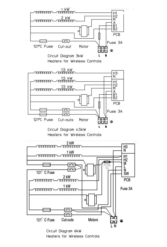
Electrical Connections
Electrical connections for wireless control models 
Operation
WARNING
The heaters rely upon the circulation of relatively cool air to operate efficiently. If the heater is being used in a small space or where there isn’t constant traffic through doors it is advised that independent temperature control is fitted close to the heater to disable or reduce the heat output if the room temperature is too high.
Models for wireless controls
The wireless controlled models RAC0603RX, RAC0604RX, and RAC1006RX can be controlled by CONSORT wireless controller CRXSL The heaters will not work without a controller. Each controller has a unique identification code, it can control an unlimited number of heaters in the same room and will not interfere with other controllers within the building. For more details please follow the instructions supplied with the controller.
Standard models
All standard RAC heaters are supplied with a remote switch that gives the following functions; On/off, fan only, and heat. For thermostatic control, a room thermostat of appropriate switch rating may be connected to the circuit. The thermostat should be wired between the isolator switch and the heater remote switch. For RAC0604 and RAC1006, or to control more than one RAC0603 heater by a thermostat, a contractor or a relay in conjunction with the thermostat should be used.

To switch on the appliance and operate the blower, depress the left-hand switch (marked “FAN”). When the center switch only (marked with a single bar) is depressed the heat output is ⅓ of full heat. RAC0603 – 1kW, RAC0604 – 1.5kW, RAC1006 – 2kW When the right-hand switch only (marked with a dou-ble bar) is depressed the heat output is ⅔ of full heat. RAC0603 – 2kW, RAC0604 – 3kW, RAC1006 – 4kW When both the center switch and the right-hand switch are depressed the full heat output is available. RAC0603 – 3kW, RAC0604 – 4.5kW, RAC1006 – 6kW The RAC0604 has an additional operating feature protecting the heater from overheating. In the event of the temperature around the heater reaching excessive levels, the heater will automatically reduce its heat output until the temperature in the heater reduces.
Servicing & Maintenance
Maintenance
ALWAYS ENSURE THAT THE MAIN EXTER-NAL ELECTRICITY SUPPLY IS SWITCHED OFF BEFORE COMMENCING ANY MAINTE-NANCE ON THIS HEATER. To obtain the best results from the heater, it is essential to avoid the accumulation of dust and dirt within the unit on the air inlet and discharge grilles. For this reason regular cleaning is necessary, pay-ing particular attention to the removal of dirt build up on the rotor blades. Cleaning of the fan is best carried out with a soft brush. The product should be serviced annually. Servicing shall be undertaken by a competent per-son.
General
If the air curtain does not operate after switching on, then a suitably competent service engineer should be called to identify the nature of the fault. All Air Curtains are fitted thermal cut-outs and motor thermal protection. Other faults in relation to the element, motor and wiring should be identified using conventional fault finding techniques. In the event that electrical components are replaced, please ensure that electrical safety checks in ac-cordance with the regulations in force in the country of use are undertaken.
Thermal and fault protection
The units are protected from overheating in the event of fan failure or an obstruction of the free air-flow by thermal cut-outs. If this happens, the thermal cut-outs effectively switch off the appliance by disconnecting power to the control circuit. The appliance will not operate until the thermal cut-outs are manually reset. This should be done by a competent electrician. The heaters are also protected by thermal fuses to prevent catastrophic failure. The thermal fuse will trip and disconnect power to the affected heater. Thermal fuses are not resettable.
Fault Conditions
If the heater will not operate, disconnect it from the mains and arrange for a certified electrician to attend to investigate the reason. Replacing Fan Heater Assembly
Remove the lid.
Disconnect the internal wiring from the main terminal block. Remove the four nuts and washers fixing the fan heater assembly to the back of the case. The fan heat-er assembly can now be eased forward and removed from the heater case. Fit replacement fan heater and reassemble in reverse order.
Noise Levels
Sound pressure levels dBA are measured at a 3m dis-tance with a single air curtain mounted at its maximum mounting height, operating in a room with average acoustic characteristics as defined in CIBSE Guide B5 (reverberation time 0.7s at 1kHz) and a room size equivalent to 8 air changes per hour (ac/h). The dB meter must not be in the direct airflow of the heater. Care needs to be taken when selecting air curtains for an installation as noise levels can be several dB higher if the mounting height is reduced, if the room is more
‘live’ (i.e. hard surfaces, no furnishings or absorbent materials), if the room is smaller than 8 ac/h equivalent or a combination of these factors. Noise levels will also increase if more than one air curtain is installed at the same doorway (e.g. +3dBA for 2 equal point sources: direct field).
Spares
It is essential when ordering spares or replacement parts to state the model number and the serial number on the rating label fixed to the top of the unit. In the interest of progress the Company reserve the right to vary specifications from time to time without notice. The material listed is offered subject to the Company’s General Conditions of Sale, a copy of which can be obtained on request.
Consort Equipment Products Ltd
Registered Office: Thornton Industrial Estate Milford Haven, Pembrokeshire, SA73 2RT
Tel: 01646 692172 Fax: 01646 695195
BS EN ISO 9001 Registered Company No FM12671




























