CLAUDGEN RAC1509 Recessed Warm Air Curtains
General Information
Introduction
The heaters are designed for discreet positioning in a suspended ceiling or bulkhead in the doorways of retail or commercial premises. Overall energy saving is likely when the heater is sited above a fre-quently opened external door as the airstream can prevent heat loss. It Will fit a recess as shallow as 195mm.
Health and Safety
Sole liability rests with the installer to ensure that all site safety procedures are ad- hered to during installation. Sole liability rests with the installer to en- sure that protective safety wear such as hand, eye, ear and head protection is used during the installation of the product. Do not rest anything, especially ladders against the product.
General
All installations must be in accordance with the regulations in force in the country of use. These instructions must be handed to the user on completion of the installation. Installers and service engineers must be able to demonstrate competence and be suitably qualified in accordance with the regulations in force in the country of use. To ensure continued and safe operation it is recommended that the appliance is serviced annually. The heater outlet/inlet must not be obstructed during use.
Electrical Supply
The electrical supply for RAC1509 and RAC1512 is either 230V single phase or 415V three-phase, Neutral and Earth. Max cable inlet size is 4mm² for 1 – 4 terminals and 10mm² for L and N terminals.
It is recommended that the electrical supply to the base unit in the air curtain is via an appropriately switched isolator having a contact separation of greater than 3mm on all poles. BMS control, time switches, room thermostats and door interlocks can be installed at the discretion and responsibility of the installer. All units must be wired in accordance with I.E.E regulations for the Electrical Equipment of Buildings and the installer should ensure that a suitable isolating switch is connected in the mains supply.
Controller
The RAC1509 and RAC15125 heaters are supplied with a remote controller. The remote control unit houses 3 single pole and 1 change over 10A rocker switches. The controller is wired to the base unit via 0.75mm² 5 core PVC flexible cable. 
Clearance Distances
It is recommended that a minimum clearance of 55mm is allowed around the case. The clearance allows for cable entry and prevents combustible surfaces from overheating. The minimum mounting height (floor to grille) is 2m. The maximum mounting height is 3.4m.
Dimensions
Air Curtain Dimensions


Installation Details
Location
All units should be installed horizontally directly over the door opening. It is recommended that the air curtain is installed on the inside of the building, within the open room space, against a wall or ceiling. Care must be taken to allow complete free air movement into the inlet grilles of the unit to ensure correct working operation of the air curtain. The discharge opening should be as close to the top of the door as possible and cover the entire door width. Units can be mounted adjacent to each other to cover the full door opening across wider entrances. The weight of the RAC13 heaters is 20kg
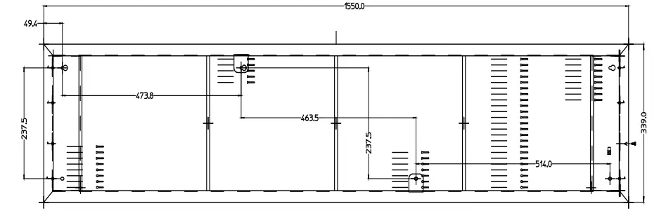
Mounting cut out dimensions
Air discharge

ENSURE AIR OUTLET LOUVRES ARE NEAREST TO DOOR APPERTURE.
Grille fixing

Slacken these screws.
Slide grille sideways until grille keyhole slots pass over screw heads and grille can be removed from the unit. An EARTH lead is connected to the grille from the unit body with push-on the connection at grille. When replacing the grille onto the unit ensure the EARTH lead is re-connected.
Installation Details
- It is the sole responsibility of the installer to ensure that the points of attachment to the building are sound. Consultation with the consultant/architect or owner of the building is recommended to ensure that a sound, mechanically stable installation is achieved.
- Before fitting or wiring the air curtain, ensure the outlet is facing the doorway as on fig 1 and see the general installation guidance notes.
- Using a positive screwdriver slacken the three M5 screws in the corners near air inlet side and remove the three M5 screws in the opposite corners near the outlet. Slide the lid sideways until the
- keyhole slots pass over the screw heads. The grille assembly can now be removed from the case. (fig 3)
- Each unit has 2 fixing brackets from which it is suspended. The brackets may be removed to assist in passing the air curtain through the recess then reattached when in situ.
- Either drop rods or catenary wire can be used to fasten the air curtain to the ceiling support structure.
- The height between the ceiling face and the top of the air curtain case needs to be adjusted to circa 140mm to enable the grille assembly to fit flush with the ceiling. Adjust accordingly.
- After fitting the product in the ceiling recess and adjusting the height to ensure that the grille sits flush to the ceiling (when re-fitted) take the grille assembly and refit using the screws removed.
Fixing points

Wire fixing

Rod fixing

Electrical Connections
Electrical connections
With grille removed, connect the electrical supply and controls wiring to the appropriate terminals (see relevant wiring diagram section).
The unit has four holes for the cable entry, two on the top and two on the side. Cable entry may be moved to the alternative position if desired (see Fig.8 drawing). 
An EARTH lead is connected to the lid from the unit body via a push on the connection at grille. When re-placing the grille onto the unit ensure the EARTH lead is re-connected. (see Fig.7 )
Electrical connections for standard models
Remote switch wiring:

Three Phase connection:
Single Phase connection

Electrical connections without using the remote switch standard models
If the heaters are to be controlled by means other than the remote switch supplied, eg BMS, then the heat output can be selected by connecting the appropriate terminals.
Fig.12 Wiring of the heaters without using remote switch
| WIRED TERMINALS | RAC1309 | RAC1312 |
| 2 +3 + 4 or 5 | 9000W | 12000W |
| 2 + 4 or 5 | 3000W | 4000W |
| 3 + 4 or 5 | 6000W | 8000W |
Electrical connections label
Earth connection

Operation
Controls
All RAC15 heaters are supplied with a remote switch that gives the following functions; On/off, fan, fan boost and heat. For thermostatic control, a room thermostat with a 6A switch rating may be connected to the circuit. The thermostat should be wired between terminal 1 and the heater remote switch. To switch on the appliance and operate the blower, depress the left-hand switch (marked “on/off”).
- To change the fan speed use fan/boost switch.
- When the heat 1 switch only (marked with a single bar) is depressed the heat output is ⅓ of full heat. RAC1509 – 3kW,RAC1512 – 4kW
- When the heat 2 switch only (marked with a double bar) is depressed the heat output is ⅔ of full heat. RAC1509 – 6kW,RAC1512 – 8kW
- When both heat switches are depressed the full heat output is available.
Servicing & Maintenance
Maintenance
ALWAYS ENSURE THAT THE MAIN EXTERNAL ELECTRICITY SUPPLY IS SWITCHED OFF BEFORE COMMENCING ANY MAINTE-NANCE ON THIS HEATER.
To obtain the best results from the heater, it is essential to avoid the accumulation of dust and dirt within the unit on the air inlet and discharge grilles. For this reason regular cleaning is necessary, pay-ing particular attention to the removal of dirt build-up on the rotor blades. Cleaning of the fan is best carried out with a soft brush. The product should be serviced annually. Servicing shall be undertaken by a competent person.
General
If the air curtain does not operate after switching on, then a suitably competent service engineer should be called to identify the nature of the fault. All Air Curtains are fitted with thermal cut-outs and motor thermal protection. Other faults in relation to the element, motor and wiring should be identified using conventional fault finding techniques. In the event that electrical components are replaced, please ensure that electrical safety checks in accordance with the regulations in force in the country of use are undertaken.
Thermal and fault protection
The units are protected from overheating in the event of fan failure or obstruction of the free air flow by thermal cut-outs. If this happens, the thermal cut-outs effectively switch off the appliance by disconnecting power to the control circuit. The appliance will not operate until the thermal cut-outs are manually reset. This should be done by a competent electrician. The heaters are also protected by thermal fuses to pre-vent catastrophic failure. The thermal fuse will trip and disconnect power to the affected heater. Thermal fuses are not resettable.
Fault Conditions
If the heater will not operate, disconnect it from the mains and arrange for a certified electrician to attend to investigate the reason.
Replacing Fan Heater Assembly
Remove the lid. Disconnect the internal wiring from the main terminal block. Remove the four nuts and washers fixing the fan heater assembly to the back of the case. The fan heater assembly can now be eased forward and removed from the heater case. Fit replacement fan heater and reas-semble in reverse order.
Spares
It is essential when ordering spares or replacement parts to state the model number and the serial number on the rating label fixed to the top of the unit.
In the interest of progress the Company reserve the right to vary specifications from time to time without no-tice. The material listed is offered subject to the Compa-ny’s General Conditions of Sale, a copy of which can be obtained on request.
Noise Levels
Sound pressure levels dBA are measured at a 3m distance with a single air curtain mounted at its maximum mounting height, operating in a room with average acoustic characteristics as defined in CIBSE Guide B5 (reverberation time 0.7s at 1kHz) and a room size equivalent to 8 air changes per hour (ac/h). The dB meter must not be in the direct airflow of the heater. Care needs to be taken when selecting air curtains for an installation as noise levels can be several dB higher if the mounting height is reduced, if the room is more ‘live’ (i.e. hard surfaces, no furnishings or absorbent materials), if the room is smaller than 8 ac/h equivalent or a combination of these factors. Noise levels will also increase if more than one air curtain is installed at the same doorway (e.g. +3dBA for 2 equal point sources: direct field).
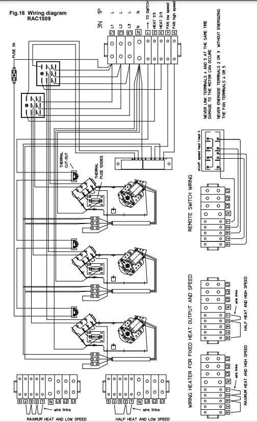
Wiring diagram RAC1509

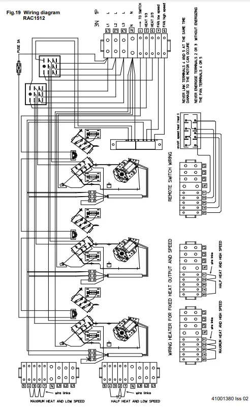
Wiring diagram RAC1512




















