Electric Heat Air Curtain
User Manual

Ambient, unheated
Electrically heated 3-18 kW
Water heated
Lengths: 1, 1,5 and 2 metres
Thermozone® AD 200 A/E/W
Air curtains for installation heights up to 2,5 meters
AD200 is an air curtain with a modern design for mounting over entry doors and other small doors with a height of up to 2,5 meters.
AD200 creates an air barrier, which effectively prevents cold draughts and ensures comfortable heating inside the door. Energy losses through openings are reduced, which means considerable savings. An adjustable air blower grille makes it possible to direct the air for an optimal air curtain effect.
An AD200 with a heater also contributes to the heating of a room. With AD200A without heat, it is possible to significantly reduce energy losses through openings in refrigerated rooms or openings in air-conditioned rooms.
AD200 can be built into false ceilings. For wide openings, it is possible to mount several units beside each other and control them with a single thermostat and control panel. The three different product lengths make it possible to cover openings of different widths. AD210C is a compact model with a built-in thermostat and control panel and equipped with cable and plug (AD210C05 cable only).
- Low sound level.
- Corrosion-proof housing made of hot zinc-plated and powder-coated steel panels. Colour: RAL 9016.
- Adjustable distance between mounting brackets.
- Easy to mount.
- Compact and easily positioned.
- Easy maintenance.
- Optimized airflow with Thermozone technology.
Air velocity profile

| AD 200 A/E | AD 200 W |
| 10,5 m/s | 9,0 m/s |
| 7,4 m/s | 6,5 m/s |
| 5,5 m/s | 4,9 m/s |
| 4,6 m/s | 4,0 m/s |
| 4,0 m/s | 3,5 m/s |
| 3,5 m/s | 3,0 m/s |
Design and specifications are subject to change without notice.
Technical specifications
Thermozone AD 200 A, ambient unheated ![]()
| Type | Output | Airflow | Sound level*1 | Voltage | Amperage | Length | Weight |
| [kW] | [m3/h] | [dB(A)] | [V] | [A] | [mm] | [kg] | |
| AD210A | 0 | 900/1400 | 41/51 | 230V~ | 0,5 | 1020 | 12 |
| AD215A | 0 | 1300/2100 | 43/53 | 230V~ | 0,6 | 1530 | 16 |
| AD220A | 0 | 1800/2800 | 44/54 | 230V~ | 1,0 | 1960 | 28 |
Technical specifications
Thermozone AD 200 E/C, electrically heated ![]()
| Type | Output steps | Airflow | Sound level*1 | ∆t*2 | Voltage | Amperage | Length | Weight |
| [kW] | [m3/h] | [dB(A)] | [°C] | [V] | [A] | [mm] | [kg] | |
| AD210C03 | 0/2/3 | 900/1400 | 41/47 | 10/6 | 230V~ | 13,5 | 1020 | 13 |
| AD210C05 | 0/3/4,5 | 900/1400 | 41/47 | 15/10 | 230V~ | 20,1 | 1020 | 13 |
| AD210E03 | 0/1,5/3 | 900/1400 | 41/51 | 10/6 | 230V~/400V3N~*3 | 13,5/4,8 | 1020 | 13 |
| AD210E06 | 0/3/6 | 900/1400 | 41/51 | 20/13 | 400V3N~*3 | 9,2 | 1020 | 14 |
| AD210E09 | 0/4,5/9 | 900/1400 | 41/51 | 30/19 | 400V3N~*3 | 13,5 | 1020 | 16 |
| AD215E05 | 0/2,3/4,5 | 1300/2100 | 43/53 | 10/6 | 400V3N~*3 | 7,1 | 1530 | 19 |
| AD215E09 | 0/4,5/9 | 1300/2100 | 43/53 | 20/13 | 400V3N~*3 | 13,6 | 1530 | 23 |
| AD215E14 | 0/6,7/13,5 | 1300/2100 | 43/53 | 34/21 | 400V3~ +230V~ | 20,0 | 1530 | 23 |
| AD220E12 | 0/6/12 | 1800/2800 | 44/54 | 20/13 | 400V3~ +230V~.*4 | 18,2 | 1960 | 32 |
| AD220E18 | 0/9/18 | 1800/2800 | 44/54 | 30/19 | 400V3~ +230V~,*4 | 26,9 | 1960 | 32 |
Technical specifications
Thermozone AD 200 W, water heated ![]()
| Type | Output*5 | Airflow | Sound level*1 | ∆t*2,5 | Water volume | Voltage | Amperage | Length | Weight |
| [kW] | [m3/h] | [dB(A)] | [°C] | [l] | [V] | [A] | [mm] | [kg] | |
| AD210W | 7 | 750/1200 | 38/49 | 23/19 | 0,5 | 230V~ | 0,5 | 1020 | 15 |
| AD215W | 12 | 1100/1800 | 40/51 | 24/19 | 0,9 | 230V~ | 0,6 | 1530 | 21 |
| AD220W | 15 | 1500/2400 | 41/52 | 23/19 | 1,1 | 230V~ | 1,0 | 1960 | 31 |
- Conditions: The distance to the unit 5 meters. Directional factor: 2. Equivalent absorption area: 200 m
- ∆t = temperature rise of passing air at maximum heat output and lowest/highest airflow.
- Or 400V3~ + 230V~ if the current is greater than 16 A.
- Heating elements are divided and powered by two separate supplies.
- Applicable at water temperature 80/60 °C, air temperature in +15 °C.
Protection class AD200A/W: (IP21)
Protection class AD200E: (IP21)
Approved by SEMKO and CE compliant.

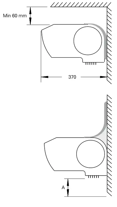
Dimensions
Ambient/Electric

Mounting and installation

Fig. 1: Minimum mounting distance
| Type | A (mm) |
| AD210C03 | min 50 |
| AD210C05 | min 50 |
| AD210E03 | min 50 |
| AD210E06 | min 50 |
| AD210E09 | min 100 |
| AD215E05 | min 50 |
| AD215E09 | min 50 |
| AD215E14 | min 100 |
| AD220E12 | min 50 |
| AD220E18 | min 100 |
Mounting
Thermozone AD200 can be permanently mounted on the wall or on the ceiling using threaded drop rods together with a suspension kit, see next page. The air curtain can also be built into false ceilings, see Fig. 2. The unit can only be mounted horizontally, with the air outlet directed downwards. The minimum distance from the outlet to flammable material is 50 mm. The distance between the mounting brackets is adjustable, which simplifies mounting. Brackets suitable for each unit are included on delivery. The 2-meter units should be fitted using three fixing points. For best effect, the air curtain should cover the full width of the door and be placed as close to the opening as possible. For wider openings, it is possible to place several units beside each other to create a continuous air curtain. The units should then be positioned as close together as possible.
Connection AD 200E ![]()
The appliance should be isolated by a triple pole switch with at least 3 mm breaking gap. Connection is made through knockouts on the top side of the unit. For connection to the supply terminal block, a cable of a maximum 16 mm 2 is used. For connection to the control terminal block, a cable of a maximum of 4 mm 2 is used. For units with electrical heating, power and control should normally be supplied separately. For smaller units (current below 16 A), the supply could be common for both power and control, see technical specifications. For AD220E heating elements are divided and powered by two separate supplies. See wiring diagrams and dimension drawings.
Connection ![]()
AD 200W 2 The control cable is connected via a knockout on the top side to the right (seen from inside the building). Connections (DN15 (1/2”), inside thread) to the water heating coil are located on the top of the unit to the left (seen from inside the building). See wiring diagrams and dimension drawings. See page for control kits and the chapter on Controls and accessories for further information.
Mounting with a suspension kit (extra)
ADPK1

Complete control kits
Ambient ![]()
airflow is controlled manually. Complete control kit:
– CB30N, control box, controls the airflow in 3 steps
Electric ![]()
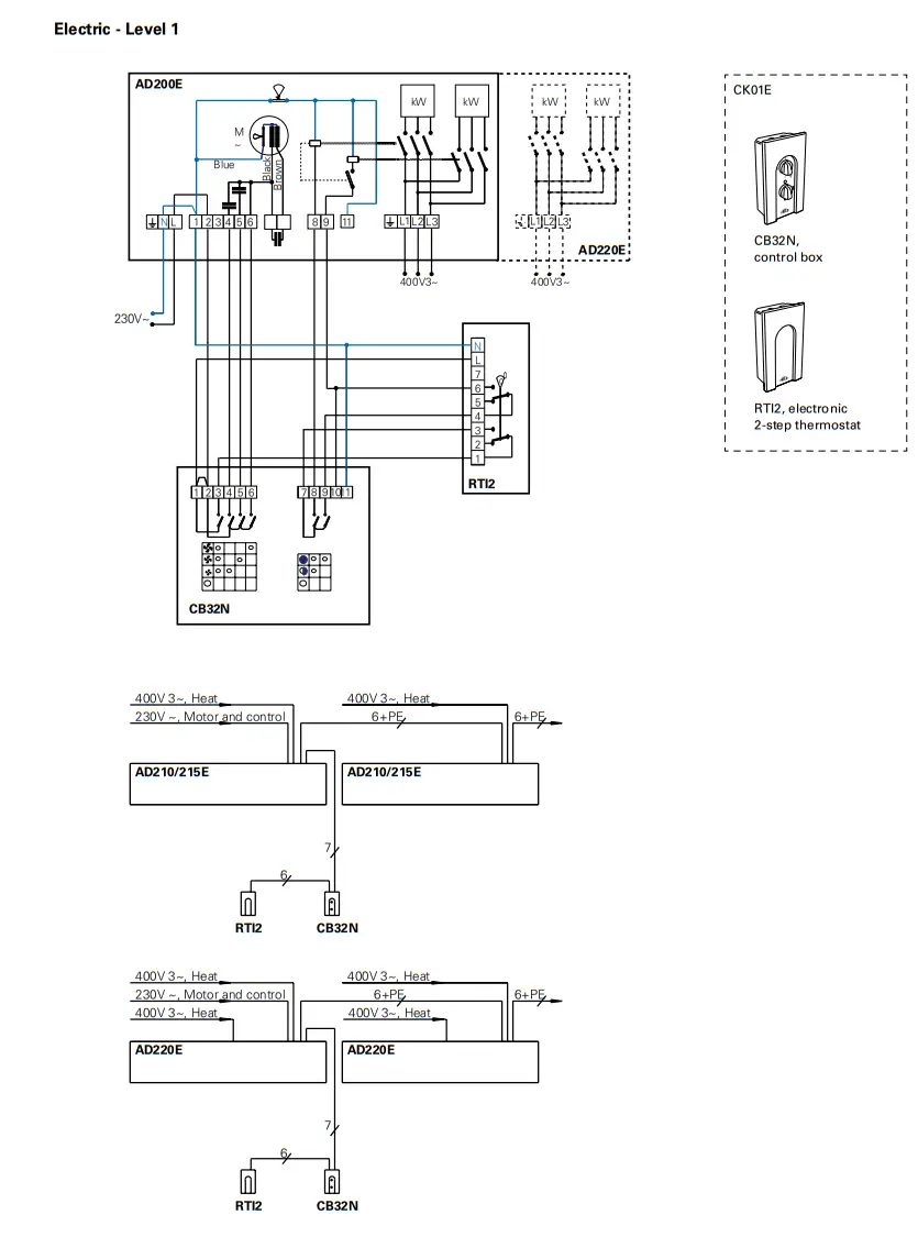
Level 1
Airflow is controlled manually. The room thermostat controls the heat output in 2 steps.
Control kit CK01E:
– CB32N, control box, controls the airflow in steps and heat output in 2 steps
– RTI2, 2-step room thermostat.
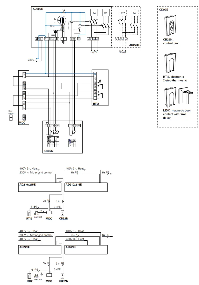
Level 2
Airflow and heat output are controlled automatically based on the opening of the door and the room temperature. When the door is open the fan runs at high speed, when the door closes the fan will continue to run for the desired time (2s–10 min.) set on MDC. When the door is closed the fan runs on low speed if there is a need for heating, if not the fan is switched off. The room thermostat controls the heat output. E.g. the thermostat is set on 23 °C and the difference between the steps is 4 °C. The thermostat will activate below 19 °C when the door is closed. When the door opens, the thermostat will activate below 23 °C and normally the heat is switched on. Control kit CK02E:
– The B32N, control box, controls the airflow in 3 steps and heat output in 2 steps
– MDC, magnetic door contact with time delay
– RTI2, 2-step room thermostat
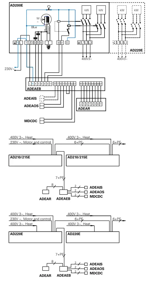
Level 3
Airflow and heat output are controlled automatically based on the opening of the door, outdoor temperature, and room temperature. The system is based on an advanced microprocessing regulator in an attractive design. All parameters are pre-programmed for easy and quick installation. Control kit CK03:
– ADEA, regulator (complete with outdoor sensor, built-in room sensor, and door contact)
– ADEAIS, indoor sensor
– ADEAEB, control board, for external mounting Read more about the operation and usage of ADEA in the chapter on Controls and accessories.
Water ![]()
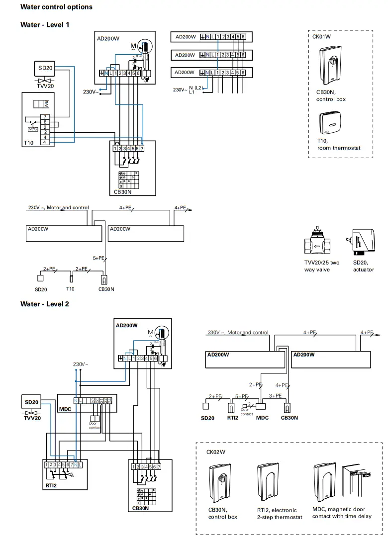
Level 1 Airflow is controlled manually. The room thermostat controls the heat output via an actuator/valve. Control kit CK01W:
– CB30N, control box , controls the airflow in 3 steps
– T10, room thermostat IP30 Note! A set of valves VR20 or VR25 or actuator+valve SD20+TVV20 or TVV25 should be added for a complete control kit.
Level 2
Airflow and heat output are controlled automatically based on the opening of the door and the room temperature. When the door is open the fan runs on high speed, when the door closes the fan will continue to run for the desired time (2s–10 min.) set on MDC. When the door is closed the fan runs on low speed if there is a need for heating, if not the fan is switched off. The room thermostat controls the heat output. E.g. the thermostat is set on 23 °C and the difference between the is steps 4 °C. The thermostat will activate below 19 °C when the door is closed. When the door opens, the thermostat will activate below 23 °C and normally the heat is switched on. Control kit CK02W:
– CB30N, control box, controls the airflow in 3 steps – MDC, magnetic door contact with time delay
– RTI2, 2-step room thermostat Note! A set of valves VR20 or VR25 or actuator+valve SD20+TVV20 or TVV25 should be added for a complete control kit.
Level 3
Airflow and heat output are controlled automatically based on the opening of the door, outdoor temperature, and room temperature. The system is based on an advanced microprocessing regulator in an attractive design. All parameters are pre-programmed for easy and quick installation. Control kit CK03:
– ADEA, regulator (complete with outdoor sensor, built-in room sensor, and door contact)
– ADEAIS, indoor sensor
– ADEAEB, control board, for external mounting
– Note! A set of valves VR20 or VR25 or actuator+valve SD20+TVV20 or TVV25 should be added for a complete control kit. Read more about the operation and usage of ADEA in the chapter on Controls and accessories.
See the chapter on Controls and accessories or contact Frisco for more options.
Output charts water
Incoming/outgoing water temperature 90/70 °C
Incoming air temp.= +15 °C
Incoming air temp. = +20 °C
| Type | Fan position | Airflow | Output | Outgoing air temp. | Water flow | Output | Outgoing air temp. | Water flow |
| [m3/h] | [kW] | [°C] | [l/s] | [kW] | [°C] | [l/s] | ||
| AD210W | max | 1200 | 9,3 | 37 | 0,11 | 8,5 | 41 | 0,10 |
| min | 750 | 7,1 | 43 | 0,08 | 6,5 | 45 | 0,07 | |
| AD215W | max | 1800 | 14,3 | 38 | 0,17 | 13,1 | 41 | 0,15 |
| min | 1100 | 10,8 | 44 | 0,12 | 10,0 | 46 | 0,11 | |
| AD220W | max | 2400 | 18,6 | 37 | 0,22 | 17,1 | 41 | 0,20 |
| min | 1500 | 14,3 | 43 | 0,17 | 13,1 | 45 | 0,15 |
Incoming/outgoing water temperature 80/60 °C
Incoming air temp.= +15 °C
Incoming air temp. = +20 °C
| Type | Fan position | Airflow | Output | Outgoing air temp. | Water flow | Output | Outgoing air temp. | Water flow |
| [m3/h] | [kW] | [°C] | [l/s] | [kW] | [°C] | [l/s] | ||
| AD210W | max | 1200 | 7,7 | 34 | 0,09 | 7,0 | 37 | 0,08 |
| min | 750 | 6,0 | 38 | 0,07 | 5,4 | 41 | 0,06 | |
| AD215W | max | 1800 | 11,9 | 34 | 0,14 | 10,7 | 37 | 0,12 |
| min | 1100 | 9,0 | 39 | 0,10 | 8,2 | 42 | 0,09 | |
| AD220W | max | 2400 | 15,5 | 34 | 0,18 | 14,0 | 37 | 0,16 |
| min | 1500 | 11,9 | 38 | 0,14 | 10,8 | 41 | 0,12 |
Incoming/outgoing water temperature 60/50 °C
Incoming air temp.= +15 °C
Incoming air temp. = +20 °C
| Type | Fan position | Airflow | Output | Outgoing air temp. | Water flow | Output | Outgoing air temp. | Water flow |
| [m3/h] | [kW] | [°C] | [l/s] | [kW] | [°C] | [l/s] | ||
| AD210W | max | 1200 | 5,7 | 29 | 0,13 | 5,0 | 32 | 0,11 |
| min | 750 | 4,4 | 32 | 0,10 | 3,8 | 35 | 0,09 | |
| AD215W | max | 1800 | 8,8 | 29 | 0,21 | 7,6 | 32 | 0,18 |
| min | 1100 | 6,6 | 32 | 0,15 | 5,8 | 35 | 0,13 | |
| AD220W | max | 2400 | 11,4 | 29 | 0,27 | 9,9 | 32 | 0,23 |
| min | 1500 | 8,8 | 32 | 0,20 | 7,6 | 35 | 0,18 |
Incoming/outgoing water temperature 60/40 °C
Incoming air temp.= +15 °C
Incoming air temp. = +20 °C
| Type | Fan position | Airflow | Output | Outgoing air temp. | Water flow | Output | Outgoing air temp. | Water flow |
| [m3/h] | [kW] | [°C] | [l/s] | [kW] | [°C] | [l/s] | ||
| AD210W | max | 1200 | 4,6 | 26 | 0,05 | 3,8 | 29 | 0,04 |
| min | 750 | 3,6 | 29 | 0,04 | 3,0 | 32 | 0,03 | |
| AD215W | max | 1800 | 7,1 | 26 | 0,08 | 5,9 | 29 | 0,07 |
| min | 1100 | 5,4 | 29 | 0,06 | 4,5 | 32 | 0,05 | |
| AD220W | max | 2400 | 9,3 | 26 | 0,11 | 7,7 | 29 | 0,09 |
| min | 1500 | 7,2 | 29 | 0,08 | 6,0 | 32 | 0,07 |
Water pressure drop charts
Water pressure drop over water coil AD 200W

The pressure drop is calculated for an average temperature of 70 °C (PVV 80/60). For other water temperatures, the pressure drop is multiplied by the factor K.
| Average temp. water °C | 40 | 50 | 60 | 70 | 80 | 90 |
| K | 1.1 | 1.06 | 1.03 | 1.0 0 | 0.97 | 0.93 |
Frico AB
031 336 86 00
www.frico.se
Wiring diagrams AD 200 A
Ambient control options

Design and specifications are subject to change without notice.
Wiring diagrams AD 200 E
Electric control options
Electric – Level 1

Electric – Level 2

Electric – Level 3

CK02E
![]() | ADEAR, regulator with a display unit and built-in room sensor |
![]() | IDEAS, outdoor sensor |
![]() | MDCDC, magnetic door contact |
![]() | ADEAEB, external control board |
![]() | ADEAIS, external room sensor |
Wiring diagrams AD 200 W
Water control options
Water – Level 1

Water – Level 3

Get In Touch
Call: 0845 6880112
Email: [email protected]
Our Address
Prevent, Adremit Limited, Unit 5a, Commercial Yard,
Settle, North Yorkshire, BD24 9RH























