READ ENTIRE MANUAL BEFORE USE
AIR CURTAINS
MODELS: #687FM1506SS, #687FM1509PC, #687FM1509SS,
#687FM1510PC, #687FM1510SS, 687FM1518SS
INSTRUCTIONS MANUAL
687FM1506SS Air Curtains
WARNING
TO REDUCE THE RISK OF FIRE, ELECTRIC SHOCK, OR INJURY TO PERSONS, OBSERVE THE FOLLOWING:
A. Always disconnect, lock, and tag power source before installing or servicing. Failure to disconnect power source can result in fire, shock, or serious injury.
B. Installation work and electrical wiring must be done by qualified person(s) in accor- dance with all applicable codes and standards, including fire-rated construction.
C. When cutting or drilling into walls or ceilings, do not damage electrical wiring and other hidden utilities.
D. To reduce the risk of fire or electric shock, do not use this fan with any solid-state speed control device.
E. Repair and maintenance operations can only be performed by qualified personnel.
F. Verify and ensure the rated voltage and frequency (please refer to the rating label) of the air curtain is in compliance with the main supply.
PRODUCT INTRODUCTION
Air curtains are widely installed at the entrances of supermarkets, theaters, meeting rooms, hotels, offices, storerooms, etc. They can reduce penetration of insects, dust, and unconditioned air into a conditioned space by forcing an air stream over the entire entrance to create a comfortable environment.
INSTALLATION DIMENSIONS

UNIT MEASUREMENTS (INCHES):
| MODEL | A | B | C | D | E | F | G | H | I | J |
| 687FM1506SS | 23.62 | 0.98 | 21.65 | — | — | 2.05 | 5.31 | 10.24 | 8.58 | 5.04 |
| 687FM1509PC/SS | 35.43 | 1.18 | 11.42 | 22.05 | — | |||||
| 687FM1510PC/SS | 39.37 | 11.42 | 22.05 | — | ||||||
| 687FM1518SS | 70.87 | 11.42 | 46.30 | 11.42 |
NOTE: Measurements are subject to change without notice due to product development.
INSTALLATION CAUTIONS
Observe the following when installing air curtains:
| 1. Please install the unit on a firm supporting structure. The mounting plate should bemounted to at least one wall stud to avoid shaking and to ensure its security as the unitrunning may cause it to become loose or shake and make noise. | 2. Please install the unit inside the room. |
![]() | ![]() |
| 3. Install the unit no more than 108″ from the ground. | 4. When then entrance is wider than the unit, it is recommended to install two or more units. In this case, provide 1″ to 1½” gaps between the units. |
![]() | ![]() |
| 5. Don’t allow gaps between the unit and the wall. | 6. Don’t install the unit at a place where it is splashed by water, exposed to excessive steam, explosive gas, or corrosive gas. |
![]() | ![]() |
INSTALLATION INSTRUCTIONS
A. Installing on a concrete wall:
| 1. Unscrew the mounting plate and remove it from the back of the main body. | 2. Determine the mounting location with the mounting plate. Fix the bolts in place and pour cement into the bolt holes. |
![]() | ![]() |
| 3. Fix the mounting plate to the wall after the cement sets (use the washers and nuts as shown below). | 4. Mount the main body onto the mounting plate as shown below and screw it back to the mounting plate. |
![]() | ![]() |
B. Installing on a wooden wall:
| 1. Remove the mounting plate from the back of the main body. Determine the mounting location and fix the mounting plate to the wooden wall with tapping screws. | 2. Mount the main body onto the mounting plate as shown below and screw it back to the mounting plate. |
![]() | ![]() |
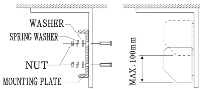
C. Installing on a ceiling:
| 1. Remove the mounting plate from the back of the main body. | 2. Fix the ceiling brackets as shown below. |
![]() | ![]() |
| 3. Fix the mounting plate to the ceiling brackets and tighten it securely as shown below. The position of the mounting plate can be adjusted in vertical direction according to need, but the max distance is 100mm. | 4. Mount the main body onto the mounting plate as shown below and screw it back to the mounting plate. |
![]() | ![]() |
TECHNICAL PARAMETERS
| MODEL | VOLTAGE (V”Hz) | POWER (W) | MAX AIR VE- LOCITY (FPM) | AIR VOLUME (CFM) | NOISE LEVEL (dB) | NET WEIGHT (LB) | |||
| H | L | H | L | H | L | ||||
| 687FM1506SS | 12060 | 260 | 3150 | 2559 | 1177 | 883 | 67 | 65 | 26.5 |
| 687FM1509PC/SS | 380 | 1471 | 1177 | 69 | 67 | 33.1 | |||
| 687FM1510PC/SS | 400 | 1648 | 1354 | 71 | 69 | 387.5 | |||
| 687FM1518SS | 760 | 2943 | 2354 | 76 | 74 | 71.7 | |||
NOTE: Technical parameters are subject to change without notice due to product development.
WIRING DIAGRAM

The wires marked “SW” in the wiring diagram are used for the connection of an optional door limit switch. A 2-wire extension cable (not included) is needed. Please use a cable gland and a knockout on one side of the air curtain to fix the 2-wire extension cable.
OPERATING INSTRUCTIONS
- Connect power to the unit.
- Push the power switch to the left/right to power on the unit. [L] – Low speed [H] – High speed.
- Adjust the air deflector to obtain optimum effect.
MAINTENANCE AND CLEANING
WARNING
A. Any service is to be performed only by qualified personnel who are familiar with local codes and regulations and are experienced with this type of product.
B. Always unplug or disconnect the appliance from the power supply before servicing or cleaning the unit.
C. Never use petrol, benzene, thinners, or any other such chemicals to clean the unit.
D. Don’t allow water or any liquid to enter the motor.
- Routine maintenance must be done every year.
- Plastic parts should be cleaned with mild soap and water, thoroughly remove soap with a clean, damp cloth.
- Wipe the exterior surfaces of the fan with a moistened cloth with a solution of mild detergent and water.
- Dry the case with a soft, dry cloth before operating the unit.
Lavex Industrial • 2205 Old Philadelphia Pike • Lancaster, PA 17602


































