
Original instructions
AR200

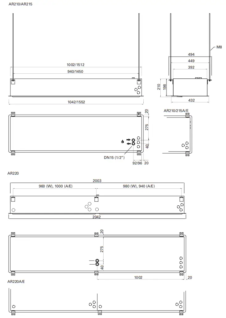
Dimensions and connections
AR210/AR215

Mounting and installation

Mounting and installation
Minimum distance

Accessories
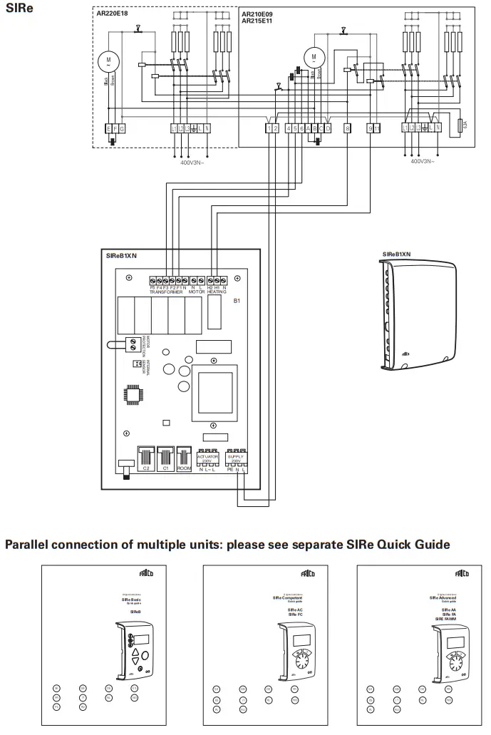
Controls SIRe
| SIReB | |
| SIReAC | |
| SIReAA | |
| SIReB1XAE | AR200E |
| SIReB1XAW | AR200A/W |
| SIReBXE | |
| SIReCXE | |
| SIReAXE | |
| SIReRTX | 70x33x23 mm |
| SIReUR | 114x70x50 mm |
| SIReWTA | |
| SIReCJ4 | |
| SIReCJ6 | |
| SIReCC603 | 3 m |
| SIReCC605 | 5 m |
| SIReCC610 | 10 m |
| SIReCC615 | 15 m |
| SIReCC640 | 40 m |
| SIReCC403 | 3 m |
| SIReCC405 | 5 m |
| SIReCC410 | 10 m |
| SIReCC415 | 15 |
The air curtain can also be regulated by control box CB30/32N, see www.frico.se.

| Type | RSK-nr | NRF-nr | Connection |
| (SE) | (NO) | ||
| VLSP15LF | 670 45 35 | DN15 | |
| VLSP15NF | 670 45 36 | 850 26 36 | DN15 |
| VLSP20 | 670 45 37 | 850 26 37 | DN20 |
| VLSP25 | 670 45 38 | 850 26 38 | DN25 |
| VLSP32 | 670 45 39 | 850 26 39 | DN32 |
| VLP15LF | 670 45 30 | 673 09 47 | DN15 |
| VLP15NF | 670 45 31 | 850 26 31 | DN15 |
| VLP20 | 670 45 32 | 850 26 32 | DN20 |
| VLP25 | 670 45 33 | 850 26 33 | DN25 |
| VLP32 | 670 45 34 | 850 26 34 | DN32 |
![]()
Wiring diagrams AR200 E
SIRe

Wiring diagrams AR200 A/W
SIRe

Wiring diagrams AR200 E
Switching box (Brass plates)




Output charts water AR200
AR200 W
| Supply water temperature:110 °C Room temperature: +18 °C Outlet air temperature: +35 °C*1 | Water temperature: 110/80 °C Room temperature: +18 °C | |||||||||
| Type | Fan position | Airflow [m3/h] | Output [kW] | Return water temp. [°C] | Water flow [l/s] | Pressure drop [kPa] | Output *2 [kW] | Outlet Water air temp. flow [°C] [l/s] | Pressure drop [kPa] | |
| AR210W | max | 1000 | 5,8 | 44,1 | 0,02 | 1,6 | 9,8 | 46,9 | 0,08 | 15,6 |
| min | 700 | 4,0 | 38,7 | 0,01 | 0,7 | 7,9 | 51,3 | 0,06 | 10,5 | |
| AR215W | max | 1600 | 9,2 | 45,8 | 0,04 | 0,9 | 15,6 | 46,8 | 0,13 | 8,3 |
| min | 1000 | 5,8 | 39,6 | 0,02 | 0,3 | 11,7 | 52,5 | 0,10 | 5,0 | |
| AR220W | max | 2000 | 11,5 | 44,3 | 0,04 | 1,4 | 19,5 | 46,7 | 0,16 | 14,2 |
| min | 1400 | 8,1 | 39,0 | 0,03 | 0,7 | 15,7 | 51,0 | 0,13 | 9,6 | |
| Supply water temperature:90 °C Room temperature: +18 °C Outlet air temperature: +35 °C*1 | Water temperature: 90/70 °C Room temperature: +18 °C | |||||||||
| Type | Fan position | Airflow [m3/h] | Output [kW] | Return water temp. [°C] | Water flow [l/s] | Pressure drop [kPa] | Output *2 [kW] | Outlet Water air temp. flow [°C] [l/s] | Pressure drop [kPa] | |
| AR210W | max | 1000 | 5,8 | 49,4 | 0,03 | 3,7 | 8,0 | 41,5 | 0,10 | 23,0 |
| min | 700 | 4,0 | 43,1 | 0,02 | 1,6 | 6,4 | 45,0 | 0,08 | 15,5 | |
| AR215W | max | 1600 | 9,2 | 50,5 | 0,06 | 2,1 | 12,7 | 41,4 | 0,16 | 12,3 |
| min | 1000 | 5,8 | 43,1 | 0,03 | 0,7 | 9,5 | 46,1 | 0,12 | 7,3 | |
| AR220W | max | 2000 | 11,5 | 49,7 | 0,07 | 3,4 | 15,8 | 41,3 | 0,19 | 20,3 |
| min | 1400 | 8,1 | 43,4 | 0,04 | 1,4 | 12,7 | 44,8 | 0,16 | 14 | |
| Supply water temperature: 80 °C Room temperature: +18 °C Outlet air temperature: +35 °C*1 | Water temperature: 80/60 °C Room temperature: +18 °C | |||||||||
| Type | Fan position | Airflow [m3/h] | Output [kW] | Return water temp. [°C] | Water flow [l/s] | Pressure drop [kPa] | Output *2 [kW] | Outlet Water air temp. flow [°C] [l/s] | Pressure drop [kPa] | |
| AR210W | max | 1000 | 5,8 | 52,6 | 0,05 | 7,6 | 6,6 | 37,3 | 0,08 | 16,5 |
| min | 700 | 4,0 | 45,8 | 0,03 | 2,7 | 5,3 | 40,2 | 0,06 | 11,1 | |
| AR215W | max | 1600 | 9,2 | 53,3 | 0,08 | 4,2 | 10,4 | 37,2 | 0,13 | 8,7 |
| min | 1000 | 5,8 | 45,3 | 0,04 | 1,2 | 7,0 | 41,0 | 0,10 | 5,2 | |
| AR220W | max | 2000 | 11,5 | 52,9 | 0,10 | 7,0 | 13 | 37,2 | 0,16 | 15 |
| min | 1400 | 8,1 | 46,1 | 0,06 | 2,5 | 10,4 | 40,0 | 0,13 | 10,1 | |
| Supply water temperature: 70 °C Room temperature: +18 °C Outlet air temperature: +35 °C*1 | Water temperature: 70/50 °C Room temperature: +18 °C | |||||||||
| Type | Fan position | Airflow
[m3/h] | Output
[kW] | Return water temp. [°C] | Water flow [l/s] | Pressure drop [kPa] | Output *2
[kW] | Outlet Water air temp. flow [°C] [l/s] | Pressure drop [kPa] | |
| AR210W | max | 1000 | 5,8 | 56,3 | 0,10 | 26,5 | 5,1 | 33,1 | 0,06 | 10,9 |
| min | 700 | 4,0 | 49,0 | 0,05 | 6,5 | 4,1 | 35,4 | 0,05 | 7,4 | |
| AR215W | max | 1600 | 9,2 | 56,4 | 0,17 | 14,3 | 8,1 | 32,9 | 0,10 | 5,7 |
| min | 1000 | 5,8 | 47,8 | 0,06 | 2,6 | 6,1 | 35,9 | 0,07 | 3,4 | |
| AR220W | max | 2000 | 11,5 | 56,5 | 0,21 | 24,9 | 10,2 | 33,0 | 0,12 | 9,9 |
| min | 1400 | 8,1 | 49,4 | 0,10 | 6,2 | 8,2 | 35,2 | 0,10 | 6,7 | |
Recommended outlet air temperature for good comfort and optimized output.
Nominal output at given supply and return water temperature. See www.frico.se for additional calculations.
Output charts water AR200
AR200 W
| Supply water temperature: 60 °C Room temperature: +18 °C Outlet air temperature: +35 °C*1 | Water temperature: 60/40 °C Room temperature: +18 °C | |||||||||
| Type | Fan position | Airflow
[m3/h] | Output
[kW] | Return water temp. [°C] | Water flow [l/s] | Pressure drop [kPa] | Output *2
[kW] | Outlet Water air temp. flow [°C] [l/s] | Pressure drop [kPa] | |
| AR210W | max | 1000 | – | – | – | – | 3,7 | 28,8 | 0,04 | 6,3 |
| min | 700 | 4,0 | 52,6 | 0,01 | 43,9 | 3,0 | 30,5 | 0,04 | 4,3 | |
| AR215W | max | 1600 | – | – | – | – | 5,8 | 28,6 | 0,07 | 3,2 |
| min | 1000 | 5,8 | 50,8 | 0,15 | 12,8 | 4,3 | 30,7 | 0,05 | 1,9 | |
| AR220W | max | 2000 | – | – | – | – | 7,3 | 28,8 | 0,09 | 5,7 |
| min | 1400 | 8,1 | 53,0 | 0,28 | 43,5 | 5,9 | 30,4 | 0,07 | 3,8 | |
| Supply water temperature: 55 °C Room temperature: +18 °C Outlet air temperature: +35 °C*1 | Water temperature: 55/35 °C Room temperature: +18 °C | |||||||||
| Type | Fan position | Airflow [m3/h] | Output [kW] | Return water temp. [°C] | Water flow [l/s] | Pressure drop [kPa] | Output *2 [kW] | Outlet Water air temp. flow [°C] [l/s] | Pressure drop [kPa] | |
| AR210W | max | 1000 | – | – | – | – | 2,9 | 26,7 | 0,04 | 4,3 |
| min | 700 | – | – | – | – | 2,4 | 28,0 | 0,03 | 2,9 | |
| AR215W | max | 1600 | – | – | – | – | 4,5 | 26,4 | 0,05 | 2,2 |
| min | 1000 | – | – | – | – | 3,4 | 28,0 | 0,04 | 1,3 | |
| AR220W | max | 2000 | – | – | – | – | 5,8 | 26,6 | 0,07 | 3,9 |
| min | 1400 | – | – | – | – | 4,7 | 27,9 | 0,06 | 2,6 | |
– = at the current water temperatures and airflows, the air outlet temperature will be less than 35 °C.
* 1 ) Recommended outlet air temperature for good comfort and optimized output. * 2 ) Nominal output at given supply and return water temperature. See www.frico.se for additional calculations.
Technical specifications
AR200 A without heat 1
| Type | Output | Airflow*1 | Sound power*2 | Sound pressure*3 | Voltage | Amperage | Length | Weight |
| [kW] | [m3/h] | [dB(A)] | [dB(A)] | [V] | [A] | [mm] | [kg] | |
| AR210A | 0 | 650/1200 | 66 | 34/50 | 230V~ | 0,5 | 1042 | 18 |
| AR215A | 0 | 950/1750 | 66 | 34/50 | 230V~ | 0,6 | 1552 | 25 |
| AR220A | 0 | 1300/2400 | 70 | 40/54 | 230V~ | 1,0 | 2042 | 36 |
| Type | Output steps 400V3N~ [kW] | Output steps 230V~ [kW] | Airflow*1 [m3/h] | Sound power*2 [dB(A)] | Sound pressure*3 [dB(A)] | Dt*4 [°C] | Voltage [V] | Amperage 400V3N~ [A] | Amperage 230V~ [A] | Length [mm] | Weight [kg] | |
| AR210E09 | 3 | – | 650/1200 | 66 | 34/50 | 13/7 | 400V3N~ | 4,3 | – | 1042 | 23 | |
| 6/9 | – | 650/1200 | 66 | 34/50 | 41/22 | 400V3N~ | 13 | – | 1042 | 23 | ||
| – | 3 | 650/1200 | 66 | 34/50 | 13/7 | 230V~ | – | 13 | 1042 | 23 | ||
| – | 3/5 | 650/1200 | 66 | 34/50 | 23/12 | 230V~ | – | 22 | 1042 | 23 | ||
| AR215E11 | 4,5 | – | 950/1750 | 66 | 34/50 | 14/8 | 400V3N~ | 6,5 | – | 1552 | 32 | |
| 6,8/11,3 | – | 950/1750 | 66 | 34/50 | 35/20 | 400V3N~ | 16 | – | 1552 | 32 | ||
| – | 4,5 | 950/1750 | 66 | 34/50 | 14/8 | 230V~ | – | 20 | 1552 | 32 | ||
| – | 4,5/6,8 | 950/1750 | 66 | 34/50 | 21/12 | 230V~ | – | 30 | 1552 | 32 | ||
| AR220E18 | 6 | – | 1300/2400 | 70 | 40/54 | 13/7 | 400V3N~ | 8,7 | – | 2042 | 44 | |
| 12/18 | – | 1300/2400 | 70 | 40/54 | 41/22 | 400V3N~ | 26 | – | 2042 | 44 | ||
| – | 6 | 1300/2400 | 70 | 40/54 | 13/7 | 230V~ | – | 26 | 2042 | 44 | ||
| – | 6/10 | 1300/2400 | 70 | 40/54 | 23/12 | 230V~ | – | 43 | 2042 | 44 |
| Type | Output*5[kW] | Airflow*1[m3/h] | Sound power*2[dB(A)] | Sound pressure*3[dB(A)] | Dt*4,5[°C] | Water volume[l] | Voltage[V] | Amperage [A] | Length[mm] | Weight[kg] |
| AR210W | 6,6 | 700/1000 | 64 | 41/49 | 24/21 | 0,5 | 230V~ | 0,4 | 1042 | 21 |
| AR215W | 10,4 | 1000/1600 | 66 | 37/50 | 24/20 | 0,9 | 230V~ | 0,6 | 1552 | 39 |
| AR220W | 13,0 | 1400/2000 | 69 | 44/53 | 23/20 | 1,1 | 230V~ | 1,0 | 2042 | 42 |
* 1 ) Lowest/highest airflow of totally 3 fan steps.
* 2 ) Sound power (LWA ) measurements according to ISO 27327-2: 2014, Installation type E.
* 3 ) Sound pressure (LpA ). Conditions: Distance to the unit 5 meters. Directional factor: 2. Equivalent absorption area: 200 m². At lowest/highest airflow.
* 4 ) ∆t = temperature rise of passing air at maximum heat output and lowest/highest airflow.
* 5 ) Applicable at water temperature 80/60 °C, air temperature, in +18 °C.
AR200E is delivered as 9 kW, 11 kW, and 18 kW (400V3N~) models, but they are convertible to 230V~ and have different outputs as shown in the above table. Protection class: IP20. CE is compliant.
assembly and operating instructions
General Instructions
Read these instructions carefully before installation and use. Keep this manual for future reference. The guarantee is only valid if the units are used in the manner intended by the manufacturer and in accordance with the Frisco mounting and operating instructions.
Application area
AR200 is especially suited for environments with high demands in respect of design. It is recessed in ceilings above entry doors and other small doors where the height is no
greater than 2,5 meters. A low height makes it possible to install AR200 where ceiling space is limited. The recessed installation and low sound level make AR200 very discreet.
Protection class: IP20
Operation
Air is drawn in from underneath and blown out downwards towards the entrance so that it shields the door opening and minimizes heat loss. To get the best curtain effect, the
the unit must extend the full width of the door opening.
The grille for directing exhaust air is adjustable and is normally angled outwards to achieve the best protection against incoming cold air. The airspeed is adjusted to the desired airflow.
The efficiency of the air curtain depends on the air temperature, pressure differences across the doorway, and any wind pressure.
NOTE! Negative pressure in the building considerably reduces the efficiency of the air curtain. The ventilation should therefore be balanced!
Installation
AR200 unit is installed horizontally with the supply air grille facing downwards as close to the door as possible, concealed in the false ceiling. The only visible part of the unit is the underside which is level with the ceiling.For the protection of wider doorways, several units can be mounted next to each other. Ensure that the base plate is accessible and
can be fully opened. The minimum distance from the outflow to the floor is 1800 mm (see fig. 5).
- The mounting brackets (x 4, x 6 on the
2-meter units) are fixed to the unit during transport. Loosen these, turn them around, and screw them into place on the unit according to figure 1 on p.3. - Hang up on threaded bars (M8) according to figure 2 on p.3 (not included).
- Adjust the height using the upper nut so that the frame is level with the ceiling. Lock using the lower nut.
Electrical installation
The installation, which should be preceded by an omnipolar switch with a contact separation of at least 3 mm, should only be wired by a competent electrician and in accordance with the latest edition of IEE wiring regulations.
- The base plate/service hatch is opened by loosening the snap fixings located on the downside (turn 90°) and then loosening the base plate from the rim. See fig. 3 and 4.
- AR200A: The connection to the unit’s side or top is made with 2×1,5 mm² + earth. AR200E: The connection to the unit’s side or top is made using a five-core cable with
an earth wire. The largest cable diameter for the terminal block is 16 mm². AR200W: The control cable is connected via knockouts to the unit’s side or top, with a 2×1.5 mm² + cart. The cable glands used must meet the protection class requirements. - Close the base plate/service hatch and make sure that the snap fixings lock properly.
See wiring diagrams.
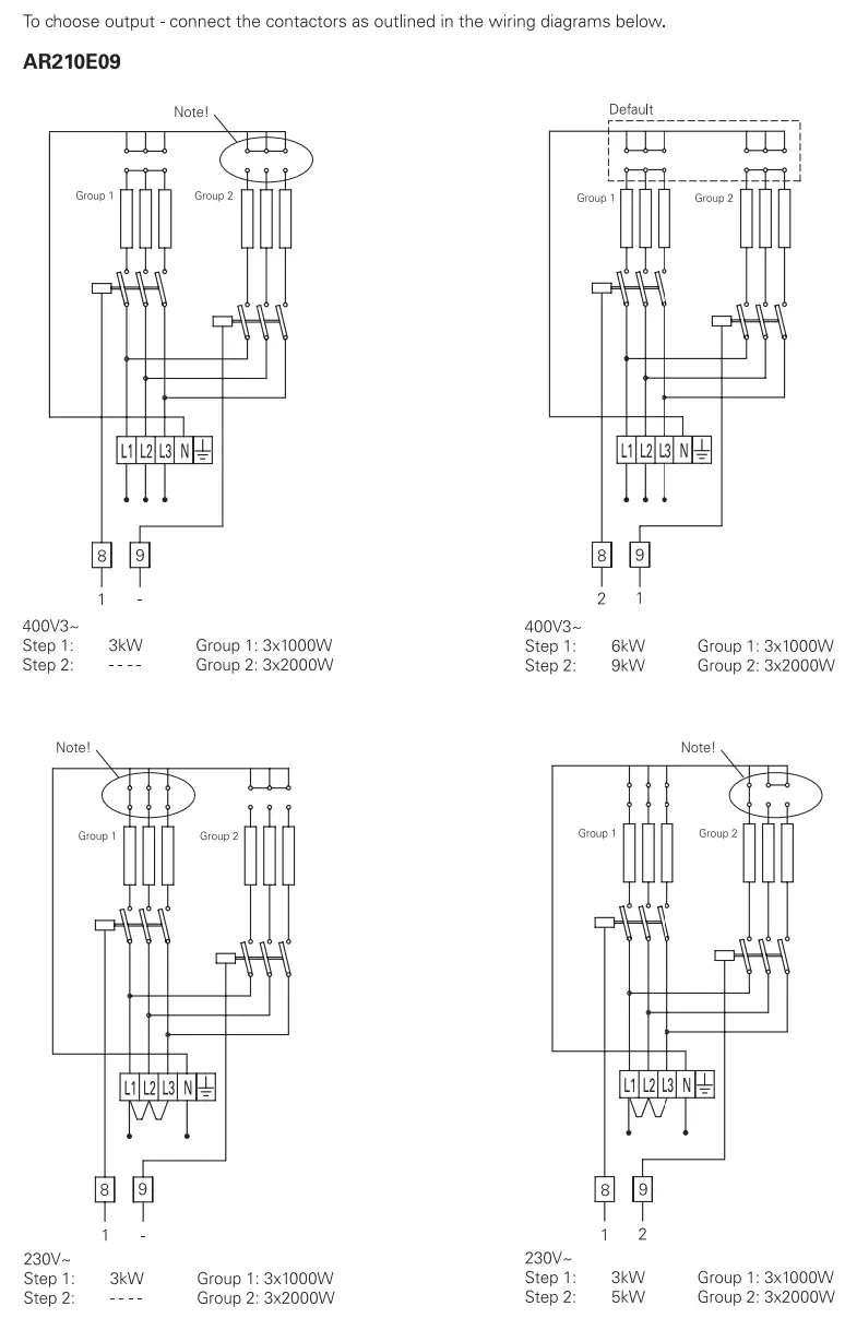
AR200E:
The units can be switched between different outputs and for 230V~/400V3~. The connection box is located on the right side of the unit, viewed from inside the room. The switching block is on the left side. On the 2 metre unit, the two switching blocks are located in the middle and the connection spaces are on the outside. The 2-metre unit
requires dual power supplies.
| Type | Output | Voltage | Minimum area |
| [kW] | [V] | [mm²] | |
| AR210E09 | 3 | 400V3N~ | 1.5 |
| 6 | 400V3N~ | 1.5 | |
| 9 | 400V3N~ | 2.5 | |
| 3 | 230V~ | 2.5 | |
| 5 | 230V~ | 6 | |
| AR215E11 | 4.5 | 400V3N~ | 1.5 |
| 6.8 | 400V3N~ | 1.5 | |
| 11.3 | 400V3N~ | 4 | |
| 4.5 | 230V~ | 4 | |
| 6.8 | 230V~ | 10 | |
| AR220E18 | 6(2×3) | 400V3N~ | 1.5 |
| 12(2×6) | 400V3N~ | 1.5 | |
| 18(2×9) | 400V3N~ | 2.5 | |
| 6(2×3) | 230V~ | 2.5 | |
| 10(2×5) | 230V~ | 6 |
Start-up (E)
When the unit is used for the first time or after a long period of disuse, smoke or odor may result from dust or dirt that has collected on the element. This is completely normal and disappears after a short time.
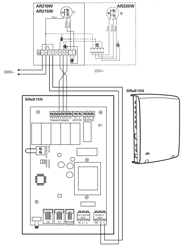
Connecting the water coil (W)
The installation must be carried out by an authorized installer. The water coil has copper tubes with aluminum fins and is suitable for connection to a closed water heating system. The heating coil must not be connected to a mains pressure water system or an open water system.
Note that the unit shall be preceded by a regulating valve, see for instance Frico valve kit.
Connections (DN15 (1/2”), inside thread) to the water heating coil are located on the top of the unit to the right (seen from inside the building). For AR220W the water connection is located in the middle of the top side of the unit.
A vent valve should be connected at a high point in the pipe system. Air- and draining valves are not included in the heating coil. The connections to the heating coil must be
equipped with shut-off valves to allow problem-free removal.
NOTE: Care must be taken when connecting the pipes. Use a wrench or similar to hold the air-curtain connections to prevent straining of the pipes and subsequent water leakage during connection to water supply pipe-work.
Adjustment of the air curtain
and airflow
The direction and speed of the airflow should be adjusted considering the load on the opening. Pressure forces affect the air stream and make it bend inwards into the premises
(when the premises are heated and the outdoor air is cold).
The airstream should therefore be directed outwards to withstand the load. Generally speaking, the higher the load, the greater the angle that is needed.
Basic setting of fan speed
The fan speed when the door is open is set using the speed control. Note that the airflow direction and speed may need fine adjustment depending on the loading of the door.
Filter (W)
The heating coil is protected by an air filter that covers the coil face.
Service, repairs, and maintenance
For all service, repair and maintenance first carry out the following:
- Disconnect the power supply.
- The base plate/service hatch is opened by loosening the snap fixings located on the downside (turn 90°) and then loosening the base plate from the rim. See fig. 3 and 4.
- After service, repair and maintenance close the base plate/service hatch and make sure that the snap fixings lock properly.
Maintenance
The appliance filter should be cleaned regularly to ensure the air curtain effect and the heat emission from the device. How often depends on local circumstances. A clogged
the filter is not a risk, but the appliance function can fail.
- Disconnect the power.
- The base plate/service hatch is opened by loosening the snap fixings located on the downside (turn 90°) and then loosening the base plate from the rim. See fig. 3 and 4.
- Remove the filter and vacuum clean or wash it. If the filter is clogged, it may need to be changed.
Since fan motors and other components are maintenance-free, no maintenance other than regular cleaning is necessary. The frequency of cleaning can vary depending on local conditions, but undertake cleaning at least twice a year. Inlet and exhaust grilles, impeller and elements can be vacuum cleaned or wiped using a dry cloth. Use a brush when vacuuming to prevent damaging sensitive parts. Avoid the use of strong alkaline or acidic cleaning agents.
Overheating
The air curtain unit with an electric heater is equipped with an overheat protector. If this is deployed due to overheating, reset as follows:
- Disconnect the electricity using the omnipolar switch.
- Allow the electrical coil to cool.
- Determine the cause of overheating and rectify the fault.
Reset is performed as follows:
- Locate the red button inside the air curtain unit. This is visible and accessible by opening the base plate. The button is located outside the connection box. On the 2-meter variant, a red button is located outside each connection space.
- Press the red button until a click is heard.
- Connect the air curtain again. The motors in all the air curtain units have a built-in thermal safety cut-out to protect against overheating. This will reset automatically once the motor has cooled.
Fan replacement
- Determine which of the fans is not functioning.
- Disconnect the cables to the relevant fan.
- Remove the screws securing the fan and lift the fan out.
- Install the new fan in reverse order to the above.
Changing the electric coil/battery (E)
- Mark and disconnect the cables to the electric coil/battery.
- Remove the mounting screws securing the electric coil/battery in the unit and lift the electric coil/battery out.
- Install the new electric coil/battery in reverse order to the above.
Replacing the electric heater/coil (E)
- Mark and disconnect the cables to the electric heater/coil.
- Remove the mounting screws securing the electric heater/coil in the unit and lift the electric heater/coil out.
- Install the new electric heater/coil in reverse order to the above.
Troubleshooting
If the fans are not working or do not blow properly, check the following:
- Operating power supply to the unit; check fuses, circuit-breaker, time switch/ thermostat (if any) that starts and stops the unit.
- That the airflow selector is correctly set.
- That the position limit switch is working.
- That the overheat protection for the motors has not been deployed.
- That the intake grille is not dirty.
If there is no heat, check the following: - That the heat demand exists; check thermostat settings and actual temperature. For units with electrical heating, check the following:
- Power supply to electric heater coil; check fuses and circuit-breaker (if any).
- That the overheat protection for the motors has not been deployed. For units with water coil, check the following:
- That the water coil is air free.
- That there is enough water flow.
- That incoming water is heated enough.
If the fault cannot be rectified, please contact a qualified service technician.
Residual current circuit breaker (E)
When the installation is protected by means of a residual current circuit breaker, which trips when the appliance is connected, this may be due to moisture in the heating element. When an appliance containing a heater element has not been used for a long period or stored in a damp environment, moisture can enter the element. This should not be seen as a fault, but is simply rectified by connecting the appliance to the mains supply via a socket without a safety cut-out so that the moisture can be eliminated from the element. The drying time can vary from a few hours to a few days. As a preventive measure, the unit should occasionally be run for a short time when it is not being used for extended periods of time.
Packaging
Packaging materials are chosen with consideration to the environment and are therefore recyclable.
Handling of product at end of working life
This product may contain substances necessary for the functionality of the product but potentially dangerous for the environment. The product should not be disposed of mixed with general household waste but delivered to a designated collection point for environmental recycling. Please contact the local authority for further details of your nearest designated collection point.
Safety
- For all installations of electrically heated products, a residual current circuit breaker 300 mA for fire protection should be used.
- Keep the areas around the air intake and exhaust grilles free from possible obstructions!
- The unit must not be fully or partially covered as overheating can result in a fire risk!
- Lifting equipment must be used to lift the unit.
- This appliance can be used by children aged from 8 years and above and persons with reduced physical, sensory or mental capabilities or lack of experience and knowledge if they have been given supervision or instruction concerning the use of the appliance in a safe way and understand the hazards involved. Children shall not play with the appliance. Cleaning and user maintenance shall not be made by children without supervision.
- Children of less than 3 years should be kept away unless continuously supervised.
- Children aged from 3 years and less than 8 years shall only switch on/off the appliance provided that it has been placed or installed in its intended normal operating position and they have been given supervision or instruction concerning the use of the appliance in a safe way and understand the hazards involved.
- Children aged from 3 years and less than 8 years shall not plug in, regulate and clean the appliance or perform user maintenance.
![]()
Main offi ce
Frico AB
Tel: +46 31 336 86 00
Industrivägen 41
SE-433 61 Sävedalen [email protected]
Sweden
www.frico.net
For the latest updated information and information
about your local contact: www.frico.seArt.no.205508, 20170418 HH/ SÄ/CH



















