CLAUDGEN HE7402 Warm Air Curtains

All electrical appliances produced by the Company are guaranteed for one year against faulty materials or workmanship. This applies only if the appliance has been used for purposes in accordance with the instructions provided and has not been connected to an unsuitable electricity supply, or subject to misuse, neglect, damage or modified or repaired by any person not authorised by us. This guarantee is offered to you as an extra benefit and does not affect your legal rights.
The correct electricity supply voltage is shown on the rating label attached to the appliance.
Reasonable care has been taken to ensure that this guide is accurate at the time of printing. In the interest of progress the Company reserve the right to vary specifications from time to time without notice.
Overview
Please read this guide carefully and retain for future use and maintenance. This appliance has been designed and manufactured to the highest international standards, however, care must be taken for optimal results and safety. This appliance also meets the requirements of EU Directive 2004/106/ EC for EMC and 2009/125/EC Directive.
Safety & Care
The appliance is not intended for use by persons (including children) with reduced physical, sensory or mental capabilities or lack of experience and knowledge unless they have been given supervision or instruction concerning use of the appliance by a person responsible for their safety. Children should be supervised to ensure that they do not play with the appliance.
Warning
- Do NOT site the appliance in a corner.
- Do NOT handle the appliance with wet hands.
- Do NOT use the appliance in workshops or rooms where excessive dust is generated or present.
- Ensure that nothing is pushed into any aperture of this appliance.
- Do NOT touch outlet grille when the appliance is in use.
- Do NOT cover or restrict any aperture of the appliance when in use.
- Do NOT use the appliance if damaged.
- Do NOT leave the appliance unattended where young children are present.
Models
These units are 622mm 3kW & 4.5kW modular heaters designed for mounting above doorways and similar entrances, and may be used as space heaters. 1035mm 4.5kW and 6kW modules are also available.
Thermally Operated Cut-Out
The appliance is fitted with a thermally operated cut-out (TOC). This is a safety device, which switches the heater off if, for any reason,
the appliance overheats. The TOC can only be re-set after the appliance has cooled down. In order to reset the TOC, proceed as follows:
- Switch off appliance at mains and leave for approximately 10 minutes.
- Switch appliance back on and TOC will reset.
- Ensure that the appliance is functioning correctly. If the TOC control operates again, the appliance should be checked by a competent electrician.
The heater carries a `Do Not Cover’ label to warn the user that if the appliance is covered, there is a risk of overheating.
Maintenance
Always ensure that the main external electricity supply is switched off before attending to the servicing of your Claudgen heater.
To obtain best results from your heater it is necessary to avoid the build up of dust and dirt within the unit and on the air inlet and discharge grilles. For this reason regular cleaning is necessary, paying particular attention to the removal of dirt build up on the rotor blades. A single drop of light oil should be applied to the motor bearing from time to time.
If Your Heater Does Not Work
- Check that power is available to the heater. The LED light should be illuminated
- Check that the thermal cut-out has not operated. Follow the reset instructions given under the section headed `Thermal Operated Cut-out’.
- Check that the fuse in the spur unit has not blown. This can be done by replacing the fuse with another suitable fuse.
Should none of the above remedies work, then telephone the helpline number shown in these instructions (UK ONLY). Do not attempt to repair the heater.
Connection to the Main Supply
Electrical installation should be carried out by a competent installer, preferably registered with NICEIC (National Inspection Council for Electrical Installation Contracting) in accordance with the 17th edition of the IEE Wiring Regulations, (BS.7671), and any relevant Local Authority Bye-Laws. The HeatZone can be connected in a number of ways depending on the form of control required. Whichever method is used, it should be permanently connected to the electricity supply via a double pole switch having 3mm gap on each pole. A switched Fused Connection unit to BS.1363. Part 4 is a recommended mains supply connection accessory to ensure compliance with safety requirements applicable to fixed-wiring installation.
Note: When switched on for the first time the appliance may emit a slight smell. This is purely the evaporation of a fluid used in the manufacturing process.
WARNING: This appliance must be earthed.
Mounting
The unit should be positioned so that the airflow is not obstructed by any part of the doorframe. When installed the top of the heater case should be a minimum of 200mm from the ceiling.

Installation
Carefully unpack the unit and remove the top cover fixing screws. The heater may be mounted using the mounting bracket provided.
Remove mounting bracket screws, allowing the mounting bracket to be removed from the unit. Making sure that the mounting bracket is horizontal, fix the bracket to the wall using 4 x No 8 wood screws. Place the unit on the mounting bracket ensuring the washer is positioned as in diagram.
Tighten screws to hold the unit at the required angle.
Refit the cover.

Wall bracket assembly
The heater may also be mounted directly onto a suitable wall or bearer by four No 8 wood screws through the holes provided in the back of the unit casing. Keyhole slots are provided for the top two fixings.
Electrical connections
These units are suitable for connection to a 230/240 volt 50 Hz single phase ac supply, except for the 220 volt models. The heaters consume 3kW & 4.5kW respectively at 240 volts when switched to the full heat position.
Model HE7402 – 3 kW
Model HE7420 – 4.5 kW
The appliance should be connected to the supply via a circuit in which there is an all-pole switch. Test for correct operation and refit the cover.
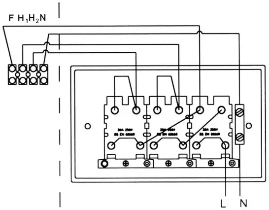
Wiring diagram

Both of these units are suitable for remote control operation, with the use of remote control switch part no. HE8407 shown in the diagram below
NOTE: The unit MUST be reliably earthed.
Operation
The right hand switch connects the mains supply to the fan motor (giving a cool airflow) and energises the heat control switches.
Heat control HE7402 HE7402
When the centre switch (marked with a single black dot) is pressed the heat output is 1kW. When the left-hand switch (marked with two black dots) is pressed the heat output is 2kW. When both switches are pressed the heat output is 3kW.
Heat control HE7420
When the centre switch (marked with a single black dot) is pressed the heat output is 1.5kW. When the left-hand switch (marked with two black dots) is pressed the heat output is 3kW. When both switches are pressed the heat output is 4.5kW.
HE8407 optional control switch

This optional control switch is useful if you have the unit mounted up high, as you would need a step ladder to reach the switches. You can fit this switch lower down, allowing you to easily change the heat settings.
Spares
It is essential when ordering spares or replacement parts to state the model number and the serial number on the rating label fixed to the top of the unit.
In the interest of progress the Company reserve the right to vary specifications from time to time without notice. The material listed is offered subject to the Company’s General Conditions of Sale, a copy of which can be obtained on request.
NOTE: DO NOT COVER any of the air inlet or outlet grills, at any time.
To replace a switch
- Remove the top cover.
- Release the three fixings which secure the switch bracket to the right hand side of the main case.
- Remove the push-on connectors, noting their position.
- Remove by compressing the plastic retaining tabs, and lifting out the switch.
- Insert the new switch, refit and push on connectors in the correct order, test and reassemble
To replace the fan heater assembly
- Remove the top cover.
- Disconnect the internal wiring from the main terminal block and earth stud.
- Release the three fixings which secure the switch bracket to the right hand of the main case.
- Remove the four nuts and washers fixing the fan heater assembly to the back of the case.
- The fan heater assembly can now be eased forward and removed from the heater case.
- Fit replacement fan heater and reassemble in reverse order
Noise levels
Sound pressure levels dBA are measured at a 3m distance with a single air curtain mounted at its maximum mounting height, operating in a room with average acoustic characteristics as defined in CIBSE Guide B5 (reverberation time 0.7s at 1kHz) and a room size equivalent to 8 air changes per hour (ac/h). The dB meter must not be in the direct airflow of the heater. Care needs to be taken when selecting air curtains for an installation as noise levels can be several dB higher if the mounting height is reduced, if the room is more ‘live’ (i.e. hard surfaces, no furnishings or absorbent materials), if the room is smaller than 8 ac/h equivalent or a combination of these factors. Noise levels will also increase if more than one air curtain is installed at the same doorway (e.g. +3dBA for 2 equal point sources: direct field).
CUSTOMER HELPLINE
Should you need any advice on the use of your new Consort product please contact our Helpline:
Consort Equipment Products Limited
Thornton Industrial Estate, Milford Haven, Pembrokeshire, SA73 2RT
Tel: 01646 692172
Fax: 01646 695195
Email: [email protected]
Web: www.consortepl.com
Operation hours: Mon to Thu 8.30am to 4.30pm | Fri 8.30am to 3.30pm
BS EN ISO 9001 Registered Company No FM12671
![]()


















