FRICO PS210E06 Air curtain

Application
Portier is an exclusive air curtain in brushed stainless steel intended for entrances with high demands in respect of design. The air curtain is available in two different lengths that can be combined to cover entrances of different sizes.
Comfort
Portier creates an air barrier, which prevents cold draughts and ensures comfortable heating inside the door. An adjustable air blower grille makes it possible to direct the air for an optimal air curtain effect. The air curtain can also contribute to the heating of the premises when the door is closed.
Operation and economy
Thanks to Thermozone Technology, Portier saves energy. The air barrier reduces energy losses through the door opening and the energy consumption of the air curtain is also low. With an air curtain as a heat source it produces heat in the area where it is most needed, and as a result the rest of the premises can be covered with less output. Easy installation and maintenance minimizes the cost and the risk of errors.
Design
Portier has a unique symmetrical design in brushed stainless steel with a black grille and ends. Color-coordinated housing is available as a special order.
Product specifications
- Low sound level
- Simple suspension using fixing nuts on the upper side for installation with wall brackets, suspension kit or wire/threaded rod
- The adjustable exhaust grille makes it possible to direct the air for an optimum air curtain effect
- Optimized airflow with Thermozone technology
- Housing in brushed stainless steel. Colour outlet grille and ends: black, RAL 9005. Colour coordinated as special order
Air velocity profile
Thermozone Portier A, without heat 1
Thermozone Portier E, electrically heated 3
- Conditions: Distance to the unit 5 metres. Directional factor: 2. Equivalent absorption area: 200 m2.
- Alternative 400 V3~ + 230 V~ (operating supply) if the current is greater than 16 A. Applies when connecting several units.

Dimensions
Design and specifications are subject to change without notice.
Mounting and connection
Mounting
- The units may only be installed horizontally over a doorway with the air stream directed downwards. Distance from the exhaust to combustible materials must be at least 50 mm.
- Portier is prepared with four M6 threaded holes on the upper side of the air curtain. Wall mounting kit P2WB is available for wall mounting. Suspension kit ADPK1 and suspension brackets ADPF1 are available for ceiling installation. Portier can also be suspended using cables/wires or threaded rods. See next page for all the mounting alternatives.
- To achieve the optimum air curtain effect, the unit must extend the full width of the door opening and as close to the opening as possible. For the protection of wider doorways, several units can be mounted next to each other. To achieve the optimum air curtain effect, they should be mounted as close to each other as possible. Using joining kit P2JK (fig. 2) a complete unified air curtain can be created.
Connection
The connection should be made with a type EKK, EKLK or corresponding cable via knockouts in the upper side of the unit. The terminal block is equipped for max 16 mm2 cable, the terminal block for max 2.5 mm2. Normally, the power and operating voltage are supplied separately. For smaller units, the supply can be common, see wiring diagrams.
Installation options

Control options
Ambient 1
Level 1 Airflow is controlled manually
Control kit:
- CB20, control box , controls the airflow in 2 steps.
Electrical 3
- Level 1 Airflow is regulated manually. Room thermostat controls the heat output in 2 steps.
Control kit
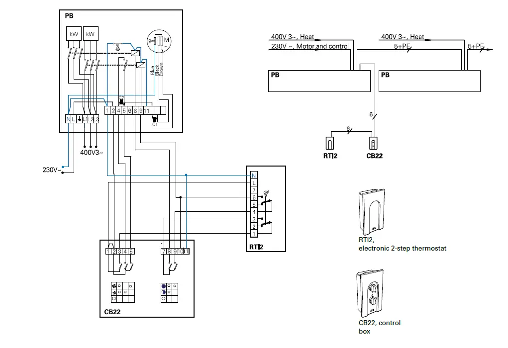
- CB22, control box, controls the and heat output in 2 steps
- RTI2, 2-step room thermostat (option KRT2800)
Level 2
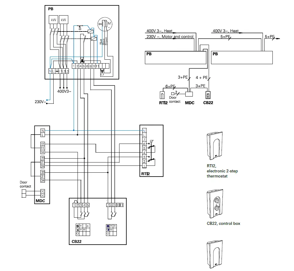
- Airflow and heat output are controlled automatically based on the opening of the door and the room temperature. When the door is open the fan runs on high speed, when the door closes the fan will continue to run on high speed for the desired time (2s–10 min.) set on MDC. When the door is closed the fan runs on low speed if there is a need for heating, if not the fan is switched off.
- The room thermostat controls the heat output. E.g. the thermostat is set on 23 °C and the difference between the stages 4 °C. The thermostat will activate below 19 °C when the door is closed. When the door opens, the thermostat will activate below 23 °C and normally the heat is switched on.
Control kit:
- CB22, control box, controls the airflow in 2 steps and heat output in 2 steps
- MDC, door contact with time delay
- RTI2, 2-step room thermostat (option KRT2800)
Level 3
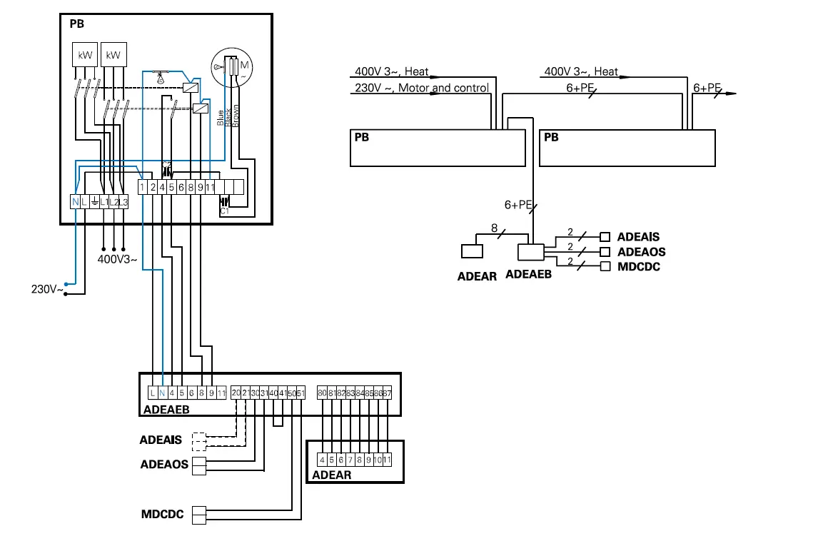
Airflow and heat output are controlled automatically based on the opening of the door, outdoor temperature and room temperature.
The system is based on an advanced microprocessing regulator in an attractive design. All parameters are pre-programmed for easy and quick installation.
Control kit:
- ADEA, regulator (complete with outdoor sensor, built-in room sensor, and door contact).
- ADEAEB, control board, for external mounting.
Read more about the operation and usage of ADEA in chapter on Controls and accessories. For further options, see the section on thermostats and controls or contact Frico.
Wiring diagrams
Ambient control options
Level 1
Electrical control options
Level 1
Electrical control options
Level 2
Electrical control options
Level 3

Get In Touch
- Call: 0845 6880112
- Email: [email protected]
Our Address
Puravent, Adremit Limited, Unit 5a, Commercial Yard, Settle, North Yorkshire, BD24 9RH























