FRICO AREC3200C Air Curtain Instructions

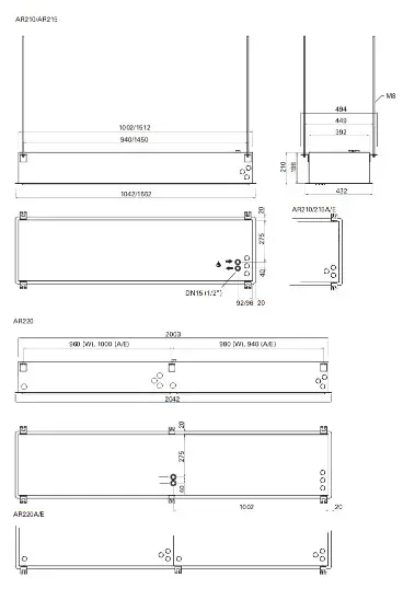
Dimensions and connections
AR210/AR215

Mounting and installation

Mounting and installation
Minimum distance

Accessories
Controls SIRe
| SIReB | |
| SIReAC | |
| SIReAA | |
| SIReB1XAE | AR200E |
| SIReB1XAW | AR200A/W |
| SIReBXE | |
| SIReCXE | |
| SIReAXE | |
| SIReRTX | 70x33x23 mm |
| SIReUR | 114x70x50 mm |
| SIReWTA | |
| SIReCJ4 | |
| SIReCJ6 | |
| SIReCC603 | 3 m |
| SIReCC605 | 5 m |
| SIReCC610 | 10 m |
| SIReCC615 | 15 m |
| SIReCC640 | 40 m |
| SIReCC403 | 3 m |
| SIReCC405 | 5 m |
| SIReCC410 | 10 m |
| SIReCC415 | 15 |
The air curtain can also be regulated by control box CB30/32N, see www.frico.se.

| ype | RSK-nr | NRF-nr | Connection |
| (SE) | (NO) | ||
| VLSP15LF | 670 45 35 | DN15 | |
| VLSP15NF | 670 45 36 | 850 26 36 | DN15 |
| VLSP20 | 670 45 37 | 850 26 37 | DN20 |
| VLSP25 | 670 45 38 | 850 26 38 | DN25 |
| VLSP32 | 670 45 39 | 850 26 39 | DN32 |
| VLP15LF | 670 45 30 | 673 09 47 | DN15 |
| VLP15NF | 670 45 31 | 850 26 31 | DN15 |
| VLP20 | 670 45 32 | 850 26 32 | DN20 |
| VLP25 | 670 45 33 | 850 26 33 | DN25 |
| VLP32 | 670 45 34 | 850 26 34 | DN32 |

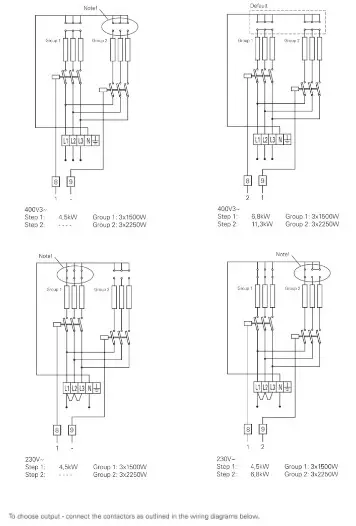
Wiring diagrams AR200 E
SIRe

Wiring diagrams AR200 A/W
SIRe

Wiring diagrams AR200 E
Switching box (Brass plates)





















