ALTV615DC8UL CCTV Camera and Accessory Power Supply
Instruction Manual
Overview
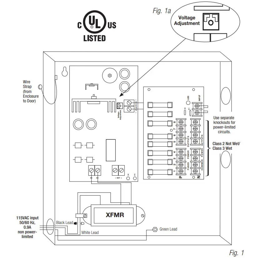
Altronix ALTV615DC8UL CCTV Power Supply is designed with eight (8) individually fused, Class 2 Rated power-limited outputs for powering CCTV cameras and other video accessories. It provides 6VDC-15VDC distributed via eight (8) fused outputs with a total of up to 4A continuous supply current.
Specifications:
Agency Listings:
- UL Listed for Commercial Closed-Circuit Television Equipment (UL 2044).
- CUL Listed – CSA Standard C22.2 No.1-98, Audio, Video, and Similar Equipment.
Input:
- Input 115VAC, 50/60 Hz, 0.9A.
Output:
- 6VDC-15VDC adjustable output.
- Eight (8) individually fuse-protected, Class 2 Rated power-limited outputs.
- 4A total continuous supply current.
- Filtered and electronically regulated outputs.
Fuse Ratings:
- Output fuses are rated at 3.5A/250VAC (Fig. 1).
Visual Indicators:
- AC input and DC output LED indicators.
Additional Features:
- Spare fuses included.
- Unit maintains camera synchronization.
- Ease of installation saves time and eliminates costly labor.
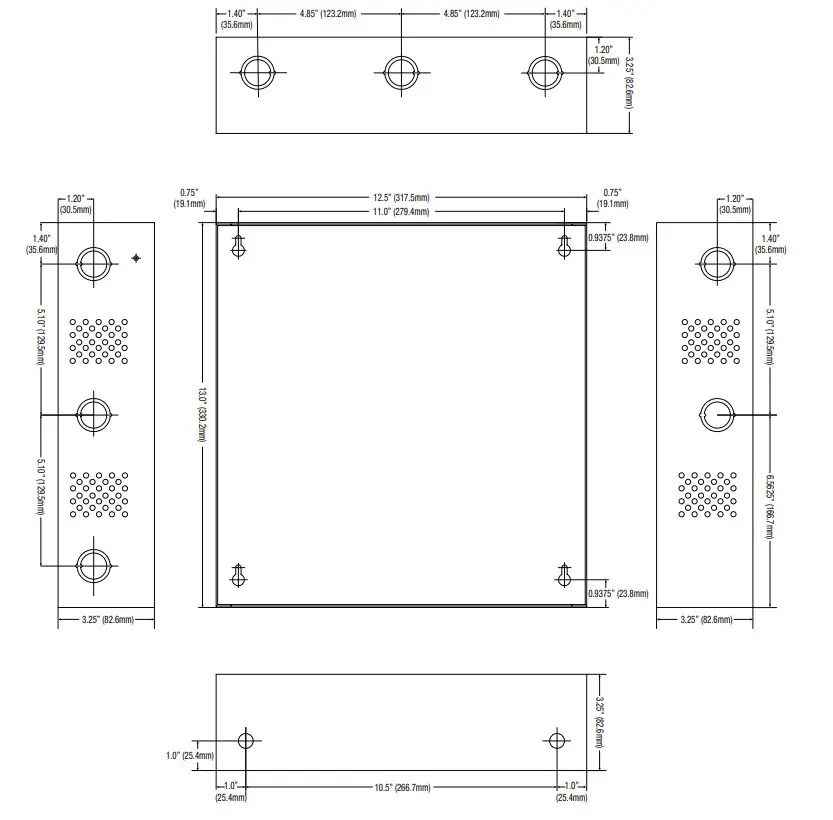
Enclosure Dimensions (H x W x D approx.):
13.5” x 13” x 3.25” (342.9mm x 330.2mm x 82.55mm).
Note: For a model with factory-installed 3-wire line cord add suffix “3”, i.e. ALTV615DC8UL3, and disregard paragraph 2 in Installation Instructions.
Installation Instructions
- Mount ALIV615DC8UL in the desired
- Connect green lead to earth Connect AC (115VAC, 50/60 Hz) to the black and white flying leads of the transformer (Fig. 1). Use knockout adjacent to the transformer. 0.25″ spacing must be provided between AC input wiring and all other circuits.
- Adjust output voltage using a trim pot on the board prior to connecting CCTV devices (Fig. la).
- Measure output voltage before connecting devices. This helps avoid potential
Terminals marked [1 P – 8P] are positive (÷) and terminals marked [1 N – 8N] are negative (-).
CAUTION: Determine the maximum operating voltage of the equipment being powered before adjusting the output voltage. - Connect each DC CCTV camera to the terminal pairs marked [1 P-1 N] through [8P-8N] on PD8 board, carefully observing correct polarity (Fig. 1).
- Green LED will illuminate when the unit is powered.
- Upon completion of the wiring, secure the enclosure door with screws (supplied).
Keep power-limited circuits (outputs 1 through 8) away from non-power-limited ones. 0.25″ space must be provided.
Use separate knockouts.
CAUTION: Equipment to be installed/serviced by authorized/trained personnel only.
Shut branch circuit power before installing/servicing equipment.
WARNING: To reduce the risk of fire or electric shock, do not expose the unit to rain or moisture.
This installation should be made by qualified service personnel and should conform to NEC and all local codes.
Terminal Identification
AL400ULB – Power Supply Board
| Terminal Legend | Function/Description |
| AC/AC | Low voltage AC input (24VAC 100VA). Altronix part #T24130. |
| + DC — | 6VDC-15VDC @ 4A total continuous output. |
PD8UL – Distribution Module
| Terminal Legend | Function/Description |
| 1P – 8P | Positive DC output, Class 2, power-limited. |
| 1N – 8N | Negative DC output, Class 2, power-limited. |
Enclosure Dimensions (H x W x D approximate): 13.5” x 13” x 3.25” (342.9mm x 330.2mm x 82.55mm)

Altronix is not responsible for any typographical errors. Product specifications are subject to change without notice.
140 58th Street, Brooklyn, New York 11220 USA | phone: 718-567-8181 | fax: 718-567-9056
website: www.altronix.com | e-mail: [email protected] | Lifetime Warranty
IIALTV615DC8UL Rev. 042806
K15U



















