Schneider Electric LA9FG976 Set Power Conn

Product Information
The product is LA9-Fp976 manufactured by Schneider Electric Industries SAS, located at 35 Rue Joseph Monier, 92506 Rueil Malmaison France. The product code is W9 1355825 01 31 A06 04 – 2016.
Product Usage Instructions
- Ensure that the product is installed correctly and securely.
- To use the product, press the “Click!” button twice.
- The product is now ready for use.
- To turn off the product, press and hold the “Click!” button for three seconds.
- Do not attempt to disassemble or modify the product.
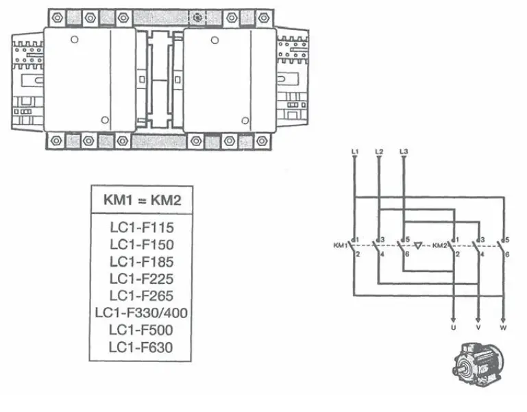
WIRING DIAGRAM




INSTALLATION

W9 1355825 01 31 A06 04 – 2016 1/4 Schneider Electric Industries SAS 35 Rue Joseph Monier 92506 Rueil Malmaison France www.schneider-electric.com




















