Schneider Electric LA9-D11517 Main Power Connector Protective Cutter

Product Information
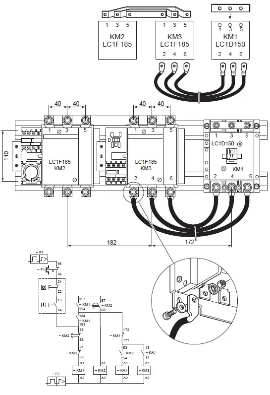
The LA9-D11517, LA9-D15017, and LA9-F18517 are products from Schneider Electric Industries SAS. These products are electrical devices used for controlling electric motors. They are designed to work with LC1 series contactors, including LC1D115, LC1D150, and LC1F185 models. The LA9-D11517 and LA9-D15017 are auxiliary contact blocks, whereas the LA9-F18517 is a front-mounted auxiliary contact. The contacts are rated at 10A and 600V AC or DC.
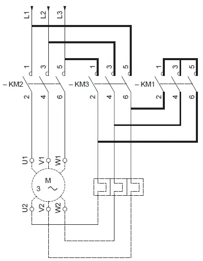
The devices have three main poles that are labeled L1, L2, and L3, and two auxiliary contacts labeled KM1 and KM2. The KM3 contact is only available on the LA9-D11517 and LA9-D15017 models. The wiring terminals are labeled U1, V1, W1 for the main poles and U2, V2, W2 for the auxiliary contacts. The product is also equipped with a mechanical indicator that shows the position of the main contacts.
Product Usage Instructions
Before installing or using the product, please read the user manual carefully and follow the instructions provided by the manufacturer. Here are some general usage instructions for the LA9-D11517, LA9-D15017, and LA9-F18517:
- Make sure that the power supply is turned off before installing or wiring the device.
- Mount the device onto the contactor following the instructions provided by the manufacturer.
- Connect the wires to the appropriate terminals on the device, following the wiring diagram provided in the user manual.
- Make sure that all connections are tight and secure.
- After installing the device, turn on the power supply and test the device to ensure that it is working correctly.
- If the device is not working correctly, turn off the power supply and check the wiring connections and the device settings.
- If you need further assistance or information, please refer to the user manual or contact the manufacturer’s technical support team.
By following these instructions, you can safely install and use the LA9-D11517, LA9-D15017, and LA9-F18517 devices for controlling electric motors in various applications.
Dimension

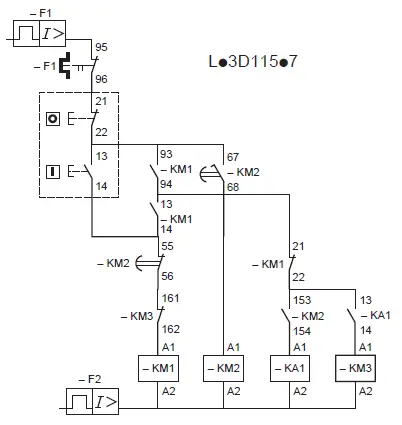
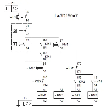
Wiring Diagram
LA9-D11517


LA9-D15017


LA9-F18517

Schneider Electric Industries SAS
35 Rue Joseph Monier
92506 Rueil Malmaison
France.


















