
Model 462
25 Gallon Automatic Preservative Applicator
#010-0462
REVISED 06/11
INTRODUCTION
Congratulations on purchasing a Harvest Tec Model 462 applicator. This applicator is designed to apply Harvest Tec buffered propionic acid. The use of other products can cause application problems and damage to system components. The model 462 base kit includes the following parts: Pumps, Hose, Baler Mounted Processor, Touch screen display, Star wheels, and Miscellaneous Hardware. The applicator can be installed on most conventional balers with the proper installation kit. Before installing the unit on the baler, make sure you have the proper installation kit. (See the chart below.) If you are unsure about your installation kit contact your local dealership for specifications. For your convenience, we have included a parts breakdown for the model 462 applicator. If something goes wrong, bring this manual to the dealership so they can order the correct parts for you. Ordering the correct part number is very important. It will save you time, money, and your crop.
INSTALLATION KIT REFERENCE CHART
| BALER MAKE BALE | BALER | INSTALLATION ALL |
| ALL MAKES | ALL MODELS | 030-4400AB |
TOOLS NEEDED
- Standard wrench set
- Standard socket set
- Standard screwdriver or 5/16” nut driver
- Side cutter
- Hose cutter
- Crescent wrench
- Hammer
- Metal drilling and cutting tools
- Center punch
INSTALLATION OF APPLICATOR
- INSTALLATION OF PUMP PLATE BRACKET AND PUMP PLATE FOR CONVENTIONAL SQUARE BALERS

A. ALL BALERS
Locate the U-shaped bracket (001-4647). Remove the pump from the saddle and bolt the bracket on the saddle using the same bolt holes that were used by the pump. Bolt the bracket to the bottom of the saddle (Figure 1). Connect the pump plate mounting bracket (001-4646C), shown in Figure 2, using two 3/8 x 1 1/4 bolts, nuts, locks, and flat washers to the U-shaped bracket (001-4647). Install the rest of the pump plate as shown in Figure 3. Attach the pump plate holder (001-4646D) to the pump plate mounting bracket (001-4646C) using four 3/8 x 3/4 flange head bolts. The Baler Mounted Processor and pump heads must be pointing down. Failure to mount the pump plate assembly in this specified direction will void all warranty of the Baler Mounted Processor and pumps.

B. ALTERNATE LOCATION FOR GROUND CLEARANCE
Locate the U-shaped bracket (001-4647). Remove the pump from the saddle and bolt the bracket on the saddle using the same bolt holes that were used by the pump. Bolt the bracket inside of the saddle (Figure 4). Connect the pump plate mounting bracket (001-4646C), shown in Figure 5, using two 3/8 x 1 1/4 bolts, nuts, locks, and flat washers to the U-shaped bracket (001-4647). Install the rest of the pump plate as shown in Figure 6. Attach the pump plate holder (001-4646D) to the pump plate mounting bracket (001-4646C) using four 3/8 x 3/4 flange head bolts. The Baler Mounted Processor and pump heads must be pointing down. Failure to mount the pump plate assembly in this specified direction will void all warranty of the Baler Mounted Processor and pumps.
- FOR ALL BALERS THREE TIE AND CASE/HESSTON INLINE BALERS

Locate the two mounting holes as shown in Figure 1. - Connect the pump plate mounting bracket (001-4646C), shown in Figure 2, using two 3/8 x 1 1/4 bolts, nuts, locks, and flat washers to the saddle.
- Attach the pump plate holder (001-4646D) to the pump plate mounting bracket (001-4647) using four 3/8 x 3/4 flange head bolts. Figure 3.
The Baler Mounted Processor and pump heads must be pointing down. Failure to mount the pump plate assembly in this specified direction will void all warranty of the Baler Mounted Processor and pumps.
3. PLACEMENT OF SPRAY NOZZLE ASSEMBLY 4400AB FOR ALL BALERS WITHOUT A SHIELD
Conventional baler with gathering forks.
- Mount the left-hand nozzle strap (it has an elbow fitting and a silver tip) so that it is approximately 80% across the width of the pick-up head. For example: if the head is 60” wide, locate the nozzle 48” from the right side of the head (60”x80”.)
- Mount the right-hand nozzle strap (it has a tee fitting and a silver tip) so that it is approximately centered on the pickup head.
- Place the two auxiliary nozzle straps in between the first two straps.
- Bend the nozzle bar in so that the tip is pointed in toward the bottom of the gathering chamber and about 16” above the sheet metal base of the chamber. Twist the nozzle so the tip is tilted 45 degrees from the horizontal.
- Attach hoses to nozzle straps. Clear hose to sliver tips. Green hose to green tip. Blue hose to blue tip. Secure with hose clamps.

4400AB FOR ALL BALERS WITH A SHIELD
You will need to use the existing shield and add elbows, stainless steel nozzle bodies, and the appropriate tips to complete the shield.
4. INSTALLATION OF PLUMBING
A. Intake
Use the 003-EL3412 on the bottom of the tank to route the 1/2″ line (002-9001) to the 003-A1212 fitting on the ball valve already attached to the pump plate. Attach hose clamps (003-9003) on both of the fittings.
B. Discharge for Conventional Square Balers
The three-1/4″ hose assembly will be used to attach the pumps to the spray shield. The pump order is from closest to the filter bowls 1,2 and 3. Pump 1 will attach to the main nozzles that have two tips – attach a clear hose to the silver tips. Pumps 2 and 3 will attach to the auxiliary nozzles, pump 2: green hose to green tip, pump 3: blue hose to blue tip.
C. Discharge for Three Tie Balers
The three-1/4″ hose assembly will be used to attach the pumps to the spray shield. The pump order is from closest to the filter bowls 1,2 and 3. Pump 1 will attach to the main nozzles that have two tips – attach a clear hose to the white tips. Pumps 2 and 3 will attach to the auxiliary nozzles, pump 2: a green hose to a green tip, and pump 3: a blue hose to a red tip.
5. INSTALLATION OF STAR WHEELS AND BALE RATE SENSORS
The pair of star wheels will need to mount on the bottom side as close to the front of the bale chute as possible and at least 3/8″ away from any metal. They will need to maintain a safe distance away from the twine.
The star wheels will require two holes to be drilled per block, when drilling make sure to keep the wheel square to the bale chamber. Any angle will cause stress on the wheel and will eventually cause the wheel to work itself out of the block. Some balers may require a notch cut on the bottom of the bale chamber to mount the star wheels as close to the front of the chamber as possible. Use the template in the back of the manual to aid in installation.
Use the supplied bolts and place the carriage head inside of the bale chamber followed by lock and nut. Next attach the star wheels to the bolts followed by a flat washer, lock washer, and nut. The right side star wheel will have the bale rate sensor bolted to the bottom of the block. The sensors need to be no more than 1/4 inch away from the star wheel itself. The cable will attach to the BMP at the bale rate sensor port.
Remove the four screws holding the plastic cover and attach one wire eye loop per star wheel through the grommet and tighten down with the nut attached to the swivel. Reinstall the cover and run the wires up to the pump plate. You will need to use zip ties to attach the wires so as to not interfere with normal baler use.

FOR THREE TIES BALERS
The pair of star wheels will need to mount on the top as close to the knotters as possible and at least 3/8″ away from any metal. They will need to maintain a safe distance away from the twine.
The star wheels will require two holes to be drilled per block, when drilling make sure to keep the wheel square to the bale chamber. Any angle will cause stress on the wheel and will eventually cause the wheel to work itself out of the block. A template can be found in the back of the manual to help with the placement of the star wheel.
Use the supplied 5/16” Allen head carriage bolts and place the carriage head inside of the bale chamber followed by lock and nut. Next, attach the star wheels to the bolts followed by the twine diverters 001-4644 and 001-4645. Finally secure the entire block using nuts, locks, and flat washers. The twine diverter with the bale rate sensors needs to be mounted on the right side of the baler when facing the back.
Remove the four screws holding the plastic cover and attach one wire eye loop per star wheel through the grommet and tighten down with the nut attached to the swivel. Reinstall the cover and run the wires up to the pump plate. You will need to use zip ties to attach the wires so as to not interfere with normal baler use.

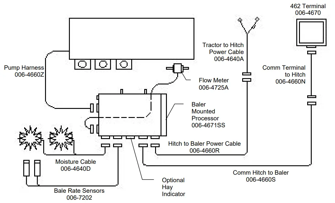
6. POWER CABLE AND MAIN WIRING HARNESS INSTALLATION
- Locate the power harness.
- Connect the power harness (006-4640A) to the battery (12 volts) using the red wire with a fuse to the positive side and the black wire to the negative.
A) The power harness must be connected to the battery! The unit will draw more amps than convenience outlets can handle. Any modifications to the power harness will void the system’s warranty. CONTACT HARVEST TEC IF MODIFICATION IS REQUIRED!
B) This unit will not function on positive ground tractors.
C) If the unit loses power while operating it will not keep track of accumulated pounds of product used. - The power harness (006-4640A) will run from the tractor battery to the hitch. The power harness (006-4660K) will connect to the tractor power harness (006-4640A) at the hitch. Run the Communication harness (006-4660N) from the cab to the hitch. This wire will connect to the Communication harness (006-4660L). These wires will run together to the Baler Mounted Processor (006-4671SS).
- Connect Flow Meter (006-4725A) to the Baler Mounted Processor.
- Connect the Pump Harness (006-4660Z) to the Baler Mounted Processor.
- If you have the optional Hay Indicator connect it to the Baler Mounted Processor.
- Attach moisture cable (006-4640D) to Baler Mounted Processor.
- Connect the bale rate sensors cable (006-7202) to the Baler Mounted Processor.
- Install Baler Mounted Processor in pump plate using 5/16” lock, nut, and flat washers.
SYSTEM WIRING DIAGRAM

INSTALLATION OF CONTROL
INSTALL THE MOUNTING BRACKET FOR THE CONTROL IN THE CAB.
Use the four mounting screws to mount the round base in a convenient area in your cab or on your fender. If the unit is mounted on the fender it will need to be removed at night and stored in a clean and dry area.
Use the ram mount swivel-positioning nut to tighten the entire assembly. Adjust it so that you can view the entire screen and be able to use the touch screen without interfering with other tractor functions.
Connect the communication wire (006-4660N) to the bottom of the terminal.
7. DESCRIPTION OF BUTTONS
This system is calibrated for use with Harvest Tec buffered propionic acid. The use of other products can cause application problems and damage to system components. It is designed to apply rates of 16 to 300 pounds of acid per hour and read moisture levels of 10 to 32 percent. The 462 monitors will allow you to set your bale weight, single bale formation time, moisture levels, and application rates. The Automatic Mode option will automatically adjust the application rates as the moisture level changes. Manual Mode will allow you to control the application rates on the go. To turn the display on, press anywhere on the right side of the screen followed by pushing the “Press to Start” key.

AUTOMATIC MODE This mode allows you to use all of the applicator’s features such as adjusting the preservative application on the go and counting the total pounds of product used.
MANUAL MODE Allows the operator to manually turn pumps on and off. This model also has moisture content displayed. Use this mode to prime pumps.
SETUP MODE This mode allows the operator to adjust the bale rate and application rate settings and view or change tip selection.
DIAGNOSTICS Allows the operator to automatically check the performance and output of pumps as well as set the date and time.
JOB RECORDS Keeps track of up to 63 jobs with the total product used, average moisture content, tons baled, and date of baling.
POWER OFF This key turns the unit off. Press anywhere on the right side of the screen to turn the unit on.
CONTRAST This button is your contrast control. Press this button to lighten the screen. When the screen reaches its lightest point, pressing again will return to the darkest setting. Fine-tuning the contrast can be accomplished by turning the knob on the bottom right side of the enclosure.
8. FIRST-TIME AND ANNUAL START-UP INSTRUCTIONS
AFTER INSTALLATION THE UNIT MUST BE CHECKED OUT BEFORE FIELD OPERATION!!
CHECKING AND PRIMING THE PUMPS
- Put 10 gal of water in the tank and turn the main ball valve on.
- Inspect for any leaks or drips at this time. If any are found tighten or replace the area or fitting.
- Turn the controller on (push anywhere on the screen).
- Press the SETUP MODE key. (See page 15) Select Sensors are: OFF to disable bale rate sensors. Make sure the AVG Bale Weight is 100 lbs and the AVG Baler Length is 36 in. and EST Baling Time is sec. Press the MAIN MENU key to return to the opening screen.
- Press the MANUAL MODE key.
- The screen shown below should appear.
- The rates listed below are for Harvest Tec buffered propionic acid. Other products will need to be collected and weighed to assure proper performance is achieved.

- NOTE: THE SYSTEM COMES WITH THE TIPS ALREADY INSTALLED ON THE SPRAY SHIELD. FOR TWO-TIE BALERS USE THE CONVENTIONAL TEST BELOW, FOR THREE-TIE USE THE THREE-TIE TEST BELOW.
• For Conventional Square balers: Turn pump 1 on (P1). To do this press the underlined area on the screen which says OFF. The application rate should then read between 1.2 – 1.6 Lbs/Ton. Ideally, at 13.5 volts, the rate would read 1.4 Lbs/Ton.
• Repeat the process for pumps 2 and 3 (P2 and P3). The application rate should read between 3.6
– 5.0 Lbs/Ton and 6.7 – 9.3 Lbs/Ton respectively. Ideally, at 13.5 volts, the rate for pump 2 would be 4.3 Lbs/Ton; pump 3 would be 8.0 Lbs/Ton.
• For Three Tie: Turn pump 1 on (P1). To do this press the underlined area on the screen which says OFF. The application rate should then read between 1.8 – 2.6 Lbs/Ton. Ideally, at 13.5 volts, the rate would read 2.2 Lbs/Ton.
• Repeat the process for pumps 2 and 3 (P2 and P3). The application rate should read between 3.6
– 5.0 Lbs/Ton and 9.7 – 13.4 Lbs/Ton respectively. Ideally, at 13.5 volts, the rate for pump 2 would be 4.3 Lbs/Ton; pump 3 would be 11.4 Lbs/Ton. - This process will also be used to prime the pumps whenever needed.
- While running pumps check for a good spray pattern out of the respective tips and verify that no parts of the system are leaking.
- While doing these tests the Volume Used on the bottom of the screen should be counting up, this verifies that the flow meter is functioning.
- In order to check moisture readings, have an assistant grab the star wheels. The moisture should read between 17-25 percent depending on how moist their hands are.
- This button is your contrast control. Press this button to lighten the screen. When the screen reaches its lightest point, pressing again will return to the darkest setting.
- Press the MAIN MENU key to return to the initial start-up screen.
9. SETTING UP THE SYSTEM FOR INITIAL USE
IN THIS MODE YOU WILL SET UP YOUR INITIAL APPLICATION RATE AND BALING RATE
APPLICATION RATE
After pushing the SETUP MODE key in the Main Menu screen, the top screen should appear:

- On this screen, the operator will press the APPLICATION RATE key. Once pressed the SETUP APPLICATION RATE screen will be shown. (bottom left picture)
- Press any of the underlined numbers to the right of %MC to adjust their figures. The keypad shown on the bottom right will display. Remember level 1 must be lower than level 2 and level 2 must be lower than level 3. Harvest Tec products recommend set points of 16, 22, and 26 % MC levels. These are preset from the factory. Press ENTER to return to the previous screen.
- To change the rate of chemical application press any of the underlined numbers to the right of the RATE:. The keypad shown on the bottom right will display. Remember level 1 must be lower than level 2 and level 2 must be lower than level 3. Harvest Tec products recommend rates of 4,8 and 16 lbs/ton. These rates are preset from the factory. Press ENTER to return to the previous screen. IT IS THE OPERATOR’S RESPONSIBILITY TO FOLLOW THE RECOMMENDATIONS OF THE PRESERVATIVE. ONLY THE OPERATOR CAN APPLY THE PROPER RATE.
- To set the alarm press on the underlined area. Set the level at which you want the alarm to activate. To turn the alarm off, set the level above 35.
- The TIP OUTPUT should always read LOW for small square balers; only use HIGH for three tie balers. The TIP OUTPUT key allows the operator to select between high and low outputs.
- Next press the BACK key found on the bottom left hand of the screen to return to the previous screen or press the MAIN MENU key on the bottom right hand of the screen to return to the opening screen.
BALING RATE
After pushing the SETUP MODE key in the Main Menu screen, the top screen should appear:

- On this screen, the operator will press the BALING RATE key. This screen is shown on the bottom left picture shown above.
- Press the underlined number to the right of AVG Bale Weight (Lbs): to adjust the weight of your bales. The keypad shown on the right side will display. Press any number combination in this screen within the min/max limits. Press the ENTER key to save this information. The information will remain until it is changed again.
- Press the underlined number to the right of AVG Bale Length (In): to adjust the length of your bales. The keypad shown on the right side will display. Press any number combination in this screen within the min/max limits. Press the ENTER key to save this information. The information will remain until it is changed again.
- Press the underlined number to the right of EST Baling Time (Sec): to adjust the time it takes to make a bale. The keypad shown on the right side will display. Press any number combination in this screen within the min/max limits. Press the ENTER key to save this information. The information will remain until it is changed again.
- If the unit will be run with the bale sensors on, then the bale weight and length will need to be input. When the sensors are: on, the applicator will calculate your tons per hour. When the Sensors are: off (as shown above), constant tons per hour ( your input bale weight and time) will be used. Press the underlined word to toggle between on or off.
- Next press the BACK key found on the bottom left hand of the screen to return to the Setup Mode screen, or press the MAIN MENU key on the bottom right hand of the screen to return to the opening screen.
- Press the OPTIONS key to adjust the touchscreen between metric and standard units and languages
OPERATING INSTRUCTIONS
Auto mode will automatically apply the product based on both hay moisture content sensed by the star wheels and the operator’s presets. (See SETTING UP SYSTEM FOR INITIAL USE to change any of these settings). Manual mode will apply preservatives to the hay at a fixed rate regardless of the moisture content.
AUTOMATIC MODE
After pushing the AUTOMATIC MODE key in the Main Menu screen, the following screen should appear:

- Push the START/STOP key to pause the unit while in operation.
- Push the OVERRIDE key to turn on all three pumps at the same time for the full output of the system. Use this mode when going through a short area of wet crop.
- The moisture content is shown in the upper right-hand corner.
- Baling Rate and Application Rate are shown in the middle. The operator sets the target application rate in the setup mode; the actual rate should be within +/- one pound when running. The baling rate is also set in Setup Mode.
- The volume used shown at the bottom of the screen will show accumulated pounds of preservative used on the go. This number will reset at power down but remains in the job record screen.
NOTE: Initial start-up requires pressing the New Job key in the Job Records screen in order for Volume Used accumulation to be recorded. This only needs to be done once on the initial start-up of the system and not every time the system is started for operation. (See JOB RECORDS screen) - The graph shows the moisture trend from the past 90 seconds in 3-second intervals.
- This button is your contrast control. Press this button to lighten the screen. When the screen reaches its lightest point, pressing again will return to the darkest setting.
- Press the MAIN MENU key to return to the opening screen.
MANUAL MODE
After pushing the MANUAL MODE key in the Main Menu screen, the following screen should appear:

- Push the START/STOP key to pause the system while in operation.
- Push the OVERRIDE key to turn on all three pumps at the same time for the full output of the system. Use this mode when going through a short area of wet crop.
- In Manual Mode, you can turn the pumps on or off by pressing the underlined area next to the pump numbers. In Manual Mode (regardless of tons per hour, moisture, or bale weight) the outputs of the pumps are fixed rates as follows:
Pump outputs for Three Tie (High):
Pump 1 = 40 LBS/HR
Pump 2 = 75 LBS/HR
Pump 3 = 205 LBS/HR
Conventional Square (Low):
Pump 1 = 25 LBS/HR
Pump 2 = 75 LBS/HR
Pump 3 = 145 LBS/HR - The moisture content is shown in the upper right-hand corner.
- Baling rate and Application rate are shown in the middle. The output of a pump can be checked by dividing the preset output (shown in step 3, above) by the displayed baling rate. For example, if you are running pump three, by itself for a conventional square, your output is 145 lbs/hr. Given the baling rate shown on the above screen (18 tons/hr), the application rate should be about 8.0 lbs/ton (145 lbs/hr divided by 18 tons/hr).
- The volume used shown at the bottom of the screen will show accumulated pounds of preservative used on the go. This number will reset at power down but remains in the job record screen.
NOTE: Initial start-up requires pressing the New Job key in the Job Records screen in order for Volume Used accumulation to be recorded. This only needs to be done once on the initial start-up of the system and not every time the system is started for operation. (See JOB RECORDS on the following page) - The baling rate is set in the Setup Mode menu.
- The graph shows the moisture trend from the past 90 seconds of baling time (one reading every three seconds).
- This button is your contrast control. Press this button to lighten the screen. When the screen reaches its lightest point, pressing again will return it to the darkest setting
- Press the Main Menu key to return to the opening screen.
JOB RECORDS
After pushing the JOB RECORDS key in the Main Menu screen, the following screen should appear:

- The job number will be displayed in the top left corner and will move to the next job when the NEW JOB key is pressed. The current job being viewed will always read “Job #: 0”. The product used and average moisture content will be reset when the NEW JOB key is pressed. The job records screen will store up to 63 jobs and will allow you to access previous jobs by using the up and down arrows found on the right side of the screen.
- Scrolling through previous jobs is done by pressing the UP or Down keys.
- Every time the NEW JOB key is pressed the accumulated pounds on auto and manual modes will be reset to zero. After 63 jobs have been stored, the next time the NEW JOB key is pressed the system will start over with job one and the old job will be replaced.
- The highest moisture content will display moisture up to 33%. Any moisture recorded higher than 33 % will register only as 99%.
- To return to the opening screen, press the MAIN MENU key.
NOTE: Initial start-up requires pressing the New Job key in the Job Records screen in order for Volume Used accumulation to be recorded. This only needs to be done once on the initial start-up of the system and not every time the system is started for operation.
DIAGNOSTICS
After pushing the DIAGNOSTICS key in the Main Menu screen, the following screen should appear:

The diagnostic mode will automatically check the pump output and performance of the three pumps. It is recommended to use this mode daily to ensure proper system performance.
Acceptable ranges for output:
| Low output tips: | High output tips: |
| Pump 1 = 21 – 30 LBS/HR | Pump 1 = 34 – 47 LBS/HR |
| Pump 2 = 64 – 88 LBS/HR | Pump 2 = 64 – 88 LBS/HR |
| Pump 3 = 123 -170 LBS/HR | Pump 3 = 175 – 240 LBS/HR |
- Once the screen is displayed, press the PUMP OUTPUTS key.
The machine will cycle all three of the pumps for 15 seconds. After the cycles are complete, the system will display a number next to each pump number. - If the system displays within the listed range.
A. The system is operating correctly.
If the system displays higher than the listed range, some common problems could be:
A. Leak in line. Inspect lines thoroughly.
B. Tip missing. Check for lost or broken tips on the spray shield.
C. Tip wore. Replace tip.
D. High tractor voltage.
If the system displays lower than the listed range, some common problems could be:
A. Make sure there is a preservative in the tank and the ball valve is in the open position.
B. Air in lines. The pump will not prime. Check for leaks in lines or defective check valves.
C. Pump is working, but not producing the desired output. The pump needs to be rebuilt.
D. Main filter plugged. Check filter by tank and clean if necessary.
E. Tip or tip screen plugged. Check both tip and tip screen and clean if necessary.
F. Kink in hose. Straighten or replace the hose.
G. Voltage from the tractor is low. Check the power cord with a multimeter for 12 volts at the baler-mounted processor. Clean connections on the battery. Dielectric grease connections at baler mounted processor and at hitch connection.
H. Pump is defective. Rebuild the pump if the motor runs smoothly. Replace the pump if the motor is bad.
I. Defective flow meter. Only if all pumps run, the product is applied, and all numbers read 0. - To set the date and time, press the SET DATE/TIME key. In the next screen enter the date (month, day, year format) followed by the time. When done press the ENTER key. NOTE: The clock uses military (or 24 hours) time.
- The voltage should be between 12.0 to 14.5 volts for the system to work properly. If voltage is not in this range check all power cord connections and the tractor’s charging system.
- When done in this mode, press the MAIN MENU key.
COMMON QUESTIONS ABOUT THE 462
– To turn the system ON simply press anywhere on the right side of the screen followed by pushing the press to start key. To turn the system OFF, return to the Main Menu screen and press the POWER OFF key.
– In the Main Menu press the SETUP MODE key. From this screen you can change your application rates and how much product is applied. See SETTING UP FOR INITIAL USE for a detailed explanation of this process
– In the Application Rate screen, level 1 must be less than level 2, and level 2 must be less than level 3. For example, if level 1 is set at 16, level 2 must be set at 17 or higher, and level 3 must be set higher than level 2.
– Override turns on all three pumps at full output. The pumps will remain at the full output until the operator turns these pumps off by pressing the OVERRIDE key again.
– Some variation in flow meter readings compared to the programmed set point is normal due to factory tolerances on the pump motors as well as varying tractor voltages inputted to the control box. The flow meter reading is an accurate measure of how much product is actually being applied. The set points then will need to be adjusted if you want to attain a different flow meter reading.
– The selections of what pumps turn on when are automatically controlled by the control box’s flow rate look-up chart. Thus, not all the pumps turn on at once and the combination of what pumps turn on when is automatically controlled by the software. If you want to make sure all three pumps are working, go to the Diagnostics screen and run pump outputs. .
– When the moisture content display does not change frequently while baling, there is likely a faulty star wheel connection. One of the first places to check is inside the white star wheel block. Check to see if the electronic swivel is in the star wheel shaft and check to see that the star wheel shaft is not working out of the block. Also, check all star wheel wires and connectors to see if there is a continuity or grounding problem.
– Yes. Anytime the tractor will have voltage going up rapidly the connections should be removed.
MAINTENANCE
- Clean the tip strainers and main strainer every 10 hours of operation or more frequently if required.
- Depending on the product being used, the system may need to be flushed with water at regular intervals (consult with the manufacturer of the chemical.) If Harvest Tec product is being used, flushing is not necessary.
- Although the pump can run dry, extended operation of a dry pump will increase wear. Watch the preservative level in the tank.
- Cover the automatic cab terminal on open station tractors if left outside.
- Pump performance may start to decline after 400 hours (1500 acres on conventional balers) of use. Rebuilding pumps is a simple procedure if the motor is not damaged.
Order pump rebuilding kit #007-4581 for the automatic unit. - If you are using bacterial inoculants, flush your system daily after every use.
- Clean tank cap every 10 hours of operation.
Maintenance Schedule Daily 10 hrs 400 hrs Weekly Monthly Season Diagnostics X X Filter bowl cleaning X X Tip screen cleaning X X Tank cap cleaning X X Dielectric grease connections X X Rebuild pump X Battery connections X X Check valves X Visually inspect hoses X X
WINTER STORAGE
- Thoroughly flush the system with water.
- Remove the filter bowl and run dry until the water has cleared out of the intake side.
- Remove the red plug from the bottom of the pump, drain, and run the pump for 30 seconds or until it is dry.
- Drain all lines on the outlet side.
- Never use oils or alcohol-based anti-freeze in the system.
- During spring start-up, if the pump is frozen turn off the power immediately to avoid burning the motor out. The pump head can be disassembled and freed or rebuilt in most cases.
- Disconnect power from the system.
- Remove the display from the tractor and store it in a warm, dry place.
TROUBLESHOOTING CHECKS:
| PROBLEM | POSSIBLE CAUSE | SOLUTION |
| The pump will not run. | 1. No voltage to Baler Mounted Processor. | 1. Check for short, low-voltage, and replace the fuse if necessary. |
| 2. Pump locked up. | 2. Clean or rebuild the pump if the motor is OK. | |
| 3. Damaged wire. | 3. Repair damaged wire. | |
| The pump runs but will not prime. | 1. Air leak in intake. | 1. Tighten fittings on the intake side. |
| 2. Clogged intake. | 2. Clean. | |
| 3. Restricted outlet. | 3. Check and clean tips. | |
| 4. Check valve on the outlet is stuck closed. | 4. Clean or repair the check valve. | |
| 5. Dirt inside the pump. | 5. Replace the pump check valve. | |
| The pump does not develop enough output. | 1. Air leaks or clogs on the inlet side. | 1. Tighten or clean the filter bowl assembly. |
| 2. Pump worn or dirty. | 2. Rebuild the pump. | |
| Moisture reading errors (high or low) | 1. Wire disconnected or bad connection between star wheels and baler mounted processor. | 1. Reconnect the wire. |
| 2. Low power supply to the baler-mounted processor. | 2. Check the voltage at the box. (Min of 12 volts required.) See the Diagnostics section of the manual. | |
| 3. Wet hay with over 32% moisture | ||
| 4. Ground contact with one or both star wheels and baler-mounted processors. | 4. Reconnect. | |
| 5. Short in the wire between star wheels and baler-mounted processor. | 5. Replace the wire. | |
| 6. Check hay with a hand tester to verify. | 6. Contact Harvest Tec if conditions persist. | |
| Moisture readings are erratic. | 1. Test bales with a hand tester to verify that the cab monitor has more variation than the hand tester. | |
| 2. Check all wiring connections for corrosion or poor contact. | 2. Apply dielectric grease to all connections. | |
| 3. Check the power supply at the tractor. Voltage should be constant between 12 and 14 volts. | 3. Install voltage surge protection on the tractor’s alternator. | |
| Flow meter readings do not match up with product usage. | ||
| The product is less than the actual product used. | 1. Voltage supplied to the meter is less than 6 volts. | 1. Check for a min of 6 volts supplied at the baler-mounted processor. |
| 2. Wiring short in signal to baler mounted processor. | 2. Inspect the wire and replace it if necessary. | |
| 3. Clog in meter. | 3. Back flush with water. DO NOT USE AIR. | |
| The product shown is more than the actual product used. | 1. High voltage supplied to the meter. | 1. Check the voltage at the baler-mounted processor. Max of 18 volts. |
| 2. Light interference with the meter. | 2. Reflection into the meter can cause a high reading. Move the meter or protect it from sunlight. | |
| 3. Air leak in intake. | 3. Look for air bubbles in the line. Replace the line or another defective area that is allowing air into the system. | |
| System leaks product out of tips after shut down. | 1. Dirty or defective check valves. | 1. Clean or Replace. |
| The terminal reads under or over power. | 1. Verify with multi-meter actual voltage. The voltage range should be between 12-14 volts. | 1. Clean connections and make sure the applicator is hooked to the battery. See the Diagnostics section of the manual. |
| The system always displays “End of Row Pause”. | 1. Flow meter connector plug is plugged into the Hay Indicator port on Baler Mounted Processor. | 1. Switch ports. |
| The system does not pause at the end of a row. | 1. Short in the cable. | 1. Replace the cable. |
| The Bale rate displays zero. | 1. Bale rate sensors are reversed. 2. Short in the cable. | 1. Switch the sensors next to the star wheel. 2. Replace the cable. |
| The display will not power up. | 1. Display connector plug and bale rate sensors plug are switched on the Baler Mounted Processor. 2. Short in display cable. | 1. Switch plugs. 2. Replace the cable. |
| The display is too dark or light | 1. Change in temperature or light conditions. | 1. Use the monitor’s contrast control. |
| 2. Display and BMP not communicating. | 2. Disconnect the 12-volt power cable at the hitch. DO NOT DISCONNECT THE DISPLAY CABLE. Wait 5 minutes and reconnect. | |
| The display says waiting for BMP | 1. Display and BMP not communicating. | 1. Disconnect the 12-volt power cable at the hitch. DO NOT DISCONNECT THE DISPLAY CABLE. Wait 5 minutes and reconnect. |
BACKUP FUSE
The Model 462 is equipped with a backup system if your display is not functioning. This function is intended for use only as a temporary means of application and not as a way to apply preservatives over multiple fields or for a lengthy amount of time. The baler-mounted processor has a location for a backup fuse on the same side as the pump and flows meter harness that bypasses all other system inputs and applies preservatives using one pump (Pump Three) at a constant lbs/hour shown below. These values are based upon an input voltage of 13.5 DC. Insert at least a 10 amp up to 20 amp fuse (3 AG style) into the backup fuse port to activate the bypass. The system will not turn off or pause until the fuse is removed. The main fuse must also be functional for the backup fuse to work. Tip Set Output (lbs/hour) 462 High 180 High 180 Low 150 150
WIRING DIAGRAMS
A. Main power connector mounted on the batteryPin 1 Red + 12 V input from tractor supply Pin 2 Black Ground from tractor supply Pin 3 Not used

B. Main power connector mounted on BMP
| Pin 1 | Red | + 12 V input from tractor supply |
| Pin 2 | Black | Ground from tractor supply |
| Pin 3 | Not used |

C. Pump connection colorsPin 1 Black with orange markings Pump 1 ground Pin 2 Black with green markings Pump 2 ground Pin 3 Black with yellow markings Pump 3 ground Pin 4 Not used Pin 5 Orange with black markings Pump 1 Positive Pin 6 Green with black markings Pump 2 Positive Pin 7 Yellow with black markings Pump 3 Positive

D. Flow meter connection on BMPPin 1 White 5 – 12 V (+) supply Pin 2 Green Ground Pin 3 Brown Signal Pin 4 Black Shield

E. Connector for Hay Indicator option on BMP
Note: Hay indicators are an option that will turn the system on and off automatically as hay enters the pickup of the baler.
| Pin 1 | Red | +12V |
| Pin 2 | Black | Ground |
| Pin 3 | White | Signal wire |
| Pin 4 | Not used |

F. Bale rate sensors on BMP
| Pin1 | Brown | Sensor power |
| Pin2 | Black | Signal for front prox. sensor |
| Pin3 | Blue | Sensor ground |
| Pin4 | Black | Signal for back prox. sensor |

G. Star wheel connector mounted on BMP
| Pin 1 | Brown | Star wheel input 1 |
| Pin 2 | Blue | Star wheel input 2 |
| Pin 3 | Brown | Diagnostic 1 |
| Pin 4 | Blue | Diagnostic 2 |
| Pin 5 | Silver | Shield |
| Pin 6 | Silver | Shield |
| Pin 7 | Not used | |
| Pin 8 | Not used | |
| Pin 9 | Not used |

H. Communication harness display to hitch
| Pin 1 | Red | Power to display |
| Pin 2 | Black | Ground to display |
| Pin 3 | Blue | Comm channel OH |
| Pin 4 | Orange | Comm channel OL |

I. Communication harness hitch to the baler-mounted processor
| Pin 1 | Red | Power to display |
| Pin 2 | Black | Ground to display |
| Pin 3 | Blue | Comm channel OH |
| Pin 4 | Orange | Comm channel OL |

PARTS BREAKDOWN FOR 462
PARTS BREAKDOWN FOR PUMP PLATE

| Ref# | Description | Part# | Qty |
| 1 | Pump plate | 001-4646D | 1 |
| 2 | Mounting Bracket | 001-4646C | 1 |
| 3 | Pump | 007-4120H | 3 |
| 4 | Street elbow fitting | 003-SE38 | 3 |
| 5 | Nipple fitting | 003-M3838 | 3 |
| 6 | Check valve | 002-4566F | 3 |
| 7 | Elbow fitting | 003-EL3812 | 1 |
| 8 | Tee fitting | 003-T3812HB | 2 |
| 9 | Flow meter assembly | 006-4725A | 1 |
| 10 | Straight fitting | 003-A1212 | 2 |
| 11 | Elbow fitting | 003-JEL1238 | 3 |
| 12 | Nipple fitting | 002-4315 | 1 |
| 12a | Filter bowl assembly | 002-4315F | 1 |
| 12b | Filter bowl only | 002-4315D | 1 |
| 12c | Filter bowl gasket | 002-4315B | 1 |
| 13 | Filter bowl screen | 003-M1212 | 1 |
| 14 | Ball valve | 002-2212 | 1 |
| 15 | Street elbow fitting | 003-SE12 | 1 |
| 16 | Hose clamp | 003-9003 | 7 |
| 17 | Hose clamp (Flow Meter) | 003-9005 | 2 |
| 18 | Pump Cable | 006-4660Z | 1 |
| NP | Pump rebuild kit (1 per pump) | 007-4581 | 1 |
| NP | Elbow | 003-EL1212 | 1 |
| NP | Not Pictured |
PARTS BREAKDOWN FOR STAR WHEEL SENSOR AND HOSES

| Ref | Description | Part# | Qty |
| 1 | Washer | 4 | |
| 2 | Dust Seal | 4 | |
| 3 | Snap Ring | 4 | |
| 4 | Swivel | 006-4642A | 2 |
| 5 | Star Wheel | 030-4641E | 2 |
| 6 | Insert | w/ Ref # 5 | 2 |
| 7 | Wiring grommet | 008-0821A | 2 |
| 8 | Star wheel block | 006-4641A | 2 |
| 9 | Plug Fitting | 003-F38 | 2 |
| 10 | Block Cover | 006-4641B | 2 |
| 1-10 | Star wheel assembly | 030-4642 | 2 |
| 11 | Moisture cable | 006-4640D | 1 |
| 12 | Bale rate sensor | 006-7303S | 2 |
| 13 | Bale rate sensor harness | 006-7202H | 1 |
| 12-13 | Bale rate sensor assembly | 006-7202 | 1 |
| 14 | Bale rate sensor holder | 001-4644SS | 1 |

| Ref | Description | Part# | Qty |
| 1 | Triple weld hose (from pumps to tips) Hose assembly (3 hose assembly) | 002-9016 002-9016B 002-9016G 030-9016SS | 15ft 15ft 15ft 1 |
| 2 | ½” Hose (tank to filter) | 002-9001 | 6ft |
PARTS BREAKDOWN FOR CONTROL BOX AND WIRING HARNESSES

| Ref | Description | Part# |
| 1 | Power lead tractor | 006-4640A |
| 2 | Power lead baler | 006-4660R |
| 3 | Baler mounted processor | 006-4671SS |
| 4 | Communication harness (baler) | 006-4660S |
| 5 | Communication harness (tractor) | 006-4660N |
| 6 | Ram mount | 001-2012H |
| 7 | 462 Terminal | 006-4670 |
| NP | Dust caps | 006-4660PLUGS |
HARVEST TEC MODEL 4400AB INSTALLATION KIT FOR UNIVERSAL CONVENTIONAL SQUARE BALERS, AUTOMATIC CONTROL

| Ref | Description | Part# | Qty |
| 1 | Nozzle strap | 001-4215 | 4 |
| 2 | Elbow | 003-EL1414F | 3 |
| 3 | Nozzle body | 004-4744 | 4 |
| 4 | Nozzle cap | 004-4745 | 4 |
| 5 | Tip strainer | 004-4213-200 | 4 |
| 6 | Tee | 003-TT14 | 1 |
| 7 | Straight fitting | 003-A1414 | 2 |
| 8 | Hose clamp | 003-9002 | 5 |
| NP | Tip | 004-650033-SS | 2 |
| NP | Tip | 004-XR110015VS | 1 |
| NP | Tip | 004-XR11003VS | 1 |
| NP | Tip | 004-XR11004VS | 1 |
| NP | Tip | 004-650050-PT | 2 |
| NP | Not pictured |
NOTES:

WARRANTY AND LIABILITY AGREEMENT
Harvest Tec, Inc. will repair or replace components that are found to be defective within 12 months from the date of manufacture. Under no circumstances does this warranty cover any components which in the opinion of Harvest Tec, Inc. have been subjected to negligent use, misuse, alteration, or accident, or if repairs have been made with parts other than those manufactured and obtainable from Harvest Tec, Inc.
Our obligation under this warranty is limited to repairing or replacing free of charge to the original purchaser any part that in our judgment shows evidence of defective or improper workmanship, provided the part is returned to Harvest Tec, Inc. within 30 days of the failure. Parts must be returned through the selling dealer and distributor, and transportation charges prepaid.
This warranty shall not be interpreted to render Harvest Tec, Inc. liable for injury or damages of any kind, direct, consequential, or contingent, to persons or property. Furthermore, this warranty does not extend to loss of crop, losses caused by delays, or any expense prospective profits or for any other reason. Harvest Tec, Inc. shall not be liable for any recovery greater in amount than the cost or repair of defects in workmanship.
There are no warranties, either expressed or implied, of merchantability or fitness for a particular purpose intended or fitness for any other reason.
This warranty cannot guarantee that existing conditions beyond the control of Harvest Tec, Inc. will not affect our ability to obtain materials or manufacture necessary replacement parts.
Harvest Tec, Inc. reserves the right to make design changes, improve design, or change specifications, at any time without any contingent obligation to purchasers of machines and parts previously sold.
Revised 01/03/06

HARVEST TEC, INC.
P.O. BOX 63
2821 HARVEY STREET
HUDSON, WI 54016
PHONE: 715-386-9100
1-800-635-7468
FAX: 715-381-1792
www.harvesttec.com
Email: [email protected]
#010-0462
REVISED 06/11























