
Schneider Electric NVE93696-04 AD External Power Supply Module 24 Vdc Installation Guide



www.se.com > support
Retain instruction sheet for future use.
Visit our website at www.se.com to download the documents listed above (user guides ) and other documents.
PLEASE NOTE
- Electrical equipment should be installed, operated, serviced, and maintained only by qualified personnel.
- No responsibility is assumed by
Schneider Electric for any consequences arising out of the use of this material. - All pertinent state, regional, and local safety regulations must be observed when installing and using this product.
![]()
DANGER
HAZARD OF ELECTRIC SHOCK, EXPLOSION OR ARC FLASH
- Apply appropriate personal protective equipment (PPE) and follow safe electrical work practices. See NFPA 70E, CSA Z462, NOM-029-STPS or local equivalent.
- This equipment must only be installed and serviced by qualified electrical personnel.
- Turn off all power supplying this equipment before working on or inside equipment.
- Always use a properly rated voltage sensing device to confirm power is off.
- Replace all devices, doors, and covers before turning on power to this equipment.
- Beware of potential hazards, and carefully inspect the work area for tools and objects that may have been left inside the equipment.
Failure to follow these instructions will result in death or serious injury.
HAZARD OF ELECTRIC SHOCK, EXPLOSION OR ARC FLASH
- Do not open the case to repair the AD module.
- Replace the AD module in case of malfunction.
Failure to follow these instructions will result in death or serious injury.
Required for Installation


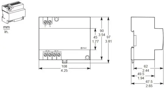
Dimensions


Installation
3.1 Mounting and Dismounting on DIN Rail
CAUTION
ENVIRONMENTAL HAZARDS TO THE EQUIPMENT
- Install and use the AD external power supply module in an enclosure.
- This device is intended for indoor use only.
Failure to follow these instructions can result in injury or equipment damage.

3.2 Mounting on Plate

4. Wiring
WARNING
LOSS OF DOUBLE INSULATION
For AD power supplies 24–30 Vc
(LV454440) and 48-60 Vc (LV454441):
- to conform to the standard IEC 62477-1, the auxiliary power supply (A) of the AD power supply must have single insulation.
- to conform to the standard UL 61010-1, the input voltage of the auxiliary power supply (A) must be 300 V maximum.
Failure to follow these instructions can result in death, serious injury, or equipment damage.
NOTICE
HAZARD OF EQUIPMENT DAMAGE
Do not wire in parallel the 24 Vdc outputs of two AD modules.
Failure to follow these instructions can result in equipment damage.

Consult the power supply connection rules described in the ULP System it guides (see page 1).
Technical Data

Manufacturing Date
The product’s manufacture date is coded PP-YYYY-WW-D, where:
- PP: plant code
- YYYY: year of manufacture
- WW: week of manufacture
- D: weekday of manufacture
(Monday = 1)
Eg: 7Q-2019-20-3 = product
manufactured at plant 7Q on
Wednesday 15 May 2019
Schneider Electric Industries SAS
35 rue Joseph Monier
CS 30323
F – 92506 Rueil Malmaison Cedex
www.se.com
![]()
Printed on recycled paper
Schneider Electric Limited
Stafford Park 5
Telford, TF3 3BL
United Kingdom
www.se.com/uk

© 2021 Schneider Electric – All rights reserved.
Read More About This Manual & Download PDF:



















