Schneider Electric SC150 Switch Control Unit

Instruction

NOTE
Electrical equipment should be installed, operated, serviced, and maintained only by qualified personnel. No responsibility is assumed by Schneider Electric for any consequences arising out of the use of this material.
A qualified person is one who has skills and knowledge related to the construction, installation, and operation of electrical equipment and has received safety training to recognize and avoid the hazards involved.
| Part number | Designation |
| EMS59201 | Easergy SC150-Std CT & LPVT/VT sensors |
| EMS59202 | Easergy SC150-Std CT & Capacitor sensors VPIS/VDS/ PPACS |
| EMS59203 | Easergy SC150H CT & LPVT/VT sensors |
| EMS59204 | Easergy SC150H CT & Capacitor sensors VPIS/VDS/PPACS |
| Port | Characteristics | Description | ||
| 3 Current inputs
| 6-pin plug-in screw connector: | 4 inputs for connecting CTs:
Allows the following types of setup:
| ||
| CTs inputs | ||||
| 1 | Phase current 1 | |||
| 2 | Phase current 2 | |||
| 3 | Phase current 3 | |||
| 4 | Phase current common | |||
| 5 | Residual current common | |||
| 6 | Residual current | |||
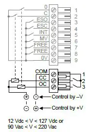
| 4 Switch controls
| 3-pin plug-in screw connector: | The control polarity of the motor pack (common) is customizable via output DO1. This can be done by +V or -V (0V), and the polarization voltage (V) must comply with the following values:
Max. permissible current:
| ||
| Switch controls | ||||
| 1 | DO1-Motor pack power supply common | |||
| 2 | DO2-Closing control | |||
| 3 | DO3-Opening control | |||
|
| ||||
| 5 Voltage inputs
| Connecting cable with the voltage sensor including an RJ45 connector on the SC150 side. | Connecting cable SC150 – Voltage sensor adapter can be supplied as an accessory. The wiring of the RJ45 connector on the SC150 side is given solely for information’s sake. This connecting cable is supplied for the following adapters (see drawings opposite):
Refer to the Installation Guide of each adapter (if available) to have more information about the installation and connection of the adapter. | ||
| 6 Power supply
| Plug-in screw connectors: | 2 power supply connectors connected internally, facilitating serial connections and allowing looping of power supplies between the T300 modules. (see Power Supply section). | ||
| NOTICE | ||||
| HAZARD OF TERMINAL DAMAGE OR INCORRECT POWER SUPPLY Use appropriate tightening torques for tightening connector screws (tightening torque values provided in this document). b The SC150 module must be powered by a power supply of the SELV/PELV type (e.g. the PS50 is of the SELV/ PELV type). b The supply voltage of the SC150 module must not exceed 57.6 VDC. Failure to follow these instructions can result in equipment damage. | ||||
Description
The SC150 module of the Easergy T300 range is the interface for control of the MV cubicle’s equipment.
NOTICE
- HAZARD OF INCORRECT CURRENT MEASUREMENTS b Do not expose the device to conditions exceeding the electrical values specified in this document.
- According to its reference, the device should be installed vertically or horizontally in accordance with the local regulations in force.
- The product must be connected to the ground (DIN rail) to help ensure compliance with electromagnetic compatibility (EMC) limits.
- Standby protection should be provided in accordance with national and international cabling regulations.
- An appropriate electrical disconnecting device must be installed in the building in question.
- Use only the type of connector supplied as an accessory for the SC150 module (product reference: EMS59220).
- Check that the connections correspond to the recommended cables before powering up the equipment.
- Use appropriate tools to perform cabling on the connectors (suitable screwdriver, crimped end-pieces, etc.). b Strip the wires appropriately (not excessively) before connecting them to the connectors (see the recommendations in this document).
Failure to follow these instructions can result in equipment damage.
The SC150 is formed of the following components:
NOTICE
HAZARD OF EQUIPMENT DAMAGE
Do not connect any digital input to a source of voltage.
Failure to follow these instructions can result in equipment damage.
Various models of voltage sensor adapter


Recommendation for lengths of cable less than 2 meters

Installation
Installing the enclosure
The SC150 module is fastened to a DIN rail. No tool is needed for mounting. Simply clip it in order to fasten it as shown below.
Installing and connecting CTs in the cubicle
Depending on the type of kit supplied, the setup will concern:
- 3 split-core phase CTs
- 2 split-core phase CTs + 1 core balance CT
- 3 split-core phase CTs + 1 core balance CT
- 1 core balance CT
The setup remains the same irrespective of the type of kit used. The CTs are of the split-core type and have an automatic retaining system for cables of dia. 30 to 45 mm (1.18 to 1.77 in).
NOTICE
HAZARD OF INCORRECT WIRING
- When fitting the CTs on the cables, it is essential to comply with the direction of positioning: HAUT/TOP marking facing upward, wire exit downward (see illustration below).
- The shielding of each MV cable must be re-inserted inside the corresponding CT before being connected to ground (see diagram below).
- The blue wire on the CT secondary (S2) is connected internally to the blue wire (blue wire including a round terminal at the end).
- The blue wire including the round terminal must be connected to the same frame ground as the cubicle.
Failure to follow these instructions can result in equipment damage.
Not following wiring instructions can lead to equipment damage and incorrect current measurements.
DANGER
HAZARD OF ELECTRIC SHOCK, EXPLOSION, OR ARC FLASH
- The current sensors used for measuring must be 1 A or 5 A secondary with security factor limiting the current to 100 A secondary -1 s (according to standard 61689-2).
- Always use grounded external CTs for current inputs.
- The CTs should not remain disconnected, while being installed and power on. If a disconnection is to be made, for any reason whatsoever, a short circuit is required at the secondary part of the CTs. CT connectors are IP2X.
- Cables of voltage rating greater than 1000 V must have a shield connected to ground.
- The low-voltage insulation of the Easergy CTs means they can only be used on insulated cables.
- Ensure that all electrical power on MV network is removed before working on or installing CTs on the MV cable and making CT connections.
Failure to follow these instructions will result in death or serious injury.

Operation
Once the SC150 has been powered up, some indicator lamps on the front panel may be lit to indicate certain operating states. The buttons allow the user to perform actions. These indications and actions are summarized in the table below:
| Part | Description of indications and actions | |||
| 1 |
| ![]() | SC150 states: 1.1 SC150 operating, communication status with the HU250 1.2 Equipment status (potential software error, potential hardware fault, potential | |
| configuration error). | ||||
| 2 |
| ![]() | Local/Remote 2.1 Remote mode: Local controls via the front panel (or the WI-FI) of the SC150 module are locked. Orders are possible from the control center. | |
| 2.2 Local mode: Controls via the front panel (or the WI-FI) are possible. Orders coming from the control center are locked. | ||||
| Note: The Local/Remote position displayed on the SC150 is a duplication of the display | ||||
| managed on the HU250 module. | ||||
| 3 | ![]() | Automatic control states and checks 3.1 Automatic control enabled 3.2 Automatic control disabled 3.3 Automatic control locked Note: The automatic control enabled and disabled states on SC150 modules are copied | ||
| from the HU250 module. The automation locked state on an SC150 module reflects the | ||||
| state of the SC150 module and is copied to the HU250 module. | ||||
| Special function LEDs | ||||
| 4 | ![]() | Default assignment: 4.1 Simulated switch position (green = open, red = closed) 4.2 Unassigned 4.3 External Lock (orange = external lock configured and input active) | ||
| 5 |
| OK
ON
OFF | Local control on switch Local control on the switch is possible only if the local mode is enabled 5.1 Control enabling button. This button must be pressed simultaneously with the change-of-state button (ON or OFF) for control to be accepted 5.2 Button for placing the switch in closed state (ON). 5.3 Button for placing the switch in open state (OFF). | |
![]() | Switch state Switch position symbolized by an illustration in two colors: 6.1 Vertical/red: closed position 6.2 Oblique/green: open position | |||
| 7 | Earthing/Grounding switch state Earthing/Grounding switch position symbolized by two states and one color: 7.1 Extinguished: Earthing/Grounding switch in open position Green: Earthing/Grounding switch in closed position | |||
![]() | ||||
| 8 | Voltage presence If DI6 used: 8.1 Red: power on (DI enabled) Extinguished: power off (DI disabled). If voltage sensor used: 8.1 Red: power on 3 phases Extinguished: invalid measure or power off on 3 phases Orange: power on or off on at least one of the phases | |||
![]() | ||||
| Fault current detection | ||||
| 9 | Fault current detection is symbolized by two arrows that can indicate the direction of the fault current (for directional fault current type only): | |||
![]() | 9.1 Arrow pointing backward, flashing orange means fault detection in progress, flashing green means permanent earth fault, steady green means permanent phase fault, flowing in | |||
| the direction indicated by the arrow (toward the busbar). 9.2 Arrow pointing forward, flashing orange means fault detection in progress, flashing red | ||||
| means permanent earth fault, steady red means permanent phase fault, flowing in the | ||||
| direction indicated by the arrow (toward the network). Also serves to indicate the presence | ||||
| of an ammetric type fault current. | ||||
VT adapter for SC150
SC150-VT adapter is the interface between the Medium Voltage sensors and the SC150.
An Ethernet RJ45 cable connecting the VT adapter and the SC150 can be supplied as accessory.
Refer to the SC150-VT adapter Installation Guide (ref: NT00394-xx) to have more information about the installation and connection of the SC150-VT adapter.
DANGER
- HAZARD OF ELECTRIC SHOCK, EXPLOSION OR ARC FLASH
- Wear your personal protective equipment (PPE) and comply with the safe electrical work practices. See NFPA 70E in the USA or applicable local standards.
- Only qualified personnel should install this equipment. Such work should be performed only after reading all documentations associated with this product. Refer to the Easergy T300 User Manual (reference NT00378-EN).
- Remove all electrical power from the SC150 and from all the devices to which the SC150 is connected before performing any work on the SC150.
- Always use a properly rated voltage sensing device to confirm that all power is off.
- Do not connect VT adapter directly to the MV sensors. Always use fuse and disconnect switch (maximum voltage allowable on the VT adapter inputs : 600 VAC).
- Never short the secondary of a Voltage Transformer (VT).
Failure to follow these instructions will result in death or serious injury.
Power supply
The SC150 includes two connectors to connect the power supply. These two connectors are connected together internally in the SC150. Having two power supply connections can facilitate connection between the modules. No strapping is necessary.
Connect the SC150 as shown in the following diagram.
Parameters setup
Installation of the SC150 module requires no parameters setup. This is performed during the commissioning/configuration stages.
Refer to the User manual and the T300 Quick start for any further information.
Identification
The serial number of the SC150 is formed as follows: Year – Week – Work order, e.g. 15340265 (265th product manufactured, week 34 of the year 2015)
Grounding
The SC150 module must be connected to the ground:
- Either via the mounting DIN rail. The DIN rail helps ensure electrical continuity (preferably use a DIN rail in 304L stainless steel to withstand the climatic conditions).
- Either by means of an eye lug and a M4 screw (max. Length 10 mm), screwed in the threaded hole at the back of the SC150 housing (see diagram opposite). Use a green/yellow wire of length 300 mm maximum (11.81 in) and 4 mm² section (11 AWG) for the connection between the eye lug and the ground.
NOTICE
HAZARD OF INCORRECT GROUNDING
- The DIN rail on which the SC150 is installed must be grounded and of metallic type and must comply with electrical continuity in all climatic conditions.
- If the SC150 is installed on a PS50 power supply module, the grounding of the module is done via the PS50’s DIN rail, which must be grounded via a dedicated terminal near the PS50 power input connector. Refer to the Installation Guide of the PS50 power supply.
Failure to follow these instructions can result in equipment damage.
Not following wiring instructions can lead to equipment damage and incorrect current measurements.
Meaning of indicator colors and states


| Indicator state | Flashing | Steady | Unlit | ||||
| Red | Green | Orange | Red | Green | Orange | ||
| 1
| Start-up – | – – | – – | Fault Major fault | OK – | Com OFF Minor fault | – OK |
![]() | – – | – – | – – | Local – | – Remote | – – | Remote Local |
| 3 | |||||||
![]() | – | – | – | – | ON | – | OFF |
| – – | – – | – – | OFF – | – – | – Locked | ON Unlocked | |
| 4 (1) | |||||||
![]() | – – – | – – – | – – – | Closed – – | Open – – | – – External lock | Undetermined – No lock |
| 6 | |||||||
![]() | Invalid Invalid | – – | Int. state Int. state | Closed | – Open | – – | Open Closed |
| 7
| Invalid | – | Interm. state | – | Closed | – | Open |
| 8 | ON (3 ph. or DI6) | ON (1 or 2 ph.) | |||||
![]() | – | – | – | – | Invalid or OFF (3 ph. or DI6) | ||
| 9 | |||||||
![]() | –
Earth fault toward network or ammetric fault | Earth fault toward busbar – | Fault det. in progress
Fault det. in progress | –
Phase fault towards network or ammetric fault | Phase fault towards busbar – | –
– | No fault No fault |
Indicators customizable by configuration. Only default values shown.
Note: The indications in bold letters correspond to normal operation (first power up without existence of a potential issue indication).The switchgear and voltage presence states cannot be determined for normal operation, because that depends on the state of the network and the position of the switchgear.
Schneider Electric
35 rue Joseph Monier
92500 Rueil Malmaison – France
Phone: +33 (0)1 41 29 70 00
www.schneider-electric.com
© 2015-2021 Schneider Electric. All Rights Reserved.
NHA91857-06
As standards, specifications and designs change from time to time, always ask for confirmation of the information given in this publication.
Publication: Schneider Electric
Production: Schneider Electric
Printing: Schneider Electric
Made in France
This document was printed on environmentally friendly paper









































