ST com UM2983 EVAL-L99ASC03 Evaluation Board

Introduction
The EVAL-L99ASC03 is an evaluation board designed for sensorless 3Phase BLDC motor control.
EVAL-L99ASC03 Board
The EVAL-L99ASC03 is composed by a motherboard and a daughter board on which is pre-assembled the L99ASC03G (see Figure 1). The system features an enhanced power management power supply functionality including various standby modes. The motherboard, based on STM8 microcontroller, provides the logic section for monitoring and driving the L99ASC03G assembled in the daughterboard. With the aim to make the board usage and setting simpler, STM provides a dedicated Graphic User Interface (GUI). This enables the user to set L99ASC03G parameters and at the same time it shows real time device information as the current evolution, motor speed (RPM), the fault flags, the board temperature and much more.

Hardware description and setup
This section provides a description of the main components of this evaluation kit, giving instruction for a quick setup of the system.
Components description
The evaluation kit consists of two main components:
- N.1 Motherboard based on STM8A microcontroller, interfacing host PC with daughterboard. The communication with the PC is established through isolated USB.
- N.1 Daughterboard assembling L99ASC03G.
The daughterboard with L99ASC03G and the motherboard are provided already properly plugged.

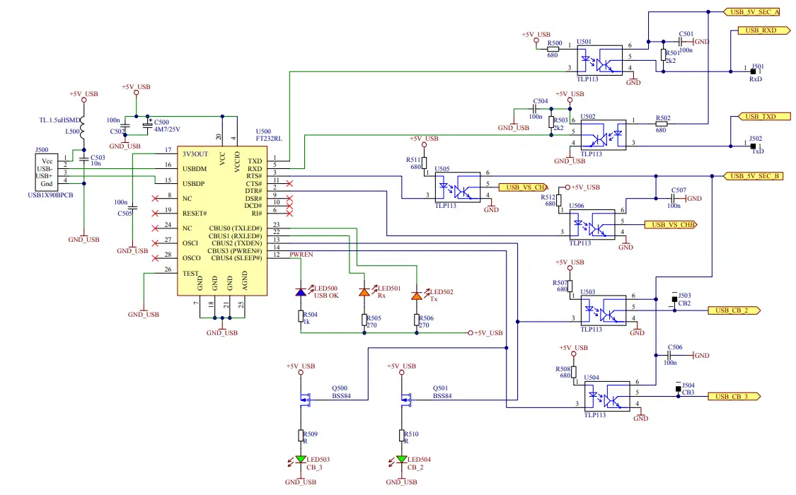
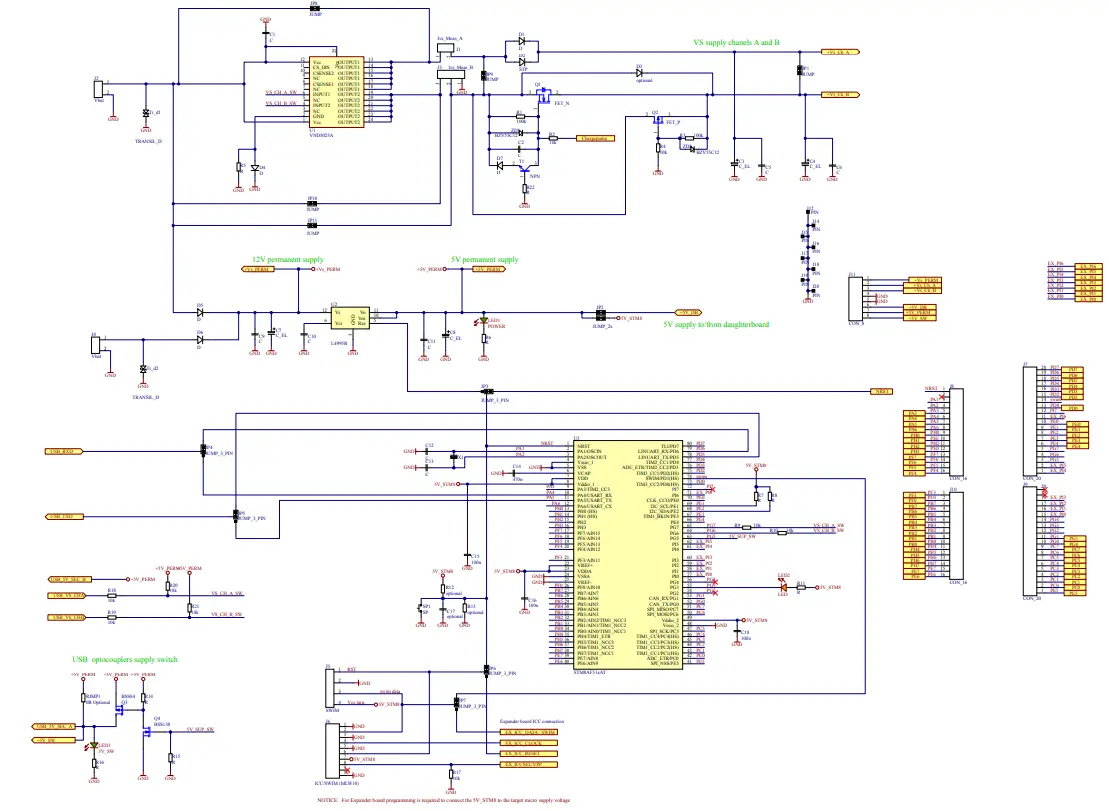
Motherboard schematic
A universal motherboard is used to control and drive the daughterboard containing the L99ASC03G. The motherboard has the following functions:
- USB-to-UART conversion: a FT232RL USB to serial UART interface is used to convert the data from the GUI, in the PC, in commands that are processed by the microcontroller.
- STM8AF51xAT microcontroller: it is used to convert the commands from the GUI in control signals for the L99ASC03G in the daughterboard. Also it process the data received from the L99ASC03G and return the results to the GUI by the USB.
- L4995R LDO: this LDO is used to convert the +12 V used to supply the motherboard to a +5 V supply voltage used to supply the microcontroller and the L99ASC03G in the daughterboard.
- Socket and connectors to plug the daughterboard.
The motherboard schematic is shown in the following figures. The schematic and BOM of the motherboard can be found on the ST website.



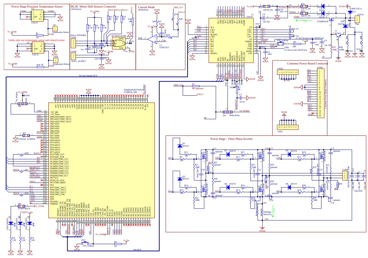
Daughterboard schematic
The Figure 6 shows the schematic of the daughterboard. In the daughterboard the following sections are present:
- 1 L99ASC03G and the components necessary for its functionality.
- 1 connector to the motherboard.
- 1 power stage temperature sensor: two stages are foreseen, only one is soldered.
- 1 BLCD motor hall sensors connector and its components, not soldered (optional).
- 1 current mode device and its components, not soldered (optional).
- 1 power stage – three phase inverter section: six power MOSFET are soldered, a connector to the external BLCD motor is foreseen.
- 3 customer power board connectors.
The schematic and BOM of the daughterboard can be found on the ST website.

Motherboard layout
The EVAL-L99ASC03 motherboard was designed in a 2 layers board. Motherboard Top and Bottom layers are shown in Figure 7 and Figure 8. Gerber files of the motherboard can be found in the ST website.

Daughterboard layout
Different choice regarding the number of the layers can be used. A two-layers or an N-layers (where N can be 3 or 4) application board can be used to develop the board for the L99ASC03G application. The EVAL-L99ASC03 daughterboard was designed in a 2 layers board because:
- A 2-layers design typically requires a little more care with the PCB routing but can be successfully implemented for a low number of tracks. The power supply trace on the component is made quite thick to present as low as impedance trace possible. Large areas of ground on the side of the board provide a low impedance path for the decoupling.
- A 2-layers PCB is cheaper to manufacture than a 3 or 4 layers solution.
The Top and Bottom layers are shown in the following figures. Gerber files of the daughterboard can be found in the ST website.

Board connection and setup
The Figure 11 shows the placement of the components on the motherboard. Also, the placement of the connectors to be used for supplying the evaluation board and connecting with a host PC through USB cable are shown.

The placement of the components of the daughterboard is shown in Figure 12. The main components of the daughterboard are:
- L99ASC03G.
- STD60NF06 power stage.
- Connector to the motor.
- Connector to the supply voltage.

Jumpers of the motherboard are already set in their default position.
Table 1. Motherboard jumper configuration
| Jumper | Description | Default position |
| JP2 | +5 V_DB | Not present |
| JP2 | +5 V_STM8 | Present |
| JP4 | RxD | USART |
| JP5 | TxD | USART |
| JP6 | Reset | STM8 |
| JP7 | Swim | STM8 |
Table 2. Daughterboard jumper configuration
| Jumper | Description | Default position |
| JP3a | ASC03_PS – VS | Present |
| JP3b | ASC03_PS – VSREG | Present |
| JP3c | ASC03_PS – Vs_Per | Not present |
Table 3. Document revision history
| Date | Version | Changes |
| 24-Jan-2022 | 1 | Initial release. |
IMPORTANT NOTICE – PLEASE READ CAREFULLY
STMicroelectronics NV and its subsidiaries (“ST”) reserve the right to make changes, corrections, enhancements, modifications, and improvements to ST products and/or to this document at any time without notice. Purchasers should obtain the latest relevant information on ST products before placing orders. ST products are sold pursuant to ST’s terms and conditions of sale in place at the time of order acknowledgment. Purchasers are solely responsible for the choice, selection, and use of ST products and ST assumes no liability for application assistance or the design of Purchasers’ products. No license, express or implied, to any intellectual property right is granted by ST herein. Resale of ST products with provisions different from the information set forth herein shall void any warranty granted by ST for such product.
ST and the ST logo are trademarks of ST. For additional information about ST trademarks, please refer to www.st.com/trademarks. All other product or service names are the property of their respective owners. Information in this document supersedes and replaces information previously supplied in any prior versions of this document.
© 2022 STMicroelectronics – All rights reserved



















