STMicroelectronics UM2860 EVAL-L99SM81V Evaluation Board

Introduction
EVAL-L99SM81VQ and EVAL-L99SM81VY are two evaluation boards designed to drive one bipolar stepper motor in micro-stepping mode together with coil voltage measurement for stall detection. The two evaluation boards are composed by a motherboard and a daughterboard on which is pre-assembled the L99SM81VQ6TR (EVAL-L99SM81VQ, QFN40L package) or the L99SM81VYTR (EVAL-L99SM81VY, PowerSSO-36 package). Both evaluation boards provide electronic control modules with enhanced power management and power supply functionalities including one standby mode.
The motherboard, based on SPC56 microcontroller, provides the logic section for monitoring and driving the L99SM81V assembled in the daughterboard.
STM provides a dedicated Graphic User Interface (GUI) in order to make the board usage and setting simpler. This enables the user to set L99SM81Vx parameters and at the same time it shows real time device information as voltage measurements, main power supply voltage, fault flags, device junction temperature and much more.
Hardware description and setup
This section provides a description of the main components of this evaluation kit, giving instruction for a quick setup of the system.
Components description
The evaluation kit consists of two main components:
- N.1 motherboard based on SPC56 microcontroller, interfacing host PC with daughterboard. The communication with the PC is established through isolated USB.
- N.1 daughterboard assembling L99SM81VQ or L99SM81VY.
The daughterboards with L99SM81Vx and the motherboard are provided are provided already plugged.

Motherboard schematic
An universal motherboard is used to control and drive the daughterboards containing the L99SM81Vx. The motherboard has the following functions:
- USB-to-UART conversion: a FT232RL USB to serial UART interface is used to convert the data from the GUI, in the PC, in commands that are processed by the microcontroller.
- SPC560B64L3 microcontroller: it is used to convert the commands from the GUI in control signals for the L99SM81Vx in the daughterboards. Also it process the data received from the L99SM81Vx and return the results to the GUI by the USB.
- L5300AH7 and L4931CD33 LDOs: these LDOs are used to convert the +12 V used to supply the motherboard to a +5 V (L5300AH7) or +3.3 V (L4931CD33) supply voltage used to supply the microcontroller and the L99SM81Vx in the daughterboards.
- JTAG and UART connectors.
- Connectors to plug the daughterboard.
Motherboard schematic is shown in Figure 3. EVAL-L99SM81V motherboard schematic.
Schematic and BOM of the motherboard can be found on the ST website.
Figure 3. EVAL-L99SM81V motherboard schematic

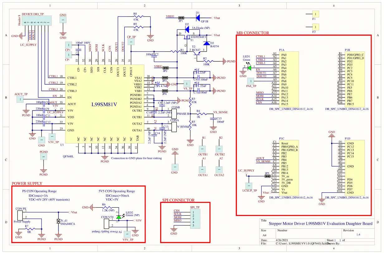
Daughterboards schematic
Figure 4. EVAL-L99SM81VQ daughterboard schematic and Figure 5. EVAL-L99SM81VY daughterboard schematic show the schematic of the daughterboards.
In the daughterboard the following sections are present:
- N. 1 L99SM81Vx and the components necessary for its functionality
- Connectors to the motherboard
- N. 1 power supply part: two connectors are foreseen
- N. 1 SPI connector
- N. 1 reverse battery protection circuitry
Schematic and BOM of the two daughterboards can be found on the ST website.
Figure 4. EVAL-L99SM81VQ daughterboard schematic

Figure 5. EVAL-L99SM81VY daughterboard schematic

Motherboard layout
The EVAL-L99SM81Vx motherboard was designed in a 2 layers board.
Motherboard TOP and BOTTOM layers are shown in and Figure 6. Motherboard TOP layer and Figure 7. Motherboard BOTTOM layer.
Gerber files of the motherboard can be found in the ST website.
Figure 6. Motherboard TOP layer

Figure 7. Motherboard BOTTOM layer

Daughterboard layout
Different choice regarding the number of the layers can be used. A two-layers or an N-layers (where N can be 3 or 4) application board can be used to develop the board for the L99SM81Vx application.
EVAL-L99SM81VQ and EVAL-L99SM81VY daughterboards were designed in a 4 layers board.
The layers of the two application boards are shown respectively from to Figure 8. EVAL-L99SM81VY TOP layer to Figure 15. EVAL-L99SM81VQ BOTTOM layer .
Gerber files of the two daughterboards can be found in the ST website.
Figure 8. EVAL-L99SM81VY TOP layer

Figure 9. EVAL-L99SM81VY Signal1 layer

Figure 10. EVAL-L99SM81VY Signal2 layer

Figure 11. EVAL-L99SM81VY BOTTOM layer

Figure 12. EVAL-L99SM81VQ TOP layer

Figure 13. EVAL-L99SM81VQ Signal1 layer

Figure 14. EVAL-L99SM81VQ Signal2 layer

Figure 15. EVAL-L99SM81VQ BOTTOM layer

Board connection and setup
Figure 16. Motherboard section shows the placement of the components on the motherboard. Also, the placement of the connectors to be used for supplying the evaluation board and connecting with a host PC through USB cable are shown.
Figure 16. Motherboard section

The placement of the components of the daughterboard is shown in Figure 17. Daughterboard section. The main components of the daughterboard are:
- L99SM81VY or L99SM81VQ.
- Reverse battery MOSFET.
- Connector to the motor.
- Connector to the motherboard.
- Connector to the SPI.
- Connector to the device DIOs.

Revision history
Table 1. Document revision history
| Date | Version | Changes |
| 19-Jul-2021 | 1 | Initial release. |
IMPORTANT NOTICE – PLEASE READ CAREFULLY
STMicroelectronics NV and its subsidiaries (“ST”) reserve the right to make changes, corrections, enhancements, modifications, and improvements to ST products and/or to this document at any time without notice. Purchasers should obtain the latest relevant information on ST products before placing orders. ST products are sold pursuant to ST’s terms and conditions of sale in place at the time of order acknowledgment.
Purchasers are solely responsible for the choice, selection, and use of ST products and ST assumes no liability for application assistance or the design of Purchasers’ products.
No license, express or implied, to any intellectual property right is granted by ST herein.
Resale of ST products with provisions different from the information set forth herein shall void any warranty granted by ST for such product.
ST and the ST logo are trademarks of ST. For additional information about ST trademarks, please refer to www.st.com/trademarks. All other product or service names are the property of their respective owners.
Information in this document supersedes and replaces information previously supplied in any prior versions of this document.
© 2021 STMicroelectronics – All rights reserved

Hardware description and setup

















