ANALOG DEVICES EVAL-LTC6227MS8E Evaluation Board

FEATURES
- Enables efficient prototyping
- User-defined circuit configuration
- Edge-mounted SMA connector provisions
- Simplified connection to test equipment and other circuits
- RoHS compliant
EVALUATION KIT CONTENTS
- EVAL-LTC6227MS8E or EVAL-LTC6229MS8E
EQUIPMENT NEEDED
- Dual output dc power supply
- Dual-channel signal generator
- Oscilloscope
- 3 banana plug-to-grabber cables
- 4 SMA to BNC male cables
EVALUATION BOARD PHOTOGRAPHS

GENERAL DESCRIPTION
The EVAL-LTC6227MS8E/EVAL-LTC6229MS8E allow the evaluation of the LTC6227 and LTC6229, 8-lead, dual-channel, micro small outline package (MSOP) op amps. The EVAL-LTC6227MS8E and the EVAL-LTC6229MS8E are prepopulated boards on a buffer configuration with a post low-pass filter. This configuration allows the LTC6227 and LTC6229 to be used as high speed analog-to-digital converter (ADC) drivers. The EVAL-LTC6227MS8E/EVAL-LTC6229MS8E support other typical configurations of the op amps, and are configured and have provisions for typical applications of the LTC6227 and the LTC6229, including high speed, low voltage, low noise, in-amp, and as an active filter. The exposed paddle pin is already shorted to the VEE turret pin, which is required for the device.
The 4-layer EVAL-LTC6227MS8E/EVAL-LTC6229MS8E accept edge mounted, Subminiature Version A (SMA) connectors on both inputs and outputs to provide an efficient connection to the test equipment and other circuitry. In addition, the EVAL- LTC6227MS8E/EVAL-LTC6229MS8E have sufficient test points for both signal pins and groundings.
Optimized power and ground planes ensure low noise and high-speed operation. Component placement and power supply bypassing are optimized for maximum circuit flexibility and performance. The EVAL-LTC6227MS8E/EVAL-LTC6229MS8E accept C0402 or C0603 surface-mount technology (SMT) components and C1206 bypass capacitors for C5 and C6. All components are placed on the primary side of the EVAL-LTC6227MS8E/EVAL-LTC6229MS8E, and no components are placed on the secondary side. The EVAL-LTC6227MS8E and EVAL-LTC6229MS8E evaluation boards are identical except for the onboard devices.
For full details on the LTC6227 and the LTC6229, see the LTC6227 and the LTC6229 data sheets, which must be consulted in conjunction with this user guide when using the EVAL-LTC6227MS8E/EVAL-LTC6229MS8E.
REVISION HISTORY
8/2020—Rev. 0 to Rev. A
- Added EVAL-LTC6227MS8E ……………………………………. Universal
- Added LTC6227 ………………………………………………………… Universal
- Changes to Figure 1 and General Description Section …………… 1
- Changes to Using the Evaluation Board for Testing Section …… 3
- Changes to Table 1 …………………………………………………………………. 7
12/2019—Revision 0: Initial Version
EVALUATION BOARD QUICK START PROCEDURES
The following sections outline the basic prepopulated configuration of the EVAL-LTC6227MS8E/EVAL-LTC6229MS8E required to test the basic functionality of the LTC6227 or the LTC6229.
POWER SUPPLY CONSIDERATION
Use the turret pins (VCC, VEE, and GND) to power up the EVAL-LTC6227MS8E/EVAL-LTC6229MS8E. Use the correct polarity and voltage level to avoid reverse polarity and overvoltage, which can permanently damage the EVAL-LTC6227MS8E/ EVAL-LTC6229MS8E.
INITIAL BOARD CONFIGURATION
To test the basic functionality of the EVAL-LTC6227MS8E/ EVAL-LTC6229MS8E and the LTC6227 or the LTC6229, take the following steps:
- Ensure that all equipment is powered down, including the power supply and the signal generator.
- Use a banana plug to grabber cable to connect the positive supply, ground, and negative supply to the VCC, GND, and VEE turret pins, respectively.
- Use an SMA to Bayonet Neill-Concelman (BNC) connector to connect the onboard SMA connector test point, labeled VIN1P, on the J3 connector to a signal generator channel.
- Use an SMA to BNC connector to connect the onboard SMA connector test point, VIN2P, on the J6 connector to another signal generator channel.
- Use an SMA to BNC connector to connect the onboard SMA connector test point, VOUT1, on the J1 connector to an oscilloscope channel.
- Use an SMA to BNC connector to connect the onboard SMA connector test point, VOUT2, on the J4 connector to another oscilloscope channel.
USING THE EVALUATION BOARD FOR TESTING
When the procedure in the Initial Board Configuration section is complete, implement the following settings and verify the expected output:
- Set the power supply to +5 V for the positive supply and − 5 V for the negative supply.
- Select the output waveform for both the signal generator channels to a sine wave with a frequency of 1 kHz and a peak-to-peak voltage of 2 V.
- Set the output load of the signal generator to a high-Z load.
- Set the oscilloscope termination to 1 MΩ and observe the oscilloscope frequency and the peak-to-peak voltage.
- When all equipment is set up, turn on the power supply and check the voltage and current consumption of the EVAL-LTC6227MS8E/EVAL-LTC6229MS8E. The expected current consumption is approximately 12 mA for the LTC6227 and 36 mA for the LTC6229, and the current drawn from the supply must not exceed 16 mA or 45 mA, respectively.
- Turn on the signal generator when the power supply turns on.
- Observe the output at the oscilloscope. The output of VOUT1 and VOUT2 is a sine wave with a frequency of 1 kHz, and a peak-to-peak voltage of approximately 2 V.
EVALUATION BOARD HARDWARE
POWER SUPPLY BYPASSING
External bypass capacitors, such as C5 and C6, are provided for low-level frequency bypassing at the amplifier power pins. Additional capacitors (C3, C4, and C7 to C12) are provided for additional higher-level frequency bypassing (see Figure 3).
THE EVALUATION BOARD STACKS UP
The 4-layer board design of the EVAL-LTC6227MS8E/EVAL-LTC6229MS8E (see Figure 4) provides optimized high speed and low noise performance. The upper ground layer is spaced to provide 50 Ω controlled impedance with the signal layer to optimize high-frequency performance. The VCC/VEE power plane layer is in between the two ground layers to provide mechanical stability and distributed interplanar capacitance between the power plane layer and the ground layer.
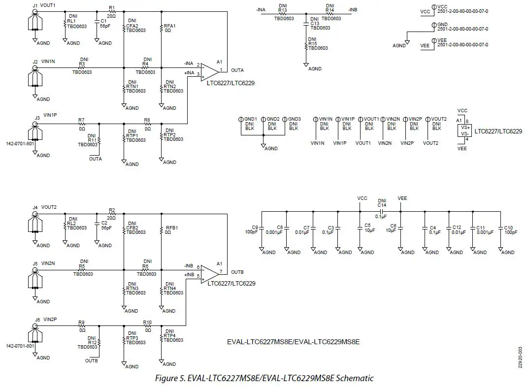
EVALUATION BOARD SCHEMATIC AND ARTWORK



ORDERING INFORMATION
BILL OF MATERIALS
| Qty | Reference Designator | Description | Part Number |
| 1 | A1 | Rail-to-rail output op amp, LTC6227 or LTC6229 | LTC6227MS8E#PBF or |
| LTC6229MS8E#PBF | |||
| 2 | C1, C2 | Capacitors, 68 pF (LTC6227) or 56 pF (LTC6229), C0603 | 223887000000 |
| 2 | C3, C4 | Capacitors, 0.1 μF, C0603 | 06035C104KAT2A |
| 2 | C5, C6 | Capacitors, 10 μF, C1206 | GMK316AB7106KL-TR |
| 2 | C7, C12 | Capacitors, 0.01 μF, C0603 | CC0603KRX7R9BB103 |
| 2 | C8, C11 | Capacitors, 0.001 μF, C0603 | CC0603KRX7R9BB102 |
| 2 | C9, C10 | Capacitors, 100 pF, C0603 | C0603C101K5RAC |
| 1 | C13 | Capacitor, user-defined, do not install, C0603/C0402 | Not applicable |
| 1 | C14 | Capacitor, 0.1 μF, do not install, C0603/C0402 | Not applicable |
| 21 | CFA2, CFB2, R3 to R6, R11 to R15, RL1, RL2, | Resistors, user-defined, do not install, R0603/R0402 | Not applicable |
| RTN1 to RTN4, RTP1 to RTP4 | |||
| 3 | GND, VCC, VEE | Terminal turrets | 2501-2-00-80-00-00-07-0 |
| 9 | GND1 to GND3, VIN1N, VIN2N, VIN1P, VIN2P, | Test points, do not install | 5001 |
| VOUT1, VOUT2 | |||
| 6 | J1 to J6 | SMA end launch connectors | 142-0701-801 |
| 2 | R1, R2 | Resistors, 33 Ω (LTC6227) or 20 Ω (LTC6229), R0603 | P0603E20R0BBT |
| 6 | R7 to R10, RFA1, RFB1 | Resistors, 0 Ω, R0603 | MC0603WG00000T5E-TC |
ESD Caution
ESD (electrostatic discharge) sensitive device. Charged devices and circuit boards can discharge without detection. Although this product features patented or proprietary protection circuitry, damage may occur on devices subjected to high-energy ESD. Therefore, proper ESD precautions should be taken to avoid performance degradation or loss of functionality.
Legal Terms and Conditions
By using the evaluation board discussed herein (together with any tools, components documentation or support materials, the “Evaluation Board”), you are agreeing to be bound by the terms and conditions set forth below (“Agreement”) unless you have purchased the Evaluation Board, in which case the Analog Devices Standard Terms and Conditions of Sale shall govern. Do not use the Evaluation Board until you have read and agreed to the Agreement. Your use of the Evaluation Board shall signify your acceptance of the Agreement. This Agreement is made by and between you (“Customer”) and Analog Devices, Inc. (“ADI”), with its principal place of business at One Technology Way, Norwood, MA 02062, USA. Subject to the terms and conditions of the Agreement, ADI hereby grants to Customer a free, limited, personal, temporary, non-exclusive, non-sublicensable, non-transferable license to use the Evaluation Board FOR EVALUATION PURPOSES ONLY.
The customer understands and agrees that the Evaluation Board is provided for the sole and exclusive purpose referenced above, and agrees not to use the Evaluation Board for any other purpose. Furthermore, the license granted is expressly made subject to the following additional limitations: Customer shall not (i) rent, lease, display, sell, transfer, assign, sublicense, or distribute the Evaluation Board; and (ii) permit any Third Party to access the Evaluation Board. As used herein, the term “Third Party” includes any entity other than ADI, Customer, their employees, affiliates and in-house consultants. The Evaluation Board is NOT sold to Customer; all rights not expressly granted herein, including ownership of the Evaluation Board, are reserved by ADI. CONFIDENTIALITY. This Agreement and the Evaluation Board shall all be considered the confidential and proprietary information of ADI.
The customer may not disclose or transfer any portion of the Evaluation Board to any other party for any reason. Upon discontinuation of use of the Evaluation Board or termination of this Agreement, Customer agrees to promptly return the Evaluation Board to ADI. ADDITIONAL RESTRICTIONS. Customers may not disassemble, decompile or reverse engineer chips on the Evaluation Board. The customer shall inform ADI of any occurred damages or any modifications or alterations it makes to the Evaluation Board, including but not limited to soldering or any other activity that affects the material content of the Evaluation Board. Modifications to the Evaluation Board must comply with applicable law, including but not limited to the RoHS Directive. TERMINATION. ADI may terminate this Agreement at any time upon giving written notice to Customer. The customer agrees to return to ADI the Evaluation Board at that time.
LIMITATION OF LIABILITY. THE EVALUATION BOARD PROVIDED HEREUNDER IS PROVIDED “AS IS” AND ADI MAKES NO WARRANTIES OR REPRESENTATIONS OF ANY KIND WITH RESPECT TO IT. ADI SPECIFICALLY DISCLAIMS ANY REPRESENTATIONS, ENDORSEMENTS, GUARANTEES, OR WARRANTIES, EXPRESS OR IMPLIED, RELATED TO THE EVALUATION BOARD INCLUDING, BUT NOT LIMITED TO, THE IMPLIED WARRANTY OF MERCHANTABILITY, TITLE, FITNESS FOR A PARTICULAR PURPOSE OR NONINFRINGEMENT OF INTELLECTUAL PROPERTY RIGHTS. IN NO EVENT WILL ADI AND ITS LICENSORS BE LIABLE FOR ANY INCIDENTAL, SPECIAL, INDIRECT, OR CONSEQUENTIAL DAMAGES RESULTING FROM THE CUSTOMER’S POSSESSION OR USE OF THE EVALUATION BOARD, INCLUDING BUT NOT LIMITED TO LOST PROFITS, DELAY COSTS, LABOR COSTS, OR LOSS OF GOODWILL. ADI’S TOTAL LIABILITY FROM ANY AND ALL CAUSES SHALL BE LIMITED TO THE AMOUNT OF ONE HUNDRED US DOLLARS ($100.00). EXPORT.
The customer agrees that it will not directly or indirectly export the Evaluation Board to another country and that it will comply with all applicable United States federal laws and regulations relating to exports. GOVERNING LAW. This Agreement shall be governed by and construed in accordance with the substantive laws of the Commonwealth of Massachusetts (excluding conflict of law rules). Any legal action regarding this Agreement will be heard in the state or federal courts having jurisdiction in Suffolk County, Massachusetts, and Customer hereby submits to the personal jurisdiction and venue of such courts. The United Nations Convention on Contracts for the International Sale of Goods shall not apply to this Agreement and is expressly disclaimed.
©2019–2020 Analog Devices, Inc.
All rights reserved. Trademarks and registered trademarks are the property of their respective owners. UG22920-8/20(A). www.analog.com.
Downloaded from Arrow.com.




















