EVAL-ADA4099-1HUJZ Evaluation Board
User Guide
FEATURES
Fully featured evaluation board for the ADA4099-1
Enables efficient prototyping
User-defined circuit configuration
Simplified connection to test equipment and other circuits
EVALUATION KIT CONTENTS
EVAL-ADA4099-1HUJZ
EQUIPMENT NEEDED
Dual-output dc power supply
Dual-channel signal generator
Oscilloscope
Banana jack to grabber cables
BNC to SMA cables
DOCUMENTS NEEDED
ADA4099-1 datasheet
GENERAL DESCRIPTION
The EVAL-ADA4099-1HUJZ evaluates the ADA4099-1 6-lead, thin small outline transistor (TSOT), robust Over-The-Top™ the precision operational amplifier (op-amp). The EVALADA4099-1HUJZ is a prepopulated board using a gain of 1 configuration.
The EVAL-ADA4099-1HUJZ design allows simplified and efficient use. The EVAL-ADA4099-1HUJZ has edge-mounted Subminiature version A (SMA) connectors on the inputs and outputs to allow efficient connection to test equipment or other circuits. Bulk test points are also incorporated as an alternative option to be used for the inputs and outputs. The optimized EVAL-ADA4099-1HUJZ ground plane, component placement, and power supply allow maximum circuit flexibility and performance. The EVAL- DA4099-1HUJZ combines surface-mount technology (SMT) with almost all components being 0805 in size to provide simplified installation and the option to replace and older when needed, except for the bypass capacitors (C1 to C4) that are fixed in 0603 sizes. The EVAL-ADA4099-1HUJZ also has an unpopulated resistor and capacitor pads, which provide the user with the options and flexibility to implement different application circuits and configurations.
Figure 1 shows the top view of the EVAL-ADA4099-1HUJZ and Figure 2 shows the bottom view of the EVAL-ADA4099-1HUJZ.
PLEASE SEE THE LAST PAGE FOR AN IMPORTANT WARNING AND LEGAL TERMS AND CONDITIONS.
EVALUATION BOARD PHOTOGRAPHS


Refer to the ADA4099-1 data sheet for full specifications, details of the device operation, and application circuit configurations. Consult the datasheet in conjunction with this user guide when using the EVAL-ADA4099-1HUJZ.
EVALUATION BOARD QUICK START PROCEDURES
The Power Supply Consideration section, the Initial Board Configuration section, and the Using the Evaluation Board for Testing section outline the basic, prepopulated EVALADA4099-1HUJZ configuration required to test the basic functionality of the device.
POWER SUPPLY CONSIDERATION
Use the turret pins (VS+, VS−, and GND) to power up the EVAL-ADA4099-1HUJZ. Ensure that the correct polarity and voltage level is used to avoid reverse polarity and overvoltage, which can permanently damage the EVAL-ADA4099-1HUJZ. The operating supply voltage range is 3.15 V to 50 V. Higher voltages can damage the amplifier. Decoupling capacitors of 10 μF and 0.1 μF are preinstalled on the EVAL-ADA4099-1HUJZ for ready operation.
INITIAL BOARD CONFIGURATION
To set up the initial EVAL-ADA4099-1HUJZ configuration, perform the following steps:
- Ensure that all equipment is powered down, including the power supply and the signal generator. Use the banana jack to grabber cables to connect the positive supply, ground, and negative supply to the VS+, VS−, and GND turret pins, respectively.
- Verify that the P1 jumper for the SHDN pin on the evaluation board is in Position 1 (labeled ENABLE) so that the device is enabled.
- Connect the signal generator at the IN+ SMA pad using a BNC to SMA cable or at the IN+ bulk test point and GND turret using a BNC to grabber cable.
- Connect VOUT on the evaluation board to the oscilloscope using a BNC to SMA cable or connect an oscilloscope probe with a 10× attenuation factor to the VOUT bulk test point and clip the ground of the oscilloscope probe with a 10× attenuation factor to the GND turret pin.
USING THE EVALUATION BOARD FOR TESTING
When the procedure in the Initial Board Configuration section is complete, implement the following settings and verify the expected output:
- Set the power supply to +15 V for the positive supply and −15 V for the negative supply, and then turn on the power supply.
- Configure the signal generator to output a 100 Hz sine wave with 0 V offset and 1 V p-p, and enable the generator.
- Set the oscilloscope scaling to 200 mV/2 ms per division. If using a 10× probe instead of a BNC to SMA cable to monitor VOUT, set the oscilloscope input impedance to 1 MΩ, and the oscilloscope probe setting attenuation factor to 10×. Ensure that a 100 Hz, 1 V p-p sine wave centered at 0 V appears on the oscilloscope.
- To evaluate the device shutdown performance, move the P1 jumper into Position 3 (labeled DISABLE) to tie SHDN to VS+. There is no output at the VOUT SMA pad or bulk test point. To reenable the device, move the P1 jumper back into Position 1 (labeled ENABLE).
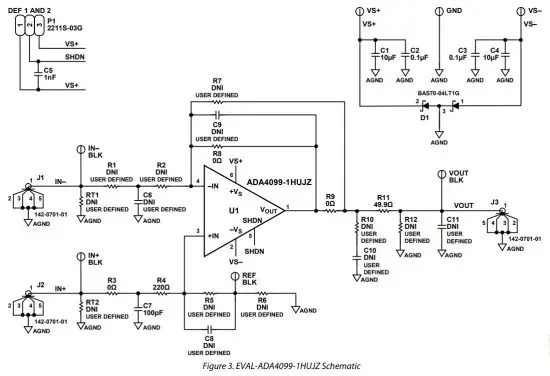
EVALUATION BOARD SCHEMATICS AND ARTWORK



ORDERING INFORMATION
BILL OF MATERIALS
Table 1.
| Qty | Reference Designator | Description | Supplier | Part Number |
| 1 2 2 1 1 5 1 3 4 3 1 1 1 9 3 | U1 C1, C4 C2, C3 C5 C7 C6, C8 to C11 D1 GND, VS+, VS− IN+, IN−, REF, VOUT J1, J2, J3 P1 R4 R11 R1, R2, R5 to R7, R10, R12, RT1, RT2 R3, R8, R9 | 50 V, 8 MHz, 1.5 mA robust Over-The-Top precision op-amp Ceramic capacitors, X5R, 0603, 10 μF Ceramic capacitors, X7R, 0603, 0.1 μF Ceramic capacitor, X7R, 0805, 1 nF Ceramic capacitor, X7R, 0805, 100 pF Capacitors, 0805, do not install (DNI), user-defined Diode Schottky barrier Printed circuit board (PCB) connector, terminal turrets PCB connector, bulk test points Coax SMA end launch PCB connector, 3-position, male header Resistor, 220 Ω Resistor, 49.9 Ω Resistors, 0805, DNI, user-defined Resistors, 0 Ω | Supplier Analog Devices Murata Kemet Wurth Elektronik AVX Not applicable ON Semiconductor Mill-Max Keystone Electronics Cinch Multicomp (SPC) Multicomp (SPC) Panasonic Not applicable Vishay | ADA4099-1HUJZ GRM188R61E106KA73D |
ESD Caution
ESD (electrostatic discharge) sensitive device. Charged devices and circuit boards can discharge without detection. Although this product features patented or proprietary protection circuitry, damage may occur on devices subjected to high-energy ESD. Therefore, proper ESD precautions should be taken to avoid performance degradation or loss of functionality.
Legal Terms and Conditions
By using the evaluation board discussed herein (together with any tools, components documentation or support materials, the “Evaluation Board”), you are agreeing to be bound by the terms and conditions set forth below (“Agreement”) unless you have purchased the Evaluation Board, in which case the Analog Devices Standard Terms and Conditions of Sale shall govern. Do not use the Evaluation Board until you have read and agreed to the Agreement. Your use of the Evaluation Board shall signify your acceptance of the Agreement. This Agreement is made by and between you (“Customer”) and Analog Devices, Inc. (“ADI”), with its principal place of business at One Technology Way, Norwood, MA 02062, USA. Subject to the terms and conditions of the Agreement, ADI hereby grants to Customer a free, limited, personal, temporary, non-exclusive, non-sublicensable, non-transferable license to use the Evaluation Board FOR EVALUATION PURPOSES ONLY. The customer understands and agrees that the Evaluation Board is provided for the sole and exclusive purpose referenced above, and agrees not to use the Evaluation Board for any other purpose. Furthermore, the license granted is expressly made subject to the following additional limitations: Customer shall not (i) rent, lease, display, sell, transfer, assign, sublicense, or distribute the Evaluation Board; and (ii) permit any Third Party to access the Evaluation Board. As used herein, the term “Third Party” includes any entity other than ADI, Customers, their employees, affiliates, and in-house consultants. The Evaluation Board is NOT sold to Customer; all rights not expressly granted herein, including ownership of the Evaluation Board, are reserved by ADI. CONFIDENTIALITY. This Agreement and the Evaluation Board shall all be considered the confidential and proprietary information of ADI. The customer may not disclose or transfer any portion of the Evaluation Board to any other party for any reason. Upon discontinuation of use of the Evaluation Board or termination of this Agreement, Customer agrees to promptly return the Evaluation Board to ADI. ADDITIONAL RESTRICTIONS. Customers may not disassemble, decompile or reverse engineer chips on the Evaluation Board. The customer shall inform ADI of any occurred damages or any modifications or alterations it makes to the Evaluation Board, including but not limited to soldering or any other activity that affects the material content of the Evaluation Board. Modifications to the Evaluation Board must comply with applicable law, including but not limited to the RoHS Directive. TERMINATION. ADI may terminate this Agreement at any time upon giving written notice to the Customer. The customer agrees to return to ADI the Evaluation Board at that time. LIMITATION OF LIABILITY. THE EVALUATION BOARD PROVIDED HEREUNDER IS PROVIDED “AS IS” AND ADI MAKES NO WARRANTIES OR REPRESENTATIONS OF ANY KIND WITH RESPECT TO IT. ADI SPECIFICALLY DISCLAIMS ANY REPRESENTATIONS, ENDORSEMENTS, GUARANTEES, OR WARRANTIES, EXPRESS OR IMPLIED, RELATED TO THE EVALUATION BOARD INCLUDING, BUT NOT LIMITED TO, THE IMPLIED WARRANTY OF MERCHANTABILITY, TITLE, FITNESS FOR A PARTICULAR PURPOSE, OR NON-INFRINGEMENT OF INTELLECTUAL PROPERTY RIGHTS. IN NO EVENT WILL ADI AND ITS LICENSORS BE LIABLE FOR ANY INCIDENTAL, SPECIAL, INDIRECT, OR CONSEQUENTIAL DAMAGES RESULTING FROM CUSTOMER’S POSSESSION OR USE OF THE EVALUATION BOARD, INCLUDING BUT NOT LIMITED TO LOST PROFITS, DELAY COSTS, LABOR COSTS, OR LOSS OF GOODWILL. ADI’S TOTAL LIABILITY FROM ANY AND ALL CAUSES SHALL BE LIMITED TO THE AMOUNT OF ONE HUNDRED US DOLLARS ($100.00). EXPORT. The customer agrees that it will not directly or indirectly export the Evaluation Board to another country and that it will comply with all applicable United States federal laws and regulations relating to exports. GOVERNING LAW. This Agreement shall be governed by and construed in accordance with the substantive laws of the Commonwealth of Massachusetts (excluding conflict of law rules). Any legal action regarding this Agreement will be heard in the state or federal courts having jurisdiction in Suffolk County, Massachusetts, and Customer hereby submits to the personal jurisdiction and venue of such courts. The United Nations Convention on Contracts for the International Sale of Goods shall not apply to this Agreement and is expressly disclaimed.
©2021 Analog Devices, Inc. All rights reserved. Trademarks and registered trademarks are the property of their respective owners.
UG26123-3/21(0)

www.analog.com
One Technology Way
• P.O. Box 9106
• Norwood, MA 02062-9106, U.S.A.
• Tel: 781.329.4700
• Fax: 781.461.3113
• www.analog.com



















