ANALOG DEVICES EVAL-ADHV4702-1 Evaluation

Product Information
| Product Name | EVAL-ADHV4702-1 |
|---|---|
| User Guide | UG-1444 |
| Description | Evaluating the ADHV4702-1 24 V to 220 V, Precision Operational Amplifier |
| Features | Full-featured evaluation board for the ADHV4702-1 Single-supply or dual-supply operation The on-board power management circuit generates high voltage Edge-mounted SMA and SMB connector provisions Easy connection to test equipment and other circuits Robust thermal management |
| Evaluation Kit Contents | EVAL-ADHV4702-1CPZ evaluation board |
| Documents Needed | ADHV4702-1 datasheet LT8304-1 datasheet |
Product Usage Instructions
General Description
The EVAL-ADHV4702-1 is an evaluation board designed to evaluate the ADHV4702-1 precision operational amplifier. The board features single-supply or dual-supply operation, an on-board power management circuit that generates high voltage, edge-mounted SMA and SMB connector provisions for easy connection to test equipment and other circuits, and robust thermal management. The full specifications of the ADHV4702-1 and details of the device operation and application circuit configurations and guidance can be found in the ADHV4702-1 data sheet.
Safety Precautions
For safety, the EVAL-ADHV4702-1CPZ board is covered top and bottom with acrylic plastic guards to reduce the risk of inadvertent contact with high voltage. It is important not to operate the board without these guards in place. If the guards must be removed to adjust jumpers or change component values, disconnect the board from the power supply before removing guards, and replace the guards before powering up again. This high voltage evaluation board contains exposed metal carrying lethal voltages when under power, so it is essential to take all necessary steps to protect users during operation. For full precautions when using this high voltage evaluation board, please refer to the High Voltage Evaluation Board section in the user guide.
- Board Stackup
The evaluation board is a 6-layer board designed to minimize leakage currents with its guard ring feature. It accepts Subminiature Version A (SMA) and Subminiature Version B (SMB) edge-mounted connectors on the inputs for easy connection to test equipment or other circuitry. - Initial Power-Up
Before powering up the evaluation board for the first time, it is important to consult the ADHV4702-1 data sheet fordevice-specific information. Ensure that all necessary precautions are taken to protect users during power-up. - Power Supplies and Decoupling
The evaluation board requires appropriate power supplies and decoupling to operate correctly. Refer to the user guide for detailed information on power supply and decoupling requirements. - Input and Output
The evaluation board provides input and output connections for testing and evaluation purposes. Follow the guidelines provided in the user guide for proper input and output connections. - Digital Ground (DGND)
The evaluation board includes a digital ground (DGND) connection. Follow the user guide instructions for proper usage of the DGND connection. - Shutdown Feature (SDN Connector)
The evaluation board includes a shutdown feature with an SDN connector. Refer to the user guide for instructions on how to use the shutdown feature. - Input Clamping Diodes
The evaluation board features input clamping diodes. Refer to the user guide for information on the usage of input clamping diodes. - Input Guard Ring
The evaluation board includes an input guard ring feature. Follow the user guide instructions for proper usage of the input guard ring. - Thermal Monitor/Flag (TMP) and Thermal Management
The evaluation board includes a thermal monitor/flag (TMP) and robust thermal management. Consult the user guide for information on how to monitor and manage thermal conditions.
Ordering Information
For ordering information related to the EVAL-ADHV4702-1CPZ evaluation board, refer to the user guide.
FEATURES
- Full featured evaluation board for the ADHV4702-1
- Single-supply or dual-supply operation
- On-board power management circuit generates high voltage
- Edge mounted SMA and SMB connector provisions
- Easy connection to test equipment and other circuits
- Robust thermal management
EVALUATION KIT CONTENTS
- EVAL-ADHV4702-1CPZ evaluation board
DOCUMENTS NEEDED
- ADHV4702-1 data sheet
- LT8304-1 data sheet
EVAL-ADHV4702-1CPZ PHOTOGRAPHS
GENERAL DESCRIPTION
This user guide describes the EVAL-ADHV4702-1CPZ board, which helps users evaluate the ADHV4702-1 offered in a 7 mm × 7 mm, 12-lead lead frame chip scale package (LFCSP) with an exposed pad at the bottom. The evaluation board provides a platform for quick and easy evaluation of the ADHV4702-1. Figure 1 shows the top side of the evaluation board. Figure 2 shows the bottom side of the board with the large exposed copper area for attaching a heat sink to provide additional thermal management. The evaluation board is a 6-layer board designed to minimize leakage currents with its guard ring feature. It accepts Subminiature Version A (SMA) and Subminiature Version B (SMB) edge mounted connectors on the inputs for easy connection to test equipment or other circuitry. Full specifications of the ADHV4702-1 and details of the device operation and application circuit configurations and guidance can be found in the ADHV4702-1 data sheet, available from Analog Devices, Inc., and must be consulted in conjunction with this user guide, especially when powering up the evaluation board for the first time. PLEASE SEE THE LAST PAGE FOR AN IMPORTANT WARNING AND LEGAL TERMS AND CONDITIONS. For safety, the EVAL-ADHV4702-1CPZ board is covered top and bottom with acrylic plastic guards to reduce the risk of inadvertent contact with high voltage. Do not operate the board without these guards in place. If the guards must be removed to adjust jumpers or change component values, disconnect the board from the power supply before removing guards, and replace the guards before powering up again. Warning: this high voltage evaluation board contains exposed metal carrying lethal voltages when under power. Take all necessary steps to protect users during operation. For full precautions when using this high voltage evaluation board, see the High Voltage Evaluation Board section.
EVALUATION BOARD HARDWARE
BOARD STACKUP
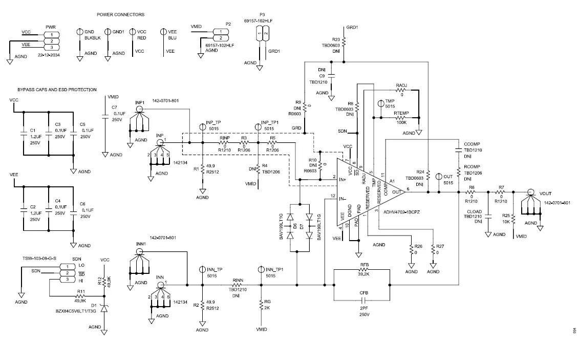
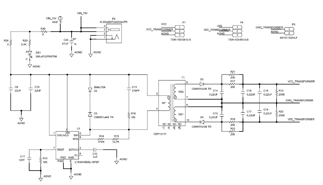
The EVAL-ADHV4702-1CPZ evaluation board is a 6-layer board. The signal routings are on Layer 1 (top) and Layer 4. The bottom layer is an exposed copper ground plane used for heat dissipation and heat sink attachment. Internal Layer 2 through Layer 5 are the VCC, VMID, signal, and VEE planes, respectively. The EVAL-ADHV4702-1CPZ evaluation board is divided into two sections as shown in Figure 3. The upper section is the test circuit for the ADHV4702-1, and the lower section is the optional on‑board power management circuit comprising an LT8304-1 monolithic micropower isolated flyback converter. The connection of these two sections can be made via the P1, P4, and P5 connectors. Refer to the Initial Power-Up section for more information.
INITIAL POWER-UP
The EVAL-ADHV4702-1CPZ evaluation board is shipped for use with dual symmetrical power supplies. Before applying power to the board, apply the jumper from the VMID node to the AGND node (see Figure 4) via P2, using the 2-pin header, to provide a dc operating point for the amplifier. The EVAL-ADHV4702-1CPZ evaluation board can be powered up using the external power supply or the on-board LT8304-1 power management circuit. To power up the board using an external power supply, apply the power at the PWR header or via the GND, VCC, and VEE test points. The quiescent supply current is approximately 3 mA. In addition to the quiescent current, there is an additional ~2.2 mA from the VCC supply to bias the D1 Zener diode clamp at the SDN connector. The LT8304-1 on-board power management circuit can be used to provide dual supplies of approximately ±110 V from a convenient 15 V dc input. Apply 15 V dc from an external power supply at the VIN_15V test point or by using a 15 V dc wall transformer type plugin at P6. Connect the outputs from the on‑board power management circuit to the ADHV4702-1 test circuit via the P1, P4, and P5 connectors. For ±110 V dual supplies, jump VCC_TRANSFORMER to VCC, VEE_ TRANSFORMER to VEE, and GND_TRANSFORMER to AGND. The LT8304-1 on-board power management circuit can also provide a single supply of 220 V. The schematic for the on‑board power management circuit is shown in Figure 5. For more information, refer to the LT8304-1 data sheet for different voltage output options.
POWER SUPPLIES AND DECOUPLING
The EVAL-ADHV4702-1CPZ evaluation board can be powered using a single supply or dual supplies. The total supply voltage(VCC − VEE) must be between 24 V and 220 V. When using a single supply or asymmetrical dual supplies, apply the appropriatereference voltage to the VMID pin of P2 using a low impedance source, such as a dc power supply. The recommended VMID reference voltage is (VCC + VEE)/2. The EVAL-ADHV4702-1CPZ board provides sufficient power supply decoupling for fast slewing signals with 1.2 μF (C1, C2), 250 V ceramic chip capacitors where the supply voltage enters the board. Two 0.1 μF, 250 V ceramic chip capacitors (C3, C5) are placed in close proximity to VCC at Pin 7. Two capacitors (C4, C6) are placed in close proximity to VEE at Pin 4.
INPUT AND OUTPUT
Figure 4 and Figure 5 show the evaluation board schematics for the factory default settings. The evaluation board uses edge mount SMA connectors on the inputs and outputs for easy interfacing to signal sources and test equipment. In addition, the board accepts SMB connectors on the inputs for efficient connection to other circuitry such as the EVAL-AD5754REBZ DAC evaluation board. The EVAL-ADHV4702-1CPZ evaluation board is equipped with 49.9 Ω termination resistors at R1 and R2. The power rating of the termination resistors is 1 W, which are capable of handling the power when using the factory default settings. The termination resistance can be removed or replaced with a different value based on the output impedance of the selected input signal source. The EVAL-ADHV4702-1CPZ evaluation board accommodates a default 10 kΩ, 1210 resistor load (R25) to VMID, or a 1210 capacitor load referenced to AGND. The EVAL-ADHV4702-1CPZ evaluation board is in a default noninverting configuration with a gain of ~21 V/V and a feedback resistance of 39.2 kΩ. In this configuration, the amplifier delivers about 10 mA peak to the load at the maximum output swing.
DIGITAL GROUND (DGND)
The DGND pin sets a common signal ground for communication to a microprocessor or other low voltage logic circuit. The DGND pin voltage is also the reference for all the low voltage pins of the amplifier such as RADJ, TMP, and SD. DGND is connected to the 0 V AGND on the evaluation board.
SHUTDOWN FEATURE (SDN CONNECTOR)
The SD pin of the ADHV4702-1 can be jumped to logic high, logic low, or can be left floating via the SDN connector on the EVAL-ADHV4702-1CPZ evaluation board.
EVALUATION BOARD HARDWARE
The SD pin is left floating at the SDN connector as shipped from the factory, enabling the amplifier. Pulling the SD pin low to DGND places the amplifier in a power saving shutdown mode. When turning the amplifier back on from the shutdown state, float the SD pin or pull it high.
INPUT CLAMPING DIODES
To protect the amplifier from high dynamic power dissipation, the EVAL-ADHV4702-1CPZ evaluation board is configured by default with input clamping diodes (D6 and D7) that clamp the input differential voltage of the ADHV4702-1 at a two-diode forward bias voltage. This input clamping network limits the drive to the slew boosting circuit, which affects dynamic performance such as bandwidth and slew rate. The recommended part number for the input clamping diodes is SBAV199LT1G. Removing the input clamping diodes allows the slew boosting circuit to be fully biased, which maximizes slew rate and improves settling time significantly. The fully biased slew boosting circuit requires additional supply current and results in higher power dissipation during slewing. For reliable operation, always operate the amplifier within the safe operating area curve and provide additional heat sinking as required for the application. Refer to the ADHV4702-1 data sheet for more information.
INPUT GUARD RING
The EVAL-ADHV4702-1CPZ evaluation board employs an electrostatic guard ring on the top layer to reduce printed circuit board (PCB) surface leakage currents. The guard ring encircles the noninverting input and must be biased at the same voltage as the input. The guard ring can be biased using a voltage source at P3 or connected to the noninverting input by installing a 0 Ω resistor at R10. Remove the input clamping diodes (D6 and D7) to ensure the complete enclosure of the high impedance input node.
THERMAL MONITOR/FLAG (TMP) AND THERMAL MANAGEMENT
The TMP pin can be used to monitor relative changes in die temperature. The typical TMP pin voltage at room temperature is approximately 1.9 V and changes at approximately −4.5 mV/°C. More precise temperature readings can be achieved through a single- point (offset) ambient temperature calibration. This calibration can be accomplished by measuring the TMP pin to establish the precise voltage corresponding to ambient temperature. To avoid calibration error due to self heating, power up the device in shutdown mode (hold SD low at supply turn on) and maintain it in shutdown mode until the TMP pin voltage is measured. The TMP pin can be connected to the SD pin by installing a 0 Ω resistor at R8 to enable the overtemperature and short-circuit protection features. Install a resistor at RTEMP to set the thermal shutdown threshold temperature. Refer to the ADHV4702-1 data sheet for more information about the temperature monitor and short-circuit protection. The ADHV4702-1 evaluation board is designed with an exposed copper top layer for robust thermal management. Solder the exposed pad (EPAD) of the package to the copper layer to ensure optimal thermal dissipation. The top exposed copper area is connected to the exposed copper ground plane on the bottom by an array of five thermal vias. In addition, a heat sink can be attached to the bottom exposed ground plane to increase the power dissipation capability of the ADHV4702-1.
RESISTOR ADJUSTABLE QUIESCENT CURRENT (RADJ)
The EVAL-ADHV4702-1CPZ evaluation board is configured by default with a 0 Ω RADJ resistor that fully biases the amplifier and sets the supply current to 3 mA. Increasing the value of RADJ reduces the quiescent current, lowering the bandwidth and slew rate of the amplifier while also reducing quiescent power dissipation. Refer to the ADHV4702-1 data sheet for more information about RADJ.
EVALUATION BOARD SCHEMATICS
Figure 4. EVAL-ADHV4702-1CPZ Evaluation Board Device Under Test Circuit Schematic
EVALUATION BOARD SCHEMATICS
Figure 5. EVAL-ADHV4702-1CPZ Evaluation Board On-Board Power Management Schematic
ORDERING INFORMATION
BILL OF MATERIALS
Table 1. Bill of Materials
| Item | Qty. | Reference Designator | Description | Manufacturer | Part Number |
| 1 | 1 | Not applicable | EVAL-ADHV4702-1CPZ evaluation board | Analog Devices | 08_044831c |
| 2 | 1 | A1 | ADHV4702-1 | Analog Devices | ADHV4702-1BCPZ |
| 3 | 2 | C1, C2 | Ceramic capacitor, X7R, C2225H61, 250 V | Kemet | C2225C125KARACTU |
| 4 | 2 | C8, C10 | Ceramic capacitor, X5R, C1210, 25 V | Murata | GRM32ER61E226KE15L |
| 5 | 1 | C11 | Ceramic capacitor, C0805, 100 V | AVX | 08051A100JAT2A |
| 6 | 1 | C12 | Ceramic capacitor, X7R, C0805H53, 50 V | Murata | GRM21BR71H105KA12B |
| 7 | 1 | C13 | Ceramic capacitor, NP0, C0805, 50 V | Yageo | CC0805JRNP09BN271 |
| 8 | 6 | C14, C15, C16, C17, C18, C19 | Ceramic capacitor, X7R, C1210, 220 V | AVX Corporation | 12102C224KAT2A |
| 9 | 1 | C20 | Capacitor, tantalum, C3528, 16 V | AVX Corporation | TCNL476M016R0250 |
| 10 | 5 | C3, C4, C5, C6, C7 | Ceramic capacitor, X7R, 1210, 250 V | TDK | C3225X7R2E104K |
| 11 | 1 | CFB | Ceramic capacitor, C0603, 250 V | Murata | GQM1875C2E2R0BB12 |
| 12 | 1 | D1 | Diode, Zener, SOT-23, 5.6 V | On Semiconductor | BZX84C5V6LT1/T3G |
| 13 | 1 | D2 | Diode, DO-214AC | Littelfuse | SMAJ70A |
| 14 | 3 | D3, D4, D5 | Diode, SOD123F, 600 V | Central Semiconductor | CMMR1U-06 TR LEAD FREE |
| 15 | 2 | D6, D7 | Diode, SOT-23, 70 V | On Semiconductor | BAV199LT1G |
| 16 | 1 | DS1 | LED | Rohm | SML-D12P8WT86 |
| 17 | 2 | GND, GND1 | Connector, test point | Components Corporation | TP-104-01-00 |
| 18 | 2 | INN, INP | Connector, SMB | Amphenol | 142134 |
| 19 | 3 | INN1, INP1, VOUT | Connector, SMA end launch | Cinch Connectivity Solutions | 142-0701-801 |
| 20 | 6 | INN_TP, INN_TP1, INP_TP, INP_TP1, | Connector, test points | Keystone Electronics | 5015 |
| OUT, TMP | |||||
| 21 | 3 | P1, P4, SDN | Connector, PCB, Berg, header, straight, | Samtec | TSW-103-08-G-S |
| male, 3-position | |||||
| 22 | 3 | P2, P3, P5 | Connector, PCB, Berg, header, straight, | Amphenol FCI | 69157-102HLF |
| male, 2-position | |||||
| 23 | 1 | P6 | Connector, PCB dc power jack | Kycon | KLDX-SMT2-0202-ATR |
| 24 | 1 | PWR | Connector, PCB, header, right angle | MOLEX | 22-12-2034 |
| 25 | 2 | R1, R2 | Resistor, 2512, 1%, 500 V | VISHAY | CRCW251249R9FKEG |
| 26 | 2 | R11, R12 | Resistor, 1206, 0.1% | Susumu Co, LTD | RG3216P-4992-B-T5 |
| 27 | 1 | R13 | Resistor, 0805, 1% | PANASONIC | ERJ-6ENF1002V |
| 28 | 1 | R14 | Resistor, 0805, 1% | ROHM | MCR10EZHF5103 |
| 29 | 1 | R15 | Resistor, 0805, 1% | PANASONIC | ERJ-6ENF1272V |
| 30 | 1 | R16 | Resistor, 1206, 1% | BOURNS | CRS1206-FX-1000ELF |
| 31 | 4 | R17, R18, R21, R22 | Resistor, 1206, 1% | PANASONIC | ERJ-8ENF2000V |
| 32 | 2 | R19, R20 | Resistor, 1206, 1% | PANASONIC | ERJ-8ENF2003V |
| 33 | 1 | R25 | Resistor, 1210, 0.1% | PANASONIC | ERA-14EB103U |
| 34 | 5 | R26, R27, R28, R30, RADJ | Resistor, 0603, 1%, 50 V | Multicomp (SPC) | MC0603WG00000T5E-TC |
| 35 | 1 | R29 | Resistor, 0603, 1%, 50 V | Panasonic | ERJ-3EKF2401V |
| 36 | 1 | R3 | Resistor, 1206 | Vishay | CRCW12060000Z0EAHP |
| 37 | 1 | R5 | Resistor, 1206 | Panasonic | ERJ-8GEY0R00V |
| 38 | 3 | R6, R7, RINP | Resistor, 1210, 200 V | Vishay | CRCW12100000Z0EAHP |
| 39 | 1 | RFB | Resistor, 1206, 1% | Panasonic | ERJ-8ENF3922V |
| 40 | 1 | RG | Resistor, 1206, 1% | Panasonic | ERJ-8ENF2001V |
| 41 | 1 | T1 | Transformer | Sumida | 13324-T196 |
| 42 | 1 | U1 | LT8304-1 | Analog Devices | LT8304HS8E-1#PBF |
| 43 | 1 | VCC | Connector, PCB, test point, red | Components Corporation | TP-104-01-02 |
| 44 | 1 | VEE | Connector, PCB, test point, blue | Components Corporation | TP104-01-06 |
| 45 | 1 | VIN_15V | Connector, PCB, test point, white | Components Corporation | TP-104-01-09 |
HIGH VOLTAGE EVALUATION BOARD
Warning: this high voltage evaluation board contains exposed metal carrying lethal voltages when under power. Take all necessary steps to protect users during operation.
WARNINGS, RESTRICTIONS, AND DISCLAIMERS
For evaluation only, in laboratory or development environments, by professionals trained to handle high voltage devices. This evaluation board is not a finished electrical equipment and not intended for consumer use. It is intended solely for use for preliminary feasibility evaluation in laboratory or development environments by technically qualified electronics experts who are familiar with the dangers and application risks associated with handling high voltage electrical components, systems, and subsystems. It is not to be used as all or part of a finished end product.
Your Responsibility and Risk. You acknowledge, represent, and agree that.
- You have knowledge of all federal, state and local regulatory requirements that relate to your products and that relate to your use (and/or that of your employees, affiliates, contractors, or designees) of the evaluation board for evaluation, testing, and other purposes.
- You have full and exclusive responsibility to assure the safety and compliance of your products with all such laws and other applicable regulatory requirements, and also to assure the safety of any activities to be conducted by you and/or your employees, affiliates, contractors, or designees, using the evaluation board. Further, you are responsible to assure that any interfaces (electronic and/or mechanical) between the evaluation board and any human body are designed with suitable isolation and means to safely limit accessible leakage currents to minimize the risk of electrical shock hazard.
- You must employ reasonable safeguards to ensure that your use of the evaluation board does not result in any property damage, injury, or death, even if the evaluation board fails to perform as described or expected.
- You must properly dispose of or recycle the electronic components of the evaluation board to avoid injury to any other person.
Key Instructions. It is important to operate this evaluation board within Analog Devices recommended specifications and environmental considerations per the user guidelines. Exceeding the specified evaluation board ratings (including but not limited to input and output voltage, current, power, temperature, and environmental ranges) may cause property damage, personal injury, or death. If there are questions concerning these ratings, contact an Analog Devices representative prior to connecting interface electronics or loads. Any loadsapplied outside of the specified output range may result in unintended and/or inaccurate operation and/or possible permanent damage to the evaluation board and/or interface electronics. Consult the evaluation board user guide prior to connecting any load to the evaluation board output. If there is uncertainty as to the load specification, contact an Analog Devices representative. During normal operation, some circuit components may generate significant heat, which may cause fire, melting, or burns. When placing measurement probes near these devices during normal operation, be aware that these devices may be hot. As with all electronic evaluation tools, only qualified personnel knowledgeable in electronic measurement and diagnostics are to use the evaluation board.
Agreement to Defend, Indemnify and Hold Harmless. You agree to defend, indemnify, and hold Analog Devices, its directors, officers, employees, and their representatives harmless from and against any and all claims, damages, losses, expenses, costs, and liabilities (collectively, “Claims”) arising out of or in connection with any use of the evaluation board that is not in accordance with the terms of the agreement. This obligation applies whether Claims arise under law of tort or contract or any other legal theory, and even if the evaluation board fails to perform as described or expected.
Legal Terms and Conditions
By using the evaluation board discussed herein (together with any tools, components documentation or support materials, the “Evaluation Board”), you are agreeing to be bound by the terms and conditions set forth below (“Agreement”) unless you have purchased the Evaluation Board, in which case the Analog Devices Standard Terms and Conditions of Sale shall govern. Do not use the Evaluation Board until you have read and agreed to the Agreement. Your use of the Evaluation Board shall signify your acceptance of the Agreement. This Agreement is made by and between you (“Customer”) and Analog Devices, Inc. (“ADI”), with its principal place of business at Subject to the terms and conditions of the Agreement, ADI hereby grants to Customer a free, limited, personal, temporary, non-exclusive, non-sublicensable, non-transferable license to use the Evaluation Board FOR EVALUATION PURPOSES ONLY. Customer understands and agrees that the Evaluation Board is provided for the sole and exclusive purpose referenced above, and agrees not to use the Evaluation Board for any other purpose. Furthermore, the license granted is expressly made subject to the following additional limitations: Customer shall not (i) rent, lease, display, sell, transfer, assign, sublicense, or distribute the Evaluation Board; and (ii) permit any Third Party to access the Evaluation Board. As used herein, the term “Third Party” includes any entity other than ADI, Customer, their employees, affiliates and in-house consultants. The Evaluation Board is NOT sold to Customer; all rights not expressly granted herein, including ownership of the Evaluation Board, are reserved by ADI. CONFIDENTIALITY. This Agreement and the Evaluation Board shall all be considered the confidential and proprietary information of ADI. The customer may not disclose or transfer any portion of the Evaluation Board to any other party for any reason. Upon discontinuation of use of the Evaluation Board or termination of this Agreement, Customer agrees to promptly return the Evaluation Board to ADI. ADDITIONAL RESTRICTIONS. Customer may not disassemble, decompile or reverse engineer chips on the Evaluation Board. Customer shall inform ADI of any occurred damages or any modifications or alterations it makes to the Evaluation Board, including but not limited to soldering or any other activity that affects the material content of the Evaluation Board. Modifications to the Evaluation Board must comply with applicable law, including but not limited to the RoHS Directive. TERMINATION. ADI may terminate this Agreement at any time upon giving written notice to Customer. The customer agrees to return to ADI the Evaluation Board at that time. LIMITATION OF LIABILITY. THE EVALUATION BOARD PROVIDED HEREUNDER IS PROVIDED “AS IS” AND ADI MAKES NO WARRANTIES OR REPRESENTATIONS OF ANY KIND WITH RESPECT TO IT. ADI SPECIFICALLY DISCLAIMS ANY REPRESENTATIONS, ENDORSEMENTS, GUARANTEES, OR WARRANTIES, EXPRESS OR IMPLIED, RELATED TO THE EVALUATION BOARD INCLUDING, BUT NOT LIMITED TO, THE IMPLIED WARRANTY OF MERCHANTABILITY, TITLE, FITNESS FOR A PARTICULAR PURPOSE OR NONINFRINGEMENT OF INTELLECTUAL PROPERTY RIGHTS. IN NO EVENT WILL ADI AND ITS LICENSORS BE LIABLE FOR ANY INCIDENTAL, SPECIAL, INDIRECT, OR CONSEQUENTIAL DAMAGES RESULTING FROM THE CUSTOMER’S POSSESSION OR USE OF THE EVALUATION BOARD, INCLUDING BUT NOT LIMITED TO LOST PROFITS, DELAY COSTS, LABOR COSTS OR LOSS OF GOODWILL. ADI’S TOTAL LIABILITY FROM ANY AND ALL CAUSES SHALL BE LIMITED TO THE AMOUNT OF ONE HUNDRED US DOLLARS ($100.00). EXPORT. Customer agrees that it will not directly or indirectly export the Evaluation Board to another country, and that it will comply with all applicable United States federal laws and regulations relating to exports. GOVERNING LAW. This Agreement shall be governed by and construed in accordance with the substantive laws of the Commonwealth of Massachusetts (excluding conflict of law rules). Any legal action regarding this Agreement will be heard in the state or federal courts having jurisdiction in Suffolk County, Massachusetts, and Customer hereby submits to the personal jurisdiction and venue of such courts. The United Nations Convention on Contracts for the International Sale of Goods shall not apply to this Agreement and is expressly disclaimed.
ESD Caution
ESD (electrostatic discharge) sensitive device. Charged devices and circuit boards can discharge without detection. Although this product features patented or proprietary protection circuitry, damage may occur on devices subjected to high energy ESD. Therefore, proper ESD precautions should be taken to avoid performance degradation or loss of functionality.
©2018-2023 Analog Devices, Inc. All rights reserved. Trademarks and registered trademarks are the property of their respective owners. One Analog Way, Wilmington, MA 01887-2356, U.S.A.





















