EVAL-ADR3625 Evaluation Board
User Guide
EVAL-ADR3625 Evaluation Board
EVAL-ADR3625 Evaluation Board User Guide
FEATURES
► EVAL-ADR3625EBZ evaluation board
► Gold pin connectors that allow the addition of passive components
► Reserved SMB PCB trace for the output of signals
► Reserved binding post PCB trace for extra pins
► Binding post for simple connection for supply and meters
EVALUATION KIT CONTENTS
► EVAL-ADR3625EBZ evaluation board
DOCUMENTS NEEDED
► The ADR3625 data sheet
► The EVAL-ADR3625EBZ user guide
EQUIPMENT NEEDED
► A dc voltage source
► An analog signal source
► A multimeter
GENERAL DESCRIPTION
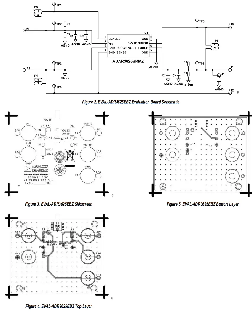
The EVAL-ADR3625EBZ evaluation board is for evaluating the ADR3625 that is included on the board.
Figure 1 shows the EVAL-ADR3625EBZ evaluation board. VIN, GNDF, and VOUTF are installed with the binding post for simple connection with the most common bench setup connector. Printed circuit board (PCB) traces are also provided for the GNDS and VOUTS pins, the passives, and the Subminiature Version B (SMB) for more sophisticated setup and usage.
Full specifications of the device under test (DUT) are available in the ADR365 data sheet, which should be consulted in conjunction with this user guide when using the EVAL-ADR3625EBZ evaluation board.
EVAL-ADR3625EBZ EVALUATION BOARD PHOTOGRAPH

PLEASE SEE THE LAST PAGE FOR AN IMPORTANT WARNING AND LEGAL TERMS AND CONDITIONS.
EVALUATION BOARD HARDWARE
Use the EVAL-ADR3625EBZ to evaluate the ADR3625 device on the board. Figure 1 shows the EVAL-ADR3625EBZ.
VIN, VOUTx, AND GNDx BINDING POST
Binding posts, P1, P2, P10, P11, and P12, provide the ability to simply connect the supply, ground, and load to the required equipment with a banana jack or clamping cable.
LINK HEADERS
Link Header P3 provides users with the ability to simply connect the EN pin to the VIN pin to eliminate the need for an additional external supply. Where line resistances are negligible, P4 and P5 can also be shorted in applications.
Table 1. Link Header Descriptions
| Label | Position | Description |
| P3 | Shorted | EN Pin |
| P4 | Shorted | GNDF to GNDS |
| P5 | Shorted | VOUTF to VOUTS |
SMB CONNECTORS
The SMB connector space provided on the EVAL-ADR3625EBZ provides users with the ability to connect the output signal to a load and/or a measuring device using an SMB connector.
PASSIVE CONNECTOR
P6 to P7 and P8 to P9 are provided to allow connection of the additional external passives for creating the RC filter and/or different capacitor values and materials.
EVALUATION BOARD SCHEMATIC AND ARTWORK

ORDERING INFORMATION
BILL OF MATERIALS
Table 2.
| Reference Designator | Description | Manufacturer Part Number |
| C1 | 0.1 μF ceramic capacitors | C0603C104K3RACTU |
| C2, C3 | 1 μF ceramic capacitors | UMK107AB7105KA-T |
| C4 | 47 μF ceramic capacitor | GRM32ER71A476KE15L |
| P1, P10, P11 | Binding post (red) | 3760-2 |
| P2, P12 | Binding post (black) | 3760-0 |
| P3 to P5 | Pin headers | M20-9990245 |
| P6 to P9 | Subminiature sockets | H3153-01 |
| TP1 to TP6 | Test points | TP-104-01-00 |
| J1 | SMB | PE44121 |
ESD Caution
ESD (electrostatic discharge) sensitive device. Charged devices and circuit boards can discharge without detection. Although this product features patented or proprietary protection circuitry, damage may occur on devices subjected to high energy ESD. Therefore, proper ESD precautions should be taken to avoid performance degradation or loss of functionality.
Legal Terms and Conditions
By using the evaluation board discussed herein (together with any tools, components documentation or support materials, the “Evaluation Board”), you are agreeing to be bound by the terms and conditions set forth below (“Agreement”) unless you have purchased the Evaluation Board, in which case the Analog Devices Standard Terms and Conditions of Sale shall govern. Do not use the Evaluation Board until you have read and agreed to the Agreement. Your use of the Evaluation Board shall signify your acceptance of the Agreement. This Agreement is made by and between you (“Customer”) and Analog Devices, Inc. (“ADI”), with its principal place of business at Subject to the terms and conditions of the Agreement, ADI hereby grants to Customer a free, limited, personal, temporary, non-exclusive, non-sublicensable, non-transferable license to use the Evaluation Board FOR EVALUATION PURPOSES ONLY. Customer understands and agrees that the Evaluation Board is provided for the sole and exclusive purpose referenced above, and agrees not to use the Evaluation Board for any other purpose. Furthermore, the license granted is expressly made subject to the following additional limitations: Customer shall not (i) rent, lease, display, sell, transfer, assign, sublicense, or distribute the Evaluation Board; and (ii) permit any Third Party to access the Evaluation Board. As used herein, the term “Third Party” includes any entity other than ADI, Customer, their employees, affiliates and in-house consultants. The Evaluation Board is NOT sold to Customer; all rights not expressly granted herein, including ownership of the Evaluation Board, are reserved by ADI. CONFIDENTIALITY. This Agreement and the Evaluation Board shall all be considered the confidential and proprietary information of ADI. Customer may not disclose or transfer any portion of the Evaluation Board to any other party for any reason. Upon discontinuation of use of the Evaluation Board or termination of this Agreement, Customer agrees to promptly return the Evaluation Board to ADI. ADDITIONAL RESTRICTIONS. Customer may not disassemble, decompile or reverse engineer chips on the Evaluation Board. Customer shall inform ADI of any occurred damages or any modifications or alterations it makes to the Evaluation Board, including but not limited to soldering or any other activity that affects the material content of the Evaluation Board. Modifications to the Evaluation Board must comply with applicable law, including but not limited to the RoHS Directive. TERMINATION. ADI may terminate this Agreement at any time upon giving written notice to Customer. Customer agrees to return to ADI the Evaluation Board at that time. LIMITATION OF LIABILITY. THE EVALUATION BOARD PROVIDED HEREUNDER IS PROVIDED “AS IS” AND ADI MAKES NO WARRANTIES OR REPRESENTATIONS OF ANY KIND WITH RESPECT TO IT. ADI SPECIFICALLY DISCLAIMS ANY REPRESENTATIONS, ENDORSEMENTS, GUARANTEES, OR WARRANTIES, EXPRESS OR IMPLIED, RELATED TO THE EVALUATION BOARD INCLUDING, BUT NOT LIMITED TO, THE IMPLIED WARRANTY OF MERCHANTABILITY, TITLE, FITNESS FOR A PARTICULAR PURPOSE OR NONINFRINGEMENT OF INTELLECTUAL PROPERTY RIGHTS. IN NO EVENT WILL ADI AND ITS LICENSORS BE LIABLE FOR ANY INCIDENTAL, SPECIAL, INDIRECT, OR CONSEQUENTIAL DAMAGES RESULTING FROM CUSTOMER’S POSSESSION OR USE OF THE EVALUATION BOARD, INCLUDING BUT NOT LIMITED TO LOST PROFITS, DELAY COSTS, LABOR COSTS OR LOSS OF GOODWILL. ADI’S TOTAL LIABILITY FROM ANY AND ALL CAUSES SHALL BE LIMITED TO THE AMOUNT OF ONE HUNDRED US DOLLARS ($100.00). EXPORT. Customer agrees that it will not directly or indirectly export the Evaluation Board to another country, and that it will comply with all applicable United States federal laws and regulations relating to exports. GOVERNING LAW. This Agreement shall be governed by and construed in accordance with the substantive laws of the Commonwealth of Massachusetts (excluding conflict of law rules). Any legal action regarding this Agreement will be heard in the state or federal courts having jurisdiction in Suffolk County, Massachusetts, and Customer hereby submits to the personal jurisdiction and venue of such courts. The United Nations Convention on Contracts for the International Sale of Goods shall not apply to this Agreement and is expressly disclaimed.
©2022 Analog Devices, Inc.
All rights reserved.
Trademarks and registered trademarks are the property of their respective owners.
One Analog Way, Wilmington
MA 01887-2356, U.S.A.



















