ANALOG DEVICES UG-2075 Evaluation Board User Guide

FEATURES
- Low RON 5 Ω
- High continuous current of up to 847 mA
- Flat RON across signal range, 003 Ω
- Improved balance between on resistance and on capacitance
- Low RON (0.5 Ω) and CON (33 pF)
- 8 V Logic compatibility
- 16-lead, 4 mm x 4 mm LFCSPe
- Pin to pin compatible with the ADG1412
- Fully specified at ±15 V, +12 V, ±5 V and +5 V/–12 V
- Operational with asymmetric power supplies
- VSS to VDD – 2 V analog signal range
EVALUATION KIT CONTENTS
- EVAL-ADG2412EBZ evaluation board
DOCUMENTS NEEDED
- ADG2412 data sheet
EQUIPMENT NEEDED
- DC voltage source
- ±15 V ± 10%, and/or ±5 V ± 10%, for dual-supply
► +12 V ± 10% for single-supply
- Optional digital logic-supply
- Analog signal source
- Method to measure voltage, such as a digital multimeter (DMM) or oscilloscope
GENERAL DESCRIPTION
The EVAL-ADG2412EBZ is the evaluation board for the ADG2412. The ADG2412 contains four independent single-pole/single-throw (SPST) switches. The ADG2412 switches turn on with Logic 1.
Each switch conducts equally well in both directions when on, and each switch has an input signal range that extends from VSS to VDD – 2 V. When the switches are open, signal levels up to the supplies are blocked. The ADG2412 does not have a VL pin. The digital inputs are compatible with 1.8 V logic inputs over the full- operating supply range. The on-resistance profile is very flat over the full-analog input range, which ensures good linearity and low distortion when switching audio signals.
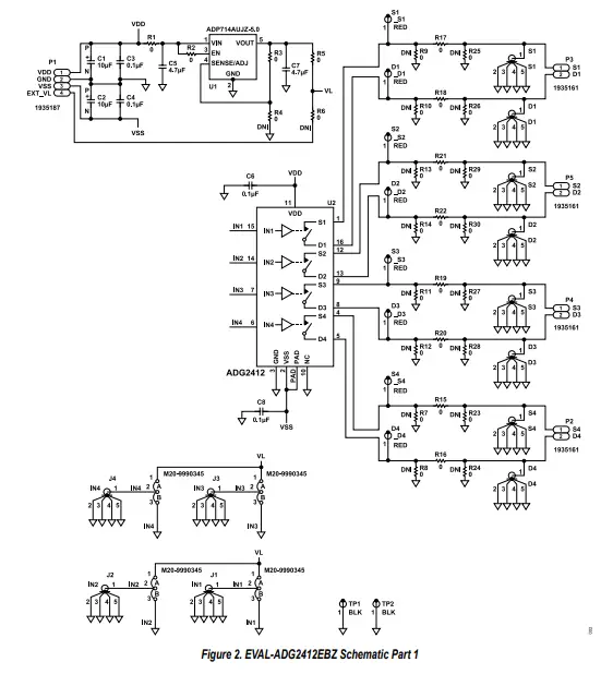
Figure 1 shows the EVAL-ADG2412EBZ evaluation board. The ADG2412 is located in the center of the evaluation board and wire screw terminals are provided to connect to each of the source and drain pins. Three screw terminals power the device and a fourth terminal provides users with a defined digital logic-supply voltage, if required. Alternatively, the digital logic-supply voltage can be supplied from the ADP7142 that is on the board.
Full specifications on the ADG2412 are available in the ADG2412 data sheet available from Analog Devices, Inc., and must be con- sulted with this user guide when using the EVAL-ADG2412EBZ evaluation board.
EVAL-ADG2412EBZ EVALUATION BOARD LAYOUT

Figure 1. Evaluation Board Layou
EVALUATION BOARD HARDWARE
POWER SUPPLIES
Connector P1 provides access to the supply pins on the ADG2412. VDD, GND, and VSS on P1 link to the appropriate pins on the ADG2412. For dual-supply voltages, the EVAL-ADG2412EBZ eval- uation board can be powered from ±13.5 V to ±16.5 V, or from ±4.5 V to ±5.5 V. For single-supply voltages, the GND and VSS terminals must be connected and VDD between 10.8 V to 13.2 V. Additionally, 5 V from the ADP7142 regulator can be supplied to INx logic pins of the ADG2412 via links IN1, IN2, IN3, and IN4. To use the 5 V from the ADP7142 for the logic inputs, then use the default setting of R5 populated and R6 not inserted. If there is a wish to supply a custom logic voltage via the IN1, IN2, IN3, and IN4 headers, then EXT_VL on P1 can be supplied with a suitable logic voltage. To use EXT_VL on P1, do not insert R5 and populate R6.
INPUT SIGNALS
Screw connectors, P2, P3, P4, and P5 are provided to connect to both the source and drain pins of the ADG2412. Additional
Subminiature Version B (SMB) connectors are available to connect cables to the source and drain pins.
Each trace on the source and drain side includes two sets of 0603 pads, which can place a load on the signal path to ground. A 0
Ω resistor is placed in the signal path and can be replaced with a user-defined value. The resistor combined with the 0603 pads can create a simple RC filter.
LINK OPTIONS
Several link options are provided on the EVAL-ADG2412EBZ evalu- ation board. The functions of these link options are described in Table 1.
Table 1. Link Options
Link Number Options
| IN1, IN2, IN3, IN4 | A = switch closed | B = switch open |
DIGITAL INTERFACE OPTIONS
The digital interface of the ADG2412 can either be controlled manually using the IN1, IN2, IN3, and IN4 link headers or accessed by using the J1, J2, J3, and J4 SMB connectors. To use the SMB connectors, remove the IN1, IN2, IN3, and IN4 link headers.
Connecters P6, P7, P9, and P10 can also be used with a controller board such as the SDP-K1 or Arduino. If a controller board is used to control the ADG2412, remove the IN1, IN2, IN3, and IN4 link headers.
EVALUATION BOARD SCHEMATICS AND ARTWORK
EVALUATION BOARD SCHEMATICS AND ARTWORK
EVALUATION BOARD SCHEMATICS AND ARTWORK
Figure 5. EVAL-ADG2412EBZ Top Layer

Figure 6. EVAL-ADG2412EBZ Bottom Layer
| C1, C2 | 50 V, 10 μF tantalum capacitors, | AVX | TAJD106M050RNJ |
| 7343-31, 0.8 Ω | |||
| C3, C4, C6, C8 | 0.1 μF, 50 V, ceramic capacitors, X7R, | Samsung | CL10B104KB8NNNC |
| 0603 | |||
| C5, C7 | 4.7 μF, 50 V ceramic capacitors, X5R, | TDK | C2012X5R1H475K125AB |
| 0805 | |||
| D1 to D4, J1 to J4, S1 to S4 | SMB sockets | Amphenol | SMB1251B1-3GT30G-50 |
| IN1 to IN4 | Jumper blocks using 3-pin SIP header | Harwin | M20-9990345 |
| P1 | 4-pin terminal, 5 mm | Phoenix Contact | 1935187 |
| P7, P10 | Socket strips, square tails, 2.54 mm pitch | Samtec | SSQ-108-03-G-S |
| P2 to P5 | 2-pin terminals, 5 mm | Phoenix Contact | 1935161 |
| P6 | Socket strip, square tails, 2.54 mm pitch | Samtec | SSQ-106-03-G-S |
| P9 | Socket strip, square tails, 2.54 mm pitch | Samtec | SSQ-110-03-G-S |
| R1, R5 | 0 Ω resistors, SMD, 1/8 W, 0805 | Vishay | RCG08050000Z0EA |
| R2, R3, R15 to R22 | 0 Ω jumpers, SMD, 1/4 W, 0603, AEC- | Vishay | CRCW06030000Z0EAHP |
| Q200 | |||
| R82, R83, R86 | 100 kΩ resistors, SMD, 1%, 1/16 W, | Multicomp (SPC) | MC 0.063W 0603 1% 100K |
| 0603 | |||
| TP1, TP2 | PCB test points | Keystone Electronics | 5001 |
| U1 | 40 V, 200 mA, low noise, CMOS LDO | Analog Devices | ADP7142AUJZ-5.0-R7 |
| linear regulator | |||
| U2 | 0.5 Ω RON, ± 15 V, +12 V, ±5 V, +5 V/−12 | Analog Devices | ADG2412BCPZ |
| V, quad SPST switch | |||
| U3 | IC, 32 kb serial EEPROM | Microchip Technology | 24AA32A-I/SN |
| _D1 to _D4, _S1 to _S4 | PCB test points | Keystone Electronics | 5000 |
ESD Caution
ESD (electrostatic discharge) sensitive device. Charged devices and circuit boards can discharge without detection. Although this product features patented or proprietary protection circuitry, damage may occur on devices subjected to high energy ESD. Therefore, proper ESD precautions should be taken to avoid performance degradation or loss of functionality.
Legal Terms and Conditions
By using the evaluation board discussed herein (together with any tools, components documentation or support materials, the “Evaluation Board”), you are agreeing to be bound by the terms and conditions set forth below (“Agreement”) unless you have purchased the Evaluation Board, in which case the Analog Devices Standard Terms and Conditions of Sale shall govern. Do not use the Evaluation Board until you have read and agreed to the Agreement. Your use of the Evaluation Board shall signify your acceptance of the Agreement. This Agreement is made by and between you (“Customer”) and Analog Devices, Inc. (“ADI”), with its principal place of business at Subject to the terms and conditions of the Agreement, ADI hereby grants to Customer a free, limited, personal, temporary, non-exclusive, non-sublicensable, non-transferable license to use the Evaluation Board FOR EVALUATION PURPOSES ONLY. Customer understands and agrees that the Evaluation Board is provided for the sole and exclusive purpose referenced above, and agrees not to use the Evaluation Board for any other purpose. Furthermore, the license granted is expressly made subject to the following additional limitations: Customer shall not (i) rent, lease, display, sell, transfer, assign, sublicense, or distribute the Evaluation Board; and (ii) permit any Third Party to access the Evaluation Board. As used herein, the term “Third Party” includes any entity other than ADI, Customer, their employees, affiliates and in-house consultants. The Evaluation Board is NOT sold to Customer; all rights not expressly granted herein, including ownership of the Evaluation Board, are reserved by ADI. CONFIDENTIALITY. This Agreement and the Evaluation Board shall all be considered the confidential and proprietary information of ADI. Customer may not disclose or transfer any portion of the Evaluation Board to any other party for any reason. Upon discontinuation of use of the Evaluation Board or termination of this Agreement, Customer agrees to promptly return the Evaluation Board to ADI. ADDITIONAL RESTRICTIONS. Customer may not disassemble, decompile or reverse engineer chips on the Evaluation Board. Customer shall inform ADI of any occurred damages or any modifications or alterations it makes to the Evaluation Board, including but not limited to soldering or any other activity that affects the material content of the Evaluation Board. Modifications to the Evaluation Board must comply with applicable law, including but not limited to the RoHS Directive. TERMINATION. ADI may terminate this Agreement at any time upon giving written notice to Customer. Customer agrees to return to ADI the Evaluation Board at that time. LIMITATION OF LIABILITY. THE EVALUATION BOARD PROVIDED HEREUNDER IS PROVIDED “AS IS” AND ADI MAKES NO WARRANTIES OR REPRESENTATIONS OF ANY KIND WITH RESPECT TO IT. ADI SPECIFICALLY DISCLAIMS ANY REPRESENTATIONS, ENDORSEMENTS, GUARANTEES, OR WARRANTIES, EXPRESS OR IMPLIED, RELATED TO THE EVALUATION BOARD INCLUDING, BUT NOT LIMITED TO, THE IMPLIED WARRANTY OF MERCHANTABILITY, TITLE, FITNESS FOR A PARTICULAR PURPOSE OR NONINFRINGEMENT OF INTELLECTUAL PROPERTY RIGHTS. IN NO EVENT WILL ADI AND ITS LICENSORS BE LIABLE FOR ANY INCIDENTAL, SPECIAL, INDIRECT, OR CONSEQUENTIAL DAMAGES RESULTING FROM CUSTOMER’S POSSESSION OR USE OF THE EVALUATION BOARD, INCLUDING BUT NOT LIMITED TO LOST PROFITS, DELAY COSTS, LABOR COSTS OR LOSS OF GOODWILL. ADI’S TOTAL LIABILITY FROM ANY AND ALL CAUSES SHALL BE LIMITED TO THE AMOUNT OF ONE HUNDRED US DOLLARS ($100.00). EXPORT. Customer agrees that it will not directly or
indirectly export the Evaluation Board to another country, and that it will comply with all applicable United States federal laws and regulations relating to exports. GOVERNING LAW. This Agreement shall be governed by and construed in accordance with the substantive laws of the Commonwealth of Massachusetts (excluding conflict of law rules). Any legal action regarding this Agreement will be heard in the state or federal courts having jurisdiction in Suffolk County, Massachusetts, and Customer hereby submits to the personal jurisdiction and venue of such courts. The United Nations Convention on Contracts for the International Sale of Goods shall not apply to this Agreement and is expressly disclaimed.
©2023 Analog Devices, Inc. All rights reserved. Trademarks and registered trademarks are the property of their respective owners. One Analog Way, Wilmington, MA 01887-2356, U.S.A.




















