DC2383A-B Evaluation Board
User Guide
Quad 17V, 1.25A Synchronous Step-DownRegulator with Ultralow Quiescent Current
DESCRIPTION
Demonstration circuit 2383A-B features the LT ® 3644-2: the wide input and output voltage range, high efficiency and power density, quad 1.25A outputs DC/DC synchronous step-down monolithic regulator. The input voltage range of DC2383A-A is 2.7V to 17V. The default demo board setting of VOUT1, VOUT2, VOUT3, and VOUT4 is 1.2V, 3.3V, 2.5V, and 1.8V at 1.25A maximum DC output current per channel. There are two assembly versions. The DC2383A-B features LTC3644-2 which operates at an internally fixed frequency of 2.25MHz (Typ), while the DC2383A-A features LTC3644 which operates at an internally fixed frequency of 1MHz (Typ). Peak current limit is internally fixed at 2.2A typical per channel. Each channel comes with independent run pin control and power good indicators. Phase shift selection of either 0 degrees or 180 degrees between switch rising edge of channels 1, 2 and channels 3, 4 is also available.
DC2383A-B provides optional onboard 0Ω jumpers to configure the LTC3644-2 as 4-phase dual 2.5A/2.5A outputs or 4-phase triple 2.5A/1.25A/1.25A outputs. Optional 0Ω jumpers connecting VIN1 to VIN2, VIN3, and
VIN4 are available for users to operate selected channels of LTC3644-2 at different input voltages than VIN1.
A user-selectable MODE/SYNC input is provided to allow users to trade off ripple noise for light load efficiency: pulse-skipping mode (PS) or Burst Mode ® operation delivers higher efficiency at light load while forced continuous conduction mode (FCM) is preferred for noise sensitive applications. The MODE/SYNC pin can also be used to synchronize the switching frequency to an external clock or set the phase shift between channels 1, 2, and channels 3, 4. Constant frequency, peak current mode control architecture and integrated internal control loop compensation network, allows very fast transient response to line and load changes while maintaining loop stability.
The LTC3644-2 is available in a thermally enhanced, low-profile 36-lead 5mm x 5mm BGA package. It is recommended to read the LTC3644-2 datasheet and demo board manual prior to using or making any changes to DC2383A-B.
PERFORMANCE SUMMARY
Specifications are at TA = 25°
| PARAMETER | CONDITIONS | MIN | TYP | MAX | UNITS |
| Input Voltage Range VIN | 2.7 | 17 | V | ||
| Demo Board Default Output Voltages VOUT1, VOUT2, VOUT3, VOUT4 | FSW = 2.25 MHzBurst Mode VIN = 2.7V to 17V (VOUT < VIN) ILOAD = 0A to 1.25A per Channel | 1.176 3.234 2.45 1.764 | 1.2 3.3 2.5 1.8 | 1.224 .366 2.55 1.836 | V |
| Default Switching Frequency | Internally Fixed Switching Frequency | 1.8 | 2.25 | 2.6 | MHz |
| Maximum Continuous Output Current IOUT per Channel IOUT1, IOUT2, IOUT3, IOUT4 | FSW = 2.25MHz VIN = 2.7V to 17V (VOUT < VIN) VOUT = 1.2V, 1.8V, 2.5V, 3.3V | 1.25 | A | ||
| Efficiency at DC | VIN = 5V FSW = 2.25MHz | 125 | % | ||
| VOUT1 = 1.2V at IOUT1 = 1A | 80.6 | ||||
| VOUT2 = 3.3V at IOUT2 = 1A | 88.1 | ||||
| VOUT3 = 2.5V at IOUT3 = 1A | 86.2 | ||||
| VOUT4 = 1.8V at IOUT4 = 1A | 84.7 | ||||
QUICK START PROCEDURE
The MODE/SYNC pin can be used to synchronize the internal oscillator clock frequency to the external clock signal. Place JP3 (MODE/PLLIN) at the CLKIN position, apply an external clock signal at the CLKIN test point (E10) to vary the switching frequency within ±50% of the internal programmed frequency.
The MODE/SYNC pin can also be used to set the phase shift between channels 1, 2 and channels 3, 4 while keeping the PHASE pin tied to INTVCC. The phase shift can be set by modulating the duty cycle of an external clock on the MODE/SYNC pin. In this case, the phase shift will be determined by the applied external clock rising and falling edges. The switch rising edge of channels 1, 2 is synced to the rising edge of the external clock and the switch rising edge of channels 3, 4 is synced to the falling edge of the external clock. Crosstalk between channels can be avoided by adjusting the phase shift between channels such that the SW edges do not coincide.
(Option) 4-Phase Dual 2.5A/2.5A Output Current Configuration:
DC2383A-B can be configured as dual 2.5A/2.5A outputs.
Channel 1 and channel 4 are master channels, and channel 2 and channel 3 are slaves.
The following simple modification is required:
- Tie VIN1, VIN2, VIN3, and VIN4 together or tie VIN1 and VIN2, VIN3 and VIN4 together if operating channels 1 and channel 2 at different input voltage than that of channel 3 and channel 4. Make sure SVIN is tied to the highest input supply voltage.
- Tie SW1 and SW2, SW3 and SW4 together. Since SW1 and SW2, SW3 and SW4 are tied together, there is only one inductor needed for each output voltage rail. Calculate and insert the inductors needed for L1 and L4, and remove L2 and L3.
- Tie FB2 and FB3 to INTVCC.
- Float (do not use) PGOOD2 and PGOOD3. Only PGOOD1 and PGOOD4 are active.
- Tie RUN1 and RUN2, RUN3 and RUN4 together. Note: Make sure to float all the unused onboard RUN pin jumpers to avoid accidentally shorting VIN to GND.
- Tie PHASE pin to INTVCC. Refer to the demo board DC2383A-B schematic for more details.
(Option) 4-Phase Triple 2.5A/1.25A/1.25A Output Circuit Configuration:
DC2383A-B can be configured as triple 2.5A/1.25A/1.25A outputs.
Channel 1 is a master channel, channel 2 is a slave. Channel 3 and channel 4 are independent channels.
The following simple modification is required:
- Tie VIN1, VIN2, VIN3, and VIN4 together, or tie VIN1 and VIN2 together, and VIN3 and VIN4 can be at different input voltages than VIN1 and VIN2. Make sure SVIN is tied to the highest input supply voltage.
- Tie SW1 and SW2 together. There is only one inductor needed for this output voltage rail. Calculate and insert the inductor needed for L1 and remove L2.
- Tie FB2 to INTVCC.
- Float (do not use) PGOOD2. Only PGOOD1, PGOOD3, and PGOOD4 are active.
- Tie RUN1 and RUN2 together. Note: Make sure to float all unused onboard RUN pin jumpers to avoid accidentally shorting VING to GND.
- Tie PHASE pin to INTVCC.
- Channel 3 and Channel 4 are left unchanged since these two channels operate as independent channels.
Refer to the demo board DC2383A-B schematic for more details.
QUICK START PROCEDURE
![]() | ![]() |
QUICK START PROCEDURE

Figure 3. Measured Efficiency at VIN = 5V, FSW = 2.25MHz, Burst Mode

VOUT1 = 1.2V, VOUT2 = 3.3V, VOUT3 = 2.5V, VOUT4 = 1.8V
ILOAD = 1.25A per Channel
TA = 25°C, No Heat Sink, No Forced Airflow
Figure 4. Thermal Performance at VIN = 5V, fSW = 2.25MHz
![]() | |
| (a) Load Transient Response: VIN = 8V, VOUT = 1.2V | (b) Load Transient Response: VIN = 12V, VOUT = 1.8V |
![]() | |
| (c) Load Transient Response: VIN = 12V, VOUT = 2.5V | (d) Load Transient Response: VIN = 12V, VOUT = 3.3V |
Figure 5. Load Transient Responses
Load Transient Response Test Conditions:
FSW = 2.25MHz Typical
VOUT1 = 1.2V, VOUT2 = 3.3V, VOUT3 = 2.5V, VOUT4 = 1.8V
L1 = L4 = 1µH
L2 = L3 = 2.2µH
Load Step = 0.625A to 1.25A at di/dt = 1A/µs
COUT_ceramic = 1×47µF/1206 + 1x10uF/1206 (per Channel)
Feedforward Capacitor: CFF = 68pF (per Channel)
PARTS LIST
| ITEM | QTY | REFERENCE | PART DESCRIPTION | MANUFACTURER/PART NUMBER |
Required Circuit Components
| 1 | 4 | CFF1, CFF2, CFF3, CFF4 | CAP, 0402 68pF 5% 50V C0G | MURATA, GRM1555C1H680JA01D |
| 2 | 1 | C1 | CAP. 2917 22uF 20% 35V TANT | AVX, TPSE226M035R0125 |
| 3 | 7 | C2, C4, C5, C7, C9, C10, C14 | CAP, 0805 10uF 10% 25V X5R | MURATA, GRM21BR61E106KA73L |
| 4 | 5 | C3, C6, C11, C12, C15 | CAP, 0603 4.7uF 20% 25V X5R | MURATA, GRM188R61E475ME11D |
| 5 | 1 | C16 | CAP, 0603 1uF 10% 25V X7R | MURATA, GRM188R71E105KA12D |
| 6 | 4 | C19, C21, C23, C25 | CAP, 1206 47uF 10% 16V X5R | MURATA, GRM31CR61C476ME44L |
| 7 | 4 | C20, C22, C24, C26 | CAP, 1206 10uF 10% 25V X7R | KEMET, C1206C106K3RACTU |
| 8 | 2 | L1, L4 | IND, 1uH | MURATA, DFE252012F-1R0M |
| 9 | 2 | L2, L3 | IND, 2.2uH | MURATA, DFE252012F-2R2M |
| 10 | 5 | RSET1, RSET2, RSET3, RSET4, R25 | RES, 0402 100K OHM 1% 1/16W | PANASONIC, ERJ2RKF1003X |
| 11 | 9 | R1, R2, R9, R13, R14, R17, R18, R23, R24 | RES, 0402 0 OHM JUMPER | VISHAY, CRCW04020000Z0ED |
| 12 | 4 | R3, R4, R5, R6 | RES, 0402 100k OHMS 1% 1/16W | VISHAY, CRCW0402100KFKED |
| 13 | 1 | R7 | RES, 0402 2.2 OHMS 1% 1/16W | VISHAY, CRCW04022R20FNED |
| 14 | 6 | R8, R10, R11, R12, R15, R16 | RES, 0402 10M OHMS 1% 1/16W | VISHAY, CRCW040210M0FKED |
| 15 | 1 | R19 | RES, 0402 22.1K OHMS 1% 1/16W | VISHAY, CRCW040222K1FKED |
| 16 | 1 | R22 | RES, 0402 31.6K OHM 1% 1/16W | VISHAY, CRCW040231K6FKED |
| 17 | 1 | R28 | RES, 0402 49.9K OHMS 1% 1/16W | VISHAY, CRCW040249K9FKED |
| 18 | 3 | R29, R30, R31 | RES, 0805 0 OHM JUMPER | VISHAY, CRCW08050000Z0EA |
| 19 | 1 | U1 | IC, QUAD 17V, 1.25A SYNCHRONOUS STEP-DOWN REGULATOR | ANALOG DEVICES, LTC3644EY-2 |
Additional Demo Board Circuit Components
| 1 | 0 | C8, C13, C17, C18 | CAP, 0402 OPTION | OPTION |
| 2 | 0 | C27, C28, C29, C30 | CAP, 1206 OPTION | OPTION |
| 3 | 0 | R20, R21, R26, R27 | RES, 0402 OPTION | OPTION |
| 4 | 0 | R32 | RES, 1206 OPTION | OPTION |
| 5 | 0 | R33, R34, R37, R38, R39 | RES, 0603 OPTION | OPTION |
| 6 | 0 | R35, R36 | RES, 0805 OPTION | OPTION |
Hardware: For Demo Board Only
| 1 | 16 | E1, E2, E3, E4, E5, E6, E7, E12, E14, E15, E16, E17, E18, E19, E20, E21 | TURRET | MILL-MAX, 2501-2-00-80-00-00-07-0 |
| 2 | 10 | E8, E9, E10, E11, E13, E22, E23, E24, E25, E26 | TURRET | MILL-MAX, 2308-2-00-80-00-00-07-0 |
| 3 | 5 | JP1, JP2, JP4, JP5, JP6 | HEADER, 3PIN, 2mm | WURTH, ELEKTRONIK, 62000311121 |
| 4 | 1 | JP3 | HEADER, 2X4PINS 2mm | WURTH, ELEKTRONIK, 62000821121 |
| 5 | 4 | JP7, JP8, JP9, JP10 | HEADER, 2PIN, DBL ROW 2mm | WURTH, ELEKTRONIK, 62000421121 |
| 6 | 4 | MH1, MH2, MH3, MH4 | STANDOFF, SNAP ON 12.7mm | WURTH, ELEKTRONIK, 702935000 |
| 7 | 10 | XJP1, XJP2, XJP3, XJP4, XJP5, XJP6, XJP7, XJP8, XJP9, XJP10 | SHUNT, 2mm | WURTH, ELEKTRONIK, 60800213421 |
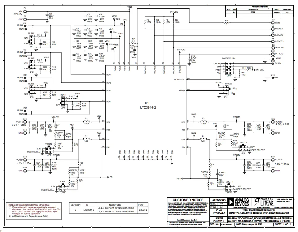
SCHEMATIC DIAGRAM

SCHEMATIC DIAGRAM
OPTIONAL JUMPERS FOR PARALLELING PHASES FOR DESIRED NUMBER OF OUTPUT VOLTAGE RAILS (SHARING THE SAME VIN1)

| NUMBER OF OUTPUT VOLTAGE RAILS | Paralleling Channel | Master Channel | 0 OHM (Required) | OPT (Do not stuff) | PHASE (JP13) |
| QUAD 1.25A 4 | 1/2/3/4 | R33, R34, R35, R36, R37, R38, R39 | INTVCC | ||
| TRIPLE 2.5A/1.25A/1.25A 3 | 1+2/3/4 | 1 | R33, R35, R37 | R4, R9, R10, R17, RSET2, CFF2, R19, R34, R36, R38, R39, L2, JP2 | INTVCC |
| DUAL 2.5A/2.5A 2 | 1+2/3+4 | 1, 4 | R33, R34, R35, R36, R37, R38 | R4, R5, R9, R10, R13, R15, R17, R18, RSET2, RSET3, CFF2, CFF3, R19, R22, R39 L2, L3, JP2, JP5 | INTVCC |
NOTE:
Please refer to the datasheet and demo board manual for more details and examples of paralleling phases to obtain the desired number of output voltage rails.
CUSTOMER NOTICE
ANALOG DEVISES INC. HAS MADE THE BEST EFFORT TO DESIGN A CIRCUIT THAT MEETS CUSTOMER-SUPPLIED SPECIFICATIONS; HOWEVER, IT REMAINS THE CUSTOMER’S RESPONSIBILITY TO VERIFY PROPER AND RELIABLE OPERATION IN THE ACTUAL APPLICATION. COMPONENT SUBSTITUTION AND PRINTED CIRCUIT BOARD LAYOUT MAY SIGNIFICANTLY AFFECT CIRCUIT PERFORMANCE OR RELIABILITY. CONTACT NALOG DEVICES INC. APPLICATIONS ENGINEERING FOR ASSISTANCE.
THIS CIRCUIT IS PROPRIETARY TO ANALOG DEVICES INC. AND SUPPLIED FOR USE WITH ANALOG DEVICES INC. PARTS.

Information furnished by Analog Devices is believed to be accurate and reliable. However, no responsibility is assumed by Analog Devices for its use, nor for any infringements f patents or other rights of third parties that may result from its use. Specifications subject to change without notice. No license is granted by implication or otherwise under any atent or patent rights of Analog Devices.
ESD Caution
ESD (electrostatic discharge) sensitive device. Charged devices and circuit boards can discharge without detection. Although this product features patented or proprietary protection circuitry, damage may occur on devices subjected to high-energy ESD. Therefore, proper ESD precautions should be taken to avoid performance degradation or loss of functionality.
Legal Terms and Conditions
By using the evaluation board discussed herein (together with any tools, components documentation or support materials, the “Evaluation Board”), you are agreeing to be bound by the terms and conditions set forth below (“Agreement”) unless you have purchased the Evaluation Board, in which case the Analog Devices Standard Terms and Conditions of Sale shall govern. Do not use the Evaluation Board until you have read and agreed to the Agreement. Your use of the Evaluation Board shall signify your acceptance of the Agreement. This Agreement is made by and between you (“Customer”) and Analog Devices, Inc. (“ADI”), with its principal place of business at One Technology Way, Norwood, MA 02062, USA. Subject to the terms and conditions of the Agreement, ADI hereby grants to Customer a free, limited, personal, temporary, non-exclusive, non-sublicensable, non-transferable license to use the Evaluation Board FOR EVALUATION PURPOSES ONLY. Customer understands and agrees that the Evaluation Board is provided for the sole and exclusive purpose referenced above, and agrees not to use the Evaluation Board for any other purpose. Furthermore, the license granted is expressly made subject to the following additional limitations: Customer shall not (i) rent, lease, display, sell, transfer, assign, sublicense, or distribute the Evaluation Board; and (ii) permit any Third Party to access the Evaluation Board. As used herein, the term “Third Party” includes any entity other than ADI, Customer, their employees, affiliates and in-house consultants. The Evaluation Board is NOT sold to the Customer; all rights not expressly granted herein, including ownership of the Evaluation Board, are reserved by ADI. CONFIDENTIALITY. This Agreement and the Evaluation Board shall all be considered the confidential and proprietary information of ADI. The customer may not disclose or transfer any portion of the Evaluation Board to any other party for any reason. Upon discontinuation of use of the Evaluation Board or termination of this Agreement, Customer agrees to promptly return the Evaluation Board to ADI. ADDITIONAL RESTRICTIONS. Customers may not disassemble, decompile or reverse engineer chips on the Evaluation Board. The customer shall inform ADI of any occurred damages or any modifications or alterations it makes to the Evaluation Board, including but not limited to soldering or any other activity that affects the material content of the Evaluation Board. Modifications to the Evaluation Board must comply with applicable law, including but not limited to the RoHS Directive. TERMINATION. ADI may terminate this Agreement at any time upon giving written notice to the Customer. The customer agrees to return to ADI the Evaluation Board at that time. LIMITATION OF LIABILITY. THE EVALUATION BOARD PROVIDED HEREUNDER IS PROVIDED “AS IS” AND ADI MAKES NO WARRANTIES OR REPRESENTATIONS OF ANY KIND WITH RESPECT TO IT. ADI SPECIFICALLY DISCLAIMS ANY REPRESENTATIONS, ENDORSEMENTS, GUARANTEES, OR WARRANTIES, EXPRESS OR IMPLIED, RELATED TO THE EVALUATION BOARD INCLUDING, BUT NOT LIMITED TO, THE IMPLIED WARRANTY OF MERCHANTABILITY, TITLE, FITNESS FOR A PARTICULAR PURPOSE OR NON-INFRINGEMENT OF INTELLECTUAL PROPERTY RIGHTS. IN NO EVENT WILL ADI AND ITS LICENSORS BE LIABLE FOR ANY INCIDENTAL, SPECIAL, INDIRECT, OR CONSEQUENTIAL DAMAGES RESULTING FROM THE CUSTOMER’S POSSESSION OR USE OF THE EVALUATION BOARD, INCLUDING BUT NOT LIMITED TO LOST PROFITS, DELAY COSTS, LABOR COSTS OR LOSS OF GOODWILL. ADI’S TOTAL LIABILITY FROM ANY AND ALL CAUSES SHALL BE LIMITED TO THE AMOUNT OF ONE HUNDRED US DOLLARS ($100.00). EXPORT. The customer agrees that it will not directly or indirectly export the Evaluation Board to another country, and that it will comply with all applicable United States federal laws and regulations relating to exports. GOVERNING LAW. This Agreement shall be governed by and construed in accordance with the substantive laws of the Commonwealth of Massachusetts (excluding conflict of law rules). Any legal action regarding this Agreement will be heard in the state or federal courts having jurisdiction in Suffolk County, Massachusetts, and Customer hereby submits to the personal jurisdiction and venue of such courts. The United Nations Convention on Contracts for the International Sale of Goods shall not apply to this Agreement and is expressly disclaimed.
01/22
www.analog.com
©ANALOG DEVICES, INC. 2022






















