ANALOG DEVICES DC2897A Evaluation Board

DESCRIPTION
Demonstration circuit 2897A is a low IQ, triple output, synchronous step-down supply featuring the LTC®7819. The circuit is optimized for high efficiency. It provides outputs of 3.3V at 12A, 8.5V at 10A and 5.0V at 12A over an input voltage range of 10V to 36V with a switching frequency of 380kHz. Each rail uses a 3mΩ sense resistor to sense the current and provides optional footprints for DCR sensing. Typical applications include automotive, transportation, industrial, military and avionics systems. Features of the DC2897A include pin selectable light load operating modes of forced continuous mode, pulse-skipping and Burst Mode® operation. Optional spread spectrum modulation to reduce EMI, a PLLIN pin to synchronize to an external clock, optional DCR sensing footprints, an EXTVCC pin to reduce losses in the controller and optional footprints to parallel two or three channels. The LTC7819 data sheet provides a complete description of the part, operational details, and application information. DC2897A must be read in conjunction with the data sheet. Design files for this circuit board are available.
PERFORMANCE SUMMARY
| PARAMETER | CONDITIONS | MIN | TYP | MAX | UNITS | |
| Input Voltage Range | 10 | 36 | V | |||
| Output Voltage #1, VOUT1 | VIN = 10V to 36V, IOUT1 = 0A – 12A | 3.3 | V | |||
| Output Voltage #2, VOUT2 | VIN = 10V to 36V, IOUT2 = 0A – 10A | 8.5 | V | |||
| Output Voltage #3, VOUT3 | VIN = 10V to 36V, IOUT3 = 0A – 12A | 5.0 | V | |||
| Maximum Output Current, IOUT1 | VIN = 10V to 36V, VOUT1 = 3.3V | 12 | A | |||
| Maximum Output Current, IOUT2 | VIN = 10V to 36V, VOUT2 = 8.5V | 10 | A | |||
| Maximum Output Current, IOUT3 | VIN = 10V to 36V, VOUT3 = 5.0V | 12 | A | |||
| Switching Frequency | 380 | kHz | ||||
| Efficiency (fSW = 380kHz) | VIN = 12V, VOUT1 = 3.3V, IOUT1 = 12A VIN = 12V, VOUT2 = 8.5V, IOUT2 = 10A | 94.9 97.9 | % % | |||
| 96.4 | % | |||||
| VIN = 12V, VOUT3 = 5.0V, IOUT3 = 12A | ||||||
QUICK START PROCEDURE
Demonstration circuit 2897A is easy to set up for evaluating the LTC7819. Please refer to Figure 1 for the proper measurement equipment setup and follow the procedure below.
- Connect the input power supply to VIN (10V – 36V) and GND (input return).
- Preset the load for each output to 0A and the input supply to 0V.
- Place jumpers in the following positions:
JP4: RUN1 ON
JP2: RUN2 ON
JP1: RUN3 ON
JP3: MODE FCC
JP5: SPREAD SPECTRUM NO - Set the input voltage to within the specified range and check VOUT1, VOUT2 and VOUT3.
- Once the proper output voltages have been confirmed, observe the output voltage ripple, efficiency, and other parameters.
LIGHT LOAD OPERATION, SYNCHRONIZATION TO AN EXTERNAL CLOCK AND SPREAD SPECTRUM
To synchronize the LTC7819 to an external clock, place the SPREAD SPECTRUM jumper (JP5) in the EXT CLK position and apply an external clock between the PLLIN turret and GND. The phase-lockable frequency range is 100kHz to 3MHz. The low clock level should be 0.5V or lower and the high clock level should be 2.2V or higher. For spread spectrum, place the jumper in the YES posi-tion. With spread spectrum enabled, the frequency will be modulated between 100% and 120% of the programmed frequency (380kHz to 456kHz). This will help reduce the peak emission levels. To allow the converter to free run at is programmed frequency (380kHz), place the jumper in the NO position which is the default setting. Demonstration circuit 2897A can be programmed to operate in either forced continuous conduction mode (FCC), pulse-skipping mode (PS) or Burst Mode opera-tion (BURST) at no load or light load with JP3. Forced continuous mode (default setting) provides the clean-est output voltage ripple. Pulse-skipping mode provides higher efficiency at light load, but the output voltage ripple is less regular. Burst Mode operation provides the highest light load efficiency, but the output voltage ripple is the least regular and highest of the three modes.
QUICK START PROCEDURE
OPTIONAL DCR SENSING
Demonstration circuit 2897A has optional footprints for DCR sensing. The benefit of DCR sensing is a lower parts count and high efficiency but at the expense of a less accurate current sensing and current limit. To imple-ment DCR sensing refer to Table 1 and the Applications Information section of the data sheet. Be sure to stuff a 0mΩ copper shunt or a short, thick piece of copper at RS1, RS2 and/or RS3.
EXTVCC BIAS OPTION
The EXTVCC pin of the LTC7819 on the standard demo board is connected to the 5V output (VOUT3) to reduce the losses in the controller and improve efficiency. If nec-
essary, the EXTVCC pin can be tied to an external supply by following these steps:
- Remove the 0Ω jumper at R20.
- Connect a DC voltage from the EXTVCC turret to a GND turret. The DC voltage should be between 5V and 30V.
PARALLELING CHANNELS
For higher power, two or more channels of demonstra-tion circuit 2897A can be paralleled. Given that the chan-nels operate 120 degrees out of phase with each other, paralleling channels provides the benefit of ripple cur-rent cancelation in the output and input capacitors. This in turn provides lower output voltage and input voltage ripple. Another benefit of interleaved channels is a faster load step response. When paralleling phases channel 1 is always the master and channels 2 and 3 are slaves. In addition, each phase should have the same inductor, sense resistor–if used and MOSFETs. Detailed instruc-tions are below:
Table 1. Optional Inductor DCR Sensing
|
CONFIGURATION | CHANNEL 1 | RS1 | R30 | R29 | C14 | R45 | R47 | R61 |
| CHANNEL 2 | RS2 | R52 | R54 | C56 | R50 | R49 | R46 | |
| CHANNEL 3 | RS3 | R40 | R39 | C15 | R51 | R53 | R62 | |
| RSENSE (DEFAULT) | 3mΩ | 0Ω | 0Ω | 1nF | Open | Open | Open | |
| DCR SENSING | 0mΩ Cu | Open | Open | Refer to Data Sheet | 0Ω | |||




PARTS LIST
| ITEM | QTY | REFERENCE | PART DESCRIPTION | MANUFACTURER/PART NUMBER |
| 1 | 5 | C1, C14, C15, C43, C56 | CAP., 1000pF, C0G, 50V, 10%, 0603 | AVX, 06035A102KAT2A |
| 2 | 1 | C11 | CAP., 4.7μF, X5R, 10V, 10%, 0805 | KEMET, C0805C475K8PACTU MURATA, GRM21BR61A475KA73L SAMSUNG, CL21A475KPFNNNF TDK, C2012X5R1A475K125AA |
| 3 | 8 | C2, C4, C20, C21, C47, C52, C61, C74 | CAP., 0.1μF, X7R, 50V, 10%, 0603 | AVX, 06035C104KAT2A KEMET, C0603C104K5RAC7867; C0603C104K5RACTU TDK, C1608X7R1H104K080AA |
| 4 | 1 | C41 | CAP., 2200pF, X7R, 50V, 10%, 0603 | AVX, 06035C222KAT2A MURATA, GRM188R71H222KA01D SAMSUNG, CL10B222KB8NFNC |
| 5 | 2 | C42, C44 | CAP., 47pF, X7R, 50V, 10%, 0603 | AVX, 06035C470KAT2A KEMET, C0603C470K5RACTU |
| 6 | 1 | C53 | CAP., 0.01μF, C0G, 50V, 5%, 0603 | MURATA, GRM1885C1H103JA01D TDK, C1608C0G1H103J080AA |
| 7 | 1 | C54 | CAP., 220pF, X7R, 50V, 10%, 0603 | AVX, 06035C221KAT2A KEMET, C0603C221K5RACTU NIC, NMC0603X7R221K50TRPF |
| 8 | 2 | C69, C70 | CAP., 1μF, X7R, 10V, 10%, 0603 | AVX, 0603ZC105KAT2A KEMET, C0603C105K8RACTU MURATA, GRM188R71A105KA61D TDK, C1608X7R1A105K080AC |
| 9 | 1 | CIN1 | CAP., 220μF, ALUM ELECT, 50V, 20%, 10mm × 10.2mm, RADIAL, SMD, AEC-Q200 | PANASONIC, EEEFK1H221GP CORNELL DUBILIER, AFK227M50G24T-F |
| 10 | 8 | CIN3, CIN4, CIN5, CIN6, CIN7, CIN8, CIN9, CIN10 | CAP., 4.7μF, X7R, 50V, 10%, 1210 | AVX, 12105C475KAT2A KEMET, C1210C475K5RACTU MURATA, GRM32ER71H475KA88L YAGEO, CC1210KKX7R9BB475 |
| 11 | 6 | COUT1, COUT2, COUT4, COUT5, COUT7, COUT8 | CAP., 47μF, X7R, 10V, 10%, 1210 | AVX, 1210ZC476KAT2A MURATA, GRM32ER71A476KE15L TAIYO YUDEN, LMK325B7476KM-PR; LMK325B7476KM-TR |
| 12 | 2 | COUT10, COUT11 | CAP., 470μF, TANT, POSCAP, 6.3V, 20%, 7343, 10mΩ, TCF | PANASONIC, 6TCF470MAH |
| 13 | 1 | COUT12 | CAP., 150μF, TANT. POSCAP, 10V, 20%, 7343, D3L | PANASONIC, 10TPF150ML |
| 14 | 3 | D1, D2, D6 | DIODE, SCHOTTKY, 100V, 1A, POWERDI-123, AEC-Q101 | DIODES INC., DFLS1100Q-7 |
| 15 | 2 | L1, L3 | IND., 2.2μH, PWR., 20%, 11.8mm × 10.5mm SMD, AEC-Q200 | COILCRAFT, XAL1010-222MEB; XAL1010-222MED |
| 16 | 1 | L2 | IND., 3.3μH, PWR., 20%, 25A, 4.10mΩ, 11.8mm × 10.5mm, XAL1010, AEC-Q200 | COILCRAFT, XAL1010-332MEB; XAL1010-332MED |
| 17 | 3 | Q1, Q3, Q5 | XSTR., MOSFET, N-CH, 40V, 59A, TDSON-8 FL | INFINEON, BSC059N04LS6; BSC059N04LS6ATMA1 |
| 18 | 3 | Q2, Q4, Q6 | XSTR., MOSFET, N-CH, 40V, 100A, TDSON-8 FL | INFINEON, BSC022N04LS6; BSC022N04LS6ATMA1 |
| 19 | 16 | R1, R3, R4, R5, R9, R25, R27, R29, R30, R39, R40, R44, R52, R54, R83, R84 | RES., 0Ω, 1/10W, 0603, AEC-Q200 | VISHAY, CRCW06030000Z0EA; CRCW06030000Z0EB NIC, NRC06ZOTRF |
| ITEM | QTY | REFERENCE | PART DESCRIPTION | MANUFACTURER/PART NUMBER |
| 20 | 1 | R20 | RES., 0Ω, 1/4W, 1206, AEC-Q200 | VISHAY, CRCW12060000Z0EA PANASONIC, ERJ8GEY0R00V NIC, NRC12ZOTRF |
| 21 | 3 | R26, R38, R55 | RES., 1M, 1%, 1/10W, 0603, AEC-Q200 | NIC, NRC06F1004TRF PANASONIC, ERJ3EKF1004V VISHAY, CRCW06031M00FKEA |
| 22 | 1 | R31 | RES., 10k, 1%, 1/10W, 0603, AEC-Q200 | PANASONIC, ERJ3EKF1002V VISHAY, CRCW060310K0FKEA; CRCW060310K0FKEB KOA SPEER, RK73H1JTTD1002F |
| 23 | 2 | R33, R35 | RES., 20k, 1%, 1/10W, 0603 | NIC, NRC06F2002TRF VISHAY, CRCW060320K0FKEA PANASONIC, ERJ3EKF2002V YAGEO, RC0603FR-0720KL |
| 24 | 1 | R43 | RES., 105k, 1%, 1/10W, 0603, AEC-Q200 | VISHAY, CRCW0603105KFKEA NIC, NRC06F1053TRF |
| 25 | 1 | R57 | RES., 133k, 1%, 1/10W, 0603 | BOURNS, CR0603-FX-1333ELF YAGEO, RC0603FR-07133KL |
| 26 | 1 | R58 | RES., 13.7k, 1%, 1/10W, 0603, AEC-Q200 | VISHAY, CRCW060313K7FKEA PANASONIC, ERJ3EKF1372V |
| 27 | 1 | R6 | RES., 1k, 5%, 1/10W, 0603, AEC-Q200 | PANASONIC, ERJ3GEYJ102V |
| 28 | 1 | R60 | RES., 4.99k, 1%, 1/10W, 0603 | PANASONIC, ERJ3EKF4991V YAGEO, RC0603FR-074K99L |
| 29 | 4 | R7, R34, R37, R63 | RES., 100k, 1%, 1/10W, 0603, AEC-Q200 | VISHAY, CRCW0603100KFKEA NIC, NRC06F1003TRF PANASONIC, ERJ3EKF1003V |
| 30 | 3 | R8, R36, R59 | RES., 10Ω, 1%, 1/10W, 0603 | VISHAY, CRCW060310R0FKEA NIC, NRC06F10R0TRF PANASONIC, ERJ3EKF10R0V ROHM, MCR03EZPFX10R0 YAGEO, RC0603FR-0710RL |
| 31 | 3 | RS1, RS2, RS3 | RES., 0.003, 0Ω, 1%, 2W, 2010 LONG- SIDE TERM, METAL, SENSE, AEC-Q200 | SUSUMU, KRL5025E-C-R003-F-T1 |
| 32 | 1 | U1 | IC, SYN. STEP-DOWN CONVERTER, 40-PIN QFN | ANALOG DEVICES, LTC7819RUJ#PBF; LTC7819RUJ#TRPBF |
Additional Circuit Components
| 1 | 0 | C38, C48, C60, C62, C63, C64, C65, C66, C67, C68, C71, C72, C73 | CAP., OPTION, 0603 | |
| 2 | 0 | CIN2 | CAP., OPTION, ALUM. ELECT., SMD | |
| 3 | 0 | COUT13, COUT14, COUT15 | CAP., OPTION, 1210 | |
| 4 | 0 | COUT3, COUT6, COUT9 | CAP., OPTION, 7343 | |
| 5 | 0 | Q7, Q10, Q11, Q12, Q13, Q14 | XSTR., OPTION, MOSFET N-CH, PG-TDSON-8 | |
| 6 | 0 | R18, R19 | RES., OPTION, 2010 | |
| 7 | 0 | R2, R10, R11, R12, R13, R14, R15, R21, R22, R23, R28, R32, R41, R42, R45, R46, R47, R49, R50, R51, R53, R56, R61, R62 | RES., OPTION, 0603 |
Hardware: For Demo Board Only
| 1 | 19 | E1, E2, E3, E4, E5, E6, E7, E8, E9, E10, E11, E12, E13, E14, E15, E16, E17, E18, E19 | TEST POINT, TURRET, 0.094″ MTG. HOLE, PCB 0.062″ THK | MILL-MAX, 2501-2-00-80-00-00-07-0 |
| 2 | 8 | J1, J2, J3, J4, J5, J6, J7, J8 | CONN., BANANA JACK, FEMALE, THT, NON-INSULATED, SWAGE, 0.218″ | KEYSTONE, 575-4 |
| 3 | 3 | JP1, JP2, JP4 | CONN., HDR, MALE, 1×3, 2mm, VERT, ST, THT, NO SUBS. ALLOWED | WURTH ELEKTRONIK, 62000311121 |
| 4 | 2 | JP3, JP5 | CONN., HDR, MALE, 2×3, 2mm, VERT, ST, THT | WURTH ELEKTRONIK, 62000621121 |
| 5 | 8 | MP1, MP2, MP3, MP4, MP5, MP6, MP7, MP8 | STANDOFF, NYLON, SNAP-ON, 0.625″ (5/8″), 15.9mm | KEYSTONE, 8834 |
| 6 | 3 | XJP1, XJP2, XJP4 | CONN., SHUNT, FEMALE, 2-POS, 2mm | WURTH ELEKTRONIK, 60800213421 |
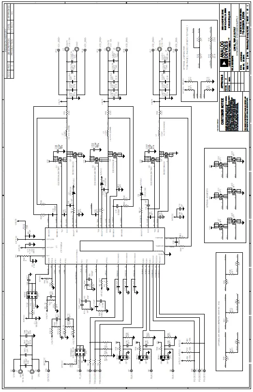
SCHEMATIC DIAGRAM
Legal Terms and Conditions
By using the evaluation board discussed herein (together with any tools, components documentation or support materials, the “Evaluation Board”), you are agreeing to be bound by the terms and conditions set forth below (“Agreement”) unless you have purchased the Evaluation Board, in which case the Analog Devices Standard Terms and Conditions of Sale shall govern. Do not use the Evaluation Board until you have read and agreed to the Agreement. Your use of the Evaluation Board shall signify your acceptance of the Agreement. This Agreement is made by and between you (“Customer”) and Analog Devices, Inc. (“ADI”), with its principal place of business at One Technology Way, Norwood, MA 02062, USA. Subject to the terms and conditions of the Agreement, ADI hereby grants to Customer a free, limited, personal, temporary, non-exclusive, non-sublicensable, non-transferable license to use the Evaluation Board FOR EVALUATION PURPOSES ONLY. Customer understands and agrees that the Evaluation Board is provided for the sole and exclusive purpose referenced above, and agrees not to use the Evaluation Board for any other purpose. Furthermore, the license granted is expressly made subject to the following additional limitations: Customer shall not (i) rent, lease, display, sell, transfer, assign, sublicense, or distribute the Evaluation Board; and (ii) permit any Third Party to access the Evaluation Board. As used herein, the term “Third Party” includes any entity other than ADI, Customer, their employees, affiliates and in-house consultants. The Evaluation Board is NOT sold to Customer; all rights not expressly granted herein, including ownership of the Evaluation Board, are reserved by ADI. CONFIDENTIALITY. This Agreement and the Evaluation Board shall all be considered the confidential and proprietary information of ADI. Customer may not disclose or transfer any portion of the Evaluation Board to any other party for any reason. Upon discontinuation of use of the Evaluation Board or termination of this Agreement, Customer agrees to promptly return the Evaluation Board to ADI. ADDITIONAL RESTRICTIONS. Customer may not disassemble, decompile or reverse engineer chips on the Evaluation Board. Customer shall inform ADI of any occurred damages or any modifications or alterations it makes to the Evaluation Board, including but not limited to soldering or any other activity that affects the material content of the Evaluation Board. Modifications to the Evaluation Board must comply with applicable law, including but not limited to the RoHS Directive. TERMINATION. ADI may terminate this Agreement at any time upon giving written notice to Customer. Customer agrees to return to ADI the Evaluation Board at that time. LIMITATION OF LIABILITY. THE EVALUATION BOARD PROVIDED HEREUNDER IS PROVIDED “AS IS” AND ADI MAKES NO WARRANTIES OR REPRESENTATIONS OF ANY KIND WITH RESPECT TO IT. ADI SPECIFICALLY DISCLAIMS ANY REPRESENTATIONS, ENDORSEMENTS, GUARANTEES, OR WARRANTIES, EXPRESS OR IMPLIED, RELATED TO THE EVALUATION BOARD INCLUDING, BUT NOT LIMITED TO, THE IMPLIED WARRANTY OF MERCHANTABILITY, TITLE, FITNESS FOR A PARTICULAR PURPOSE OR NONINFRINGEMENT OF INTELLECTUAL PROPERTY RIGHTS. IN NO EVENT WILL ADI AND ITS LICENSORS BE LIABLE FOR ANY INCIDENTAL, SPECIAL, INDIRECT, OR CONSEQUENTIAL DAMAGES RESULTING FROM CUSTOMER’S POSSESSION OR USE OF THE EVALUATION BOARD, INCLUDING BUT NOT LIMITED TO LOST PROFITS, DELAY COSTS, LABOR COSTS OR LOSS OF GOODWILL. ADI’S TOTAL LIABILITY FROM ANY AND ALL CAUSES SHALL BE LIMITED TO THE AMOUNT OF ONE HUNDRED US DOLLARS ($100.00). EXPORT. Customer agrees that it will not directly or indirectly export the Evaluation Board to another country, and that it will comply with all applicable United States federal laws and regulations relating to exports. GOVERNING LAW. This Agreement shall be governed by and construed in accordance with the substantive laws of the Commonwealth of Massachusetts (excluding conflict of law rules). Any legal action regarding this Agreement will be heard in the state or federal courts having jurisdiction in Suffolk County, Massachusetts, and Customer hereby submits to the personal jurisdiction and venue of such courts. The United Nations Convention on Contracts for the International Sale of Goods shall not apply to this Agreement and is expressly disclaimed.




















