ANALOG DEVICES ADPA7005-EVALZ Amplifier Evaluation Board

FEATURES
2-Layer Rogers 4350 evaluation board with heat sink End launch 2.9 mm RF connectors Through calibration path
EVALUATION KIT CONTENTS
ADPA7005-EVALZ evaluation board
EQUIPMENT NEEDED
- RF signal generator
- RF spectrum analyzer
- RF network analyzer
- 5 V, 2 A power supply
- 1.5 V, 100 mA power supply
GENERAL DESCRIPTION
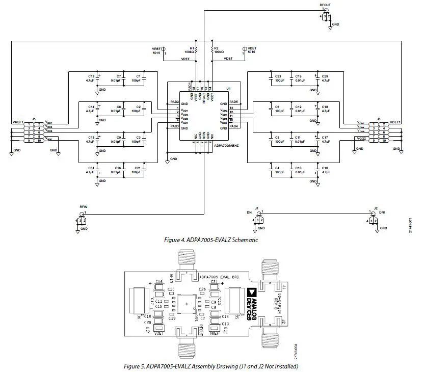
The ADPA7005-EVALZ consists of a two-layer printed circuit board (PCB) fabricated from a 10 mil thick, Rogers 4350B, copper clad mounted to an aluminum heat sink. The heat sink assists in providing thermal relief to the device as well as mechanical support to the PCB. Mounting holes on the heat sink allow attachment to larger heat sinks for improved thermal management. The RFIN and RFOUT ports on the ADPA7005-EVALZ are populated by 2.9 mm, female coaxial connectors. The respective RF traces have a 50 Ω characteristic impedance. The ADPA7005-EVALZ is populated with components suitable for use over the entire −40°C to +85°C operating temperature range of the device. To calibrate board trace losses, a through calibration path is provided between the J1 and the J2 connectors. J1 and J2 must be populated with RF connectors to use the through calibration path. See Table 2 and Figure 3 for the through calibration path performance. The power voltages, ground voltages, gate control voltages, and detector output voltages are accessed through two 8-pin headers (see Table 1). The RF traces are 50 Ω, grounded, coplanar waveguide. Package ground leads and the exposed paddle connect directly to the ground plane. Multiple vias are used to connect the top and bottom ground planes with particular focus on the area directly beneath the ground paddle to provide adequate electrical conduction and thermal conduction to the heat sink. The power supply decoupling capacitors on the ADPA7005-EVALZ represent the configuration that was used to characterize and qualify the device. There may be a scope to reduce the number of capacitors, but the scope varies from system to system. It is recommended to first remove or combine the largest capacitors that are farthest from the device.
EVALUATION BOARD PHOTOGRAPHS

OPERATING THE ADPA7005-EVALZ
A 5 V, 2 A power supply is required to provide the main bias to the ADPA7005-EVALZ. Connect the 5 V power supply in parallel to all VDD lines (VDD1, VDD2, VDD3, VDD4, VDD5, and VDD6) through the J5 and J6 headers. A 0 to −1.5 V, 100 mA power supply is required to provide the required gate control voltage. Connect the −1.5 V power supply in parallel to the VGG1 and VGG2 lines through the J5 and J6 headers.
POWER-UP
During power-up, use the following biasing sequence:
- Connect the ADPA7005 GND pin to the RF ground and dc ground.
- Initially, set all gate voltages (VGG1, VGG2) and drain voltages
- Set the ADPA7005 VGG1 pin and VGG2 pin voltages to −1.5 V.
- Set all drain bias voltages (VDDX pin voltages) to 5 V.
- Increase the VGG1 pin and VGG2 pin voltages to achieve a quiescent drain current of 1.4 A.
- Apply the RF signal.
POWER-DOWN
During power-down, use the following biasing sequence:
- Turn off the RF signal.
- Decrease the VGG1 pin and VGG2 pin voltages to −1.5 V to achieve IDQ = 0 mA (approximately, where IDQ is quiescent drain current).
- Decrease all VDDX pin voltages to 0 V.
- Decrease the VGG1 and VGG2 pin voltages to 0 V.
| Connector | Header | ADPA7005 Pin |
| J5 | 1 | VREF (through a 100 kΩ resistor) |
| J5 | 2 | VDD1 |
| J5 | 3, 5, 7, 8, 9 | GND |
| J5 | 4 | VDD3 |
| J5 | 6 | VDD5 |
| J5 | 10 | VGG1 |
| J6 | 1 | VDD2 |
| J6 | 2 | VDET (through a 100 kΩ resistor) |
| J6 | 3 | VDD4 |
| J6 | 4, 6, 7, 8, 10 | GND |
| J6 | 5 | VDD6 |
| J7 | 9 | VGG2 |

| Frequency (GHz) | Insertion Loss (dB) |
| 15 | −0.9 |
| 17.5 | −1.1 |
| 20 | −1.2 |
| 22.5 | −1.3 |
| 25 | −1.4 |
| 27.5 | −1.6 |
| 30 | −1.8 |
| 32.5 | −1.9 |
| 35 | −2.1 |
| 37.5 | −2.1 |
| 40 | −2.6 |
| 42.5 | −2.5 |
| 45 | −3 |
EVALUATION BOARD SCHEMATIC AND ARTWORK

ORDERING INFORMATION
BILL OF MATERIALS
| Qty | Reference Designator | Description | Manufacturer | Part Number |
| 8 | C1 to C6, C21, C23 | Ceramic capacitors, 100 pF | Kemet | C0402C101J5GACTU |
| 8 | C7 to C12, C19, C26 | Ceramic capacitors, 0.01 µF | Yaego | CC0603KRX7R9BB103 |
| 8 | C13 to C18, C29, C31 | Tantalum capacitors, 4.7 µF | AVX | TAJA475K020RNJ |
| 2 | J5, J6 | PCB connector headers, 10-position, male, dual-row, 2 mm pitch | Molex | 87759-1014 |
| 2 | R1, R2 | Thick film chip resistors, 100 kΩ | Panasonic | ERJ-2RKF1003X |
| 2 | RFIN, RFOUT | Connectors, 2.9 mm, jack, PCB mount receptacle | SRI Connector Gage Company | 25-146-1000-92 |
| 1 | U1 | 18 GHz to 44 GHz, gallium arsenide (GaAs), pseudo morphic high electron mobility transistor (pHEMT), 32 dBm (>1 W), microwave monolithic integrated circuit (MMIC) power amplifier | Analog Devices | ADPA7005AEHZ |
| 2 | VDET, VREF | PCB connector surface mount technology (SMT) test points | Keystone Electronics | 5015 |
| 2 | J1, J2 | Connectors, 2.9 mm, jack, PCB mount receptacle, do not install (DNI) | SRI Connector Gage Company | 25-146-1000-92 |
| Not applicable | Aluminum heat sink, 2.51 in x 1.9 in | N/A | N/A |
ESD Caution
ESD (electrostatic discharge) sensitive device. Charged devices and circuit boards can discharge without detection. Although this product features patented or proprietary protection circuitry, damage may occur on devices subjected to high-energy ESD. Therefore, proper ESD precautions should be taken to avoid performance degradation or loss of functionality.
Legal Terms and Conditions
By using the evaluation board discussed herein (together with any tools, components documentation or support materials, the “Evaluation Board”), you are agreeing to be bound by the terms and conditions set forth below (“Agreement”) unless you have purchased the Evaluation Board, in which case the Analog Devices Standard Terms and Conditions of Sale shall govern. Do not use the Evaluation Board until you have read and agreed to the Agreement. Your use of the Evaluation Board shall signify your acceptance of the Agreement. This Agreement is made by and between you (“Customer”) and Analog Devices, Inc. (“ADI”), with its principal place of business at One Technology Way, Norwood, MA 02062, USA. Subject to the terms and conditions of the Agreement, ADI hereby grants to Customer a free, limited, personal, temporary, non-exclusive, non-sublicensable, non-transferable license to use the Evaluation Board FOR EVALUATION PURPOSES ONLY. Customer understands and agrees that the Evaluation Board is provided for the sole and exclusive purpose referenced above, and agrees not to use the Evaluation Board for any other purpose. Furthermore, the license granted is expressly made subject to the following additional limitations: Customer shall not (i) rent, lease, display, sell, transfer, assign, sublicense, or distribute the Evaluation Board; and (ii) permit any Third Party to access the Evaluation Board. As used herein, the term “Third Party” includes any entity other than ADI, Customer, their employees, affiliates and in-house consultants. The Evaluation Board is NOT sold to Customer; all rights not expressly granted herein, including ownership of the Evaluation Board, are reserved by ADI. CONFIDENTIALITY. This Agreement and the Evaluation Board shall all be considered the confidential and proprietary information of ADI. Customer may not disclose or transfer any portion of the Evaluation Board to any other party for any reason. Upon discontinuation of use of the Evaluation Board or termination of this Agreement, Customer agrees to promptly return the Evaluation Board to ADI. ADDITIONAL RESTRICTIONS. Customer may not disassemble, decompile or reverse engineer chips on the Evaluation Board. Customer shall inform ADI of any occurred damages or any modifications or alterations it makes to the Evaluation Board, including but not limited to soldering or any other activity that affects the material content of the Evaluation Board. Modifications to the Evaluation Board must comply with applicable law, including but not limited to the RoHS Directive. TERMINATION. ADI may terminate this Agreement at any time upon giving written notice to Customer. Customer agrees to return to ADI the Evaluation Board at that time.
LIMITATION OF LIABILITY. THE EVALUATION BOARD PROVIDED HEREUNDER IS PROVIDED “AS IS” AND ADI MAKES NO WARRANTIES OR REPRESENTATIONS OF ANY KIND WITH RESPECT TO IT. ADI SPECIFICALLY DISCLAIMS ANY REPRESENTATIONS, ENDORSEMENTS, GUARANTEES, OR WARRANTIES, EXPRESS OR IMPLIED, RELATED TO THE EVALUATION BOARD INCLUDING, BUT NOT LIMITED TO, THE IMPLIED WARRANTY OF MERCHANTABILITY, TITLE, FITNESS FOR A PARTICULAR PURPOSE OR NON-INFRINGEMENT OF INTELLECTUAL PROPERTY RIGHTS. IN NO EVENT WILL ADI AND ITS LICENSORS BE LIABLE FOR ANY INCIDENTAL, SPECIAL, INDIRECT, OR CONSEQUENTIAL DAMAGES RESULTING FROM CUSTOMER’S POSSESSION OR USE OF THE EVALUATION BOARD, INCLUDING BUT NOT LIMITED TO LOST PROFITS, DELAY COSTS, LABOR COSTS OR LOSS OF GOODWILL. ADI’S TOTAL LIABILITY FROM ANY AND ALL CAUSES SHALL BE LIMITED TO THE AMOUNT OF ONE HUNDRED US DOLLARS ($100.00). EXPORT.
Customer agrees that it will not directly or indirectly export the Evaluation Board to another country, and that it will comply with all applicable United States federal laws and regulations relating to exports. GOVERNING LAW. This Agreement shall be governed by and construed in accordance with the substantive laws of the Commonwealth of Massachusetts (excluding conflict of law rules). Any legal action regarding this Agreement will be heard in the state or federal courts having jurisdiction in Suffolk County, Massachusetts, and the Customer hereby submits to the personal jurisdiction and venue of such courts. The United Nations Convention on Contracts for the International Sale of Goods shall not apply to this Agreement and is expressly disclaimed.©2019-2022 Analog Devices, Inc. All rights reserved. Trademarks and registered trademarks are the property of their respective owners. UG21745-1/22(A) Rev. A | Page 6 of 6




















