ANALOG DEVICES ADL8107 Low Noise Amplifier User Guide
FEATURES
- 4-layer, Rogers 4350B and Isola 370HR evaluation board
- End launch, 2.92 mm RF connectors
- Through calibration path (depopulated)
EVALUATION KIT CONTENTS
- ADL8107-EVALZ evaluation board
EQUIPMENT NEEDED
- RF signal generator
- RF spectrum analyzer
- RF network analyzer
- 5 V, 300 mA power supply
GENERAL DESCRIPTION
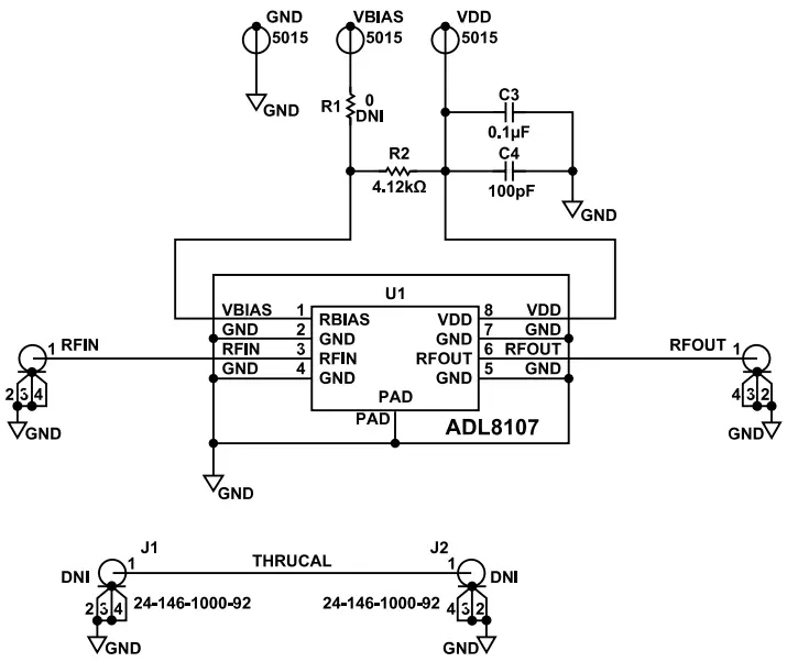
The ADL8107-EVALZ consists of a 4-layer printed circuit board (PCB) fabricated from 10 mil thick, Rogers 4350B and Isola 370HR, copper clad, forming a nominal thickness of 62 mils. The RFIN and RFOUT ports on the ADL8107-EVALZ are populated with 2.92 mm, female coaxial connectors, and the corresponding RF traces have a 50 Ω characteristic impedance. The ADL8107-EVALZ is populated with components suitable for use over the entire −40°C to +85°C operating temperature range of the ADL8107. To calibrate board trace losses, a through calibration path is provided between the J1 and J2 connectors. J1 and J2 must be populated with RF connectors to use the through calibration path. Refer to Table 1 and Figure 3 for the through calibration path performance.
Access the ADL8107-EVALZ ground path and VDD pin through the surface-mount technology (SMT) test point connectors, GND and VDD. A supplementary test point for VBIAS is included for simple access on the RBIAS pin (see Figure 5 for the test point locations). The RF traces on the ADL8107-EVALZ are 50 Ω, grounded, coplanar waveguide.
The package ground leads and the exposed pad connect directly to the ground plane. Multiple vias connect the top and bottom ground planes with particular focus on the area directly beneath the ground paddle to provide adequate electrical conduction and thermal conduction to the heat sink.
The power supply decoupling capacitors on the ADL8107-EVALZ represent the configuration used to characterize and qualify the device.
For full details on the ADL8107, see the ADL8107 data sheet, which must be consulted in conjunction with this user guide when using the ADL8107-EVALZ.
EVALUATION BOARD PHOTOGRAPHS

Figure 1. ADL8107-EVALZ Primary Side

Figure 2. ADL8107-EVALZ Secondary Side
PLEASE SEE THE LAST PAGE FOR AN IMPORTANT WARNING AND LEGAL TERMS AND CONDITIONS.
OPERATING THE ADL8107-EVALZ
A 5 V, 300 mA power supply is required to provide the bias to the ADL8107 when using the ADL8107-EVALZ. Connect the 5 V power supply to the SMT test points, VDD. Connect the ground reference to the GND test point.
Refer to the ADL8107 data sheet for the recommended resistor values to achieve different supply currents. The default value of the external resistor, R2, connected on the ADL8107-EVALZ is 4.12 kΩ, which is the same value used to characterize the ADL8107.
The following bias conditions are recommended to achieve the performance specified in the ADL8107 data sheet: VDD = 5 V, total supply current (IDQ) = 90 mA, and RBIAS = 4.12 kΩ.
RECOMMENDED BIAS SEQUENCING
During Power-Up
To power up the ADL8107-EVALZ, take the following bias sequencing steps:
- Connect the VDD power supply
- Set the VDD supply to 5 V.
- Apply the RF input signal.
During Power-Down
To power down the ADL8107-EVALZ, take the following bias sequencing steps:
- Turn off the RF input signal.
- Set the VDD supply to 0 V

Table 1. Insertion Loss of the Through Calibration Path
Frequency (GHz) | Insertion Loss (dB) | Input Return Loss (dB) | Output Return Loss (dB) |
| 6 | –0.47 | –56.47 | –56.06 |
| 7 | –0.55 | –48.59 | –48.62 |
| 8 | –0.66 | –45.74 | –45.77 |
| 9 | –0.73 | –48.52 | –48.45 |
| 10 | –0.79 | –64.48 | –64.39 |
| 11 | –0.87 | –61.44 | –58.85 |
| 12 | –1.01 | –43.82 | –43.06 |
| 13 | –1.13 | –40.01 | –39.69 |
| 14 | –1.18 | –45.15 | –45.03 |
| 15 | –1.20 | –68.21 | –63.40 |
| 16 | –1.35 | –46.94 | –44.90 |
| 17 | –1.49 | –39.45 | –38.59 |
| 18 | –1.53 | –46.24 | –44.26 |
| 19 | –1.55 | –72.03 | –57.99 |
| 20 | –1.76 | –38.11 | –37.25 |
EVALUATION BOARD SCHEMATIC AND ARTWORK

Figure 4. ADL8107-EVALZ Schematic

Figure 5. ADL8107-EVALZ Assembly Drawing (J1 and J2 Are Not Installed)
ORDERING INFORMATION
BILL OF MATERIALS
Table 2. Bill of Materials
Reference Designator | Description | Manufacturer | Part Number |
| C3 | Capacitor, ceramic, 0.1 μF, 16 V, 10%, X7R, 0402 | SAMSUNG | CL05B104KO5NNNC |
| C4 | Capacitor, ceramic, 100 pF, 50 V, 5%, C0G, 0402, extreme low, | KEMET | C0402C101J5GACTU |
| effective series resistance (ESR) | |||
| RFIN, RFOUT | Connectors, 2.92 mm, jack edge | SRI Connector Gage Co. | 25-146-1000-92 |
| VDD, GND, VBIAS | Connectors, SMT test points | Keystone Electronics | 5015 |
| J1, J2 | Connectors, 2.92 mm, jack edge, do not install (DNI) | SRI Connector Gage Co. | 25-146-1000-92 |
| R1 | Resistor, 0402, SMD chip, precision, 0 Ω, DNI | Panasonic | ERJ-2GE0R00X |
| R2 | Resistor, 0402, SMD chip, precision, 4.12 kΩ | Panasonic | ERJ-2RKF4121X |
| U1 | Wideband, high linearity, low noise amplifier, 8 GHz to 16 GHz | Analog Devices, Inc. | ADL8107 |
ESD Caution
ESD (electrostatic discharge) sensitive device. Charged devices and circuit boards can discharge without detection. Although this product features patented or proprietary protection circuitry, damage may occur on devices subjected to high energy ESD. Therefore, proper ESD precautions should be taken to avoid performance degradation or loss of functionality.
Legal Terms and Conditions
By using the evaluation board discussed herein (together with any tools, components documentation or support materials, the “Evaluation Board”), you are agreeing to be bound by the terms and conditions set forth below (“Agreement”) unless you have purchased the Evaluation Board, in which case the Analog Devices Standard Terms and Conditions of Sale shall govern. Do not use the Evaluation Board until you have read and agreed to the Agreement. Your use of the Evaluation Board shall signi y your acceptance of the Agreement. This Agreement is made by and between you (“Customer”) and Analog Devices, Inc. (“ADI”), with its principal place of business at Subject to the terms and conditions of the Agreement, ADI hereby grants to Customer a free, limited, personal, temporary, non-exclusive, non-sublicensable, non-transferable license to use the Evaluation Board FOR EVALUATION P RPOSES ONLY. Customer understands and agrees that the Evaluation Board is provided for the sole and exclusive purpose referenced above, and agrees not to use the Evaluation Board for any other purpose. Furthermore, the license granted is expressly made subject to the following additional limitations: Customer shall not (i) rent, lease, display, sell, transfer, assign, sublicense, or distribute the Evaluation Board; and (ii) permit any Third Party to access the Evaluation Board. As used herein, the term “Third Party” includes any entity other than ADI, Customer, their employees, affiliates and in-house consultants. The Evaluation Board is NOT sold to Customer; all rights not expressly granted herein, including ownership of the Evaluation Board, are reserved by ADI. CONFIDENTIALITY. This Agreement and the Evaluation Board shall all be considered the confidential and proprietary information of ADI. Customer may not disclose or transfer any portion of the Evaluation Board to any other party for any reason. Upon discontinuation of use of the Evaluation Board or termination of this Agreement, Customer agrees to promptly return the Evaluation Board to ADI. ADDITIONAL RESTRICTIONS. Customer may not disassemble, decompile or reverse engineer chips on the Evaluation Board. Customer shall inform ADI of any occurred damages or any modifications or alterations it makes to the Evaluation Board, including but not limited to soldering or any other activity that affects the material content of the Evaluation Board. Modifications to the Evaluation Board must comply with applicable law, including but not limited to the RoHS Directive. TERMINATION. ADI may terminate this Agreement at any time upon giving written notice to Customer. Customer agrees to return to ADI the Evaluation Board at that time. LIMITATION OF LIABILITY. THE EVALUATION BOARD PROVIDED HEREUNDER IS PROVIDED “AS IS” AND ADI MAKES NO WARRANTIES OR REPRESENTATIONS OF ANY KIND WITH RESPECT TO IT. ADI SPECIFICALLY DISCLAIMS ANY REPRESENTATIONS, ENDORSEMENTS, GUARANTEES, OR WARRANTIES, EXPRESS OR IMPLIED, RELATED TO THE EVALUATION BOARD INCLUDING, BUT NOT LIMITED TO, THE IMPLIED WARRANTY OF MERCHANTABILITY, TITLE, FITNESS FOR A PARTICULAR PURPOSE OR NONINFRINGEMENT OF INTELLECTUAL PROPERTY RIGHTS. IN NO EVENT WILL ADI AND ITS LICENSORS BE LIABLE FOR ANY INCIDENTAL, SPECIAL, INDIRECT, OR CONSEQUENTIAL DAMAGES RESULTING FROM CUSTOMER’S POSSESSION OR USE OF THE EVALUATION BOARD, INCLUDING BUT NOT LIMITED TO LOST PROFITS, DELAY COSTS, LABOR COSTS OR LOSS OF GOODWILL. ADI’S TOTAL LIABILITY FROM ANY AND ALL CAUSES SHALL BE LIMITED TO THE AMOUNT OF ONE HUNDRED US DOLLARS ($100.00). EXPORT. Customer agrees that it will not directly or indirectly export the Evaluation Board to another country, and that it will comply with all applicable United States federal laws and regulations relating to exports. GOVERNING LAW. This Agreement shall be governed by and construed in accordance with the substantive laws of the Commonwealth of Massachusetts (excluding conflict of law rules). Any legal action regarding this Agreement will be heard in the state or federal courts having jurisdiction in Suffolk County, Massachusetts, and Customer hereby submits to the personal jurisdiction and venue of such courts. The United Nations Convention on Contracts for the International Sale of Goods shall not apply to this Agreement and is expressly disclaimed.
©2022 Analog Devices, Inc. All rights reserved. Trademarks and
registered trademarks are the property of their respective owners.
One Analog Way, Wilmington, MA 01887-2356, U.S.A.




















