onsemi NCD57253 Evaluation Board

INTRODUCTION
The NCD57253 Evaluation driver board is designed for the evaluation of the NCD57253.
The NCD57253 is a high current two channel gate driver. It can directly drive two independent MOSFETs in any configuration.
The driver provides 5 kVrms internal galvanic isolation from input to each output and functional isolation between the two output channels. The device accepts 3.3 V to 20 V bias voltage and signal levels on the input side and up to 32 V bias voltage on the output side. The device accepts complementary inputs and offers separate pins for Disable and Dead Time control for system design convenience. NCD57253 is available in a wide-body SOIC−16 package.
DESCRIPTION
The board was created for the ability to verify and test the datasheet parameters. The board can be externally connected to a power device to verify real parameters in the system. It contains all the necessary peripheral components for direct connection to the power devices. The input bias is configured so the VDDA and VDDB can be powered by using many types of integrated dc−dc power supplies or can be powered directly from the external power source. The PCB design is optimized to reduce loop areas and provide clear and simple measurements of all signals. All the parts (except optional dc−dc sources) are TOP mounted which allows easy replacement and can serve as an ideal reference design for future use.
Features
- High Peak Output Current (+8 A/−8A)
- Configurable as a Dual Low−Side or Dual High−Side or Half−Bridge Driver
- Programmable Overlap or Dead Time control
- Disable Pin to Turn Off Outputs for Power Sequencing
- ANB Function to Offer Flexibility to Set up the Driver as
Half−bridge Driver Operating with a Single Input Signal - MOSFET Gate Clamping during Short Circuit
- Short Propagation Delays with Accurate Matching
- Tight UVLO Thresholds on all Power Supplies
- 3.3 V, 5 V, and 15 V Logic Input
- 5 kVrms Galvanic Isolation from Input to each Output and 1.5 kV Peak Differential Voltage between Output Channels
- 1200 V Working Voltage (per VDE0884−11 Requirements)
- High Common Mode Transient Immunity
- High Electromagnetic Immunity
- This Device is Pb−Free, Halogen Free/BFR Free and is RoHS Compliant
- Non−inverting Output Signals
- PCB layout optimized for power supply bypassing capacitor, gate−driver loop
- Allows quick verification of most of the data sheet parameters
PIN Description
Table 1. EVALUATION BOARD PIN DESCRIPTION
| Pin Name | Pin Number | Description |
| INA | 17, 24 | Channel A input signal |
| INB | 15, 26 | Channel B input signal |
| DIS | 19, 22 | Disable signal input (active High) |
| +5V | 21, 20 | Driver primary side power supply |
| VCC | 23, 18 | DC/DC sources alternative power supply (optional) |
| GND | 25, 16 | Primary side power/signal ground |
| VCCA | 39, 40 | A channel positive power supply |
| GNDA | 37, 38 | A channel Ground |
| VEEA | 35, 36 | A channel negative power supply |
| E−A | 33, 34 | Source connection of A channel – connected to GNDA |
| G−A | 31, 32 | Gate connector of A channel |
| VCCB | 1, 2 | B channel positive power supply |
| GNDB | 3, 4 | B channel Ground |
| VEEB | 5, 6 | B channel negative power supply |
| E−B | 7, 8 | Source connection of B channel – connected to GNDB |
| G−B | 9, 10 | Gate connection of B channel |
ON−BOARD Jumpers Functional Table
Table 2. NCD57253 JUMPERS FUNCTIONAL TABLE
| Jumper Name | Setup | Description |
| VIN SET | OPEN | When using external power supplies for VCCA / VCCB Power supplies need to be connected to the VCCA, VCCB pins on P1 |
| +5V | When using dc−dc converter powered by the same voltage as the primary side of the driver VCC pin on P1 can be unconnected | |
| VCC | When using dc−dc converter powered by different voltage as the primary side of the driver Power supply for dc−dc converter need to be connected to the VCC pin on P1 | |
| ANB SET | ON | When complementary output signals need to be generated from a single input signal |
| OFF | Output signals are in phase with input signals | |
| DT SET | DT | Dead time and interlocking logic between INA and INB is defined by the value of the external resistor (R7) |
| OFF | Interlocking logic disabled, no dead time applied | |
| FLOAT | Dead time and interlocking logic between INA and INB are set internally to the minimum value (see the datasheet) | |
| B−IN SET | INA | When ANB SET is ON – both inputs are connected together |
| INB | When ANB SET is OFF |
Electrical Specification
Table 3. NCD57253 ELECTRICAL SPECIFICATION
| Description | Min | Typ | Max | Unit | |
| VCCA/VCCB | Output positive bias power supply (VCC−VEE max) | 13 | − | 36 | V |
| VEE | Output negative bias power supply | 0 | − | −20 | V |
| GNDA / GNDB | Output bias ground – connected to the MOSFET source | − | − | − | |
| +5V | Input bias power supply (VDDI) | 3.3 | − | 22 | V |
| GND | Input bias signal and power ground | − | − | − | |
| DIS | Disable signal input | 0 | − | VDDI | V |
| VCC | DC−DC sources optional power supply (depended on dc−dc) | 0 | − | − | V |
| TJ | Operating junction temperature range | −40 | − | 125 | °C |
FUNCTIONAL DESCRIPTION
Power Supply (VCC, +5V, VCCA, VCCB)
NCD57253 is designed to support unipolar power supply on both individual channels.
The evaluation driver board supports two types of output side power supply:
- On board dc−dc converter.
- Powered by a common source as the input side of NCD57253.
- Powered from external power pin VCC.
- External power supply.
The evaluation driver board is designed to support bipolar power supply, this is achieved by creating a virtual ground connected to the MOSFET source. If bipolar power supply is not required, VEEA / VEEB pin should be connected to the GNDA / GNDB.
For more detailed settings see the Table 2. 
Figure 2. On Board DC−DC Power Converter Powered by a Common Power Source as the Input Side of the Driver 
Figure 3. On Board DC−DC Power Converter Powered by a Different Power Source from the VCC Pin 
Signal Inputs (INA, INB)
To prevent output pulse trimming, NCD57253 is equipped by resettable input functionality.
This function is active when the UVLO or the DISABLE function is detected.
OUTx will stay LOW until rising edge is detected on the INx.
Signal Inputs Setup (ANB SET, DT SET)
Complementary Output Setup (ANB)
This function provides complementary signal output from one PWM input signal on INA.
- Set ANB SET jumper to ON to activate the function, B−IN jumper should be set to the INA to ensure proper input signal rising edge reset after UVLO conditions have disappeared or DISABLE has been deactivated.
- ANB SET should be set to OFF when G−A and G−B are controlled individually by INA and INB (along with DISABLE and DT).
Deadtime (DT)
The function provides complementary output signals with defined deadtime based on the value of the external resistor R7 (connected between DT pin and GND). The deadtime
can be estimated as tDT (ns) ≈ 10 x RDT (k).
If minimum dead time is required, DT SET should remain float (see Table 2). - If DT SET is set to OFF, the deadtime control is disabled. Outputs are controlled by inputs with respect to other settings such as ANB SET, IN−B.
- If DT SET is set to DT, the deadtime control is active. Outputs are controlled by inputs with added deadtime.
TEST SPECIFICATION
This section provides details how to configure the NCD57253 Evaluation board. Basic laboratory equipment will be required to perform the tests.
Equipment
- Power supplies
- 3 pcs of DC power supplies providing minimally 25 V/1 A. (or 1 DC power supply + 2 pcs of dc−dc converters ).
- Function generator
- Two channel functional generator providing the required testing frequency.
- Oscilloscope
- Oscilloscope 2 channel (4 channel optional)− Passive probes
Bench Test Setup
The bench test setup shows the equipment connections. Use basic setup procedure as a reference:
- • Make sure the power supplies & outputs of signal generators are powered off / disabled
- Connect function generator to the INA and INB signal inputs and GND
- Connect power supply positive lead to the +5 V
- Connect power supply negative lead to the GND
- Connect power supplies positive lead to the VCCA /VCCB
- Connect power supply negative lead to the VEEA / VEEB
- (VEEA/VEEB shorted to the GNDA/GNDB if not used)
- Connect power supply ground lead to the GNDA / GNDB
- Connect oscilloscope probes to G−A, G−B output pins

Power Up
- Before the power−up, verify the correct connection of all signals and power leads
- Enable power supply. Current consumption depends on the chosen solution of the secondary side power supply. When 5 V to +20 V/−5V
dc−dc converters are used, the current consumption can be up to 300 mA - Enable function generator outputs
- Check the signals at each outputs
Power Down
- Disable functional generator outputs
- Disable power supply
- Disconnect equipment
Test 1 – Typical Performance Waveforms – Propagation Delay
To set the board, use this setup as a reference.
Make sure the power supplies & outputs of signal generators are powered off / disabled channel
- VIN SET
- For powering outputs by using external power supplies − open jumper
- For using 5 V dc−dc converter – Set jumper to 5 V
- For using different input voltage dc−dc converter – Set jumper to VCC
- External power supplies with appropriate voltage need to be connected to VCC pin
- ANB SET – Set to OFF
- DT SET – Set to OFF
- B−IN SET – Set to INB
- POWER UP the setup


Test 2 – Typical Performance Waveforms – Independent 2 Channels Driver
The NCD57253 can work as 2 independent channel driver.
To set the board as 2 independent channel driver, use this setup as a reference.
Make sure the power supplies & outputs of signal generators are powered off / disabled channel
- VIN SET
- For powering outputs by using external power supplies − open jumper
- For using 5 V dc−dc converter – Set jumper to 5 V
- For using different input voltage dc−dc converter – Set jumper to VCC
- External power supplies with appropriate voltage need to be connected to VCC pin
- ANB SET – Set to OFF
- DT SET – Set to OFF
- B−IN SET – Set to INB
- POWER UP the setup


Test 3 – Typical Performance Waveforms –2 Channels Complementary Driver without Added Dead Time
The NCD57253 can work as 2 channel complementary driver with single channel input without affecting the dead time. To set the board as 2 channel driver, use this setup as a reference.
Make sure the power supplies & outputs of signal generators are powered off / disabled channel
- VIN SET
- For powering outputs by using external power supplies − open jumper
- For using 5 V dc−dc converter – Set jumper to 5 V
- For using different input voltage dc−dc converter – Set jumper to VCC
- External power supplies with appropriate voltage need to be connected to VCC pin
- ANB SET – Set to ON
- DT SET – Set to OFF
- B−IN SET – Set to INA
- POWER UP the setup


Test 4 – Typical Performance Waveforms –2 Channels Complementary Driver with Adjustable Dead Time
The NCD57253 can work as 2 channel complementary driver with single channel input with adjustable dead time. To set the board as 2 channel driver, use this setup as a reference.
Make sure the power supplies & outputs of signal generators are powered off / disabled channel
- VIN SET
- For powering outputs by using external power supplies − open jumper
- For using 5 V dc−dc converter – Set jumper to 5 V
- For using different input voltage dc−dc converter – Set jumper to VCC
- External power supplies with appropriate voltage need to be connected to VCC pin
- ANB SET – Set to ON
- DT SET – Set to DT (DT value is set by R7 value, see the datasheet)
- B−IN SET – Set to INA
- POWER UP the setup


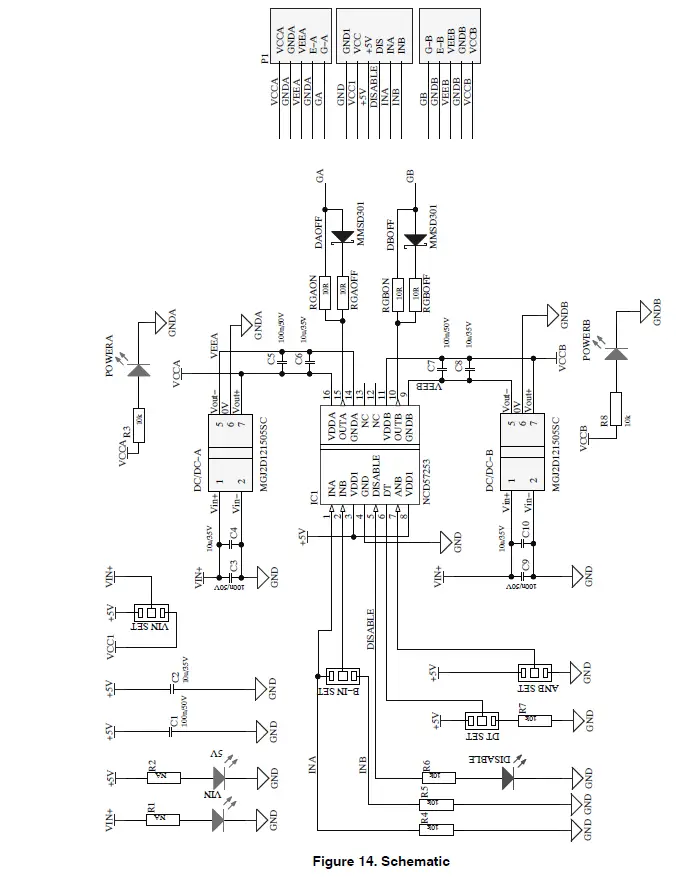
SCHEMATIC & LAYOUT DIAGRAMS
Schematic Diagram 
Layout Diagrams 


Table 4. BILL OF MATERIAL
| Quantity | Assembled | Designator | Value | Description | Package | Manufacturer |
| 1 | YES | IC1 | NCD57253 | MOSFET Driver | SOIC−16W | onsemi |
| 2 | YES | DAOFF, DBOFF | MMSD301T1G | Schottky diode 30 V | SOD−123 | onsemi |
| 4 | YES | VIN, +5V, POWERA, POWERB | LED SMD | GREEN | SMD 0805 | |
| 1 | YES | DISABLE | LED SMD | RED | SMD 0805 | |
| 1 | YES | C1, C3, C9 | 100 nF / 50 V | Ceramic capacitor | 0805 | Kemet |
| 1 | YES | C2, C4, C10 | 10 µF / 35 V | Ceramic capacitor | 0805 | Kemet |
| 2 | YES | C6, C8 | 10 µF / 35 V | Ceramic capacitor | 1206 | TDK |
| 2 | YES | C5, C7 | 100 nF / 50 V | Ceramic capacitor | 1206 | Kemet |
| 7 | YES | R1, R2, R3, R4, R5, R6, R8 | 10 kQ | Resistor | 0805 | Vishay |
| 4 | YES | RGAON, RGAOFF, RGBON, RGBOFF | 10 Q | Resistor | 0805 | Vishay |
| 1 | YES | R7 | 100 kQ (20 kQ − 500 kQ) | Resistor | 0805 | Vishay |
| 1 | YES | P1 | 2×20 | PIN header | ||
| 1 | YES | PCB | RA0261DB_0 | PCB | 51×51 mm | Any |
| 2 | OPTIONAL | dc−dc−A, dc−dc−B | MGJ2D051505SC MGJ2D121505SC MGJ2D052005SC MGJ2D152015SC …. | dc−dc power source | 10x13x20 mm | MURATA |
onsemi, , and other names, marks, and brands are registered and/or common law trademarks of Semiconductor Components Industries, LLC dba “onsemi” or its affiliates and/or subsidiaries in the United States and/or other countries. onsemi owns the rights to a number of patents, trademarks, copyrights, trade secrets, and other intellectual property. A listing of onsemi’s product/patent coverage may be accessed at www.onsemi.com/site/pdf/Patent−Marking.pdf. onsemi is an Equal Opportunity/Affirmative Action Employer. This literature is subject to all applicable copyright laws and is not for resale in any manner.
The evaluation board/kit (research and development board/kit) (hereinafter the “board”) is not a finished product and is not available for sale to consumers. The board is only intended for research, development, demonstration and evaluation purposes and will only be used in laboratory/development areas by persons with an engineering/technical training and familiar with the risks associated with handling electrical/mechanical components, systems and subsystems. This person assumes full responsibility/liability for proper and safe handling. Any other use, resale or redistribution for any other purpose is strictly prohibited.
THE BOARD IS PROVIDED BY ONSEMI TO YOU “AS IS” AND WITHOUT ANY REPRESENTATIONS OR WARRANTIES WHATSOEVER. WITHOUT LIMITING THE FOREGOING, ONSEMI (AND ITS LICENSORS/SUPPLIERS) HEREBY DISCLAIMS ANY AND ALL REPRESENTATIONS AND WARRANTIES IN RELATION TO THE BOARD, ANY MODIFICATIONS, OR THIS AGREEMENT, WHETHER EXPRESS, IMPLIED, STATUTORY OR OTHERWISE, INCLUDING WITHOUT LIMITATION ANY AND ALL REPRESENTATIONS AND WARRANTIES OF MERCHANTABILITY, FITNESS FOR A PARTICULAR PURPOSE, TITLE, NON−INFRINGEMENT, AND THOSE ARISING FROM A COURSE OF DEALING, TRADE USAGE, TRADE CUSTOM OR TRADE PRACTICE.
onsemi reserves the right to make changes without further notice to any board.
You are responsible for determining whether the board will be suitable for your intended use or application or will achieve your intended results. Prior to using or distributing any systems that have been evaluated, designed or tested using the board, you agree to test and validate your design to confirm the functionality for your application. Any technical, applications or design information or advice, quality characterization, reliability data or other services provided by onsemi shall not constitute any representation or warranty by onsemi, and no additional obligations or liabilities shall arise from onsemi having provided such information or services.
onsemi products including the boards are not designed, intended, or authorized for use in life support systems, or any FDA Class 3 medical devices or medical devices with a similar or equivalent classification in a foreign jurisdiction, or any devices intended for implantation in the human body. You agree to indemnify, defend and hold harmless onsemi, its directors, officers, employees, representatives, agents, subsidiaries, affiliates, distributors, and assigns, against any and all liabilities, losses, costs, damages, judgments, and expenses, arising out of any claim, demand, investigation, lawsuit, regulatory action or cause of action arising out of or associated with any unauthorized use, even if such claim alleges that onsemi was negligent regarding the design or manufacture of any products and/or the board.
This evaluation board/kit does not fall within the scope of the European Union directives regarding electromagnetic compatibility, restricted substances (RoHS), recycling (WEEE), FCC, CE or UL, and may not meet the technical requirements of these or other related directives.
FCC WARNING
This evaluation board/kit is intended for use for engineering development, demonstration, or evaluation purposes only and is not considered by onsemi to be a finished end product fit for general consumer use. It may generate, use, or radiate radio frequency energy and has not been tested for compliance with the limits of computing devices pursuant to part 15 of FCC rules, which are designed to provide reasonable protection against radio frequency interference. Operation of this equipment may cause interference with radio communications, in which case the user shall be responsible, at its expense, to take whatever measures may be required to correct this interference.
onsemi does not convey any license under its patent rights nor the rights of others.
LIMITATIONS OF LIABILITY:
onsemi shall not be liable for any special, consequential, incidental, indirect or punitive damages, including, but not limited to the costs of requalification, delay, loss of profits or goodwill, arising out of or in connection with the board, even if onsemi is advised of the possibility of such damages. In no event shall onsemi’s aggregate liability from any obligation arising out of or in connection with the board, under any theory of liability, exceed the purchase price paid for the board, if any.
The board is provided to you subject to the license and other terms per onsemi’s standard terms and conditions of sale. For more information and documentation, please visit www.onsemi.com.
PUBLICATION ORDERING INFORMATION
LITERATURE FULFILLMENT:
Email Requests to: [email protected]
onsemi Website: www.onsemi.com
TECHNICAL SUPPORT
North American Technical Support:
Voice Mail: 1 800−282−9855 Toll Free USA/Canada Phone: 011 421 33 790 2910




























