
EVAL BOARD USER’S MANUAL
www.onsemi.com
AR0331 Evaluation Board User’s Manual
EVBUM2828/D
Evaluation Board Overview
The evaluation boards are designed to demonstrate the features of onsemi’s image sensors products. This headboard is intended to plug directly into the Demo 2X system. Test points and jumpers on the board provide access to the clock, I/Os, and other miscellaneous signals.

Features
- Clock Input
- Default – 27 MHz Crystal Oscillator
- Optional Demo 2X Controlled MClk
- Two Wire Serial Interface
- Selectable Base Address
- Parallel Interface
- HiSPi (High Speed Serial Pixel) Interface
- ROHS Compliant
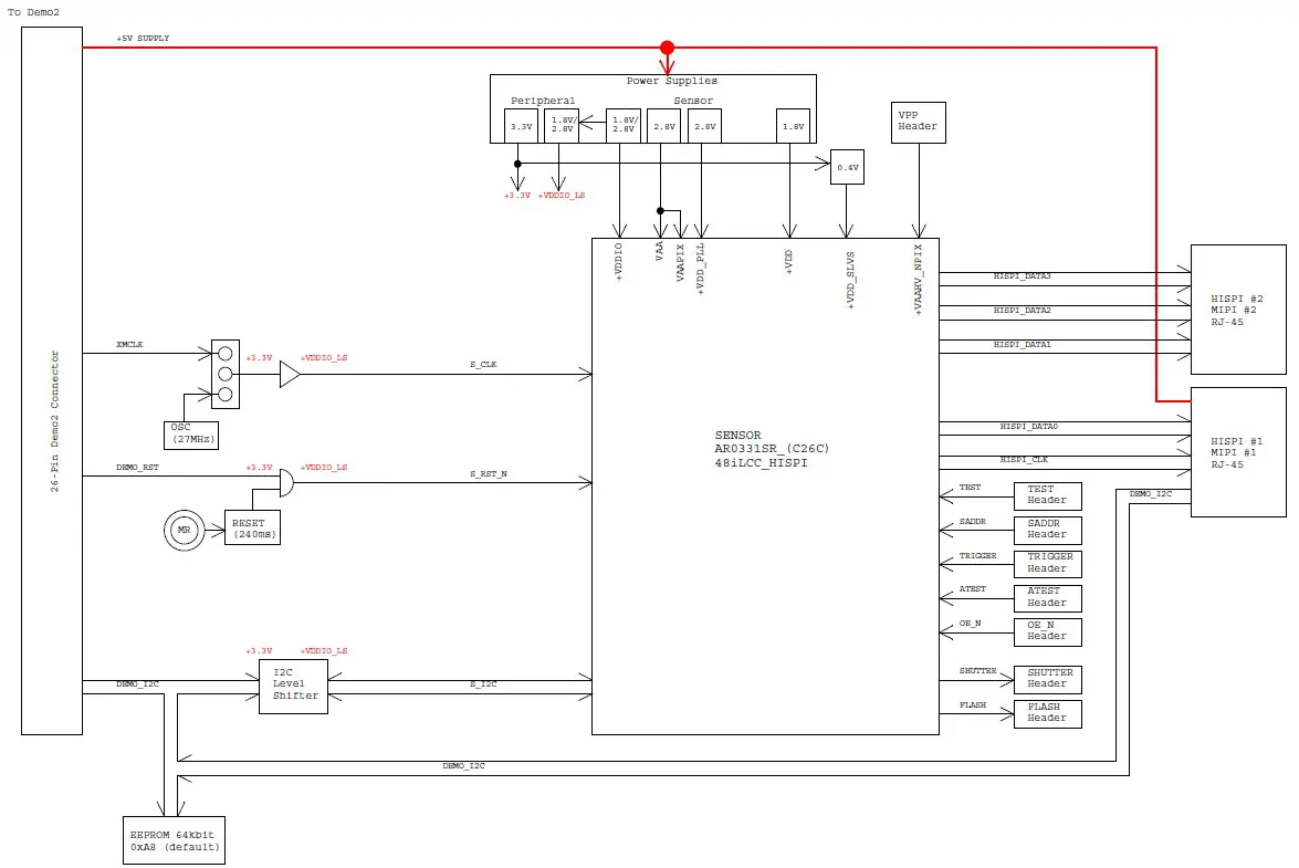
Block Diagram

Figure 2. Block Diagram of AR0331SRSC00XUEAH−GEVB
Top View

Figure 3. Top View of the Evaluation Board − Default Jumpers
Bottom View

Figure 4. Bottom View of the Evaluation Board − Connector
Jumper Pin Locations
The jumpers on headboards start with Pin 1 on the leftmost side of the pin. Grouped jumpers increase in pin size with each jumper added.

Figure 5. Pin Location for a Single Jumper;
Pin 1 is Located at the Leftmost Side and Increases as it Moves to the Right

Figure 6. Pin Locations and Assignment of Grouped Jumpers;
Pin 1 is Located at the Top−Left Corner and Increases in a Zigzag Fashion Shown in the Picture
Jumper/Header Functions & Default Position
Table 1. JUMPERS AND HEADERS
| Jumper/Header No. | Jumper/Header Name | Pins | Description |
| P1 | VPP | Open | OTPM programming voltage not supplied |
| P3 | TEST | 2-3 (Default) | Normal Mode |
| 1-2 | Test Mode | ||
| P4 | SADDR | 2-3 (Default) | I2C Address set to 0 x 20 |
| 1-2 | I2C Address set to 0 x 30 | ||
| P5 | FLASH | 1 | +5V0 |
| 2 | GND | ||
| 3 | FLASH | ||
| 4 | +3V3 | ||
| P6 | OE_N | 2-3 (Default) | Parallel Output Enabled |
| Open | Parallel Output Disabled; HiSPi Output Enabled | ||
| P7 | TRIG | 1 | Demo 2X Snapshot Trigger |
| 2 | External Snapshot Trigger | ||
| P8 | ATESTO | 2 | Test Pin |
| P9 | +2V8_VAA | 1-2 (Default) | Connects to on-board +2V8_VAA power supply |
| 2-3 | External power supply connection | ||
| P10 | +2V8_VAAPIX | 1-2 (Default) | Connects to on-board +2V8_VAAPIX power supply |
| 2-3 | External power supply connection | ||
| P11 | ON_LED | 1-2 (Default) | Connects to on-board LED to indicate “power on” |
| P13 | +2V8_VDDPLL | 1-2 (Default) | Connects to on-board +2V8_VDDPLL power supply |
| 2-3 | External power supply connection | ||
| P14 | +VDDIO | 1-2 (Default) | Connects to on-board +VDDIO power supply |
| 2-3 | External power supply connection | ||
| P15 | +1V8_VDD | 1-2 (Default) | Connects to on-board +1V8_VDD power supply |
| 2-3 | External power supply connection | ||
| P16 | S_CLK | 1-2 (Default) | On-board oscillator |
| 2-3 | Demo 2X Clock | ||
| P17, P18 | EEPROM Addr. Sel | A2 Open & Al Closed (Default) | EEPROM Address set to 0 x A8 |
| A2 Open & Al Open | EEPROM Address set to 0 x AC | ||
| A2 Closed & Al Open | EEPROM Address set to 0 x A4 | ||
| A2 CLosed & Al Closed | EEPROM Address set to 0 x AO | ||
| P19 | SHUTTER | 2 | Snapshot shutter |
| P20 | +VDD_SLVS | 1-2 (Default) | Connects to on-board +VDD_SLVS power supply |
| 2-3 | External power supply connection | ||
| SW1 | RESET | N/A | When pushed, 240 ms reset signal will be sent to AR0331AT |
Interfacing to onsemi Demo 2X Baseboard
The onsemi Demo 2X baseboard has a similar 26−pin connector and 13−pin connector which mate with J5 and J6 of the headboard. The four mounting holes secure the baseboard and the headboard with spacers and screws.
Shorted Jumpers for Power Measurement
Different supplies to the evaluation board are provided by trace shorted jumper, for any voltage and power measurements. To conduct current for current measurement on a given power rail, cut the trace between the two pins of their respective JP, and insert an ammeter prior to powering up the system. The figure below shows where the trace to cut is located.
Table 2. SHORTED JUMPERS FOR POWER
MEASUREMENT
| Jumper | Voltage (V) |
| P8 (+2V8_VAA) | 2.8 |
| P10 (+2V8_VAAPIX) | 2.8 |
| P13 (+2V8_VDDPLL) | 2.8 |
| P14 (+VDDIO) | 2.8 |
| P15 (+1V8_VDD) | 1.8 |
| P20 (+VDD_SLVS) | 0.4 |

Figure 7. Top and Bottom View of Shorted Jumper;
The Bottom View Shows the Trace Location to Cut for Current Measurement
onsemi,
, and other names, marks, and brands are registered and/or common law trademarks of Semiconductor Components Industries, LLC dba “onsemi” or its affiliates
and/or subsidiaries in the United States and/or other countries. onsemi owns the rights to a number of patents, trademarks, copyrights, trade secrets, and other intellectual property. A listing of onsemi’s product/patent coverage may be accessed at www.onsemi.com/site/pdf/Patent−Marking.pdf. onsemi is an Equal Opportunity/Affirmative Action Employer. This
literature is subject to all applicable copyright laws and is not for resale in any manner.
The evaluation board/kit (research and development board/kit) (hereinafter the “board”) is not a finished product and is not available for sale to consumers. The board is only intended for research, development, demonstration and evaluation purposes and will only be used in laboratory/development areas by persons with an engineering/technical training and familiar with the risks associated with handling electrical/mechanical components, systems and subsystems. This person assumes full responsibility/liability for proper and safe handling. Any other use, resale or redistribution for any other purpose is strictly prohibited.
THE BOARD IS PROVIDED BY ONSEMI TO YOU “AS IS” AND WITHOUT ANY REPRESENTATIONS OR WARRANTIES WHATSOEVER. WITHOUT LIMITING THE FOREGOING, ONSEMI (AND ITS LICENSORS/SUPPLIERS) HEREBY DISCLAIMS ANY AND ALL REPRESENTATIONS AND WARRANTIES IN RELATION TO THE BOARD, ANY MODIFICATIONS, OR THIS AGREEMENT, WHETHER EXPRESS, IMPLIED, STATUTORY OR OTHERWISE, INCLUDING WITHOUT LIMITATION ANY AND ALL REPRESENTATIONS AND WARRANTIES OF MERCHANTABILITY, FITNESS FOR A PARTICULAR PURPOSE, TITLE, NON−INFRINGEMENT, AND THOSE ARISING FROM A
COURSE OF DEALING, TRADE USAGE, TRADE CUSTOM OR TRADE PRACTICE.
onsemi reserves the right to make changes without further notice to any board.
You are responsible for determining whether the board will be suitable for your intended use or application or will achieve your intended results. Prior to using or distributing any systems that have been evaluated, designed or tested using the board, you agree to test and validate your design to confirm the functionality for your application. Any technical, applications or design information or advice, quality characterization, reliability data or other services provided by onsemi shall not constitute any representation or warranty by onsemi, and no additional obligations or liabilities shall arise from onsemi having provided such information or services.
onsemi products including the boards are not designed, intended, or authorized for use in life support systems, or any FDA Class 3 medical devices or medical devices with a similaror equivalent classification in a foreign jurisdiction, or any devices intended for implantation in the human body. You agree to indemnify, defend and hold harmless onsemi, its directors,
officers, employees, representatives, agents, subsidiaries, affiliates, distributors, and assigns, against any and all liabilities, losses, costs, damages, judgments, and expenses, arising
out of any claim, demand, investigation, lawsuit, regulatory action or cause of action arising out of or associated with any unauthorized use, even if such claim alleges that onsemi was
negligent regarding the design or manufacture of any products and/or the board.
This evaluation board/kit does not fall within the scope of the European Union directives regarding electromagnetic compatibility, restricted substances (RoHS), recycling (WEEE), FCC, CE or UL, and may not meet the technical requirements of these or other related directives.
FCC WARNING – This evaluation board/kit is intended for use for engineering development, demonstration, or evaluation purposes only and is not considered by onsemi to be a finished end product fit for general consumer use. It may generate, use, or radiate radio frequency energy and has not been tested for compliance with the limits of computing devices pursuant to part 15 of FCC rules, which are designed to provide reasonable protection against radio frequency interference. Operation of this equipment may cause interference with radio communications, in which case the user shall be responsible, at its expense, to take whatever measures may be required to correct this interference.
onsemi does not convey any license under its patent rights nor the rights of others.
LIMITATIONS OF LIABILITY: onsemi shall not be liable for any special, consequential, incidental, indirect or punitive damages, including, but not limited to the costs of requalification, delay, loss of profits or goodwill, arising out of or in connection with the board, even if onsemi is advised of the possibility of such damages. In no event shall onsemi’s aggregate liability from any obligation arising out of or in connection with the board, under any theory of liability, exceed the purchase price paid for the board, if any.
The board is provided to you subject to the license and other terms per onsemi’s standard terms and conditions of sale. For more information and documentation, please visit
www.onsemi.com.
ADDITIONAL INFORMATION
TECHNICAL PUBLICATIONS:
Technical Library: www.onsemi.com/design/resources/technical−documentation
onsemi Website: www.onsemi.com
ONLINE SUPPORT: www.onsemi.com/support
For additional information, please contact your local Sales Representative at
www.onsemi.com/support/sales
onsemi is licensed by Philips Corporation to carry the I2C Bus Protocol.
www.onsemi.com


















