onsemi NCP1081 Evaluation Board
General
The NCP1081REF12VC4GEVB board allows easy implementation and evaluation of a Power−over−Ethernet powered equipment that is able to operate with an assigned power level up to 25.5 W. The evaluation board is based on PoE Powered Device controller NCP1081 (U2) with integrated PoE PD interface controller and Flyback DC/DC controller. The Flyback converter on this NCP1081 based reference design generates a 12 V output voltage that is isolated from the Ethernet link conductors.
Figure 1. Operational NCP1081REF12VC4GEVB showing Basic Interconnections
The NCP1081REF12VC4GEVB board is designed as a PoE splitter: having a PoE−enabled Ethernet port (labeled “PoE IN”) as input and generating an isolated 12 V supply while passing through the data to another Ethernet port (labeled “ETH OUT”).
Quick Start Guide
- Step 1: Make sure the jumper is mounted on header P3 (labeled “MPS”).
- Step 2: Insert the Ethernet cable (cf. blue cable in the picture on the left) coming from the PSE in the Ethernet connector J2 labeled “PoE IN”.
- Step 3: Observe the status LEDs.
If the PSE powers up the system, the green POWER−ON LED (labeled “PWRON”) should be ON.
The status of the yellow LED (labeled “NCL”) depends on the PSE being used. - Step 4: Optionally connect the turret terminals that are labeled “GND” and “12V” to a DC electronic load (cf. black and red clips in the picture on the left). The DC electronic load behind the NCP1081 EVB should be operational over a 11 V to 13 V voltage range.
Assigned Power
The NCP1081REF12VC4GEVB will request Class 4 during Physical Layer classification. PDs need to consider that they can be underpowered and eventually be assigned to Class 3.
The state of the nCLASS_AT output provides information about the power level that the PSE has assigned to the NCP1081REF12VC4GEVB during classification. See Table 1 to determine the assigned power based on the status of the orange NCL led.
Table 1. CLASSIFICATION RESULT
| NCL Led | Assigned Class | Assigned Power |
| off | 3 | 13 W |
| on | 4 | 25.5 W |
Figure 2 shows that the load on the 12 V output should be limited to 1.82 A to meet the maximum input average power for Class 4 over the complete input DC voltage range.
Likewise, Figure 3 shows that the load on the 12 V output should be limited to 0.92 A to meet the maximum input average power for Class 3 over the complete input DC voltage range.
The application should always operate at or below the assigned power limit. Failure to do so will result in the PSE disconnecting the PD !
Maintain Power Signature (MPS)
A PD should draw a minimum amount of current in order to prevent the PSE from removing power. The load resistor R15 was added on the bottom side of the board to be able to make sure the load current is always sufficient and the NCP1081REF12VC4GEVB remains powered. This load resistor R15 is enabled when a jumper is placed on header P3 labeled “MPS”. As can be seen on Figure 4, the input current remains well above 10 mA over the complete PSE output voltage range when the jumper is mounted on the “MPS” header P3.
Depending on the minimum current the system may draw, the resistance value of R15 should be increased for the final design in order not to waste power unnecessarily.
For some systems, the load resistor can even be omitted.
Earth Connection
A Powered Device (PD) can operate without an earth connection.
In case NCP1081REF12VGEVB would need to be earthed, it should be the frame ground “Frame” that is connected to earth. This could be implemented in one of the following ways:
- Soldering an earthed wire in the 1.6 mm hole (labeled “E”)
- Connecting an earthed wire with alligator clip on the SMT Test Point on the top (TP12) or the SMT Test Point on the bottom (TP17)
- Connecting a shielded Ethernet cable of which the shield is earthed to the PoE−enabled Ethernet port J2 (labeled “PoE IN”)
If NCP1081REF12VGEVB is earthed, the internal system ground “GND” should not be driven more than 15V above or below earth potential in order not to overstress TVS diode D21.
Requested Power
As mentioned before, the NCP1081REF12VC4GEVB will request Class 4 during Physical Layer classification. If a lower Class or power level is preferred, resistor R26 labeled “CLASS” should be changed. See the NCP1081 datasheet for the nominal resistance values.
- Figure 2. Output Current vs. PoE Input Voltage – Full Input Power Load (Class 4)

- Figure 3. Output Current vs. PoE Input Voltage – Full Input Power Load (Class 3)

- Figure 4. PoE Input Current vs PoE Input Voltage – No Output Load except R15

- Figure 5. Efficiency vs. Output Current

- Figure 6. Efficiency vs. Output Current − Zoom In

- Figure 7. Efficiency vs. Output Current − from (VPP,RTN) to (12V,GND)

- Figure 8. 12 V Output Ripple and Noise

- Figure 9. VDrainSource Primary Mosfet Q2 (VPD = 57 V)

- Figure 10. VCathodeAnode Secondary Diode D17 (VPD = 57 V)

- Figure 11. Thermal Image − Top

- Figure 12. Thermal Image − Bottom

- Figure 13. Emission Test DUT: NCP1081REF12VGEVB with 7.3 Load

- Figure 14. Conducted Emission – Preview Result and Final Result

Table 2. CONDUCTED EMISSION − FINAL RESULT QPKFrequency (MHz) QuasiPeak (dBµV) Limit (dBµV) Margin (dB) Corr. (dB) 7.503000 58.48 74.00 15.52 9.6 8.038500 59.38 74.00 14.62 9.7 8.841750 59.61 74.00 14.39 9.7 9.379500 60.63 74.00 13.37 9.7 9.915000 58.32 74.00 15.68 9.7 10.047750 58.47 74.00 15.53 9.7 Table 3. CONDUCTED EMISSION − FINAL RESULT CAV
Frequency (MHz) CAverage (dBµV) Limit (dBµV) Margin (dB) Corr. (dB) 7.503000 58.25 64.00 5.76 9.6 8.038500 59.12 64.00 4.88 9.7 8.844000 59.30 64.00 4.70 9.7 9.379500 60.29 64.00 3.71 9.7 9.915000 57.94 64.00 6.06 9.7 10.047750 58.08 64.00 5.92 9.7 - Figure 15. Radiated Emission – Preview Result and Final Result

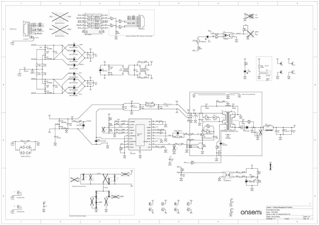
Table 4. RADIATED EMISSION − FINAL RESULT QPKFrequency (MHz) QuasiPeak (dBµV/m) Limit (dBµV/m) Margin (dB) Meas. Time (ms) Bandwidth (kHz) Height (cm) Pol Azimuth (deg) Corr. (dB/m) 31.160000 28.15 40.00 11.85 1000.0 120.000 98.0 V 173.0 −9.9 31.180000 26.45 40.00 13.55 1000.0 120.000 122.0 V 253.0 −9.9 34.360000 27.29 40.00 12.71 1000.0 120.000 103.0 V 138.0 −11.8 34.900000 29.86 40.00 10.14 1000.0 120.000 98.0 V 309.0 −12.1 - Figure 16. Schematic Diagram NCP1081REF12VC4GEVB

onsemi, , and other names, marks, and brands are registered and/or common law trademarks of Semiconductor Components Industries, LLC dba “onsemi” or its affiliates and/or subsidiaries in the United States and/or other countries. onsemi owns the rights to a number of patents, trademarks, copyrights, trade secrets, and other intellectual property. A listing of onsemi’s product/patent coverage may be accessed at www.onsemi.com/site/pdf/Patent−Marking.pdf. onsemi is an Equal Opportunity/Affirmative Action Employer. This literature is subject to all applicable copyright laws and is not for resale in any manner.
The evaluation board/kit (research and development board/kit) (hereinafter the “board”) is not a finished product and is not available for sale to consumers. The board is only intended for research, development, demonstration and evaluation purposes and will only be used in laboratory/development areas by persons with an engineering/technical training and familiar with the risks associated with handling electrical/mechanical components, systems and subsystems. This person assumes full responsibility/liability for proper and safe handling. Any other use, resale or redistribution for any other purpose is strictly prohibited.
THE BOARD IS PROVIDED BY ONSEMI TO YOU “AS IS” AND WITHOUT ANY REPRESENTATIONS OR WARRANTIES WHATSOEVER. WITHOUT LIMITING THE FOREGOING, ONSEMI (AND ITS LICENSORS/SUPPLIERS) HEREBY DISCLAIMS ANY AND ALL REPRESENTATIONS AND WARRANTIES IN RELATION TO THE BOARD, ANY MODIFICATIONS, OR THIS AGREEMENT, WHETHER EXPRESS, IMPLIED, STATUTORY OR OTHERWISE, INCLUDING WITHOUT LIMITATION ANY AND ALL REPRESENTATIONS AND WARRANTIES OF MERCHANTABILITY, FITNESS FOR A PARTICULAR PURPOSE, TITLE, NON−INFRINGEMENT, AND THOSE ARISING FROM A COURSE OF DEALING, TRADE USAGE, TRADE CUSTOM OR TRADE PRACTICE. onsemi reserves the right to make changes without further notice to any board.
You are responsible for determining whether the board will be suitable for your intended use or application or will achieve your intended results. Prior to using or distributing any systems that have been evaluated, designed or tested using the board, you agree to test and validate your design to confirm the functionality for your application. Any technical, applications or design information or advice, quality characterization, reliability data or other services provided by onsemi shall not constitute any representation or warranty by onsemi, and no additional obligations or liabilities shall arise from onsemi having provided such information or services. onsemi products including the boards are not designed, intended, or authorized for use in life support systems, or any FDA Class 3 medical devices or medical devices with a similar or equivalent classification in a foreign jurisdiction, or any devices intended for implantation in the human body. You agree to indemnify, defend and hold harmless onsemi, its directors, officers, employees, representatives, agents, subsidiaries, affiliates, distributors, and assigns, against any and all liabilities, losses, costs, damages, judgments, and expenses, arising out of any claim, demand, investigation, lawsuit, regulatory action or cause of action arising out of or associated with any unauthorized use, even if such claim alleges that onsemi was negligent regarding the design or manufacture of any products and/or the board.
This evaluation board/kit does not fall within the scope of the European Union directives regarding electromagnetic compatibility, restricted substances (RoHS), recycling (WEEE), FCC, CE or UL, and may not meet the technical requirements of these or other related directives.
FCC WARNING
FCC WARNING – This evaluation board/kit is intended for use for engineering development, demonstration, or evaluation purposes only and is not considered by onsemi to be a finished end product fit for general consumer use. It may generate, use, or radiate radio frequency energy and has not been tested for compliance with the limits of computing devices pursuant to part 15 of FCC rules, which are designed to provide reasonable protection against radio frequency interference. Operation of this equipment may cause interference with radio communications, in which case the user shall be responsible, at its expense, to take whatever measures may be required to correct this interference.
onsemi does not convey any license under its patent rights nor the rights of others.
LIMITATIONS OF LIABILITY
LIMITATIONS OF LIABILITY: onsemi shall not be liable for any special, consequential, incidental, indirect or punitive damages, including, but not limited to the costs of requalification, delay, loss of profits or goodwill, arising out of or in connection with the board, even if onsemi is advised of the possibility of such damages. In no event shall onsemi’s aggregate liability from any obligation arising out of or in connection with the board, under any theory of liability, exceed the purchase price paid for the board, if any.
The board is provided to you subject to the license and other terms per onsemi’s standard terms and conditions of sale. For more information and documentation, please visit www.onsemi.com.
PUBLICATION ORDERING INFORMATION
LITERATURE FULFILLMENT:
Email Requests to: [email protected]
onsemi Website: www.onsemi.com
TECHNICAL SUPPORT
North American Technical Support:
Voice Mail: 1 800−282−9855 Toll Free USA/Canada
Phone: 011 421 33 790 2910
Europe, Middle East and Africa Technical Support:
Phone: 00421 33 790 2910
For additional information, please contact your local Sales Representative


































