
UM11737
NCX3310 evaluation board
Rev. 1.0 — 22 August 2022
User manual
NCX3310 Evaluation Board
Document information
| Information | Content |
| Keywords | NCx3310, NFC TAG IC, Automotive, Secure Car Access |
| Abstract | This document describes how to get started and evaluate the NCx3310 using an NCX3310 Evaluation Board. |
Revision history
NXP Semiconductors
UM11737
NCX3310 evaluation board
| Rev | Date | Description |
| v.1.0 | 20220822 | Initial version |
IMPORTANT NOTICE
For engineering development or evaluation purposes only
NXP provides the product under the following conditions:
This evaluation kit is for use of ENGINEERING DEVELOPMENT OR EVALUATION PURPOSES ONLY. It is provided as a sample IC presoldered to a printed-circuit board to make it easier to access inputs, outputs and supply terminals. This evaluation board may be used with any development system or other source of I/O signals by connecting it to the host MCU computer board via off-the-shelf cables. This evaluation board is not a Reference Design and is not intended to represent a final design recommendation for any particular application. Final device in an application heavily depends on proper printed-circuit board layout and heat sinking design as well as attention to supply filtering, transient suppression, and I/O signal quality. The product provided may not be complete in terms of required design, marketing, and or manufacturing related protective considerations, including product safety measures typically found in the end device incorporating the product. Due to the open construction of the product, it is the responsibility of the user to take all appropriate precautions for electric discharge. In order to minimize risks associated with the customers’ applications, adequate design and operating safeguards must be provided by the customer to minimize inherent or procedural hazards. For any safety concerns, contact NXP sales and technical support services.
Introduction
This board provides an easy and quick evaluation and development environment for NCx3310 enabled applications, especially for those leveraging I C follower, Bluetooth Pairing, Energy Harvesting use cases. A broad selection of software packages is available, which are based on modular examples. A broad selection of software packages is available. These packages are based on modular examples. These examples can be easily extracted and reused on any other platform. The NCX3310 evaluation board can be stacked on single-board computer boards, MCU evaluation boards, such as the NXP LPCXpresso Boards and NXP Freedom Boards, or be used standalone.
C leader, I
Note: The antenna part can be broken off and replaced by any other antenna to fit the desired application.
1.1 Potential applications
- BT and WiFi pairing
- Rear seat entertainment
- Personalization and diagnostics
- Connected keys for connected cars
- Originality check of auto parts
Finding kit resources and information on the NXP web site
NXP Semiconductors provides online resources for this evaluation board and its supported device(s) on http://www.nxp.com.
The information page for the NCX3310EVB evaluation board is at https://www.nxp.com/products/security-and-authentication/secure-car-access/nfc-forum-compliant-tag-icwith-ic-for-automotive:NCx3310. The information page provides overview information, documentation, software and tools, parametrics, ordering information and a
Getting Started tab. The Getting Started tab provides quick-reference information applicable to using the NCX3310EVB evaluation board, including the downloadable assets
referenced in this document.
Getting ready
NCX3310 evaluation board package includes:
The following information is provided per Article 10.8 of the Radio Equipment Directive 2014/53/EU:
(a) Frequency bands in which the equipment operates.
(b) The maximum RF power transmitted.
Table 1. NCX3310EVB evaluation board
| Part number | RF Technology | Frequency ranges | Maximum transmitted power |
| NCX3310EVB | NFC Type 5 Tag | 13.54 MHz ± 423.75 KHz | N/A |
Europeon Declaration of Conformity, simplified DoC per Article 10.9 of the Radio Equipment Directive 2014/53/EU
This apparatus, namely NCX3310EVB, conforms to the Radio Equipment Directive 2014/53/EU. The full EU Declaration of Conformity for this apparatus can be found at this location: https://single-market-economy.ec.europa.eu/sectors/electrical-and-electronicengineering-industries-eei/radio-equipment-directive-red_en
3.1 Getting to know the hardware
3.1.1 Connector PINOUT description
Table 2. OM2NTP5332 pinout description
| Number | Net name | Description |
| J1:6 | ED_PU | Event detection pin. Open drain. Pulled up to Vcc by R22 (4.7 kΩ). |
| J1:7 | HPD_PD | Hard-power-down pin. Pulled down to GND by R24 (10 kΩ). |
| J2:7 | GND | Ground |
| J2:9 | SDA | Multiplexed pin: I2C SDA data line / GPIO1. Can be optionally pulled up to Vcc by switch SW3:2 on position, R26 (4.7 kΩ). |
| J2:10 | SCL | Multiplexed pin: I2C SCL data line / GPIO0. Can be optionally pulled up to Vcc by switch SW3:1 on position, R25 (4.7 kΩ). |
| J3:4 | P1V8_3V3_BRD | Lower-voltage source from underlaying board (e.g. MCU board), usually 3.3 V. |
| J3:5 | P5V0 | Higher-voltage source from underlaying board (e.g. MCU board), usually 5 V. |
| J3:6 | GND | Ground |
| J3:7 | GND | Ground |
3.1.2 Switches and other components description

Table 3. OM2NTP5332 switches and other components description
| Number | Net name / Options | Description |
| SW3 | 1-6: PU_EN_SCL | With ON position, Pullup R25 engaged. |
| 2-5: PU_EN_SDA | With ON position, Pullup R26 engaged | |
| 3-4: VOUT | With ON position, NCx3310’s VOUT connected to VCC (a must for energy harvesting) | |
| SW1 | HPD_VCC | When HPD is pulled to VCC, NCx3310 enters High Power-down mode. When released, NCx3310 exits from HPD mode. Can be used as NCx3310 reset. |
| SW6 | 1.8 – 3.3 V | VCC chooser. It only connects voltage from underlaying board or source to the NCx3310 and whole PCB. |
| 5 V | ||
| D1 | D1 | Green LED |
| JP1 | GND | Jumper for easy access to GND. |
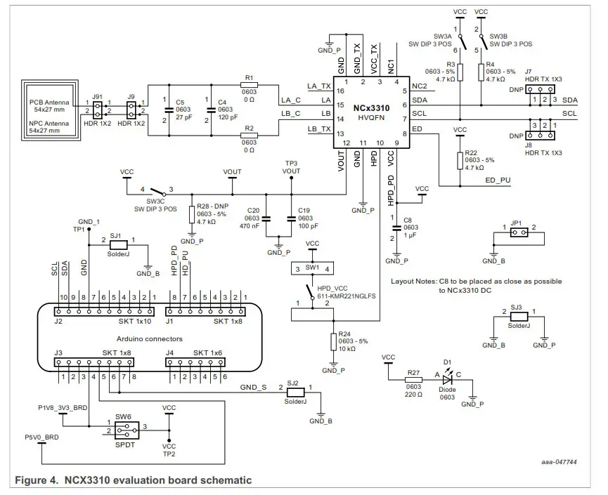
3.1.3 Schematics
The schematic of the evaluation board can be seen below.
The board layout and bill of materials for the NCX3310EVB evaluation board are available at www.nxp.com/NCX3310EVB.
Optional hardware that is supported for development
This section lists optional supported hardware that are not included in the board. This hardware eases evaluation and enables faster integration or portation to other similar
devices. Optional hardware is ordered separately.
Table 4. Supported optional hardware (NOT included in the board). Needs to be ordered separately.
| Item 1 | Item 2 | Item 3 | Item 4 | |
| Description | NFC mobile | RF (ISO15693) reader | MCU development board | NFC Door handle reference design |
Table 4. Supported optional hardware (NOT included in the board). Needs to be ordered separately. …continued
| Item 1 | Item 2 | Item 3 | Item 4 | |
| Purpose | Developing Android- based applications | Developing VCD (RF, NFC) applications. Either FW or higher software layer. | Developing MCU based I2C Follower, GPIO, PWM use cases. | Evaluation of I2C leader, Energy Harvesting use cases |
| Picture | pnev7462c reader development board![]() | LPCXpresso board for LPC11U37H![]() | FRDM-KW41Z development board![]() | |
| Section in this document | Section 4.1 | Section 4.2 | Section 4.3 | DHRD FreeMASTER SW |
| Buying options | Via NXP’s distribution or through nxp.com. | Via NXP’s distribution or through nxp.com. | Via nxp.com |
4.1 Mobile NFC application development
Developing Android-based applications.
Hardware:
- Device with integrated NFC.
Software:
- TapLinx (Android only) (mifare.net)
- NCx3310 Configuration over NFC Interface
- Use cases examples (Bluetooth pairing, energy harvesting, I 2 C Leader mode) using native Android NFC application.
Additional documentation:
- NCx3310 configuration from RF interface
- NFC Forum Type 5 Tag configuration
- NFC Forum NDEF
- I 2 C leader 2
- I C follower
- Energy harvesting
- Event detection
- Protecting user memory and features, security
4.2 RF (ISO15693) reader development
Easy RF evaluation of NCx3310 features. Also for developing VCD (RF, NFC) applications, either FW or higher layer software.
NCx3310 features that can be evaluated:
| • NCx3310 configuration from RF interface 2 I C leader • I 2 C follower • Pass-through mode • PHDC data transfer | • Energy harvesting • GPIO • PWM • Event detection • Security • NDEF |
Hardware:
Software:
- GUI
– RFIDDiscover (DocStore)
– NFCCockpit (nxp.com) - Firmware: NFC Reader Library (DocStore)
- .NET: NXP Reader Library (DocStore)
Additional Documentation: - NCx3310 configuration from RF interface
- I 2 C leader
- I 2 C follower
- Energy harvesting
- GPIO
- Event detection
4.3 LPC11U37H MCU based
Hardware:
Software:
- Use cases Code examples:
– GPIO
– Pass-through mode - GUI – NTAG cockpit (easy I 2 C access)
Documentation:
- NTAG 5 configuration from I 2 C interface
- I 2 C leader • I2 C follower
- Energy harvesting
- GPIO
- Event detection
- NTAG 5 middleware porting guide
4.4 DHRD FreeMASTER tool 2 Easy
I C Leader mode can be evaluated with any I C Leader mode evaluation of NCx3310. I 2 2
C based sensor IC. Detailed description can be found in: UM-SCA1702 – NCx3320
Door Handle Reference Design User Manual.
Hardware:
- NCx3320 door handle reference design [UM-SCA1702 – NCx3320 Door Handle Reference Design User Manual]
- I 2 C follower IC
Software:
- NCx3320 DHRD SW Tool
Additional documentation:
• NCx3310 configuration from RF interface
• I 2 C Leader
• Energy harvesting
• DHRD user manual: [UM-SCA1702 – NCx3320 Door Handle Reference Design User Manual]
Abbreviations
Table 5. Abbreviations
| Acronym | Description |
| EEPROM | Electrically Erasable Programmable Read-Only Memory |
| GPIO | General Purpose Input/Output |
| I2C | Inter-Integrated Circuit |
| NFC | Near-Field Communication |
| PHDC | Personal Health Device Communication |
| POR | Power-On Reset |
| PWM | Pulse-Width Modulation |
| RF | Radio Frequency |
Table 5. Abbreviations…continued
| Acronym | Description |
| SRAM | Static Random-Access Memory |
References
| [1] | AN_SCA 2023 | NCx3310 – Use of GPIO and Event detection |
| [2] | AN_SCA 2019 | NCx3310 – Bidirectional Data Exchange |
| [3] | AN_SCA | 2016 NCx3310 – Energy Harvesting |
| [4] | AN_SCA | 2021 NCx3310 – Memory Configuration and Scalable Security |
| [5] | AN_SCA | 2 2020 NCx3310 – I C Leader mode |
| [6] | UM-SCA1702 | NCx3320 – Door Handle Reference Design User Manual |
| [7] | UM_SCA | 2004 NCx3310 – LPC11U37 firmware development |
| [8] | UM-SCA1702 | NCx3320 – Door Handle Reference Design User Manual |
| [9] | AN_SCA | 2018 NCx3310 – Antenna Design guide for Active Load Modulation |
Legal information
7.1 Definitions
Draft — A draft status on a document indicates that the content is still under internal review and subject to formal approval, which may result in modifications or additions. NXP Semiconductors does not give any representations or warranties as to the accuracy or completeness of information included in a draft version of a document and shall have no liability for the consequences of use of such information.
7.2 Disclaimers
Limited warranty and liability — Information in this document is believed to be accurate and reliable. However, NXP Semiconductors does not give any representations or warranties, expressed or implied, as to the accuracy or completeness of such information and shall have no liability for the consequences of use of such information. NXP Semiconductors takes no responsibility for the content in this document if provided by an information source outside of NXP Semiconductors.
In no event shall NXP Semiconductors be liable for any indirect, incidental, punitive, special or consequential damages (including – without limitation lost profits, lost savings, business interruption, costs related to the removal or replacement of any products or rework charges) whether or not such damages are based on tort (including negligence),
warranty, breach of contract or any other legal theory.
Notwithstanding any damages that customer might incur for any reason whatsoever, NXP Semiconductors’ aggregate and cumulative liability towards customer for the products described herein shall be limited in accordance with the
Terms and conditions of commercial sale of NXP Semiconductors.
Right to make changes — NXP Semiconductors reserves the right to make changes to information published in this document, including without limitation specifications and product descriptions, at any time and without notice. This document supersedes and replaces all information supplied prior to the publication hereof.
Suitability for use — NXP Semiconductors products are not designed, authorized or warranted to be suitable for use in life support, life-critical or safety-critical systems or equipment, nor in applications where failure or malfunction of an NXP Semiconductors product can reasonably be expected to result in personal injury, death or severe property or environmental damage. NXP Semiconductors and its suppliers accept no liability for inclusion and/or use of NXP Semiconductors products in such equipment or applications and therefore such inclusion and/or use is at the customer’s own risk. Applications — Applications that are described herein for any of these products are for illustrative purposes only. NXP Semiconductors makes no representation or warranty that such applications will be suitable for the specified use without further testing or modification.
Customers are responsible for the design and operation of their applications and products using NXP Semiconductors products, and NXP Semiconductors accepts no liability for any assistance with applications or customer product design. It is customer’s sole responsibility to determine whether the NXP Semiconductors product is suitable and fit for the customer’s applications and products planned, as well as for the planned application and use of customer’s third party customer(s). Customers should provide appropriate design and operating safeguards to minimize the risks associated with their applications and products.
NXP Semiconductors does not accept any liability related to any default, damage, costs or problem which is based on any weakness or default in the customer’s applications or products, or the application or use by customer’s third party customer(s). Customer is responsible for doing all necessary testing for the customer’s applications and products using NXP Semiconductors products in order to avoid a default of the applications and the products or of the application or use by customer’s third party customer(s). NXP does not accept any liability in this respect.
Suitability for use in automotive applications — This NXP product has been qualified for use in automotive applications. If this product is used by customer in the development of, or for incorporation into, products or services (a) used in safety critical applications or (b) in which failure could lead to death, personal injury, or severe physical or environmental damage (such products and services hereinafter referred to as “Critical Applications”), then customer makes the ultimate design decisions regarding its products and is solely responsible for compliance with all legal, regulatory, safety, and security related requirements concerning its products, regardless of
any information or support that may be provided by NXP. As such, customer assumes all risk related to use of any products in Critical Applications and NXP and its suppliers shall not be liable for any such use by customer. Accordingly, customer will indemnify and hold NXP harmless from any claims, liabilities, damages and associated costs and expenses (including attorneys’ fees) that NXP may incur related to customer’s incorporation of any product in a Critical Application.
Export control — This document as well as the item(s) described herein may be subject to export control regulations. Export might require a prior authorization from competent authorities. Evaluation products — This product is provided on an “as is” and “with all faults” basis for evaluation purposes only. NXP Semiconductors, its affiliates and their suppliers expressly disclaim all warranties, whether express, implied or statutory, including but not limited to the implied warranties of noninfringement, merchantability and fitness for a particular purpose. The entire risk as to the quality, or arising out of the use or performance, of this product remains with customer. In no event shall NXP Semiconductors, its affiliates or their suppliers be liable to customer for any special, indirect, consequential, punitive or incidental damages (including without limitation damages for loss of business, business interruption, loss of use, loss of data or information, and the like) arising out the use of or inability to use the product, whether or not based on tort (including negligence), strict liability, breach of contract, breach of warranty or any other theory, even if advised of the possibility of such damages. Notwithstanding any damages that customer might incur for any reason whatsoever (including without limitation, all damages referenced above and all direct or general damages), the entire liability of NXP Semiconductors, its affiliates and their suppliers and customer’s exclusive remedy for all of the foregoing shall be limited to actual damages incurred by customer based on reasonable reliance up to the greater of the amount actually paid by customer for the product or five dollars (US$5.00). The foregoing limitations, exclusions and disclaimers shall apply to the maximum extent permitted by applicable law, even if any remedy fails of its essential purpose.
Translations — A non-English (translated) version of a document, including the legal information in that document, is for reference only. The English version shall prevail in case of any discrepancy between the translated and English versions.
Security — Customer understands that all NXP products may be subject to unidentified vulnerabilities or may support established security standards or specifications with known limitations. Customer is responsible for the design and operation of its applications and products throughout their lifecycles to reduce the effect of these vulnerabilities on customer’s applications and products. Customer’s responsibility also extends to other open and/or proprietary technologies supported by NXP products for use in customer’s applications. NXP accepts no liability for any vulnerability. Customer should regularly check security updates from NXP and follow up appropriately. Customer shall select products with security features that best meet rules, regulations, and standards of the intended application and make the ultimate design decisions regarding its products and is solely responsible for compliance with all legal, regulatory, and security related requirements concerning its products, regardless of any information or support that may be provided by NXP. NXP has a Product Security Incident Response Team (PSIRT) (reachable at [email protected]) that manages the investigation, reporting, and solution release to security vulnerabilities of NXP products.
NXP — wordmark and logo are trademarks of NXP B.V.
7.3 Trademarks
Notice: All referenced brands, product names, service names, and trademarks are the property of their respective owners.
Tables
Tab. 1. NCX3310EVB evaluation board …………………… 5
Tab. 2. OM2NTP5332 pinout description …………………. 6
Tab. 3. OM2NTP5332 switches and other components description ……………………………… 6
Tab. 4. Supported optional hardware (NOT included in the board). Needs to be ordered
separately. ………………………………………………… 7
Tab. 5. Abbreviations ……………………………………………11
Figures
Fig. 1. NCX3310 evaluation board PCB …………………..5
Fig. 2. Locations of connectors (PINOUT) ………………. 5
Fig. 3. Locations of switches and other components ………………………………………………. 6
Fig. 4. NCX3310 evaluation board schematic ………….. 7
pnev7462c reader development board …………..9
LPCXpresso v2 board with LPC11U37H
MCU ………………………………………………………. 10
DHRD FreeMASTER SW Tool …………………… 11
Please be aware that important notices concerning this document and the product(s)
described herein, have been included in section ‘Legal information’.
© 2022 NXP B.V.
All rights reserved.
For more information, please visit: http://www.nxp.com
Date of release: 22 August 2022
Document identifier: UM11737





















