NXP UM11890 KITPF5300FRDMEVM Evaluation Board User Manual
Document Information
| Information | Content |
| Keywords | Safety, SBC, automotive, low power, ASIL D, industrial |
| Abstract | This document is the user guide for the KITPF5300FRDMEVM evaluation board. |
Revision history
| Rev | Date | Description |
| v.1 | 20230605 | Initial version |
IMPORTANT NOTICE
For engineering development or evaluation purposes only
NXP provides the product under the following conditions: This evaluation kit is for use of ENGINEERING DEVELOPMENT OR EVALUATION PURPOSES ONLY. It is provided as a sample IC pre-soldered to a printed-circuit board to make it easier to access inputs, outputs and supply terminals. This evaluation board may be used with any development system or other source of I/O signals by connecting it to the host MCU computer board via off-the-shelf cables. This evaluation board is not a Reference Design and is not intended to represent a final design recommendation for any particular application. Final device in an application heavily depends on proper printed-circuit board layout and heat sinking design as well as attention to supply filtering, transient suppression, and I/O signal quality.
The product provided may not be complete in terms of required design, marketing, and or manufacturing related protective considerations, including product safety measures typically found in the end device incorporating the product. Due to the open construction of the product, it is the responsibility of the user to take all appropriate precautions for electric discharge. In order to minimize risks associated with the customers’ applications, adequate design and operating safeguards must be provided by the customer to minimize inherent or procedural hazards. For any safety concerns, contact NXP sales and technical support services
Introduction
This document is the user guide for the KITPF 5300 FRDMEVM evaluation board. It is intended for engineers involved in the evaluation, design, implementation, and validation of the PF5300.
This document covers connecting the hardware, installing the software and tools, configuring the environment, and using the kit.
Finding kit resources and information on the NXP website
NXP Semiconductors provides online resources for this evaluation board and its supported device(s) on http://www.nxp.com.
The information page for the KITPF5300FRDMEM evaluation board is at http://www.nxp.com/ KITPF5300FRDMEVM. The information page provides overview information, documentation, software and tools, para metrics, ordering information and a Getting Started tab. The Getting Started tab provides quick-reference information applicable to using the KITPF 5300 FRDMEVM evaluation board, including the downloadable assets referenced in this document.
Getting ready
Working with the KITPF5300FRDMEVM requires the kit contents, additional hardware, and a Windows PC workstation with installed software.
Kit contents
- Assembled and tested evaluation board and reprogrammed FROM-KLUTZ micro controller
- 3.0 ft USB-STD A to USB-B-mini cable
- Jumpers mounted on board
Additional hardware
In addition to the kit contents, the following hardware is necessary or beneficial when working with this kit.
- Power supply with a range of 3.3 V to 5.0 V
Minimum system requirements
This evaluation board requires a Windows PC workstation. Meeting these minimum specifications should produce great results when working with this evaluation board.
- USB-enabled computer with Windows 7 or Windows 10
Software
The software listed here must be installed before working with this evaluation board.
- NXP GUI installation package
Getting to know the hardware
The KITPF5300FRDMEVM provides flexibility to explore all the features of the device and make measurements on the main part of the application. The FRDM-KL25Z microcontroller connected to the board, combined with the NXP GUI software, allows full configuration and control of the PF5300.
Board features
- VIN and PVIN connectors
- SW1 output capability up to 15 A
- Load slammer connector
- PGOOD output
- Emulation mode capabilities
- USB connection and GUI for register access, OTP emulation, and programming
Kit featured components
Figure 1 identifies important components on the board and Table 1 provides additional details about these components.
Figure 1. Evaluation board featured component locations on top
Table 1. Connector and jumper descriptions
| Position | Function | Description |
| J5 | VIN | Gate drive and core supply input (up to 5 V) |
| J8 | PVIN | Power conversion path input voltage (up to 5 V) |
| J9, J6 | GND | Ground |
| J12 | STANDBY | 1-2: STANDBY = GND (Default)2-3: STANDBY = VDDIO |
| J10 | PWRON | 1-2: PWRON = GND (Default)2-3: PWRON = VDDIO |
| J11 | Load transient enable | Short: connects SW1 output to load transient circuit |
| J14 | Load transient pulse | Pin 1: groundPin 2: apply pulse from function generator to generate transient load |
| J7 | Load slammer connector | Connect load slammer tool, if available, for transient generation |
| J4 | Output voltage | Output voltage |
| J16 | Vout sense | SMB connector for accurate sense of output voltage |
Schematic, board layout, and bill of materials
The schematic, board layout, and bill of materials for the KITPF5300FRDMEVM evaluation board are available at http://www.nxp.com/KITPF5300FRDMEVM.
Installing and configuring software tools
Flashing or updating the GUI firmware
The KITPF5300FRDMEVM is always delivered with the GUI firmware already flashed. If the MCU firmware is already flashed, the user can ignore this section. If it is specified that the user needs to update the firmware or if the firmware is malfunctioning, follow these instructions:
Flashing KITPF5300FRDMEVM evaluation board firmware for Windows 7
Steps 1 and 2 are not required if BOOTLOADER is already loaded in the KITPF5300FRDMEVM board. In that case, start from step 3.
- Press the RST pushbutton and connect the USB cable into the SDA port on the KITPF5300FRDMEVM board
- A new BOOTLOADER device should appear on the left pane of the Windows Explorer
- Drag and drop the file MSD-DEBUG-FRDM-KL25Z_Pemicro_v118.SDA into the BOOTLOADER drive
Note: Make sure to allow enough time for the firmware to be saved in the BOOTLOADER - Disconnect and reconnect the USB cable into the SDA port
- This time, without pressing the RST button, the FRDM_KL25Z device should appear on the left pane of the Windows Explorer as pictured in Figure 2.
Figure 2. Left pane of Windows Explorer
- This time, without pressing the RST button, the FRDM_KL25Z device should appear on the left pane of the Windows Explorer as pictured in Figure 2.
- Locate the file nxp-gui-fw-frdmkl25z-usb_hid-pf5300_v0.3.bin (or later version) from the package, and drag and drop the file into the FRDM_KL25Z device.
Note: Make sure to allow enough time for the firmware to be saved - The KITPF5300FRDMEVM evaluation board firmware is successfully loaded. Disconnect and reconnect the USB cable o the KL25Z USB port.
Flashing KITPF5300FRDMEVM evaluation board firmware for Windows 10
- Disable the storage services: Run the Services, double click on Storage Service from the resulting list, and press the stop button.

Steps 2 and 3 are not required if BOOTLOADER is already loaded in the KITPF5300FRDMEVM board. In that case, start from step 4. - Press the RST button and connect the USB cable to the SDA port on the KITPF5300FRDMEVM board.
- A new BOOTLOADER device appears on the left pane of the File explorer.
- Drag and drop the file MSD-DEBUG-FRDM-KL25Z_Pemicro_v118.SDA into the BOOTLOADER drive.
Note: Make sure to allow enough time for the firmware to be saved in the BOOTLOADER. - Disconnect and reconnect the USB cable to the SDA port.
- This time without pressing the RST button, the FRDM_KL25Z device should appear on the left pane of the Windows File Explorer as pictured in Figure 3.
Figure 3. Left pane of Windows File Explorer
- This time without pressing the RST button, the FRDM_KL25Z device should appear on the left pane of the Windows File Explorer as pictured in Figure 3.
- Locate the file nxp-gui-fw-frdmkl25z-usb_hid-pf5300_v0.3 (or later version) from the package, and drag and drop the file into the FRDM_KL25Z device.
Note: Make sure to allow enough time for the firmware to be saved. - The KITPF5300FRDMEVM board firmware is successfully loaded. Disconnect and reconnect the USB cable to the FRDM-KL25Z microcontroller USB port.
Installing the GUI software package
To install the PF5300 NXP GUI, download or obtain the NXPGUI package, unzip, and open the 1- NXP_GUI_Setup folder:
Double click on the setup file and follow the instructions.
When the installation is complete, search for the NXPGUI application from the Windows search bar, then click on the result to launch the GUI.
PF5300 NXP GUI
Once the kit is ready and the NXPGUI software is installed, use the Windows search bar to find the GUI. Click the search result to launch it.
Once the NXP GUI is opened and the kit selection window shown in Figure 4 is displayed, check for the following settings and click OK.
Figure 4. NXP GUI kit selection window
Note: To avoid the kit selection window on every launch, check the box Use this configuration and do not ask again
The window shown in Figure 5 opens.
Figure 5. NXP GUI
Configuring the hardware
Once the user has installed the NXP GUI, follow these instructions to quickly power up the board.
Powering up the board with pre-programmed OTP configuration
- Make sure that the board has the right jumper configuration per Table 1 and Figure 6.
- Ensure that SW4 is in the NORMAL position.
- Verify that the FRDM-KL25Z microcontroller is plugged in, and the USB cable on the FRDM KL25Z microcontroller USB connector side is attached. It is important that the USB cable is connected to a PC, because the cable enables communication with the NXP GUI and provides the VDDIO reference for the IC.
- Apply VIN and PVIN with PWRON = 0.
- Move J10 from 1-2 to 2-3 to turn on the PF53.
- Open the GUI and communicate as required.
Figure 6. Jumpers
Powering up the board in Debug mode
Debug mode allows the user to modify OTP mirror registers before powering up. This facilitates exercising different features of the PF5300 while deciding on the best configuration for a given application.
- Remove VIN and PVIN.
- Open J10.
- Move SW4 to the DEBUG position.
- Apply 8 V to TP9, which is identified with the silkscreen “8V”.
- Apply VIN and PVIN. Now the device powers up internally to the LP_OFF state.
- Open the NXP GUI, and select Test Mode in the top left dropdown box.

- Go to the Mirror tab and modify the mirror registers as desired. It may be easier to Read All the mirror registers before modifying, to reduce the number of registers that must be changed.
- Press the SW5 button to power up the PF5300 with the selected configuration.
- Even after power up, the device continues to be in Debug mode. The user can continue modifying the mirror registers on the fly to see their impact. This may be useful while trying to optimize compensation or AVP performance of the part.
Using the transient load circuit in the evaluation board
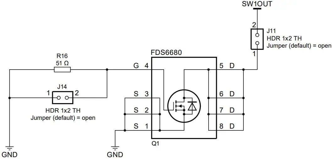
The KITPF5300FRDMEVM has a provision for a commercially available load slammer tool that allows high di/ dt transient load testing. Users who do not have such a tool can use the circuit shown in Figure 7 to perform simple transient testing on the board.
Figure 7. Circuit for simple transient testing
The circuit works by applying a controlled gate voltage on J14. Depending on the amplitude and slope of the signal applied, the amplitude and slope of the transient load can be adjusted.
Legal information
Definitions
Draft — A draft status on a document indicates that the content is still under internal review and subject to formal approval, which may result in modifications or additions. EXP Semiconductors does not give any representations or warranties as to the accuracy or completeness of information included in a draft version of a document and shall have no liability for the consequences of use of such information.
Disclaimers
Limited warranty and liability — Information in this document is believed to be accurate and reliable. However, NXP Semiconductors does not give any representations or warranties, expressed or implied, as to the accuracy or completeness of such information and shall have no liability for the consequences of use of such information. NXP Semiconductors takes no responsibility for the content in this document if provided by an information source outside of NXP Semiconductors.
In no event shall NXP Semiconductors be liable for any indirect, incidental,punitive, special or consequential damages (including – without limitation – lost profits, lost savings, business interruption, costs related to the removal or replacement of any products or rework charges) whether or not such damages are based on tort (including negligence), warranty, breach of contract or any other legal theory.
Notwithstanding any damages that customer might incur for any reason whatsoever, NXP Semiconductors’ aggregate and cumulative liability towards customer for the products described herein shall be limited in accordance with the Terms and conditions of commercial sale of NXP Semiconductors.
Right to make changes — NXP Semiconductors reserves the right to make changes to information published in this document, including without limitation specifications and product descriptions, at any time and without notice. This document supersedes and replaces all information supplied prior to the publication hereof.
Applications — Applications that are described herein for any of theseproducts are for illustrative purposes only. NXP Semiconductors makes no representation or warranty that such applications will be suitable for the specified use without further testing or modification. Customers are responsible for the design and operation of their applications and products using NXP Semiconductors products, and NXP Semiconductors accepts no liability for any assistance with applications or customer product design. It is customer’s sole responsibility to determine whether the NXP Semiconductors product is suitable and fit for the customer’s applications and products planned, as well as for the planned application and use of customer’s third party customer(s). Customers should provide appropriate design and operating safeguards to minimize the risks associated with their applications and products.
NXP Semiconductors does not accept any liability related to any default, damage, costs or problem which is based on any weakness or default in the customer’s applications or products, or the application or use by customer’s third party customer(s). Customer is responsible for doing all necessary testing for the customer’s applications and products using NXP Semiconductors products in order to avoid a default of the applications and the products or of the application or use by customer’s third party customer(s). NXP does not accept any liability in this respect.
Terms and conditions of commercial sale — NXP Semiconductors products are sold subject to the general terms and conditions of commercial sale, as published at http://www.nxp.com/profile/terms, unless otherwise agreed in a valid written individual agreement. In case an individual agreement is concluded only the terms and conditions of the respective agreement shall apply. NXP Semiconductors hereby expressly objects to applying the customer’s general terms and conditions with regard to the purchase of NXP Semiconductors products by customer.
Export control — This document as well as the item(s) described herein may be subject to export control regulations. Export might require a prior authorization from competent authorities.
Evaluation products — This product is provided on an “as is” and “with all faults” basis for evaluation purposes only. NXP Semiconductors, its affiliates and their suppliers expressly disclaim all warranties, whether express, implied or statutory, including but not limited to the implied warranties of non infringement, merchant ability and fitness for a particular purpose. The entire risk as to the quality, or arising out of the use or performance, of this product remains with customer.
In no event shall NXP Semiconductors, its affiliates or their suppliers be liable to customer for any special, indirect, consequential, punitive or incidental damages (including without limitation damages for loss of business, business interruption, loss of use, loss of data or information, and the like) arising out the use of or inability to use the product, whether or not based on tort (including negligence), strict liability, breach of contract, breach of warranty or any other theory, even if advised of the possibility of such damages.
Notwithstanding any damages that customer might incur for any reason whatsoever (including without limitation, all damages referenced above and all direct or general damages), the entire liability of NXP Semiconductors, its affiliates and their suppliers and customer’s exclusive remedy for all of the foregoing shall be limited to actual damages incurred by customer based on reasonable reliance up to the greater of the amount actually paid by customer for the product or five dollars (US$5.00). The foregoing limitations, exclusions and disclaimers shall apply to the maximum extent permitted by applicable law, even if any remedy fails of its essential purpose.
Translations — A non-English (translated) version of a document, including the legal information in that document, is for reference only. The English version shall prevail in case of any discrepancy between the translated and English versions.
Security — Customer understands that all NXP products may be subject to unidentified vulnerabilities or may support established security standards or specifications with known limitations. Customer is responsible for the design and operation of its applications and products throughout their lifecycles to reduce the effect of these vulnerabilities on customer’s applications and products. Customer’s responsibility also extends to other open and/or proprietary technologies supported by NXP products for use in customer’s applications. NXP accepts no liability for any vulnerability. Customer should regularly check security updates from NXP and follow up appropriately. Customer shall select products with security features that best meet rules, regulations, and standards of the intended application and make the ultimate design decisions regarding its products and is solely responsible for compliance with all legal, regulatory, and security related requirements concerning its products, regardless of any information or support that may be provided by NXP.
NXP has a Product Security Incident Response Team (PSIRT) (reachable at [email protected]) that manages the investigation, reporting, and solution release to security vulnerabilities of NXP products.
Suitability for use in automotive applications (functional safety) —
This NXP product has been qualified for use in automotive applications. It has been developed in accordance with ISO 26262, and has been ASIL classified accordingly. If this product is used by customer in the development of, or for incorporation into, products or services (a) used in safety critical applications or (b) in which failure could lead to death, personal injury, or severe physical or environmental damage (such products and services hereinafter referred to as “Critical Applications”), then customer makes the ultimate design decisions regarding its products and is solely responsible for compliance with all legal, regulatory, safety, and security related requirements concerning its products, regardless of any information or support that may be provided by NXP. As such, customer assumes all risk related to use of any products in Critical Applications and NXP and its suppliers shall not be liable for any such use by customer. Accordingly, customer will indemnify and hold NXP harmless from any claims, liabilities, damages and associated costs and expenses (including attorneys’ fees) that NXP may incur related to customer’s incorporation of any product in a Critical Application.
Suitability for use in industrial applications (functional safety) —
This NXP product has been qualified for use in industrial applications. It has been developed in accordance with IEC 61508, and has been SIL-classified accordingly. If this product is used by customer in the development of, or for incorporation into, products or services (a) used in safety critical applications or (b) in which failure could lead to death, personal injury, or severe physical or environmental damage (such products and services hereinafter referred to as “Critical Applications”), then customer makes the ultimate design decisions regarding its products and is solely responsible for compliance with all legal, regulatory, safety, and security related requirements concerning its products, regardless of any information or support that may be provided by NXP. As such, customer assumes all risk related to use of any products in Critical Applications and NXP and its suppliers shall not be liable for any such use by customer. Accordingly, customer will indemnify and hold NXP harmless from any claims, liabilities, damages and associated costs and expenses (including attorneys’ fees) that NXP may incur related to customer’s incorporation of any product in a Critical Application.
NXP B.V. – NXP B.V. is not an operating company and it does not distribute or sell products.
Trademarks
Notice: All referenced brands, product names, service names, and trademarks are the property of their respective owners.
NXP — wordmark and logo are trademarks of NXP B.V.
Please be aware that important notices concerning this document and the product(s) described herein, have been included in section ‘Legal information’.
© 2023 NXP B.V.
For more information, please visit: http://www.nxp.com
All rights reserved.
Date of release: 5 June 2023
Document identifier: UM11890






















