Globalsat MR-350N GPS Receiver
User Manual
GLOBALSAT GPS Receiver
Hardware Specification
Product No : MR-350N
User Manual Version 1.0

GlobalSat WorldCom Corporation
16F., No. 186, Jian-Yi Road, Chung-Ho City, Taipei
Hsien 235, Taiwan
Tel: 886-2-8226-3799 Fax: 886-2-8226-3899
E-mail : [email protected]
Website: www.globalsat.com.tw
Product Description
The product includes an embedded receiver and an antenna. This receiver up to 48 tracking verification channels while providing fast time-to-first-fix, precise position updates, low power consumption, and adds the capability of Wide Area Augmentation System (WASS). The receiver
design uses the latest technology and high-level circuit integration to achieve superior performance while minimizing space and power requirements. All critical components of the system include the RF/IF receiver hardware and the digital baseband are designed and manufactured by GlobalSat to ensure the quality and capability of the GPS.
The product can be utilized in a variety of applications that require a permanent mounting configuration. With bulkhead (through-hole) mounting and a low-profile housing, It is completely self-contained and waterproof. Typical application can include marine environments, aviation, commercial use such as fire truck, police cars and utility vehicles and buses. The extended 4.5 meters cable allows for easy routing to your equipment behind, headliners and side panels and terminates to a custom PS/2 connector
Product Features
- MediaTek high sensitivity solution
- Very high sensitivity (Tracking Sensitivity: chipset -165dBm )
- Extremely fast TTFF (Time To First Fix) at low signal level
- Support NMEA 0183 data protocol
- Build in Super Cap to reserve system data for rapid satellite acquisition
- Build in patch antenna
- Support RS-232(baud rate 4800) interface
- Support Wide Area Augmentation System(WASS)
- Waterproof IPX7
Product Specification

Pin Assignment

Pin Description

* 1PPS firmware preset output: No Fix =Low / 3D Fix= Hi 1ms , Low=999ms (Hi level=1.8V).
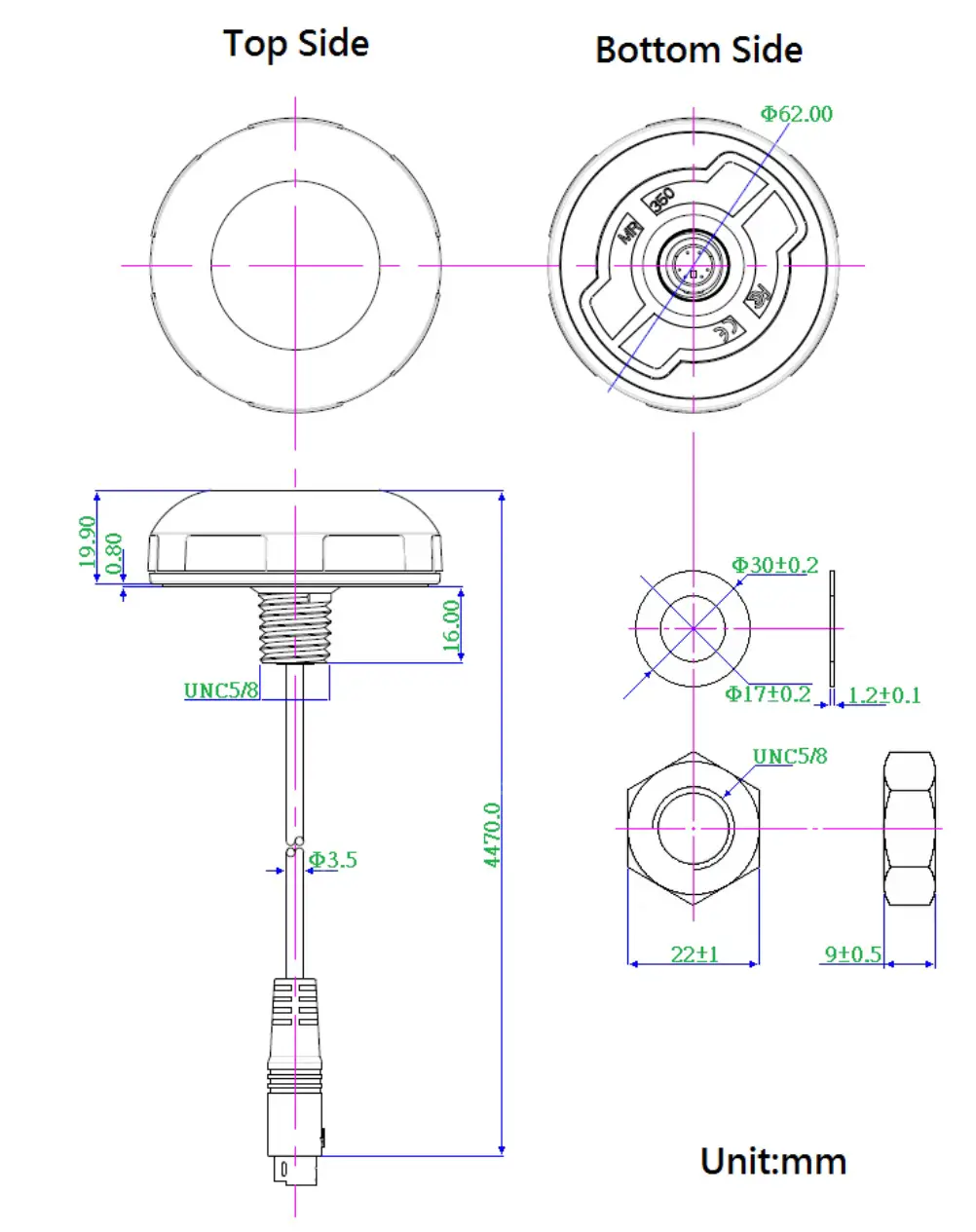
Dimensions

Reversion history



















