RVR ELETTRONICA GPSRXNV-01 Broadcast GPS Receiver

Component layouts
This part of the manual contains the technical details about the different boards of the GPSRXNV-01. This appendix is composed of the following sections:
| Description | RVR Code | Vers. | Page |
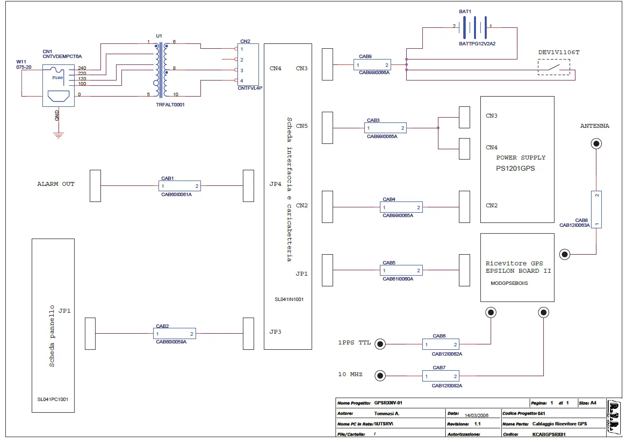
| Wiring diagrams | KCABGPSRX01 | 1.1 | 1 |
| Interface Board | SL041IN1001 | 1.0 | 3 |
| Panel Board | SL041PC1001 | 1.0 | 5 |
| Power Supply Board | PSS1201-01 | 1.0 | 7 |
| /DST10 Option | |||
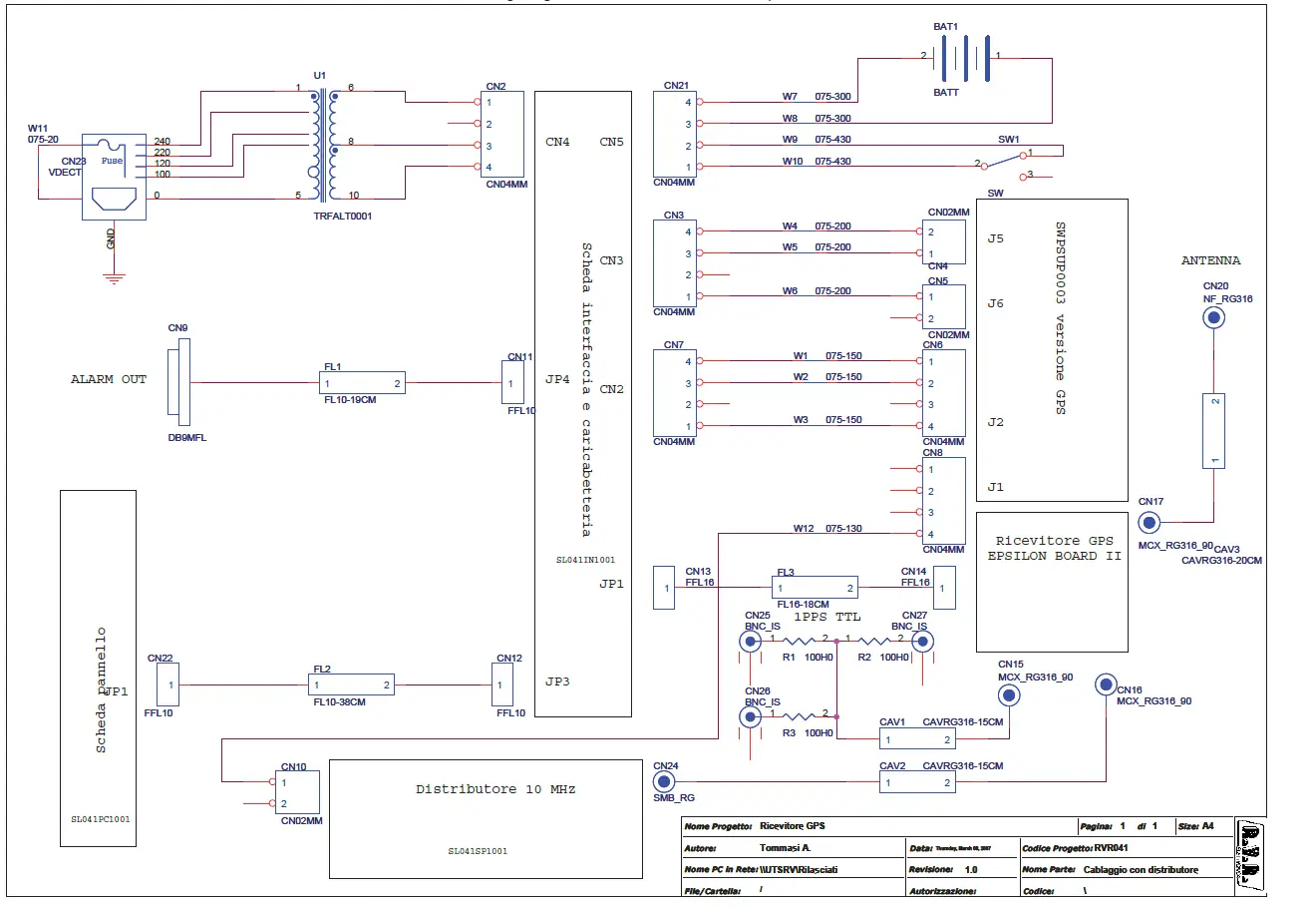
| Wiring Diagrams with 10MHz Distributor Option | / | 1.0 | 2 |
| 10MHz Distributor Board | SL041SP1001 | 1.0 | 9 |
Document History
| Date | Version | Reason | Code | Editor |
| 10/04/03 | 1.0 | First Release in A3 Format | / | J.H. Berti |
GPSRXNV-01
Wiring Diagrams

GPSRXNV-01/DST10
Wiring Diagrams with 10MHz Distributor Option

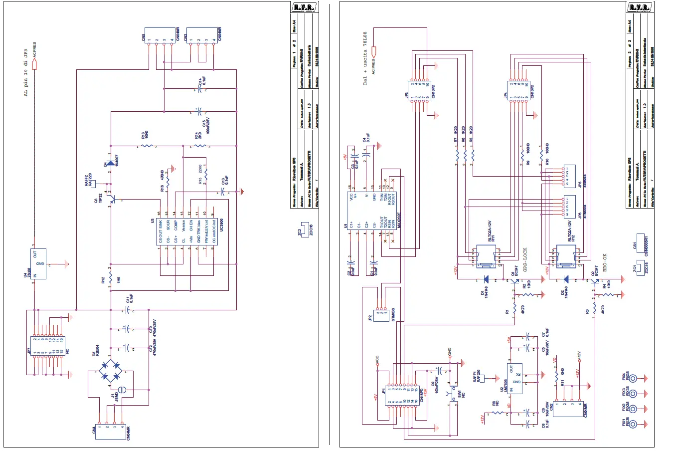
Interface Board
SL041IN1001



- Scheda interfaccia Revised: 01-08-2005
- SL041IN1001 Revision: 1.0
- Ricevitore GPS
- RVR041
- Tommasi A.
NOTE
Unire con un filo il pin 1 del 789L05 (alias pin6 di JP7 non montato) e il pin 10 di JP3 (vedi foto DSCN4331.JPG)
Panel Board
SL041PC1001


- Scheda pannello Revised: 01-08-2005
- SL041PC1001 Revision: 1.0
- Ricevitore GPS
- RVR0041
- Tommasi A
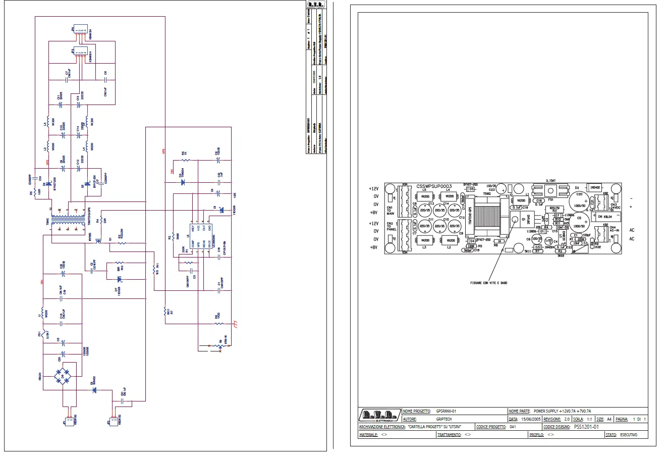
Power Supply Board
PSS1201-01


- Power Supply +12V0.7A +7V0.7A Revised: Wednesday, December 14, 2005
- PSS1201-01 Revision: 1.0
- GPSRXNV-01 41
- Grip tech
10MHz Distributor Board
SL041SP1001


- Distributore 10 MHz Revised: 06/03/2007
- SL041SP1001 Revision: 1.0
- Ricevitore GPS
- RVR-041
- Tommasi A

















