SKYDANCE KL 0/1-10V Rotary Panel Dimmer

Features
- Rotary panel 0/1-10V dimmer, 1 channel output.
- Output 1 channel 0/1-10V signal, connect with 0/1-10V dimmable driver.
- High voltage AC input, High voltage AC relay output.
- 0-10V or 1-10V output selectable by DIP switch.
- Rotate knob to change brightness, support push and long push operation.
- Compatibility with RF 2.4G dimming remote control.
Technical Parameters

Mechanical Structures and Installations

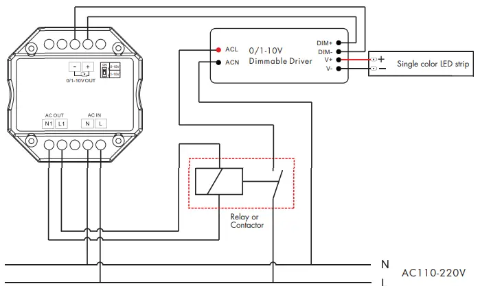
Wiring diagram
- Connect with 0/1-10V dimming driver (no use AC OUT)

- Connect with 0/1-10V dimming driver (use AC OUT)

- Connect with 0/1-10V dimming driver (use AC OUT and relay or contactor)
An additional AC relay or contactor is needed when total input current of the load is higher than 1.5A or inrush current is greater than 15A.
Knob function
- Push: Turn on or off light. After turn on light:
- Rotate: Rotate knob to adjust brightness, 2.5 turns, 50 levels.
- Long push(1-6s): Continuous 256 levels of brightness adjustment.
Match Remote Control
The 0/1-10V rotary panel dimmer can also match with the RF dimming remote (optional). End user can choose the suitable match/delete ways. Two options are offered for selection:
- Use Knob
Match:
Turn on light, turn off, immediately push the knob for 5s, and immediately press on/off key(single zone remote) or zone key(multiple zone remote) of the remote.
Delete:
Turn on light, turn off, immediately push the knob for 10s, delete all matched remotes. - Use Power Restart
Match:
Switch off the power, then switch on power, repeat again, Immediately short press on/off key (single zone remote) or zone key (multiple zone remote) 3 times on the remote. The light blinks 3 times means match is successful.
Delete:
Switch off the power, then switch on power, repeat again, Immediately short press on/off key (single zone remote) or zone key (multiple zone remote) 5 times on the remote. The light blinks 5 times means all matched remotes were deleted.
0-10V or 1-10V dimming setting
Select 0-10V dimmer or 1-10V dimmer according to the dimmable LED driver.

Note:
When the output channel is off, the output dimming signal is 0V or 1V. Please read the dimming section of the dimming driver manual. If the dimming characteristic curve is the same as right, you must select a 1-10V dimmer and use AC OUT function, otherwise, you can`t turn off the lights.
















