T18-2 1-10V Rotary Glass Panel Dimmer
User Manual
Rotary dimming/Glass panel/AC relay output/Wireless remote control
![]()
Features
- Rotary glass panel 1-10V dimmer, 1 channel output.
- Output 1 channel 1-10V signal, connect with 1-10V dimmable driver.
- High voltage AC input, High voltage AC relay output.
- Rotate knob to change brightness, support push and long push operation.
- 256 levels 0-100% dimming smoothly without any flash.
- Compatibility with RF 2.4G single zone or multiple zone dimming remote control.
- White & Black glass panel available.
Technical Parameters
| Input and Output | |
| Input voltage | AC100-240V |
| Output signal | 1-10V (50mA) |
| Output current | Max 1.5A (AC) |
| Safety and EMC | |
| EMC standard (EMC) | ETSI EN 301 489-1 V2.2.3 ETSI EN 301 489-17 V3.2.4 |
| Safety standard(LVD) | EN 62368-1:2020+A11:2020 |
| Radio Equipment(RED) | ETSI EN 300 328 V2.2.2 |
| Certification | CE,EMC,LVD,RED |
| Dimming data | |
| Input signal | Rotary knob + RF 2.4GHz |
| RF Control distance | 10m(Barrier-free space) |
| Dimming level | 256 levels |
| Dimming range | 0 -100% |
| Environment | |
| Operation temperature | Ta: -30ºC ~ +55ºC |
| Case temperature (Max.) | Tc: +65ºC |
| IP rating | IP20 |
| Warranty | |
| Warranty | 5 years |
Mechanical Structures and Installations


Typical base as below:

Installation diagram:
![]() | |||
| Uninstall | Touch panel | Baseplate | Base |
Knob function
- Push: Turn on or off light.
After turn on light: - Rotate: Rotate knob to adjust brightness, 2.5 turns, 50 levels.
- Long push(1-6s): Continuous 256 levels brightness adjustment.
Note: The default output is 1-10V, if you want to 0-10V output, please push the knob to turn off light, then push the knob for 15s immediately, the output will become 0-10V. Push the knob to turn off light, then push the knob for 10s immediately, the output will return 1-10V.
Wiring diagram
- Connect with 1-10V dimming driver (no use AC OUT)

- Connect with 1-10V dimming driver (use AC OUT)

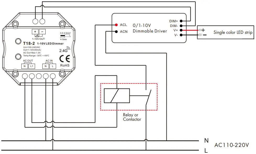
- Connect with 1-10V dimming driver (use AC OUT and relay or contactor)
An additional AC relay or contactor is needed when total input current of the load is higher than 1.5A or inrush current is greater than 15A.
Note: We recommend the number of LED drivers connected to 0/1-10V dimmer does not exceed 100 pieces, The maximum length of the wires from dimmer to LED driver should be no more than 50 meters.
Match Remote Control (two match ways)
The 1-10V rotary panel dimmer can also match with the RF dimming remote (optional).
End user can choose the suitable match/delete ways. Two options are offered for selection:
Use Knob
Match:
Turn on light, turn off, immediately push the knob for 5s, then press on/off key (single zone remote) or zone key (multiple zone remote) of the RF remote within 5s.
The LED indicator fast flash 3 times means match is successful.
Delete:
Turn on light, turn off, immediately push the knob for 10s, The LED indicator fast flash 6 times means all matched remotes were deleted.
Use Power Restart
Match:
Switch off the power, then switch on power, repeat again, Immediately short press on/off key (single zone remote) or zone key (multiple zone remote) 3 times on the remote. The light blinks 3 times means match is successful.
Delete:
Switch off the power, then switch on power, repeat again, Immediately short press on/off key (single zone remote) or zone key (multiple zone remote) 5 times on the remote. The light blinks 5 times means all matched remotes were deleted.
User Manual Ver 1.1.2


















