DAKE F10 Utility Hydraulic Press

WARNING! Read and understand all instructions and responsibilities before operating.
Failure to follow safety instructions and labels could result in serious injury.
www.dakecorp.com
[email protected]
Dake Corporation
1809 Industrial Park Dr
Grand Haven, MI 49417
www.dakecorp.com
DAKE Standard Limited Warranty
Finished Machines
Dake warrants to the original purchaser the finished machine manufactured or distributed by it to be free from defects in material and workmanship under normal use and service within 1 year (12 months) from the delivery date to the end user.
Parts
- Dake warrants to the original purchaser the component part manufactured or distributed by it to be free from defects in material and workmanship under normal use and service within 30 days from the delivery date to the end user.
- The standard limited warranty includes the replacement of the defective component part at no cost to the end user.
Sale of Service (Repairs)
- Dake warrants to the original purchaser the component part repaired by Dake Corporation at the manufacturing facility to be free from defects in material and workmanship under normal use and service within 90 days from the return date to the end user, as it pertains to the repair work completed.
- The standard limited warranty includes repair of the defective component part, at no cost to the end user.
Warranty Process
- Subject to the conditions hereinafter set forth, the manufacturer will repair or replace any portion of the product that proves defective in materials or workmanship. The manufacturer retains the sole right and option, after inspection, to determine whether to repair or replace defective equipment, parts, or components. The manufacturer will assume ownership of any defective parts replaced under this warranty.
- All requested warranty claims must be communicated to the distributor or representative responsible for the sale. Once communication has been initiated, Dake Customer Service must be contacted for approval:
- Phone: (800) 937-3253
- Email: [email protected]
When contacting Dake, please have the following information readily available:
- Model #
- Serial #
- Sales Order #
Purchasers who notify Dake within the warranty period will be issued a Case number and/or a Return Material Authorization (RMA) number. If the item is to be returned per Dake’s request, the RMA number must be clearly written on the exterior packaging. Any item shipped to Dake without an RMA will not be processed.
Warranty Exceptions
The following conditions are not applicable to the standard limited warranty:
- Part installation or machine service was not completed by a certified professional, and is not in accordance with applicable local codes, ordinances, and good trade practices.
- Defects or malfunctions resulting from improper installation or failure to operate or maintain the unit in accordance with the printed instructions provided.
- Defects or malfunctions resulting from abuse, accident, neglect, or damage outside of prepaid freight terms.
- Normal maintenance service or preventative maintenance, and the parts used in connection with such service.
- Units and parts which have been altered or repaired, other than by the manufacturer or as specifically authorized by the manufacturer.
- Alterations made to the machine that were not previously approved by the manufacturer, or that are used for purposes other than the original design of the machine.
Return & Refund Policy
– Thank you for purchasing from Dake! If you are not entirely satisfied with your purchase, we are here to help.
Returns
- All Dake manufactured / distributed machines, parts and couplings include a 30-day return option. These policies are valid from the date of final shipment to the end user. To be eligible for a return, the item must be unused and in the same condition as received.
- All requested warranty claims must be communicated to the distributor or representative responsible for the sale. Once communication has been initiated, Dake Customer Service must be contacted for approval:
- Phone: (800) 937-3253
- Email: [email protected]
- Once the return request has been approved by Customer Service, a representative will supply a Return Material Authorization (RMA) number.
- The returned item must have the provided RMA number clearly marked on the outside packaging. Any item received without an RMA number clearly visible on the packaging will not be processed.
- An RMA number can only be provided by the Dake Customer Service team and must be obtained prior to the return shipment.
Refunds
- Once the item has been received and inspected for damages, a representative will notify the requestor referencing the provided RMA number. If the return is approved, a refund will be issued to the original method of payment, less a 20% restocking fee.
- The restocking fee may be waived if an order is placed at the time of return with like-value merchandise. Transportation costs are the responsibility of the end user and will not be credited upon return approval.
- Any item that is returned after the initial 30 days or has excessive/obvious use will not be considered for a full refund.
SAFEGUARDING THE POINT OF OPERATION
Safety Requirements for Construction, Care and Use
It is important that Dake press users have a clear understanding of their responsibility involving the care and use of their Dake hydraulic press, including point-of-operation safeguards. Dake strongly recommends that Dake press users obtain a copy of the current American National Standard Institute (ANSI) B11.2 standard, for a more complete understanding of their responsibilities.
ANSI B11.2 states the following, relative to point of operation safeguarding:
“Normally, only the employer (press user) can determine the requirements of the press productions system components, including the dies and methods for feeding. Therefore, the employer is ultimately responsible to designate and provide the point-of-operation safeguarding system”.
The standard also discusses additional responsibilities of the employer. Some of the key responsibilities are:
- The employer is responsible for the safety, use and care of the hydraulic power press production system.
- The employer is responsible to consider the sources of hazards for all tasks to be implemented on the hydraulic power press production system.
- The employer is required to eliminate, or control identified hazards in the scope of their work activity.
- The employer is responsible for the training of personnel, caring for, inspecting, maintaining, and operating hydraulic press production systems to ensure their competence.
- The employer is responsible to provide and ensure that point-of-operation safeguarding is used, checked, maintained and where applicable, adjusted on ever production operation performed on a press production system.
A complete and current copy of the ANSI B11.2 standard can be obtained by contacting the following:
American National Standards Institute
1430 Broadway
New York, NY 10018
AMT – The Association for Manufacturing Technology
7901 Westpark Drive
Mclean, VA 22102
Specifications
Machine Specifications:
| 10 Ton Bench | 10 Ton Floor | 20 Ton Floor | |
| Press Type | Manual 10-ton Bench | Manual 10-ton Floor | Manual 20-ton floor |
| Cylinder Type | Single Acting | Single Acting | Single Acting |
| Max. Press Capacity | 10 Ton | 10 Ton | 20 Ton |
| Ram Diameter | 1- 1/2″ | 1- 1/2″ | 2″ |
| Ram Stroke | 6″ | 6″ | 8″ |
| Head Travel | Left / Right of center | Left / Right of center | Left / Right of center |
| Ram Travel Per Stroke | 1/8″ approx. | 1/8″ approx. | 3/16” approx. |
| Width Between Uprights | 16-3/4″ | 16-3/4″ | 23″ |
| Width Between Channels | 3″ | 3″ | 4″ |
| Max. Ram to Table | 16″ | 38″ | 39″ |
| Overall Height | 36″ | 60″ | 74″ |
| Weight | 132 lbs. | 149 lbs. | 283 lbs. |
In the space provided record the serial number and model number of the machine. This information is only found on the black Dake tag. If contacting Dake this information must be provided to assist in identifying the specific machine.
Safety Warnings
BEFORE USE, ALL SAFTEY INSTRUCTIONS MUST BE READ
- Before the PRESS is used, the instruction manual with this machine must be read and understood. This manual offers safe operation instructions. Offered below are safety instructions designed for the press and general safety instructions that apply to most machinery.
- As will all machinery there are certain hazards involved with operation and use of the machine. Using the machine with respect and caution will considerably lessen the possibility or personal injury. However, if normal safety precautions are overlooked or ignored, personal injury to the operator may result.
- This machine was designed for certain applications only. We strongly recommend that this machine NOT be modified and/or used for any application other than for which it was designed. If you have any questions relative to its application DO NOT use the machine until you contact with us and we have advised, you
Practice Safe Operation
- Keep hands out of point of operation.
- Never hold part while pressing.
- Always wear the eye protection.
- Clamp work piece or brace when pressing.
- Never place fingers in pin holes.
- Always use nose piece when pressing. Never press using the end of the ram, damage to ram or threads can occur.
- Never use a press that is not fastened securely to the floor or workbench.
- Always used table pins and accessories furnished with press.
- Always have firm footing when operating press.
- Do not use press if parts are damaged or missing. (Hoses, structural components)
This is the safety alert symbol. When you see this symbol on your press be alert to the potential for personal injury.
Employer is responsible to perform a hazard/PPE assessment before work activity.
Follow recommended precautions and safe operating practices.
Carefully read all safety messages in these instructions and on your press safety signs. Keep safety labels in good condition. Replace missing or damaged safety labels.
This machine is intended to be operated by one person. This person should be conscious of the press ram movement not only for themselves but also for persons in the immediate area of the machine.
Under no circumstances increase the leverage ratio of the press by using a longer handle or by placing a pipe over the handle. Never hammer on top of the ram.
Assembly Instructions:
10 Ton Bench Model
Step 1 (Bench Model Only): Using (2) M8 x 20mm bolts, nuts and washers install the union support to the bottom from of the upright channels. (Pump hanger bracket on the right-hand side of the upright.) The union support is to face outward. See drawing below.

Step 2: Carefully stand the unit upright. Making sure all components are square to each other, tightenall nuts and bolts securely.
Step 3: Mount the head ram transverse plates. The side with two bars welded to them go inside theframe, with the threaded plate on the bottom. Using 10mm x 120 mm bolts, washers, and nuts,tighten only enough to allow plate to travel.

Step 4:
- With press standing upright and all bolts tightened install the worktable. Insert two table pins inthe two lowest holes.
- Take the worktable and tilt it at a sharp angle and insert it in the uprights.
- NOTE: The gussets welded to the table are at slight angles. The narrowest dimension of these gussets goes down. See drawing below for guidance. (Step 1) Once worktable is in theuprights turn it level and lower down and set it on the table pins. (Step 2)
- Take care when doing this, a helper would be advised.

Step 5:
- Locate the cylinder and remove the plastic protective cap on the end of the ram. (If applicable)Carefully screw the cylinder from the top into the head traverse ram plate. Screw this in as tightas possible while keeping the cylinder’s hydraulic hose fitting facing to the right or pump side.
- NOTE: Cylinder may not be totally tight while keeping the fitting facing this way, but it will not affect the presses operation
- Using Teflon tape install the gauge to the top of the cylinder facing forward. When gauge and hose fittings is in correct position, install the spanner nut on the bottom of cylinder and snugup.

10 / 20 Ton Floor Model
Step 1: Install the union support to the inside of the upright channels and base angles, using the 4 of the M8 x 25mm bolts, nuts and washers provided.
Step 2: Place union support in-between the channels and install the 2 base angles to the frame through the union support and install nuts. Base angles face outward (See drawing below) Hand tighten.
Step 3:
- Carefully stand the unit upright. Making sure all components are square to each other, tighten all nuts and bolts securely.
- Install pump mounting plate on the side of the upright channel using the 3 M10 x 25mm bolts, nuts, and washers.
Step 4: This step is installing the Mount Head Ram Traverse Plates. The side with two bars welded to the plate go inside the frame with the thick threaded plate on the bottom side
Step 5: Using two 10mm x 120 mm bolts, washers, and nuts, snug only enough to allow plate to travel.

Step 6: Install the pumping device to the mounting plate using 2 M10 x 25mm bolts, nuts, and washers. Make sure pump is aligned in the center on this mounting plate for proper installation.
Step 7: With press standing upright and all bolts tightened install the worktable. Insert two table pins in the two lowest holes. Take the worktable and tilt it at a sharp angle and insert it in the uprights. (NOTE: The gussets welded to the table are at slight angles. The narrowest dimension of these gussets goes down. See drawing) (Step 1) Once worktable is in the uprights turn it level and lower down and set it on the table pins. (Step 2) Take care when doing this, a helper would be advised.

Operation
Procedure
- Always use the supplied nose pieces. The flat nose piece will be good for most pressing and flattening operations. The step style nose piece will work well for pressing bearing, bushing and parts that have a hole that the nose piece will fit into. This nose piece will help support or hold the piece during pressing operations.
- There are two table plates that should always be used as a backing plate during pressing operations. You will find notches in these table plates to allow you to use the press as a straightening press for axles, shafts, etc. and most round stock.
- When using your press always use the highest table setting to minimize the stroke distance of the ram.
NOTE: Only use supplied table pins. Do not weld or pin table.
- Once a part is put in the press and is clamped or braced securely, close the pumping unit release valve handle. (Clockwise).
- Pump the handle to lower the ram. Pump until pressing operation is completed. If you need to maintain pressure leave the valve on the pumping unit closed.
- When operation is complete, turn the valve counterclockwise to release pressure and raise the ram. Once the ram has been raising just above the work close valve again and repeat operation on the next part. There is no need to raise the ram all the way to the top each time.
- If pressing application requires a certain tonnage, press until the gauge reads the appropriate tonnage then stop. Release pressure and repeat operation.
NOTE: Never pump the ram down fully and dead head the ram in the cylinder. Only build pressure when using the table plates or a part is being pressed. Failure to do this may cause ram seal damage and leaking.
If the application requires off center pressing, loosen the head ram traverse plate bolts and slide head left or right to the area where pressing is required. You may now proceed with the operation. When head is returned to the center position snug these bolts up to prevent unexpected movement.

How to Add Fluid to Hydraulic Pump:
- Retract the ram that is connected to the pump.
- Place the pump on a smooth, level surface so that that handle is in the up position.
- Remove filler plug (small plug near the top).
- Lift the plug end of the pump 3/8 to 3/4 of an inch off the ground to properly fill the reservoir.
- Replace the plug to ensure quality sealing.
- Reinstall pump on press.
- Open the valve and pump continuously to properly bleed the system.
Trouble Shooting
Question: Oil leaking around the ram?
Solution: Secure the ram under pressure for 1 hour. This is a cause of a bad seal.
Question: Ram is jerky or sluggish?
Solution: With the valve open, repeatedly pump the handle to allow air to be released from the lines.
Question: Ram does not return to the starting position at the top of the stroke?
Solution: Open and close the valve multiple times. If no progress has been made, the return spring may have failed.
Question: What should I do if the pump will not build pressure?
Solution: Check and see if the valve is at the completely at the closed position.
Check oil fluid level. If low, add fluid and bleed to maximize efficiency.
Question: The pressure gauge on the press is leaking.
Solution: Apply thread sealer (Teflon Tape) with the flow threads on the gauge. Do not apply the Teflon Tape against the threads, this will not allow the gauge to seal properly.
Question: Leaking oil around the hoses?
Solution: Make sure to check all fittings. Tighten if they are loose, and check for any damage on the hose itself.
Question: The press will not reach the maximum allowable tonnage?
Solution: Check the valve to make sure it is fully in the closed position. You may have to bleed the system to maximize efficiency.
Question: The press will not hold pressure?
Solution: Check the valve and make sure it is in the closed position. Some cases, press will naturally bleed itself. If not, bleed the system.
Gauge Conversions
10 Ton
| 10 Ton | ||
| 45MM Bore = 1.77 Inch Bore | ||
| Tons | Bar | PSI(lbs/in2) |
| 1 | 55 | 799 |
| 2 | 110 | 1598 |
| 3 | 165 | 2397 |
| 4 | 220 | 3196 |
| 5 | 275 | 3996 |
| 10 | 551 | 7992 |
20 Ton:
| 20 Ton | |||
| 65MM Bore = 2.56 Inch Bore | |||
| Tons (1-10) | PSI (lbs/in2) | Tons (11- 20) | PSI (lbs/in2) |
| 1 | 388.86 | 11 | 4277.51 |
| 2 | 777.73 | 12 | 4666.38 |
| 3 | 1166.59 | 13 | 5055.25 |
| 4 | 1555.46 | 14 | 5444.11 |
| 5 | 1944.32 | 15 | 5832.97 |
| 6 | 2333.19 | 16 | 6221.84 |
| 7 | 2722.06 | 17 | 6610.70 |
| 8 | 3110.92 | 18 | 6999.57 |
| 9 | 3493.78 | 19 | 7388.43 |
| 10 | 3888.65 | 20 | 7777.30 |
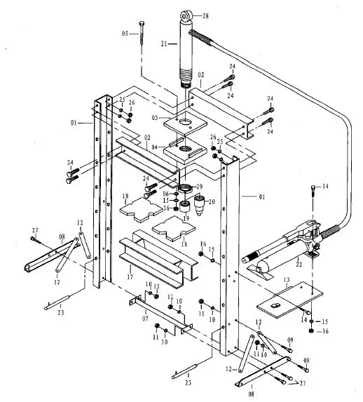
Parts List
10 Ton Bench Press:


| 10 Ton Bench Press Parts List | |||
| Ref # | Part # | Description | Quantity |
| 1 | 301139 | Frame Upright Channel | 2 |
| 2 | 301138 | Head Frame Channel | 2 |
| 3 | 301137 | Head Ram Traverse Plate | 1 |
| 4 | 301136 | Bolt M12 x 110mm | 6 |
| 5 | 301135 | Lock washer 12mm | 6 |
| 6 | 301134 | Nut M12 x 4 | 6 |
| 7 | 301132 | Union Support | 1 |
| 8 | 301131 | Base Angle | 2 |
| 9 | 301130 | Bolt M8 x 20 | 6 |
| 10 | 301129 | Lock Washer 8mm | 6 |
| 11 | 301128 | Nut M8 | 6 |
| 12 | 301127 | Flat Nose Piece | 1 |
| 13 | 301126 | Step Nose Piece | 1 |
| 14 | 301125 | Table Pin | 2 |
| 15 | 301124 | Table Plate | 2 |
| 16 | 301123 | Worktable | 1 |
| 17 | 301122 | Ram / Cylinder | 1 |
| 17A | 302382 | Cylinder Spring | 1 |
| 18 | 301121 | Pump Unit | 1 |
| 19 | 301133 | Head Ram Traverse Plate | 1 |
| 20 | 301150 | Bolt M10 x 140 | 2 |
| 21 | 302277 | Washer 10mm | 2 |
| 22 | 301149 | Lock Washer 10mm | 2 |
| 23 | 301141 | Nut 10mm | 2 |
| 24 | 302019 | Gauge (Original) | 1 |
| 25 | 302276 | Ring | 1 |
| Items Not Shown | |
| Part # | Description |
| 302318 | Cylinder Seal kit |
| 302382 | Spring for cylinder |
| 302310 | Fitting Nipple |
| 302309 | Fitting Coupler |
| 302554 | Pump repair kit |
| 302508 | Hydraulic hose w/Coupling |
| 302019 | 10 Ton Gauge |
| 302019C | 10 Ton Certified Gauge |
| 302596 | 0-5000lbs. Gauge |
| 302777 | Max Hand Gauge 1-10 Ton |
10 Ton Floor Utility Press:

| 10 Ton Floor Press Parts List | ||||
| Ref # | Part # | Description | Quantity | |
| 1 | 301154 | Frame Upright Channel | 2 | |
| 2 | 301153 | Head Frame Channel | 2 | |
| 3 | 301152 | Head Ram Traverse Plate (Upper) | 1 | |
| 4 | 300151 | Head Ram Traverse Plates (Lower) | 1 | |
| 5 | 301150 | Bolt M10 x 120mm | 2 | |
| 6 | 301149 | Lock Washer 10mm | 2 | |
| 7 | 301148 | Union Support | 1 | |
| 8 | 301147 | Base Angle | 2 | |
| 9 | 301146 | Bolt M8 x 25 | 12 | |
| 10 | 301129 | Lock Washer 8mm | 12 | |
| 11 | 301128 | Nut M8 | 12 | |
| 12 | 301145 | Angle Support Strap | 4 | |
| 13 | 301144 | Pump Support Bracket | 1 | |
| 14 | 301143 | Bolt M10 x 25 | 5 | |
| 15 | 301142 | Lock Washer 10mm | 4 | |
| 16 | 301141 | Nut M10 | 4 | |
| 17 | 301123 | Worktable | 1 | |
| 18 | 301124 | Table Plate | 2 | |
| 19 | 301127 | Flat Nose Piece | 1 | |
| 20 | 301126 | Step Nose Piece | 1 | |
| 21 | 301140 | Ram / Cylinder | 1 | |
| 21A | 302383 | Cylinder Spring | 1 | |
| 22 | 301121 | Pumping Unit | 1 | |
| 23 | 301125 | Table Pin | 2 | |
| 24 | 301136 | Bolt M12 x 110mm | 4 | |
| 25 | 301135 | Lock Washer 12mm | 4 | |
| 26 | 301134 | Nut M12 | 4 | |
| 27 | 302274 | Bolt M8 x 25 | 4 | |
| 28 | 302019 | Gauge (Original) | 1 | |
| 29 | 302275 | Ring | 1 | |
| Additional Parts Not Shown | ||||
| Part # | Description | |||
| 302318 | Seal Kit | |||
| 302383 | Cylinder Spring (21A) | |||
| 302310 | Fitting Nipple | |||
| 302309 | Fitting Coupler | |||
| 302554 | Pump Repair kit | |||
| 302508 | Hydraulic Hose w/Coupling | |||
| 302019 | 10 Ton Gauge | |||
| 302019C | 10 Ton Certified Gauge | |||
| 302596 | 0-5000lbs. Gauge | |||
| 302777 | Max Hand Gauge 1-10 Ton | |||
20 Ton Floor Utility Press:

| 20 Ton Floor Press Parts List | |||
| Ref # | Dake Part # | Description | Quantity |
| 1 | 303183 | Frame Upright Channel | 2 |
| 2 | 303184 | Ram Cylinder | 2 |
| 3 | 303208 | Head Frame Channel | 2 |
| 4 | 303204 | Bolt M18 x 140mm | 4 |
| 5 | 303203 | Lock Washer 18mm | 4 |
| 6 | 303205 | Nut 18mm | 4 |
| 7 | 303186 | Union Support | 1 |
| 8 | 303207 | Base Angle | 2 |
| 9 | 301146 | Bolt M8 x 25mm | 10 |
| 10 | 301129 | Lock Washer 8mm | 12 |
| 11 | 301128 | Nut 8mm | 12 |
| 12 | 301145 | Angle Support Strap | 4 |
| 13 | 301144 | Pump Support Bracket | 1 |
| 14 | 301143 | Bolt M10 x 25mm | 3 |
| 15 | 301142 | Lock Washer 10mm | 3 |
| 16 | 301141 | Nut 10mm | 3 |
| 17 | 303187 | Spanner Nut | 1 |
| 18 | 303202 | Head Traverse Plate | 1 |
| 20 | 303192 | 2 Stage Pumping Unit | 1 |
| 21 | 303194 | Table Pin | 2 |
| 22 | 303197 | Table | 1 |
| 23 | 78754 | Bolt M12 x 30mm | 4 |
| 24 | 301135 | Washer 12mm | 4 |
| 25 | 301134 | Nut 12mm | 4 |
| 26 | 303193 | Pressing plates | 2 |
| 27 | 303198 | Gauge | 1 |
| 28 | 78786 | Bolt M8 x 30mm | 2 |
| 29 | 303206 | Washer 8mm | 2 |
| Items Not Shown | |
| Part # | Description |
| 303199 | Seal Kit |
| 303200 | Cylinder Spring |
| 302310 | Fitting Nipple |
| 302309 | Fitting Coupler |
| 303201 | Pump Repair Kit |
| 302508 | Hydraulic Hose w/Coupling |
| 303191 | Flat Nose Piece |
| 303190 | Stepped Nose Piece |
Order Information
- Please contact factory for current prices
- Parts are available for direct purchase from Dake or through a distributor. When placing a parts order, you will need to provide the part number, name of part, and model number. All parts shipped F.O.B. Factory in Grand Haven, MI.
- If a customer has any questions or concerns regarding a Dake product that was purchased, please email customer service at [email protected]




















