DAKE X Single Leverage Arbor Press Instruction

DAKE STANDARD LIMITED WARRANTY
- Finished Machines Dake warrants to the original purchaser the finished machine manufactured or distributed by it to be free from defects in material and workmanship under normal use and service within 1 year (12 months) from the delivery date to the end user.
- Parts Dake warrants to the original purchaser the component part manufactured or distributed by it to be free from defects in material and workmanship under normal use and service within 30 days from the delivery date to the end user. The standard limited warranty includes the replacement of the defective component part at no cost to the end user.
- Sale of Service (Repairs) Dake warrants to the original purchaser the component part repaired by Dake Corporation at the manufacturing facility to be free from defects in material and workmanship under normal use and service within 90 days from the return date to the end user, as it pertains to the repair work completed. The standard limited warranty includes repair of the defective component part, at no cost to the end user.
Warranty Process Subject to the conditions hereinafter set forth, the manufacturer will repair or replace any portion of the product that proves defective in materials or workmanship. The manufacturer retains the sole right and option, after inspection, to determine whether to repair or replace defective equipment, parts or components. The manufacturer will assume ownership of any defective parts replaced under this warranty.
All requested warranty claims must be communicated to the distributor or representative responsible for the sale.
Once communication has been initiated, the Warranty Representative at Dake Customer Service must be contacted for approval:
- Phone: (800) 937-3253
Email: [email protected] - When contacting Dake, please have the following information readily available: – Model # – Serial # – Sales Order #
Purchasers who notify Dake within the warranty period will be issued a Case number and/or a Return Material Authorization (RMA) number. If the item is to be returned per Dake’s request, the RMA number must be clearly written on the exterior packaging. Any item shipped to Dake without an RMA will not be processed.
Warranty Exceptions
The following conditions are not applicable to the standard limited warranty
- Part installation or machine service was not completed by a certified professional, and is not in accordance with applicable local codes, ordinances and good trade practices.
- Defects or malfunctions resulting from improper installation or failure to operate or maintain the unit in accordance with the printed instructions provided.
- Defects or malfunctions resulting from abuse, accident, neglect or damage outside of prepaid freight terms.
- Normal maintenance service or preventative maintenance, and the parts used in connection with such service.
- Units and parts which have been altered or repaired, other than by the manufacturer specifically authorized by the manufacturer.
- Alterations made to the machine that were not previously approved by the manufacturer, or that are used for purposes other than the original design of the machine.
RETURN & REFUND POLICY
Thank you for purchasing from Dake! If you are not entirely satisfied with your purchase, we are here to help.
Returns All Dake manufactured/distributed machines and parts include a 30-day return option. These policies are valid from the date of final shipment to the end user. To be eligible for a return, the item must be unused and in the same condition as received. All requested warranty claims must be communicated to the distributor or representative responsible for the sale. Once communication has been initiated, Dake Customer Service must be contacted for approval by the distributor or representative: Phone: (800) 937-3253 Email: [email protected] Once the return request has been approved by Customer Service, a representative will supply a Return Material Authorization (RMA) number. The returned item must have the provided RMA number clearly marked on the outside packaging. Any item received without an RMA number clearly visible on the packaging will not be processed. An RMA number can only be provided by the Dake Customer Service team and must be obtained prior to the return shipment. The item must be shipped and received back to Dake within 30 days from being issued the RMA number, or the return will be void and nonreturnable.
Refunds Once the item has been received and inspected for damages, a representative will notify the requestor referencing the provided RMA number. If the return is approved, a refund will be issued to the original method of payment, less a 20% restocking fee. The restocking fee may be waived if an order is placed at the time of return with like-value merchandise. Transportation costs are the responsibility of the end user and will not be credited upon return approval. Any item that is returned after the initial 30 days or has excessive/obvious use will not be considered for a full refund.
DAKE STANDARD TERMS & CONDITIONS OF SALE
All proposals and quotations for the original sale of our products are subject to the following terms and conditions:
- ACCEPTANCE OF ORDER: All orders are subject to acceptance by Dake at its main office in Grand Haven, Michigan.
- APPLICABLE LAWS: This quotation or acceptance shall be governed in all respects by the laws of the State of Michigan.
- CANCELLATION: We reserve the right to cancel and/or refuse to complete your order if, in our opinion, you have not established credit to promptly meet the payment terms of your order. Any cancellation from the Purchaser may be subject to a 10% cancellation fee for any of our standard machinery and/or component parts upon the discretion of Dake. All non-standard or special quotes will not be eligible for cancellation, nor returns.
- DELIVERY: The proposed shipment date is an estimate and is contingent upon causes beyond Dake’s control. Under no circumstances shall Dake have any liability for loss of use or for any direct or consequential damages resulting from delay. All shipments from the Dake facilities are F.O.B.
- FREIGHT CLAIM: Lost or damage freight claims must be submitted to Dake within thirty (30) days of shipment from Dake’s facility. If shipment for order was set up by the Purchaser, Dake is not liable to handle the freight claims.
- PERMITS AND COMPLIANCE: Dake shall not be responsible for obtaining any permits, inspections, certifications, or licenses required for the installation or use of the equipment. Dake makes no promise or representation that the equipment or any services to be furnished by Dake will conform to any federal, state, or local laws, ordinances, regulations, codes or standards.
- PRICES: Unless otherwise agreed to in writing, all prices are F.O.B. from our plants in Grand Haven, Michigan, Grand Prairie, Texas, and Riverside, CA. In any event, the quoted prices for component parts become invalid ten (10) days after date of quotation, and machinery may become invalid sixty (60) days after date of quotation. Unless otherwise specified in Dake’s quotation, installation services and final on-site adjustments are not included in the quotation.
- TAXES: Prices do not include taxes. If any sales, use or similar tax is payable to Dake in connection with any transaction or part thereof between the Purchaser and Dake with respect to goods delivered, the Purchaser will, upon demand, pay to Dake the amount of any such tax. If you are tax exempt, please include your exemption document when submitting your order.
- TERMS OF PAYMENT: Terms of payment are as stated in Dake’s quotation subject to credit approval by our home office. Dake will invoice Purchaser when the equipment is completed and ready for shipment. Payment terms run from invoice date. Purchaser may be required to issue a down payment before production of order, at the discretion of Dake Accounting. For credit card purchases, a 2% processing fee may be applicable to the order. The following states are exempt from the 2% processing fee: CA, CO, KS, OK, TX, FL, NY, CT, MA, and ME.
- WARRANTY: If, within a period of one (1) year from date of shipment of the original order, any part of any equipment sold by Dake is defective in material or workmanship and is so found after inspection by Dake, it will be replaced or repaired at the option of Dake, providing the equipment has been given normal and proper usage and is still the property of the original Purchaser. Purchased components such as Micro Drop mist system or the like, installed as a part of Dake equipment are warranted only to the extent of the original Manufacturer’s warranty. Dake is not responsible for any service work performed unless authorized in advance.
THE FOREGOING WARRANTY IS EXCLUSIVE AND IN LIEU OF ALL OTHER WARRANTIES WHETHER WRITTEN, ORAL, OR IMPLIED (INCLUDING ANY WARRANTY OF MERCHANTABILITY OR FITNESS FOR PARTICULAR PURPOSE). UNDER NO CIRCUMSTANCES SHALL DAKE BE LIABLE FOR ANY INCIDENTAL OR CONSEQUENTIAL DAMAGES
SPECIFICATIONS
| Model | X | Max ram to table | 4-1/2” | |
| Number | 901001 | Capacity over table | 4-1/2” | |
| Capacity | 1 ton | Base length | 9-1/2” | |
| Leverage ration | 25:1 | Base width | 4-1/4” | |
| Ram size | 1” x 1” x 7-1/2” | Height | 9” | |
| Max diameter work | 7” | Weight | 25 lbs | |
| Throat | 3-1/2” | |||
SAFETY

This is the safety alert symbol. When you see this symbol on your press be alert to the potential for personal injury. Employer is responsible to perform a hazard/PPE assessment before work activity.
Follow recommended precautions and safe operating practices.
Carefully read all safety messages in these instructions and on your press safety signs. Keep safety labels in good condition. Replace missing or damaged safety labels. This machine is intended to be operated by one person. This person should be conscious of the press ram movement not only for themselves but also for persons in the immediate area of the machine. Under no circumstances increase the leverage ratio of the press by using a longer handle or by placing a pipe over the handle. Never hammer on top of the ram.
MAINTENANCE
LUBRICATION
- Keep all working parts of the press well-oiled for easier operation.
- Keep a light film of oil over the entire surface of the ram to prevent rust.
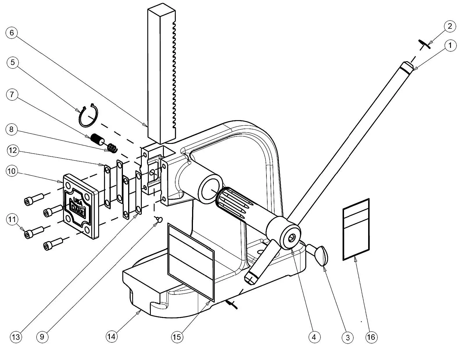
EXPLODED VIEW & PARTS LIST
EXPLODED PARTS VIEW
PARTS LIST
| Item | Part Name | Part Number | Qty |
| 1 | Handle | 110 | 1 |
| 2 | Retaining Ring (National lock washer number XRC-327) | 43965 | 2 |
| 3 | Thumb Screw (3/8”-16 x 3/4”) | 43622 | 1 |
| 4 | Spindle | 111 | 1 |
| 5 | Retaining Ring | 67424 | 1 |
| 6 | Ram | 109 | 1 |
| 7 | Headless Set Screw (3/8”-16 x 3/8”) | 43586 | 1 |
| 8 | Brake Spring | 108 | 1 |
| 9 | Tinners Rivet | 43577 | 1 |
| 10 | Ram cap | 103 | 1 |
| 11 | Hex Cap Screw (1/4”-20 x 3/4”) | 43304 | 4 |
| 12 | Ram Cap Shim (.008”) | 106 | 2 |
| 13 | Ram Cap Shim (.015”) | 107 | 2 |
| 14 | Frame | 14310 | 1 |
| 15 | Warning Label – Ganged | 300168 | 1 |
| 16 | Warning Label – Tipping | 79979 | 1 |
Please contact factory for current prices.
ORDERING INFORMATION
Parts are available for direct purchase from Dake or through a distributor. When placing a parts order, you will need to provide the part number, name of part, and model number. All parts shipped F.O.B. Factory in Grand Haven, MI.




















