DAKE 1-2B Ratchet Lever Arbor Press
DAKE STANDARD TERMS & CONDITIONS OF SALE
All proposals and quotations for the original sale of our products are subject to the following terms and conditions:
ACCEPTANCE OF ORDER:
All orders are subject to acceptance by Dake at its main office in Grand Haven, Michigan.
APPLICABLE LAWS:
This quotation or acceptance shall be governed in all respects by the laws of the State of Michigan.
CANCELLATION:
We reserve the right to cancel and/or refuse to complete your order if, in our opinion, you have not established credit to promptly meet the payment terms of your order. Any cancellation from the Purchaser may be subject to a 10% cancellation fee for any of our standard machinery and/or component parts upon the discretion of Dake. All non-standard or special quotes will not be eligible for cancellation, nor returns.
DELIVERY:
The proposed shipment date is an estimate and is contingent upon causes beyond Dake’s control. Under no circumstances shall Dake have any liability for loss of use or for any direct or consequential damages resulting from delay. All shipments from the Dake facilities are F.O.B.
FREIGHT CLAIM:
Lost or damage freight claims must be submitted to Dake within thirty (30) days of shipment from Dake’s facility. If shipment for order was set up by the Purchaser, Dake is not liable to handle the freight claims.
PERMITS AND COMPLIANCE:
Dake shall not be responsible for obtaining any permits, inspections, certifications, or licenses required for the installation or use of the equipment. Dake makes no promise or representation that the equipment or any services to be furnished by Dake will conform to any federal, state, or local laws, ordinances, regulations, codes or standards.
PRICES:
Unless otherwise agreed to in writing, all prices are F.O.B. from our plants in Grand Haven, Michigan, Grand Prairie, Texas, and Riverside, CA. In any event, the quoted prices for component parts become invalid ten (10) days after date of quotation, and machinery may become invalid sixty (60) days after date of quotation. Unless otherwise specified in Dake’s quotation, installation services and final on-site adjustments are not included in the quotation.
TAXES: Prices do not include taxes. If any sales, use or similar tax is payable to Dake in connection with any transaction or part thereof between the Purchaser and Dake with respect to goods delivered, the Purchaser will, upon demand, pay to Dake the amount of any such tax. If you are tax exempt, please include your exemption document when submitting your order.
TERMS OF PAYMENT:
Terms of payment are as stated in Dake’s quotation subject to credit approval by our home office. Dake will invoice Purchaser when the equipment is completed and ready for shipment. Payment terms run from invoice date. Purchaser may be required to issue a down payment before production of order, at the discretion of Dake Accounting. For credit card purchases, a 2% processing fee may be applicable to the order. The following states are exempt from the 2% processing fee: CA, CO, KS, OK, TX, FL, NY, CT, MA, and ME.
WARRANTY:
If, within a period of one (1) year from date of shipment of the original order, any part of any equipment sold by Dake is defective in material or workmanship and is so found after inspection by Dake, it will be replaced or repaired at the option of Dake, providing the equipment has been given normal and proper usage and is still the property of the original Purchaser. Purchased components such as Micro Drop mist system or the like, installed as a part of Dake equipment are warranted only to the extent of the original Manufacturer’s warranty. Dake is not responsible for any service work performed unless authorized in advance.
THE FOREGOING WARRANTY IS EXCLUSIVE AND IN LIEU OF ALL OTHER WARRANTIES WHETHER WRITTEN, ORAL, OR IMPLIED (INCLUDING ANY WARRANTY OF MERCHANTABILITY OR FITNESS FOR PARTICULAR PURPOSE). UNDER NO CIRCUMSTANCES SHALL DAKE BE LIABLE FOR ANY INCIDENTAL OR CONSEQUENTIAL DAMAGES.
SPECIFICATIONS
| Model | 1-1/2 | 1-1/2B | 1-3/4 |
| Number | 902001 | 902002 | 902007 |
| Capacity | 3 tons | 3 tons | 3 tons |
| Leverage ration | 48:1 | 48:1 | 48:1 |
| Ram size | 1-1/4” x 1-1/4” x 16-1/2” | 1-1/4” x 1-1/4” x 24-1/2” | 1-1/4” x 1-1/4” x 16-1/2” |
| Max diameter work | 14” | 14” | 14” |
| Throat | 7” | 7” | 7” |
| Largest arbor | 2” | 2” | 2” |
| Capacity over table | 11-1/2” | 18-1/4” | 11-1/2” |
| Capacity over table plate | 10-3/4” | 17-1/2” | 10-3/4” |
| Base length | 18” | 21” | n/a |
| Base width | 7-1/4” | 8-1/4” | n/a |
| Height | 19” | 28” | 24-3/8” |
| Weight | 145 lbs | 196 lbs | 125 lbs |
SAFETY
This is the safety alert symbol. When you see this symbol on your press be alert to the potential for personal injury.Employer is responsible to perform a hazard/PPE assessment before work activity.
Follow recommended precautions and safe operating practices.
- Carefully read all safety messages in these instructions and on your press safety signs. Keep safety labels in good condition. Replace missing or damaged safety labels.
- This machine is intended to be operated by one person. This person should be conscious of the press ram movement not only for themselves but also for persons in the immediate area of the machine.
- Under no circumstances increase the leverage ratio of the press by using a longer handle or by placing a pipe over the handle. Never hammer on top of the ram.
HANDLE POSITION 
CAUTION:
NEVER PULL THE PRESS HANDLE PAST THE HORIZONTAL POSITION! To avoid personal injury and damaging the press only pull until the handle is horizontal, then return the handle back up as far as it allows before bringing the handle back down. This ensures that the pawl fully engages with the gear teeth to prevent tooth damage and gear slippage that can cause harm to the machine and worker. Examples above show the proper minimum and maximum handle positions.
OPERATION
- Handwheel: The handwheel (item 18) can be turned to raise or lower the ram to and from the workpiece without exerting force on the workpiece.
- Handle: The handle (item 9) can be used to lower the ram to exert force onto the workpiece. See safety instructions for more information on handle position.
MAINTENANCE
LUBRICATION
- Keep all working parts of the press well-oiled for easier operation.
- Keep a light film of oil over the entire surface of the ram to prevent rust.
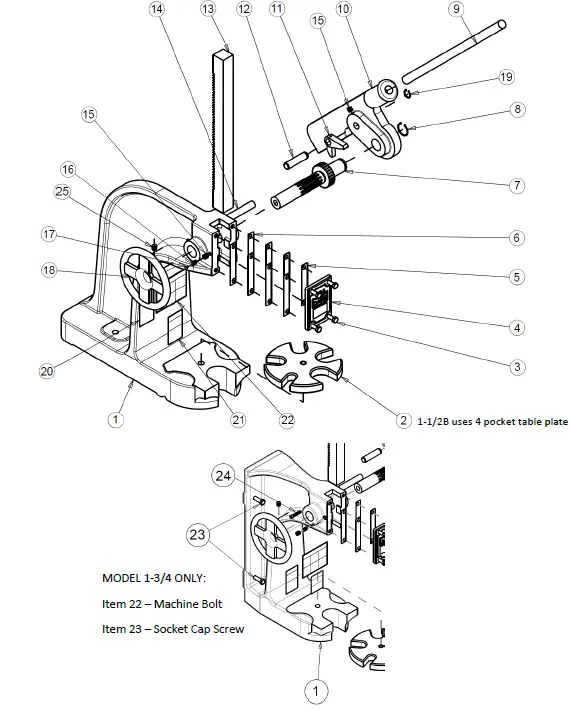
EXPLODED VIEW & PARTS LIST
EXPLODED PARTS VIEW
MODEL 1-1/2 PARTS LIST
| Item | Part Name | Part Number | Qty |
| 1 | Frame | 172 | 1 |
| 2 | Table Plate Assembly | 700807 | 1 |
| 3 | Screw (5/16”-18 x 1”) | 43315 | 4 |
| 4 | Ram Cap | 142 | 1 |
| 5 | Ram Cap Shim (.015”) | 146 | 6 |
| 6 | Ram Cap Shim (.008”) | 145 | 2 |
| 7 | Spindle | 180 | 1 |
| 8 | Retaining Ring | 67424 | 1 |
| 9 | Handle | 179 | 1 |
| 10 | Lever Weight | 176 | 1 |
| 11 | Pawl | 177 | 1 |
| 12 | Pawl Pin | 175 | 1 |
| 13 | Ram | 147 | 1 |
| 13SS | Stainless Steel Ram | 147SS | 1 |
| 14 | Rest Pin | 174 | 1 |
| 15 | 3/8-16 x 5/8, Cup Point Screw | 43589 | 3 |
| 16 | Brake Spring | 108 | 1 |
| 17 | Tinners Rivet | 43577 | 1 |
| 18 | Handwheel | 167 | 1 |
| 19 | Retaining Ring | 30577 | 1 |
| 20 | Warning Label – Pinch Point | 87130 | 1 |
| 21 | Warning Label – Tipping | 79979 | 1 |
| 22 | Warning Label – Ganged | 300168 | 1 |
| 25 | 3/8-16 x 5/8 Cone Point Screw | 302429 | 1 |
| N/A | Optional Speed Handle | 87182 | 1 |
Please contact factory for current prices.
ORDERING INFORMATION
Parts are available for direct purchase from Dake or through a distributor. When placing a parts order, you will need to provide the part number, name of part, and model number. All parts shipped F.O.B. Factory in Grand Haven, MI.
Dake Corporation 1809 Industrial Park Dr Grand Haven, MI 49417 www.dakecorp.com
DAKE STANDARD LIMITED WARRANTY
Finished Machines
Dake warrants to the original purchaser the finished machine manufactured or distributed by it to be free from defects in material and workmanship under normal use and service within 1 year (12 months) from the delivery date to the end user.
Parts
Dake warrants to the original purchaser the component part manufactured or distributed by it to be free from defects in material and workmanship under normal use and service within 30 days from the delivery date to the end user. The standard limited warranty includes the replacement of the defective component part at no cost to the end user.
Sale of Service (Repairs)
Dake warrants to the original purchaser the component part repaired by Dake Corporation at the manufacturing facility to be free from defects in material and workmanship under normal use and service within 90 days from the return date to the end user, as it pertains to the repair work completed. The standard limited warranty includes repair of the defective component part, at no cost to the end user.
Warranty Process
Subject to the conditions hereinafter set forth, the manufacturer will repair or replace any portion of the product that proves defective in materials or workmanship. The manufacturer retains the sole right and option, after inspection, to determine whether to repair or replace defective equipment, parts or components. The manufacturer will assume ownership of any defective parts replaced under this warranty. All requested warranty claims must be communicated to the distributor or representative responsible for the sale. Once communication has been initiated, the Warranty Representative at Dake Customer Service must be contacted for approval:
- Phone: (800) 937-3253
- Email: [email protected]
When contacting Dake, please have the following information readily available: – Model # – Serial # – Sales Order # Purchasers who notify Dake within the warranty period will be issued a Case number and/or a Return Material Authorization (RMA) number. If the item is to be returned per Dake’s request, the RMA number must be clearly written on the exterior packaging. Any item shipped to Dake without an RMA will not be processed.





















