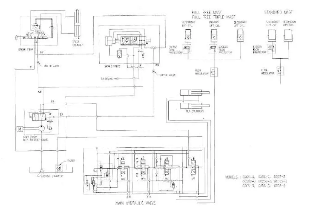
Home » Blog » Daewoo D G Series Lift Trucks Hydraulic System Instruction Manual Daewoo D G Series Lift Trucks Hydraulic System Instruction Manual Contents hide1 DAEWOO D G Series Lift Trucks Hydraulic System2 DIMENSION3 Documents / Resources4 Related PostsDAEWOO D G Series Lift Trucks Hydraulic SystemDIMENSION Documents / Resouces Download manual Here you can download full pdf version of manual, it may contain additional safety instructions, warranty information, FCC rules, etc. To access the pdf donwload links, solve the captcha. Related Manuals G De Ghw 2500 Pu K Pallet Truck Forklift Hand Lift Truck Instruction Manual Dake F10 Utility Hydraulic Press Instruction Manual Gude Ghw 2500 Pu K Low Lift Pallet Truck Instruction Manual Global Industry 989066 Electric High Lift Truck Instruction Manual Sealey Hpt400h.v2 Hydraulic Platform Trucks Instruction Manual Dake 10 Utility Hydraulic Press Instruction Manual Gys Ergo Lift 650 Hydraulic Lifting Device Instruction Manual Gude Ghw 2500-115 Pa Low Lift Pallet Truck Instruction Manual Forklift Jxd2021 R/c Truck User Manual Midland Pallet Trucks Tf15 Hand-hydraulic Table Truck Instruction Manual Harbor Freight 58456 4 Ton Professional Hydraulic Body Repair Kit Instruction Manual Global Industrial Jl5210 High Lift Pallet Truck Instruction Manual Liftmaster 892lt/894lt Instruction Manual Molift Air 200 / 350 User Manual G21 639086 150kg Platform Truck Instruction Manual Princess Auto 85138 20 Ton Hydraulic Shop Press User Manual Kincrome K12132 Air Hydraulic Truck Jack Instruction Manual Dake 75h Hand-operated Hydraulic Press Instruction Manual Yale Nr035-040db Unveils New Lift Truck User Manual Vetus Hl12500a Electro Hydraulic Lifting System User Manual