
Ensto One Home
Installation Manual


RAK131 © 2020 Ensto
Installation Guide
Safety instructions
Electrically skilled person
- The installation must only be done by an electrician with the appropriate qualifications.
- Read this Installation Manual carefully before starting the installation work.
- Follow the instructions in this Installation Manual, and make sure that the installation complies with national safety regulations, installation methods, and restrictions.
- The information provided in this Installation Manual in no way exempts the installer or user from responsibility to follow all applicable safety regulations.
- This Installation Manual is a part of the product and must be stored in a safe location so that it is available for future installation and service.
WARNING
Danger of electric shock! Risk of fire!
- Improper installation can cause personal injury and property damage.
- Do not switch on the power supply before the installation work is completed.
Delivery contents
- EVH Charger
- Cable gland M32/M25 (depending on the model)
- Installation Manual in English, other languages please see www.ensto.com.
- Multilingual User Guide

Mounting instructions
Before installation
Remove the charger from its package. Do not scratch the surface of the charger after removal from the package.
When selecting installation site, take into account the following:
- The charger is suitable for indoor and outdoor use.
- In order to ensure the optimal charging performance, the charger should not be exposed to direct sunlight.
- The minimum space needed for operating and maintenance.

Cable entries
- Take the cable routing into consideration when planning the installation. The supply cable can be routed into the enclosure from the rear or bottom. Default cable routing is from the bottom.
- The M32 cable gland for the supply cable is pre-assembled on the bottom of the charger.
- If you need to open additional cable entries, you have to disassemble the charger.
Installation steps when cable routing is from alternative cable entries
- Disassemble the charger.

- Open the needed cable entries with a step drill bit.
- Prepare the cable entries with suitable accessories.
- Remove the included cable gland from the bottom and close the cable entry with a cover plug, PMR1217.32B (accessory).
- Assemble the base and insert.
- Assemble also the installation box cover, if electrical cables are installed in a separate session.

Accessories Part number Description Note PMR1217.32B Black cover plug for M32 opening KTM24.25/BLACK M25 cable gland for cable Ø 10 – 16mm EVH16…: included 1pc PMR1219.3225B Black reduction nipple, M32 => M25 EVH16…: included 1pc RGM16B Membrane gasket for cable Ø 5 – 9mm RMM25B Membrane gasket for cable Ø 8 – 17mm RMM32B Membrane gasket for cable Ø 12 – 24mm
Wall mounting
- When selecting the installation location, make sure that the wall material is suitable and robust. The mounting surface should be flat and vertical.

Installation steps
- Use for the wall material suitable screws.
- Fasten the upper screw 1270 mm measured from the ground surface. The plug holder will be at a height of 1200 mm.

- Open the installation box hatch by removing the fastening screws (2 pcs) / unlocking the hatch lock [1].
- Remove the entire installation box cover by unscrewing the fastening screws (4 pcs) [2].
- Hang the charger on the screw you attached to the wall.
- Secure the charger on wall with two washers and fastening screws (not included) [3]. Be careful not to damage the fixed charging cable!
- Pull the electrical cables approx. 150mm through the cable glands.
- Cut the supply cable leads in suitable lengths. Leave the ground lead long enough so that if a fault occurs it is the last one that comes loose.
- Strip the leads 11 mm and connect to the supply connectors.
- Put the installation box cover back in right position and secure with the screws you removed.
- Close the installation box hatch.
Power supply
The voltage and current ratings including cable sizes must comply with national regulations.
The system dimensioning must be done by a qualified electrical designer.
The default setting is TN network. If you connect the charger to an IT network, you have to change the settings for the charger accordingly.
You can change the setting with the Ensto Charger Control Application.
Please see the chapter 14. Ensto Charger Control Application on pages 22 – 23.
It is restricted to use Ensto One within 3-phase IT network as IT network configuration could
cause unbalanced overloading on supply cables that further would require specific safety margins. In case of further questions, please contact your local Ensto representative.
EVH161-HC000 / EVH321-HC000:
- Install a residual current device (RCD type A, 30mA) and a circuit breaker (MCB max. 16A or max. 32A depending on charger model) to the supply line. In addition follow local regulations for the power supply line.

EVH163-HC000 / EVH323-HC000:
- Install a residual current device (RCD type A, 30mA) and a circuit breaker (MCB max. 16A or max. 32A depending on charger model) to the supply line. In addition follow local regulations for the power supply line.
TN network

EVH161-HCR00 / EVH321-HCR00:
- A combined device with residual current circuit breaker and over current protection (RCBO) is integrated.
- A label set of RCBO testing instructions is included in the delivery. Attach a language specific label on the installation box hatch.

EVH163-HCR00 / EVH323-HCR00:
- A combined device with residual current circuit breaker and over current protection (RCBO) is integrated.
- A label set of RCBO testing instructions is included in the delivery. Attach a language specific label on the installation box hatch.

Technical information
| Electrical Connections | EVH161-HC000 | EVH321-HC000 | EVH161-HCROO | EVH321-HCROO |
| Nominal supply voltage | 1-ph, 230 VAC | |||
| Nominal frequency | AC 50 Hz | |||
| Charging current max. | 1×16 A | 1×32 A | 1×16 A | 1×32 A |
| Charging power max. | 3600 W | 7400 W | 3600 W | 7400 W |
| Supply connections and terminals | L1, N, PE Cu 2.5 – 10 mm2 Tightening torque: 1.5 – 1.8 Nm | L1, N, PE Cu 2.5 – 10 mm2 Tightening torque PE: 1.5 – 1.8 Nm L + N: 2.5 – 3.0 Nm | ||
| Electrical Connections | EVH163-HC000 | EVH323-HC000 | EVH163-HCROO | EVH323-HCROO |
| Nominal supply voltage | 3-ph, 400 VAC | |||
| Nominal frequency | AC 50 Hz | |||
| Charging current max. | 3×16 A | 3×32 A | 3×16 A | 3×32 A |
| Charging power max. | 11 000 W | 22 000 W | 11 000 W | 22 000 W |
| Supply connections and terminals | L1, L2, L3, N, PE Cu 2.5 – 10 mm2 Tightening torque: 1.5 – 1.8 Nm | L1, L2, L3, N, PE Cu 2.5 – 10 mm2 Tightening torque PE: 1.5 – 1.8 Nm L + N: 2.5 – 3.0 Nm | ||
| Design and Mechanics | EVH161-HC000 EVH163-HC000 | EVH321-HC000 EVH323-HC000 | EVH161-HCRO0 EVH163-HCROO | EVH321-HCROO EVH323-HCROO |
| Material | Polycarbonate | |||
| Color | Frame: RAL7021 dark grey Cover. Silver | |||
| Installation box | Screw fixing | Mechanical hatch lock | ||
| Weight | approx. 7 kg | |||
| Ingress Protection | IP54 | |||
| Impact Resistance | IK10 | |||
| Operating temperature | 40 °C … +50 °C | |||
| Mounting | Wall / Ground | |||
| User Interface | EVH161-HC000 EVH163-HC000 | EVH321-HC000 EVH323-HC000 | EVH161-HCROO EVH163-HCROO | EVH321-HCROO EVH323-HCROO |
| Connection to vehicle | Fixed cable length 5m | |||
| Charging status indication | 4-color LED: Green = Ready / Blue = Charging / Red = Error / Yellow = Internal maintenance | |||
| Use access | Free access Mobile application | |||
| Safety Features | EVH161-HC000 EVH163-HC000 | EVH321-HC000 EVH323-HC000 | EVH161-HCROO EVH163-HCROO | EVH321-HCROO EVH323-HCROO |
| RCD | RDC-DD Type A 30mA must be installed in distribution board | RDC-DD RCBO integrated | ||
| MCB | Max. 16A must be installed in distribution board | Max. 32A must be installed in distribution board | ||
| Control and Communication | EVH161-HC000 EVH163-HC000 | EVH321-HC000 EVH323-HC000 | EVH161-HCROO EVH163-HCROO | EVH321-HCROO EVH323-HCROO |
| Operation mode | Standalone | |||
| Wireless | Bluetooth | |||
| Charging control system | “Simplified control pilot” functionality, specified in EN IEC 61851-1:2019, Annex A.2.3 is not supported. ZEReady 1.2b and EVReady 1.4b are not supported. | |||
Code key

Installation / Commissioning checklist
Introduction
Check the mechanical and electrical installation according this checklist in order to make sure that the charger is properly installed.
Checking the Installation
Go through the visual, mechanical, and electrical installation when the charger is unpowered.
| CATEGORY | X | ITEM |
| Overall look | You have received the ordered material. | |
| You do not see any scratches or damages. | ||
| Mechanical installation | The charger is fixed properly on installation site. | |
| Electrical installation | Charger’s power supply capacity meets electrical planning (cable size, protective devices…). Review the local electrical design plan. | |
| The the PE-cable screw is tight. | ||
| The power supply conductors (L1, U, L3, N, and PE) are properly connected. | ||
| The insulation of the power supply cable and conductors (L1, L2, L3, N, and PE) is intact. | ||
| The voltage between PE and N is less than 10 V. | ||
| The PE conductor resistance is less than 3 0. | ||
| Operational check | All the LED states/color (green, blue, red) are functioning. • Use a car simulator. • Create fail and charge. • Red at bootup, green at idle, and blue while charging. | |
| Test the functionality of the protective device. | ||
| Ready for use | Correct software is in use. |
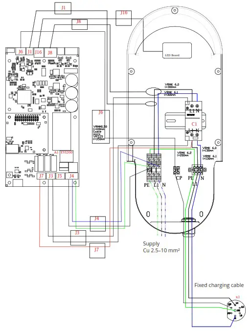
EVH161-HC000 / EVH321-HC000 internal circuit example

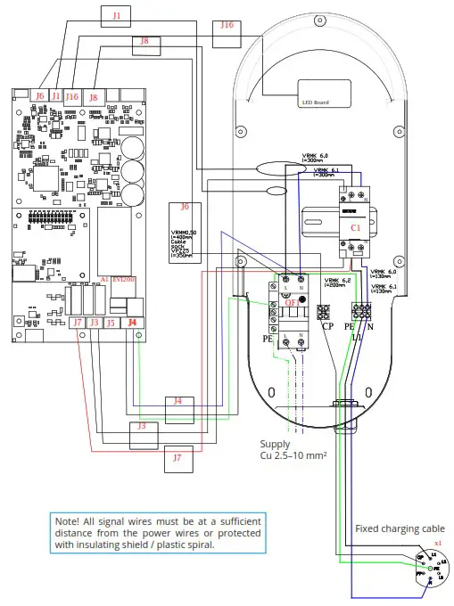
Note! All signal wires must be at a sufficient distance from the power wires or protected with insulating shield / plastic spiral.
EVH163-HC000 / EVH323-HC000 internal circuit example

Note! All signal wires must be at a sufficient distance from the power wires or protected with insulating shield / plastic spiral.
EVH161-HCR00 / EVH321-HCR00 internal circuit example

EVH163-HCR00 / EVH323-HCR00 internal circuit example

Note! All signal wires must be at a sufficient distance from the power wires or protected with insulating shield / plastic spiral.
Dimension drawing

Troubleshooting
Charging station is off, no lights on
| Issue | Corrective action |
| Mains voltage does not exist in supply connectors (L1, L2, L3). | Ensure proper power supply. |
| The circuit breaker QF1 is off (EVH…-HCR00). | Turn the QF1 on. |
Ensto Charger Control Application
- The charger is ready to use after the installation is completed.
- You can control the charger and change settings with the Ensto Charger Control Application.
- In this chapter is described the installer menu in the application.
- For additional instructions please see the User Guide for the Ensto One Home charger.
WARNING
Danger of electric shock! Risk of fire!
- Settings described in this chapter must only be done by an electrically skilled person.
Open the Installer menu
- Open the Ensto Charger Control on your mobile device.
- Go to “Support”.
- Press the letter E on the ENSTO logo for a long time.

Self test
- The charger performs a self test automatically at start-up.
- During the self-test, several components and their proper function is tested.
- The LED indicator is stable green during the self test.
- The extent and duration of the self test depend on the charger model.
- If a critical fault is detected during the self test, the charger will go to error state. You can see the error code in the error log.
Update device firmware
This menu is visible if a firmware update is available. We recommend that you update the firmware to ensure that the charger works properly.
Maximum charging current
The setting of the maximum charging current must comply with the system dimensioning.
If the electric system dimensioning on the installation site requires a lower charging current than the charger’s nominal value, you can change the setting in this menu.
Connected phases
Select the phase the charger is connected to.
Phase rotation (only 3-phase chargers)
Selection of phase rotation is only informative and does not affect the charger operation.
Eathing System
The default setting for power supply is TN network. If you connect the charger to an IT network, you have to change settings for the charger accordingly.
Overcurrent limit
- Certain car models tend to take more charging current than set as the charger’s maximum charging current.
- In case an overcurrent of 10% lasts longer than 3 minutes, it results an error state. If the overcurrent is 16% it results an error state immediately.
- You can prevent unnecessary error states by setting an overcurrent limit.
- If the charging current is lower than 10A, you can set the overcurrent limit up to 30%.


Ensto Chago Oy
Ensio Miettisen katu 2, P.O. Box 77 FIN-06101 Porvoo, Finland Tel. +358 204 76 21
![]()




















