![]()
ELECTRIC VEHICLE CHARGING STATION
ETREL INCH LITE
USER MANUAL
Document version: 1.2
Document date: 18. 8. 2020

1 | FOREWORD
Etrel INCH LITE charging station has been designed and tested in accordance with current and past versions of international standards. The charging station is compliant with IEC 61851 (Part 1, Part 21-2, Part 22) international standard which defines conductive AC electric vehicle charging and supports Mode 3 charging for safe recharging of standard electric vehicle.

Figure 1: Etrel INCH LITE charging station (with socket, with cable)
The system enables safe and simple EV charging for the user and gives a comprehensive oversight and control of the charging.
The manual contains the latest information at the time of purchase. Any unauthorized modification or tampering with the product may void the product warranty.
Etrel d.o.o. reserves the right to make changes to the product without further notice. Customer support department will assist with any further inquiries about the product.
Notes to the installer:
- Carefully read the installation instructions before installing the station. Follow all the instructions and recommendations.
- After the installation is completed, make sure to leave these instructions with the customer.
Notes to the customer:
- Use the charging station only in accordance with instructions for use. Carefully read these instructions and make sure to keep them for further reference. Ensure that the charging station is installed by a licensed electrician.
- Preparation of charging station installation site and installation are described in separate documents. In this document it is predisposed that charging station is installed properly and already working.
GENERAL INFORMATION
INTENDED USE
Etrel INCH LITE charging station is intended only for charging of electric vehicles and should not be used to charge other appliances or for any other purpose.
- No flammable materials or liquids should be used or stored in the direct vicinity of the charging station.
- The manufacturer accepts no responsibility for damage or injuries resulting from incorrect installation or inappropriate use of the product.
- Different types of charging connectors and converters are available as a part of optional equipment to allow safe charging of any standard electric vehicle.
OPERATION
The device must be used in accordance with the instructions contained in this manual.
- Do not operate charging station if there is visible damage to the unit or charging cable. Call manufacturer’s or reseller’s support department for advice how to proceed.
- Do not put fingers into the charging connector.
- Do not operate the charging station with wet hands.
- The charging station manufacturer cannot be made liable for damage or injury caused by improper handling, installation, or use of the product.
- Any usage of the product not covered in this document is not allowed and could cause injury or even death.
MAINTENANCE
- Charging station can be maintained and repaired by qualified personnel only.
- Charging station’s power supply should always be switched off during the maintenance and repair.
- Avoid hazardous risks. Only the manufacturer, an authorized service technician, or technically qualified personnel may replace damaged charging station or its components.
PROCEDURE IN CASE OF IRREGULARITY OR INTERFERENCE AT OPERATION
In the event of irregularities or interference in the operation of the device, immediately stop using the charging station and inform the charging station operator of the situation by phone number located on the housing or other place.
DESIGN CONSIDERATIONS
Special care has been put into selection of components and materials and their compliance to requirements set in standards, technical directives and rules of good practice.
The internal wiring was carefully designed, and the propriety of whole assembly thoroughly evaluated. Basic design considerations include voltage, insulating materials, time under voltage stress and degree of pollution at the location. Creepage distances, clearance between circuits and spacing to metal enclosures are important requirements for insulation coordination. Thus, calculation and measurement of clearance and creepage distances, in accordance with requirements, are one of the significant parts in design of our products.
They are dimensioned to withstand the required impulse withstand voltage and to withstand the long-term continuous operation. A charging station operates with an RCD device, which is designed to protect against the risks of electrocution and in addition offers protection against fire caused by earth faults. It is a sensitive safety device that switches off electricity automatically if there is a fault.
The ingress protection class of IP54 proves, that the enclosure of the charging station is protecting the internals against ingress of solid objects, permits only limited ingress of dust and is protected against water splashes from all directions. Impact protection, of at least IK10 states, that the charging station can withstand impacts, equivalent to 5 kg dropped from height of 40 cm. As required, tests for the IK class were performed before testing of IP class.
FIRE SAFETY MEASURES
At the location of car charging, the fire hazards and thus the threats are increased during the process of charging. The overall design of our products is made on the basis assumption that the fault could occur on any element of the system. Either in the electrical wiring of power supply, in wiring or inside of the charging station, or in the car.
The enclosure and the assembly design are made in such a way that the contact of the user to hazardous parts is not possible. In the event of fire, metal enclosure would constrain a fire and would not allow the propagation outside of the enclosure. Regarding the fire safety in all possible cases of installation, that are out of control of our company, several recommendations are listed:
- The charger must be installed outside the hazardous area.
- The installation of the charging station can be performed only by professional electrician and must comply with the installation manual and local installation rules.
- Ensure that there is enough space to manoeuvre vehicles into their designated charging areas and that in event of fire the escape and rescue routes are not obstructed.
- No flammable or combustible material should be stored within the charging area.
- Provision of suitable portable fire extinguisher at the location of the charging station is proposed.
- When the charging station without integral RCD device is installed, the proper RCD device should be installed in the main electrical cabinet.
FIREFIGHTING MEASURES
In case of fire please follow these steps:
- In the event of a fire, immediately stop using the charging station and call the appropriate services (fire brigade).
- If possible, disconnect the station from the power supply by pressing the fire protection switch (if present) or another switch responsible for cutting off the power supply to the station.
- Retreat from fire area.
- Extinguishing should be carried out with extinguishers intended for extinguishing electrical devices up to 1000 V.
Do not extinguish live electrical installations and devices with water!
ENVIRONMENTAL SAFETY MEASURES
When implementing protection measures, environmental protection must also be observed. For this reason, special care has been put into selection of the components and their compliance with the Directive on the restriction of the use of certain hazardous substances in electrical and electronic equipment (RoHS). This directive restricts use of hazardous materials in the manufacture of various types of electronic and electrical equipment.
The substances banned under RoHS are heavy metals, lead (Pb), mercury (Hg), cadmium (Cd), hexavalent chromium (CrVI), polybrominated biphenyls (PBB), polybrominated diphenyl ethers (PBDE), and four different phthalates (DEHP, BBP, DBP, DIBP). The restricted materials are hazardous to the environment and pollute landfills and are dangerous in terms of occupational exposure during manufacturing and recycling.
Another example of use of environmentally friendly materials in our products is compliance to REACH, which is a regulation of the European Union, adopted to improve the protection of human health and the environment from the risks that can be posed by chemicals. REACH regulation also promotes alternative methods for the hazard assessment of substances in order to reduce the number of tests on animals. Packaging of our products is environmentally friendly and materials degradable.
CORRECT DISPOSAL OF THIS PRODUCT (INFORMATION ABOUT WEEE DIRECTIVE)
Of major importance is the compliancy with the Waste Electrical and Electronic Equipment Directive (WEEE) as well. The scope of this Directive is the reuse, recycling and disposal of electrical equipment during complete lifecycle and after their end of life.
The product and its electronic accessories should not be disposed of with other household waste at the end of their working life. To prevent possible harm to the environment or human health from uncontrolled waste disposal, please separate these items from other types of waste and recycle them responsibly to promote the sustainable reuse of material resources.
Household users should contact either the retailer where they purchased this product, or their local government office, for details of where and how they can take these items for environmentally safe recycling.
Business users should contact their supplier and check the terms and conditions of the purchase contract. This product and its electronic accessories should not be mixed with other commercial wastes for disposal.
COMPLIANCY
SIMPLIFIED EU DECLARATION OF CONFORMITY
Hereby, Etrel d.o.o. declares that the radio equipment type INCH is in compliance with Radio Equipment Directive 2014/53/EU. The full text of the EU Declaration of Conformity is available at the following internet address:
https://etrel.com/charging-solutions/inch-lite/
Select “Access documentation” and then “Certificates”.
TESTED COMPLIANCY WITH STANDARDS
Etrel INCH charging station was tested at accredited third-party laboratory SIQ – Slovenian Institute of Quality and Metrology. Performed tests cover all the requirements of RED, LVD and EMC directives of the European Union, according to the specifications of the following standards:
- IEC 61851-1:2017 (EN IEC 61851-1:2019)
- IEC 61851-21-2:2018
- ETSI EN 301 489-1 V2.2.3
- ETSI EN 301 489-17 V2.2.1
- ETSI EN 301 489-52 V1.1.0
- ETSI EN 301 489-3 V2.1.1
- EN 60529:1991 + A1:2000 + A2:2013
- EN 62262:2002
SAFETY RISK ANALYSIS
| DANGER OR RISK | RELEVANT | PROTECTIVE MEASURES | IN ACCORDANCE WITH |
| Preliminary observations | YES | Application of Annex A of CENELEC Guide 32, Safety aspects relating to low voltage equipment. | CENELEC Guide 32 |
| Safety integration | YES | Application of Annex A of CENELEC Guide 32, Safety aspects relating to low voltage equipment, in particular the “3-step- method”: 1) Inherent design measures, 2) Technical safety measures, 3) Information for use. | CENELEC Guide 32 |
| General | YES | Charging station complies to all requirements of the standards of the EN 61851 family, to all parts relevant to AC conductive charging and is compliant to all versions, current and old. This family of standards covers requirements for charging stations from all aspects, however some details are covered in other standards, as listed in this table. | EN 61851-1:2001, EN 61851-1:2011, EN 61851-1:2019, EN 61851-21:2002, EN 61851-22:2002 |
| Protection against electrical hazards | |||
| Leakage current | YES | To prevent leakage currents, the suitable RCD protection device is used either in charging station, or in an installation. Each socket must be protected by individual RCD. The power supply was selected to have a negligible leakage current. | Directive LVD 2006/95/ED (through April 19, 2016) and Directive 2015/30/EU (from April 20, 2016), EN 60947-1:2007, EN 60947-2:2006, EN 60947-3:2009, EN 60947-4-1:2010, EN 61008-1:2004, EN 61008-1:2012, EN 61009-1:2004, EN 61009-1:2012, EN 60309-1:1999, EN 60309-2:1999, EN 60947-1:2007, EN 60947-2:2006, EN 60947-2:2017, EN 60947-3:2009, EN 60947-4-1:2010, EN 62196-1:2012, EN 62196-1:2014, EN 62196-2:2012, EN 62196-3:2014, EN 50065-1:2011, EN 50065-4-2:2001, EN 60950-1:2006, EN 50065-4-7:2005, IEC TS 61439-7:2018, IEC Guide 116:2018, ISO/IEC Guide 51:2014 |
| Energy supply | YES | Overload and short-circuit protection is ensured with use of suitable MCB. Additional surge protective device could be required by national legislation. Protective devices can be installed either in charger, or in an installation upstream. Coordination and selectivity of protection devices with upstream devices should be ensured, so that only the protection device, the closest to the fault, operates. | |
| Stored charges | YES | The components are dimensioned in such a way that they cannot cause a charge that would be hazardous to human health. In case of vehicle malfunction, the possible hazard of stored charge is mitigated by the use of RCD. | |
| Arcs | YES | The use of suitable switching and protective devices ensures that possible arcs are extinguished quickly and without causing damage. | |
| Electric shock | YES | Basic protection is provided with selection of appropriate insulation of all components and in addition live parts are not accessible during charging. Fault protection is achieved with earthing of all exposed conductive parts and with automatic disconnection of the supply in case of a fault. Additional protection is also provided, with use of high sensitivity RCD’s. | |
| Burns | YES | Electrical burns and other injuries are prevented with use of appropriate protective devices, properly designed insulation and prevention of arcs. | |
| Protection against mechanical hazards | |||
| Instability | YES | The use of quality housing with use of additional structural supports ensures high resistance on mechanical stress. The proper installation of mounting anchor ensures that the charger is rigidly supported and can not turn over. Our charging stations are tested to determine the 1K code (degree of protection provided by enclosure) in combination with tests to determine IP code (ingress protection). | EN 62262:2002, EN 60529:1991 |
| Break-down during operation | YES | Charger construction ensures that break-down during operation is not possible in normal conditions. This would be possible only with high enough external force, e.g. vehicle collision. For this reason the recommendation for public charging stations is to use protective bollards. | |
| Ingress | YES | The use of quality housing with use of sealing foam and filters ensures high resistance to ingress of particles. Our charging stations are tested to determine the IP code (ingress protection) in combination with tests to determine IK code (degree of protection provided by enclosure). | |
| Falling or ejected objects | NO | / | / |
| Sharp edges or corners and inadequate surfaces | YES | There is a possibility that sharp edges occur during the production process during the cutting and assembly of the housing. For this reason, possible sharp edges that could harm a person, were identified and are grinded away after the assembly. The wires are also protected so that they do not come into contact with the remaining sharp edges. Proper processing, finishing and coloring procedures of the surfaces ensure high quality product. | Directive LVD 2006/95/ED (through April 19, 2016) and Directive 2015/30/EU (from April 20, 2016) |
| Moving parts, especially where there may be variations in the rotational speed of parts | YES | The only moving part representing the hazard is the opening and closing of the doors. The doors should be closed only if there is nothing blocking them (either mechanical object, or human hand). This risk is also mitigated with the explanation in the user and installation manual. | IEC 60335 |
| Vibration | YES | The major concern with vibrations is the loosening of electrical connections. For this reason, special care is made during the production process to use the optimum torque and tightening sequence for fasteners with use of tools with settable screwing torque. | IEC 60335 |
| Improper fitting of parts | YES | The tolerances of parts are high enough to not represent a problem during the manufacturing process. In addition, the manufacturing instructions are covering all possible improper fittings of connectors and other components. All charging stations are put on the testing line after assembly where possible improper fitting would be identified. | IEC 60335 |
| Protection against other hazards | |||
| Explosion | NO | / | / |
| Hazards arising from electric, magnetic, and electromagnetic fields, other ionizing and nonionizing radiation | YES | Our charging stations are subjected to tests and certification to ensure safe operation from the view of electromagnetic compatibility (EMC) and electromagnetic interference (EMI). The compliance with EMC limits ensures that the charging station is not emmiting electromagnetic fields that could affect other devices and compliance with EMI limits ensures immunity of the charging station and safe operation when subjected to electromagnetic fields that could occur in the vicinity of the charging station. In addition the charging station are tested and certified in accordance with radio equipment directive (RED) when applicable. The certification proves that the electromagnetic fields generated by the charger are limited to the extend neccessary for the operation. | EMC Directive 2004/108/EC (through April 19, 2016) and EMC Directive 2014/30/EU (from April 20, 2016), EN 61000-6-1:2007, EN 61000-6-2:2005, EN 61000-6-3:2007, EN 61000-6-4:2007 |
| Electric, magnetic or electromagnetic disturbances | YES | ||
| Optical radiation | NO | / | / |
| Fire | YES | In the event of fire, metal enclosure would constrain a fire and would not allow the propagation outside of the enclosure. Used materials are resistant to ignition and spread of fire. External parts of insulating material and insulating parts are resistant to abnormal heat and to fire. Installed RCD device protects against fire as well. | EN 61439-1:2011, HD 60364-4-42:2011 |
| Temperature | YES | Using the equipment beyond its environmental specifications may give rise to temperature hazard. This is well mitigated with selection of appropriate materials. | EN 61439-1:2011, IEC TS 61439-7:2018, HD 60364-4-42:2011, EN 60068-1:2014 |
| Humidity | YES | High humidity inside of charging station can damage the electrical components. To avoid the risk, during the installation, the base of charging station should be covered with polyurethane foam or similar filling. The charging station has vents to enable natural ventilation. The finishing of the external surfaces offers high protection against environmental conditions and prevents the corrosion and rust. Additional measures can be the addition of silica gel or similar hygroscopic material. Also, the option to install a small heater preventing condensation inside of charger is provided. | EN 60068-1:2014 |
| Acoustic noise | NO | No significant noise levels are being produced. Noise that the electronic components emit is negligent in comparison with noise of vehicle’s internal charger. | EN 60068-1:2014 |
| Biological and chemical effects | YES | Special care has been put into selection of the components and their compliance with the Directive on the restriction of the use of certain hazardous substances in electrical and electronic equipment (RoHS). Another example of use of environmentally friendly materials in our products is compliance to REACH, which is a regulation of the European Union, adopted to improve the protection of human health and the environment from the risks that can be posed by chemicals. | REACH, RoHS |
| Emissions, production and/or use of hazardous substances (e.g. gases, liquids, dusts, mists, vapour) | YES | ||
| Unattended operation | YES | After the starting of charging process no additional inputs are needed as charging stations are designed to be able to charge without supervision. The implemented protection measures would operate independently of human presence. | EN 61851 |
| Connection to and interruption from power supply | YES | The charging station does not connect EV to the electrical grid under full load. Firstly, the connection to the electric vehicle is made only after security checks and mitigation between charger and vehicle. The charging current is then gradually increased to full allowed current. Thusly, the connection of the load does not represent a “spike” in consumed power. In case of interruption the charging station shuts down gracefully to not damage any components. The proper earthing also promotes the quick discharge of possible built-up charge. | EN 61851 |
| Combination of equipment | NO | / | / |
| Implosion | NO | / | / |
| Hygiene conditions | NO | / | / |
| Ergonomics | YES | The user interface is carefully designed, to offer the user complete and concise information in a clear manner. The ergonomic principles relevant to safe movement and handling are covered. | IEC 60335 |
| Functional safety and reliability | |||
| Equipment design | YES | Charging station design was made in accordance with all major international standards that are considered in scope of e- mobility and is designed and constructed to be safe and reliable to prevent hazards arising and withstand normal use in foreseeable environmental conditions, misuse and errors in logic. | Directive 2006/95/EC, EN 61508-1:2010 |
| Type related hazards | YES | Protection against unexpected start and stop was executed with emphasis on hazards resulting from failure to stop. | EN 61851 |
| System faults | YES | In case of foreseeable system faults, or during and after interruptions or fluctuation of the power supply the monitoring, protection and disconnection means ensure safe operation. | EN 61851 |
| Safety-related security | |||
| Protection against causal or coincidental violation | YES | The control system provides the capability for human user identification and authentication. | EN 61851 |
| Protection against intentional violation using simple means with low resources, generic skills and low motivation | YES | The control system provides the capability for unique human user identification and authentication. | EN 61851 |
| Protection against intentional violation using sophisticated means with moderate resources, specific skills related to the considered equipment and moderate motivation | YES | The control system provides the capability to employ multifactor authentication for human user access to the control system. | EN 61851 |
| Protection against intentional violation using sophisticated means with extended resources, specific skills related to the considered equipment and high motivation | NO | The control system provides the capability to employ multifactor authentication for all human user access to the control system. | / |
| Information requirements | |||
| Information requirements | YES | Information requirements are defined in several documents and standards. These documents and requirements were identified and taken into account for the preparation of user manuals and other documents. | GPSD, LVD, EMC, EN 60335-1, EN 60335-2-15, EN 62079, RoHS, REACH |
* Although standards listed in the table are referenced only as CENELEC versions (EN – European Standard, or HD – Harmonization Document), compliancy applies to their international counterpart versions as well (IEC prefix). However, the designation of the year of the standard can be different for IEC versions.
All our charging stations are tested and proved compliant with EN 61851 Part 1, Part 21-2 and requirements of harmonized standards to fulfil LVD and EMC directive. These tests and judgement of compliancy was performed by external accredited organization, SIQ – Slovenian Institute of Quality and Metrology, Masera – Spasieva ulica 10, 1000 Ljubljana, Slovenia, www.siq.si.
2 | PRODUCT DESCRIPTION
BASIC FUNCTIONALITIES
Etrel INCH LITE is a smart charging station that can predict EV charging habits and help charge the car by the time it is needed, at the lowest possible cost.
To connect Etrel INCH LITE charging station, it either comes with the socket or cable. Depending on the type of charging station.

Figure 2: Etrel INCH LITE with socket
Figure 3: Etrel INCH LITE with cable
- Status light
- Socket
- Maintenance doors
- Charging cable

Figure 4: Dimensions of the charging station
OPTIONAL AND EXTRA EQUIPMENT
CONTENT AND ACCESSORIES
- Charging station (with Type 2 cable or Type 2 socket),
- Wall mounting bracket,
- 9 × wall plugs for securing the mounting bracket using screws to the wall,
- 9 × screws to mount the bracket to the wall,
- Screws dimensions: 4.5 x 40 and 4.5 x 60 [mm],
- Cable gland rubber seal for smaller cable dimensions
- *9 × wall spacers
- *2 × keys to open charging station service doors,
- *Hex key to open charging station maintenance doors,
- Hex key dimensions: 2.5
- *Load Guard device,
- *Magnetic cable holder (different version for longer cables > 3 m).
*Optional depending on the purchased model.
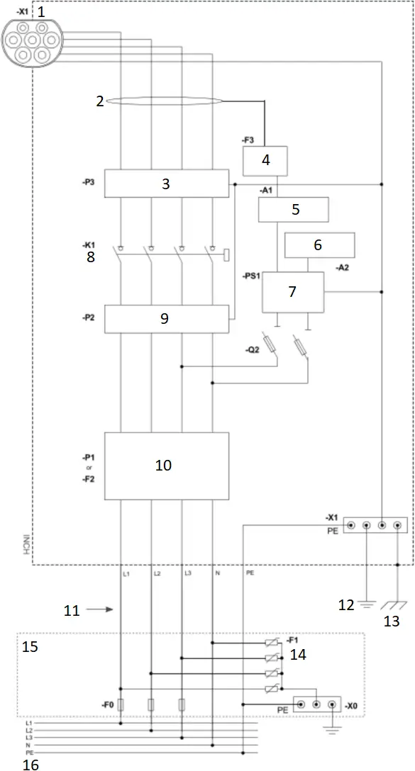
CIRCUIT DIAGRAM

- Socket
- DC leakage sensor
- Voltage monitoring I for socket
- DC leakage socket 1 (6mA DC)
- Power supply electronics
- Main controller and communication
- Power supply for controller and other electronics (12 V DC)
- Contactor for socket
- Voltage monitoring II for socket
- CONNECTION ELEMENT
30 mA RCD or overcurrent protection or MID electrical meter
For was information, see note on the right side of the diagram. - Power supply cable up to 5 x 10 mm². Larger cross-seceons possible with use of additional champs.
- Local earthing
- Frame/Chassis earthing
- Surge and overvoltage protection
- Electrical cabinet
- Electrical grid 3 x 230 V/400 V, 50 Hz
NOTE:
CONNECTION ELEMENT
Connection element s used to connect supply cables to the charging station. It can be either of the three components specified below (A, B or C), depending on the version of the product.
(A) Overcurrent protection
-F2 miniature circuit breaker, MCB 40 A

(B) Measurement of the consumed energy
-P1 MID electrical meter

(C) Residual current device
-F2 Residual current device, RCD Type A or Type B, 30 mA

Actual wiring of a product can be different across different versions of the product.
3 | OPERATION AND CHARGING PROCEDURE
FIRST POWER UP
Before starting the station, it is absolutely necessary to read this manual and the technical specification of the device.
When the charging station is power up for the first time it can take several minutes for station to get ready to start using it to charge EV. Charging station is powered up automatically when it is connected to the electricity. In the table below, all possible events that can occur at the power up of the station are listed with the procedure what to do in case something is wrong.
STATUS LIGHT | NORMAL OPERATION | PROBLEM | SOLUTION |
| Fast blinking green light | Charging station’s backup batteries are charging. At the first power, up it can take up to 10 min. If backup battery is full green light will blink slowly. | If the light is blinking fast more than 10 min there might be a problem with the backup battery. | Inform the support about the status of the charging station. |
| Slowly blinking green light | Heating system is trying to heat the electronics before it is turned ON. | If the green light is blinking slowly for more than 10 minutes, there might be a problem with the hardware. | Support should be called. |
| Steady glowing green light | Charging station is ready to be used. | / | / |
| No lights | / | If charging station is not responding after it is powered up, something might be wrong with connection. | Check the protection elements if either RCD or overcurrent protection has been tripped. Activate the protection. If nothing helps call the support or installer. |
| Green light is blinking | Charging station is ready to be used. | Charging station is unresponsive. | Try resetting the charging station. If the problem repeats there might be a problem with the software. Support should be called. |
FIRST CHARGING SESSION
CHECK WHETHER THE CHARGING STATION IS WORKING PROPERLY AND SETTING OF MAXIMAL CHARGING CURRENT
- When the charging station has either overcurrent or RCD protection installed, check whether the protection element is in ON position.
- Connect charging station to the power supply in the electrical cabinet. Installation feeder should be turned on.
- The default value is 16 A and it can be set in range of 6 A to 32 A. Information of the current value is obtained with short press on the key. Number of short beeps represents information of set maximal charging current (number of beeps x 2 A).
- Settings can be accessed with key press for more than 5 s. After that, a long beep is a notification that the settings can be changed. Each short press on the key increments the maximal charging current by 2 A, from minimal value of 6 A. E.g., to set 24 A, the key should be pressed 9 times.
- To save the settings, press the key for more than 5 s. Long beep is a confirmation that settings were saved, two short beeps are a warning that settings were not saved.
4 | REGULAR MAINTENANCE
Etrel charging station does not require any periodic maintenance. However, it is recommended to perform a visual check and test of the protection elements once per year.
Detailed descriptions of security checks and their intervals are included in the service manual.
RESET AND TEST THE PROTECTION ELEMENTS
OVERCURRENT PROTECTION
Check the overcurrent protection (if installed) once a year for any visible damages on the surface. If the overcurrent protection is tripped and the switches cannot return to the active position something is wrong with the protection and needs to be changed by maintenance crew.
SURGE AND OVERVOLTAGE PROTECTION
Check the surge and overvoltage protection (if installed) once a year for any visible damages on the surface. If the surge and overvoltage protection is tripped it needs to be changed by maintenance crew.
RCD
The regulations require that residual current protective device (RCD) is tested regularly, and an audit log should also be kept. The test button on the RCD unit allows user to verify the correct operation of the device by passing a small current through the RCD unit. This simulates a fault by creating an imbalance in the sense coil. If the RCD does not trip when this button is pressed, then the device must be replaced by licensed electrician. The device must be changed also when the RCD was tripped but the switch cannot be moved back into active position. RCD testing must be completed every three months and documented.

Figure 5: RCD test button
5 | TROUBLESHOOTING
Errors dangerous to device users:
Dangerous voltage present on enclosure or device under fire. In this case the device should be turned off immediately. Switch off device power supply of device in the distribution board from where device is supplied and not on device itself. Do not touch device. If vehicle is connected at that moment, disconnect plug from the vehicle and not from the charging station, but only after the power supply was switched off. In the case of fire use fire extinguisher appropriate for electrical fire.
Faults occurred because of external conditions:
Undervoltage, overvoltage, short and long power supply outages or wrong vehicle behaviour. In these cases, no action is needed to reestablish normal operating conditions. Once fault is gone, normal operation conditions will be established automatically. If temporary fault was caused by vehicle, user will have to reinitiate charging session.
Device hardware failure preventing normal operation:
Example: Broken socket, electronics failure. If after restart device does not start normally, contact supplier support.
Charging station software failure:
Check that latest version of firmware is running on the charging station. If the latest version is installed and problem persist, then check if problem is caused by the charged vehicle. To check this, the charging could be tried on another charging station. If problem is not in the vehicle send diagnostic logs to the supplier.
ACCESS TO THE MAINTENANCE AREA
Etrel INCH LITE charging station provides quick access to the side maintenance area to execute basic troubleshooting and to reset the charging station in case there are some problems.
Side maintenance area is protected by the side maintenance doors. Depending on the type of Etrel INCH LITE charging station, two different doors are available. One with the regular key lock and one with hex screw (2.5 mm). To access the area, either key or a hex screwdriver is needed.

Figure 6: Doors with keylock Figure 7: Doors with hex screw
There is a sticker on the inside of maintenance doors, with technical information including basic charging station information, model type and serial number. When support is contacted it is important that the charging station model type is known so the support can quickly help solve the issue.
RESETING THE CHARGING STATION
Charging station can be reset by opening the side maintenance doors and pressing the button inside the maintenance opening.
After holding the button for 4 s, the charging station will respond with the beep after which the options on the screen to check the IP address of the station or to reset the station will be presented. Basic reset and factory reset, which will restore charging station’s factory settings (username, password, default IP and other settings) can be made.

Figure 8: Reset button inside the maintenance opening
6 | CONTACT INFORMATION
TECHNICAL SUPPORT DEPARTMENT
e-mail: [email protected]
phone: +386 1 601 0127
CUSTOMER SUPPORT DEPARTMENT
e-mail: [email protected]
phone: +386 1 601 0175
e-mail: [email protected]
phone: +386 1 601 0075
Etrel d.o.o.
Pod jelšami 6
1290 Grosuplje
Slovenia
EU



















