
EcoStruxure Panel Server Advanced
Instruction Manual

JYT24469-02

www.se.com
EcoStruxure Panel Server
DOCA0172EN
www.se.com/support
JYT24469-02 EcoStruxure Panel Server Advanced
Retain instruction sheet for future use.
Visit our website at www.se.com to download the documents listed above (user guides
) and other documents.
PLEASE NOTE
- Electrical equipment should be installed, operated, serviced, and maintained only by qualified personnel.
- All pertinent state, regional, and local safety regulations must be observed when installing and using this product.
- No responsibility is assumed by Schneider Electric for any consequences arising out of the use of this material.
![]()
DANGER
HAZARD OF ELECTRIC SHOCK, EXPLOSION OR ARC FLASH
- Apply appropriate personal protective equipment (PPE) and follow safe electrical work practices. See NFPA 70E, CSA Z462, NOM-029-STPS or local equivalent.
- This equipment must only be installed and serviced by qualified electrical personnel.
- Turn off all power supplying this equipment before working on or inside equipment.
- Always use a properly rated voltage sensing device to confirm power is off.
- Replace all devices, doors, and covers before turning on power to this equipment.
- Do not exceed the device’s ratings for maximum limits.
Failure to follow these instructions will result in death or serious injury.
Required for Installation

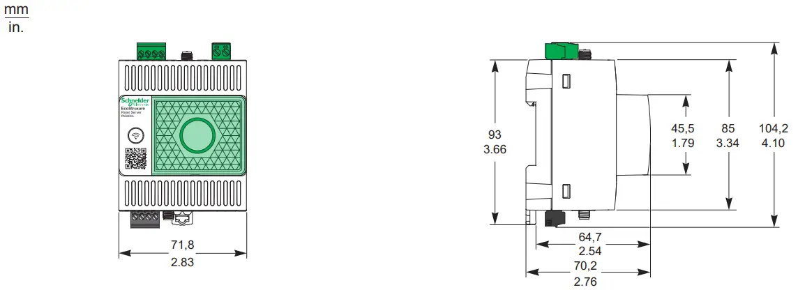
Description


A. Power supply terminal block (available in PAS800L and PAS800 only)
B. IEE802.15.4 external antenna port
C. Digital input terminal block (available in PAS800L only)
D. MAC address and serial number
E. Panel Server status LED Restart button
F. • ≥ 10 s: Restart Panel Server
G. QR code to product information
H. RS–485 Modbus communication port
I. Ethernet LED 1: Speed
J. Ethernet LED 2: Activity
K. Wi-Fi external antenna port
L. Ethernet 1 communication port
M. Ethernet 2 communication port (PoE port for PAS800P)
N. Grounding connection
Dimensions

Installation

PLEASE NOTE
- For indoor use only.
- Not suitable for wet locations.
- Vertical installation is allowed if operating temperature remains between -25 °C to +50 °C (-13 °F to +122 °F).

Wiring
5.1 Power Supply![]()
DANGER
HAZARD OF ELECTRIC SHOCK, EXPLOSION OR ARC FLASH
- PAS800L/PAS800 must be supplied by external power supply.
- PAS800L must be powered by 24 Vc, UL/CSA approved class II power supply.
- PAS800L must be powered by 24 Vc, galvanically isolated SELV power supply for non NEMA/UL countries.
- PAS800L/PAS800 must be installed in a cabinet.
- All cables wired to PAS800L/PAS800 must be connected to a single building earth.
Failure to follow these instructions will result in death or serious injury.

5.2 Ethernet Connection

Note: PAS800P can be powered by Power over Ethernet (PoE).
5.3 RS–485 Modbus Port

5.4 PAS800P: Ethernet Switch with Endspan PoE ports

A. Ethernet Switch with Endspan PoE ports
B. Ethernet 2 (PoE) communication port
C. Ethernet 1 communication port
5.5 PAS800P: Ethernet Switch with Midspan PoE ports

A. Ethernet Switch
B. Midspan PoE Injector
D. Ethernet 2 (PoE) communication port
C. Ethernet 1 communication port
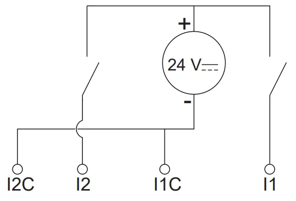
5.6 PAS800L: Digital Inputs

Note: For digital input through dry contact, a 24 V
external power supply is required.
Note: For digital input through potential contact, a 24 V
external power supply is not required. For example, connection to pulse output compliant to IEC62052-11.
Status LED
6.1 Ethernet LEDs
| H | I | H | I | H | I |
| No Ethernet communication | 10 Mb Ethernet communication active | 100 Mb Ethernet communication active | |||
6.2 Panel Server Status LED
| No power | Panel Server is powering on. System boots within 2 min. | Nominal status | Minor malfunction, connect to EPC to diagnose. | Major malfunction, Panel Server must be replaced. |
EPC: EcoStruxure Power Commission software
Commissioning
PLEASE NOTE
Commissioning is a mandatory step for enabling Panel Server functions.
With EPC Software
Panel Server Commissioning with EcoStruxure Power Commission (EPC) software:
- Search for EcoStruxure Power Commission on se.com.
- Download EcoStruxure Power Commission (EPC) software.
- Install EPC on your PC.
- Connect the PC to an Ethernet port of the Panel Server.
- Open EPC software.
- Follow the instructions. For more information, refer to the EPC Online Help.
Characteristics
Communication
- 2 10/100 BASE-T Ethernet RJ45 ports, DPWS ready DHCP client IPv4, IPv6
- RS–485 Modbus port
- Ethernet 2 IEEE802.3af (802.3at Type1)
Input characteristics - Digital inputs: Type1
Power supply
- PAS800L: 24 V
(±10 %) - PAS800P: Power over Ethernet powered device
- PAS800: 110–277 V∼/
(±10 %) - Frequency rating:
- PAS800: 50–60 Hz (±5 Hz)
- Overvoltage Category III
- Power consumption:
- PAS800L: < 3.5 W (maximum)
- PAS800: < 3.5 W (12 VA) (maximum)
- PAS800P: < 3.5 W (maximum)
- Power input for PAS800P
- Power over Ethernet: Class 0
- Operating Input Range: 37–57 V

- Rating: < 3.5 W (72 mA) 48 V
typical
Environment
- Operating temperature: -25 °C to +70 °C (-13 °F to +158 °F)
- Storage temperature: -40 °C to +85 °C (-40 °F to +185 °F)
- Altitude: 2000 m (6500 ft)
- Humidity: 5–95 % relative humidity (without condensation) at 55 °C (131 °F)
- Pollution degree:
- PAS800L: 3
- PAS800P: 2
- PAS800: 2
Mechanical characteristics
- Connectors: IP20
- Other faces: IP30
- Front face nose: IP40
Radio Frequency Compliance Statements
Europe
EU Declaration of Conformity
Hereby, Schneider Electric Industries SAS, declares that the Panel Server is in compliance with the essential requirements and other relevant provisions of RED Directive 2014/53/EU.
The EU declaration of conformity PS21060101 can be downloaded on www.se.com/docs.
- Operating frequency for Wi-Fi is 2.4 GHz and 5 GHz, for others is 2.4 GHz
- Maximum radio-frequency power transmitted:
- Wi-Fi: ≤ 100 mW
- IEEE 802.15.4: ≤ 10 mW
United Kingdom
UK Declaration of Conformity
Hereby, Schneider Electric Industries SAS, declares that the Panel Server is in compliance with the essential requirements and other relevant provisions of RED Directive
UK SI 2017 No. 1206.
The UK declaration of conformity UK_PS21060101 can be downloaded on www.se.com/docs.
- Operating frequency for Wi-Fi is 2.4 GHz and 5 GHz, for others is 2.4 GHz
- Maximum radio-frequency power transmitted:
- Wi-Fi: ≤ 100 mW
- IEEE 802.15.4: ≤ 10 mW
USA
Federal Communication Commission Interference Statement:
This device complies with Part 15 of the FCC Rules. Operation is subject to the following two conditions:
- This device may not cause harmful interference, and
- This device must accept any interference received, including interference that may cause undesired operation.
Note: This equipment has been tested and found to comply with the limits for a Class A digital device, pursuant to part 15 of the FCC Rules. These limits are designed to pro-vide reasonable protection against harmful interference when the equipment is operate in a commercial environment. This equipment generates, uses, and can radiate radiofrequency energy and, if not installed and used in accordance with the instruction manual, may cause harmful interference to radio communications. Operation of this equipment in a residential area is likely to cause harmful interference in which case the user will be required to correct the interference at his own expense.
FCC Caution:
Any changes or modifications not expressly approved by the party responsible for compliance could void the user’s authority to operate this equipment.
This transmitter must not be co-located or operating in conjunction with any other antenna or transmitter.
Operations in the 5.15-5.25GHz band are restricted to indoor usage only.
Radiation Exposure Statement:
This equipment complies with FCC radiation exposure limits set forth for an uncontrolled environment.
This equipment should be installed and operated with minimum distance 20 cm between the radiator and your body.
Note: The country code selection is for non-US model only and is not available to all US model. Per FCC regulation, all WiFi product marketed in US must fixed to US operation channels only.
Canada
Industry Canada Statement:
This device complies with ISED’s licence-exempt RSSs. Operation is subject to the following two conditions:
- This device may not cause harmful interference, and
- This device must accept any interference received, including interference that may cause undesired operation.
Caution:
(i) The device for operation in the band 5150-5250 MHz is only for indoor use to reduce the potential for harmful interference to co-channel mobile satellite systems;
(ii) For devices with detachable antenna(s), the maximum antenna gain permitted for devices in the band 5725-5850 MHz shall be such that the equipment still complies with the e.i.r.p. limits as appropriate; (detachable antenna only)
(iii) Where applicable, antenna type(s), antenna models(s), and worst-case tilt angle(s) necessary to remain compliant with the e.i.r.p. elevation mask requirement set forth in
section 6.2.2.3 shall be clearly indicated.
Detachable Antenna Usuage:
This radio transmitter [IC: 21522- UPSA] has been approved by Innovation, Science and Economic Development Canada to operate with the antenna types listed below, with the maximum permissible gain indicated. Antenna types not included in this list that have a gain greater than the maximum gain indicated for any type listed are strictly prohibited for use with this device.
| Brand | Model | Antenna Type | Max Gain (dBi) | Impedance (0) | |
| 2.4G | 5G | ||||
| Schneider Electric | PASA-ANT1 | Dipole antenna | 2.54 dBi | 3.00 dBi | 500 |
Radiation Exposure Statement:
This equipment complies with ISED radiation exposure limits set forth for an uncontrolled environment. This equipment should be installed and operated with greater than 20 cm between the radiator and your body.
RoHS
| Contents of Toxic or Hazardous Substances or Elements | ||||||||||||||||||
| Part Name | Toxic or hazardous Substances and Elements | |||||||||||||||||
| PAS800L | PAS800 | PAS800P | ||||||||||||||||
| (Pb) | (Hg) | (Cd) | (Cr”) | (PBB) | (PBDE) | (Pb) | (Hg) | (Cd) | (Cr”) | (PBB) | (PBDE) | (Pb) | (Hg) | (Cd) | (Cr”) | (PBB) | (PBDE) | |
| Metal Parts | X | 0 | 0 | 0 | 0 | 0 | X | 0 | 0 | 0 | 0 | 0 | X | 0 | 0 | 0 | 0 | 0 |
| Electronic Parts | X | 0 | 0 | 0 | 0 | 0 | X | 0 | 0 | 0 | 0 | 0 | X | 0 | 0 | 0 | 0 | 0 |
| Plastic Parts | 0 | 0 | 0 | 0 | 0 | 0 | 0 | 0 | 0 | 0 | 0 | 0 | 0 | 0 | 0 | 0 | 0 | 0 |
| Contacts | 0 | 0 | 0 | 0 | 0 | 0 | 0 | 0 | 0 | 0 | 0 | 0 | 0 | 0 | 0 | 0 | 0 | 0 |
| Cables and cabling accessories | 0 | 0 | 0 | 0 | 0 | 0 | 0 | 0 | 0 | 0 | 0 | 0 | 0 | 0 | 0 | 0 | 0 | 0 |
0: Indicates that this toxic or hazardous substance contained in all of the homogeneous materials for this part is below the limit requirement in SJ/T11363-2006.
X: Indicates that this toxic or hazardous substance contained in at least one of the homogeneous materials used for this part is above the limit requirement in SJ/T11363-2006.
Note: The products on sale may or may not contain all the parts/components listed here.
Manufacturing Date
The product’s manufacture date is coded PPYYWWDLXXXX, where:
- PP: plant code
- YY: year of manufacture
- WW: week of manufacture
- D: weekday of manufacture (Monday = 1)
- L: line or machine number or team
- XXXX: Running serial number
Eg: 542103210125 = product manufactured at plant 54 on Tuesday 12 January 21 at line 1 with serial number 0125.
Schneider Electric Industries SAS
35, rue Joseph Monier
CS 30323
F – 92506 Rueil Malmaison Cedex
www.se.com
JYT24469-02
Printed on recycled paper.
Schneider Electric Limited
Stafford Park 5
Telford, TF3 3BL
United Kingdom
www.se.com/uk
© 2022 Schneider Electric – All rights reserved.
References
Schneider Electric Global | Global Specialist in Energy Management and Automation
Schneider Electric Global | Global Specialist in Energy Management and Automation
Product Documentation & Software downloads | Schneider Electric
Систэм Электрик - официальный сайт
Support | Schneider Electric Global
Schneider Electric UK | Energy Management and Automation

















