Schneider Electric Industrie EcoStruxure Panel Server

Retain instruction sheet for future use. Visit our website at www.se.com to download the documents listed above (user guides U G) and other documents
DANGER
HAZARD OF ELECTRIC SHOCK, EXPLOSION OR ARC FLASH
- Apply appropriate personal protective equipment (PPE) and follow safe electrical work practices. See NFPA 70E, CSA Z462, NOM-029-STPS or local equivalent.
- This equipment must only be installed and serviced by qualified electrical personnel.
- Turn off all power supplying this equipment before working on or inside equipment.
- Always use a properly rated voltage sensing device to confirm power is off.
- Replace all devices, doors, and covers before turning on power to this equipment. p Do not exceed the device’s ratings for maximum limits
Required for Installation

Description



- A. Power supply terminal block
- B. Digital input terminal block(available in PAS600L only)
- C. Panel Server status LED
- D Bluetooth/Restart button
- < 2 s: Enable Bluetooth
- ≥ 10 s: Restart Panel Server
- E. QR code to product information
- F. RS–485 Modbus communication port
- G Ethernet LED 1: Speed
- H. Ethernet LED 2: Activity
- I Wi-Fi external antenna port
- J. Ethernet 1 communication port
- K Ethernet 2 communication port
- L Grounding connection
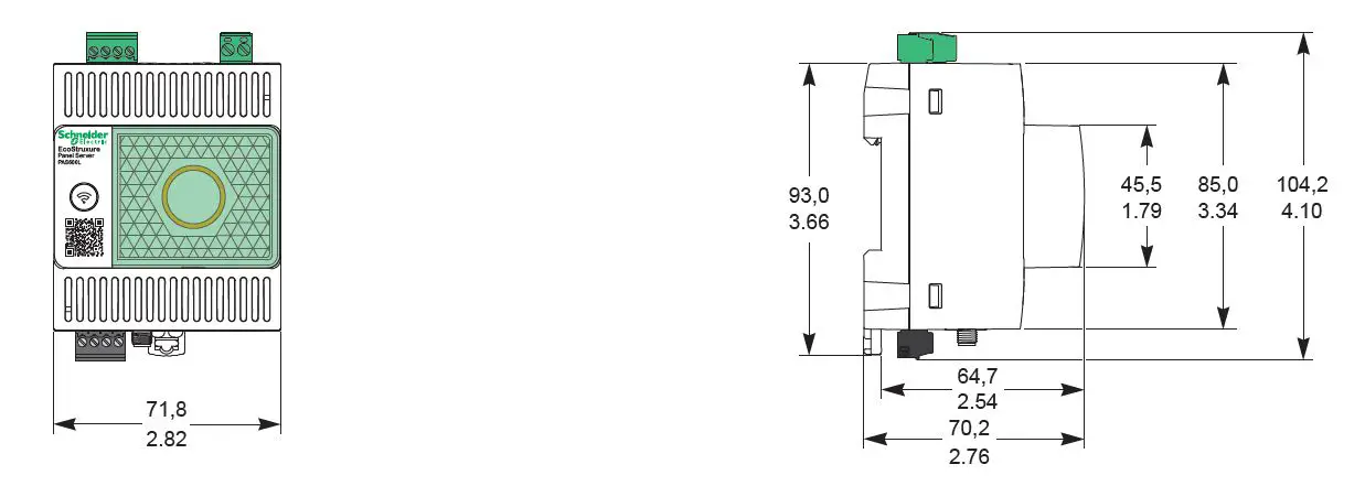
Dimensions

Installation

PLEASE NOTE
- For indoor use only.
- Not suitable for wet locations.
- Vertical installation is allowed if operating temperature remains between 25 °C to +50 °C (-13 °F to +122 °F).
Wiring
Power Supply
DANGER
HAZARD OF ELECTRIC SHOCK, EXPLOSION OR ARC FLASH
- PAS600L/PAS600T/PAS600 must be supplied by external power supply.
- PAS600L must be powered by 24 Vc, UL/CSA approved class II power supply. p PAS600L must be powered by 24 Vc, galvanically isolated SELV power supply for non NEMA/UL countries.
- PAS600L/PAS600T/PAS600 must be installed in an external cabinet or housing. p All cables wired to PAS600L/PAS600T/ PAS600 must be connected to a single building earth.
Failure to follow these instructions will result in death or serious injury


Ethernet Connection

RS–485 Modbus Port


PAS600L Digital Inputs



Status LED

Panel Server Status

Commissioning
PLEASE NOTE
Commissioning is a mandatory step for enabling Panel Server functions.
With EPC Software
EcoStruxure Power Commission (EPC) software installation:
- Search for EcoStruxure Power Commission on com
- Download EcoStruxure Power Commission (EPC) software
- Install EPC on your PC
Characteristics
Communication
- 2 10/100 BASE-T Ethernet RJ45 ports, DPWS ready DHCP client IPv4, IPv6
- RS–485 Modbus port
Input characteristics
Digital inputs: Type1
Power supply
- PAS600L: 24 Vc (±10 %)
- PAS600T: 110–240 Va/c (±10 %)
- PAS600: 110–277 Va/c (±10 %)
- Frequency rating:
- PAS600T: 50–60 Hz (±3 Hz)
- PAS600: 50–60 Hz (±5 Hz)
- Overvoltage Category III
- Power consumption:
- PAS600L: < 3 W (maximum)
- PAS600T: < 3 W (10 VA) (maximum)
- PAS600: < 3 W (10 VA) (maximum)
Environment
- Operating temperature:
-25 °C to +70 °C (-13 °F to +158 °F) - Storage temperature:
-40 °C to +85 °C (-40 °F to +185 °F) - Altitude: 2000 m (6500 ft)
- Humidity: 5–95 % relative humidity (without condensation) at 55 °C (131 °F)
- Pollution degree:
- PAS600L: 3
- PAS600T: 2
- PAS600: 2
Mechanical characteristics
- Connectors: IP20
- Other faces: IP30
- Front face nose: IP40
Radio Frequency
| EU Declaration of Conformity |
| Hereby, Schneider Electric Industries SAS, declares that the Panel Server |
| is in compliance with the essential requirements and other relevant |
| provisions of RED Directive 2014/53/EU. |
| The EU declaration of conformity PS20042001 can be downloaded on |
| www.se.com/docs. |
| p Operating frequency: 2.4 GHz. |
| p ximum radio-frequency power transmitted: |
| Wi-Fi: ≤ 100 mW |
| IEEE 802.15.4: ≤ 10 mW |
| Bluetooth: ≤ 10 mW |
FCC Statement
Federal Communication Commission Interference Statement:
This device complies with Part 15 of the FCC Rules. Operation is subject to the following two conditions:
- This device may not cause harmful interference, and
- This device must accept any interference received, including interference that may cause undesired operation.
Note: This equipment has been tested and found to comply with the limits for a Class A digital device, pursuant to part 15 of the FCC Rules. These limits are designed to pro-vide reasonable protection against harmful interference when the equipment is operate in a commercial environment. This equipment generates, uses, and can radiate radiofrequency energy and, if not installed and used in accordance with the instruction manual, may cause harmful interference to radio communications. Operation of this equipment in a residential area is likely to cause harmful interference in which case the user will be required to correct the interference at his own expense.
FCC Caution
Any changes or modifications not expressly approved by the party responsible for compliance could void the user’s authority to operate this equipment. This transmitter must not be co-located or operating in conjunction with any other antenna or transmitter.
Radiation Exposure Statement:
This equipment complies with FCC radiation exposure limits set forth for an uncontrolled environment. This equipment should be installed and operated with minimum distance 20 cm between the radiator and your body.
Note: The country code selection is for non-US model only and is not available to all US model. Per FCC regulation, all WiFi product marketed in US must fixed to US operation channels only.




















